ESD是怎样产生的?
(1)摩擦、剥离起电;——哪里有运动,哪里就有静电!

(2)感应起电;
感应起电是物体在静电场的作用下,发生了的电荷上再分布的现象。比如:一个设备加电工作的过程中,产生了
一定的电磁场,外围的物体受场的作用会感应出部分电荷,如显示器的屏幕带电现象。而容性起电就比较复杂了,它是由于已经具有一定电荷的带电体在与另一物体靠近、分离时。根据平行板电容公式c= εS/4πkd(S为金属片的正对面积,d为两金属片间的距离)。系统电容发生改变,由Q=CV(C为电容,V为电压)可知,携带一定电量的物体或人体上的静电电位将发生变化,这就会导致集成块等微电子器件的损坏。
利用静电感应原理,使导体带电的过程。A球原不带电,带电的B球使A球电荷发生转移,在接地情况下,经c、e、f等过程使A球带上电荷,谓之感应起电。

(3)电容的改变
lV=Q/C;lC=εA/d

ESD的特点
干燥环境更易产生静电:

人体对静电的感知:
在3kV时,你能通过皮肤感知;
在5kV时,你能听见;
在10kV时,你能看见;

静电放电的特点:
高电位:数百至数千伏,甚至高达数万至数十万伏;(人体对3kV以下的静电不易感觉到)
低电量:静电多为微安级;(尖端瞬间放电除外)
放电时间短:一般为微妙级;一个ESD瞬态感应电流在小于1ns的时间内就能达到峰值(依据IEC 61000-4-2标准)
受环境影响大:特别是湿度;湿度上升则静电积累减少,静电压下降;
ESD的危害
ESD失效:仿真人体带8kV静电放电,放电3次;放大3000倍;

硬损伤和软损伤

人体静电可以摧毁任何一个常用半导体器件。(以前实验室发现有人裸手拿板,就发一块坏板,让他维修。)

控制ESD:
静电不能被消除,只能被控制
控制ESD的方法:
堵;
从机构上做好静电的防护,用绝缘的材料把PCB板密封在外壳内,不论有多少静电都不能到释放到PCB上。
导;
有了ESD,迅速让静电导到PCB板的主GND上,可以消除一定能力的静电。
整机级的堵和导
1、外壳和装饰件:金属以及可导电的电镀材料等,属于容易吸引和聚集静电的材料;ESD要求很高的项目要尽可能避免使用这些材料;
2、必须使用导体材料时:结构上要事先预留有效而布局均匀的接地点;一般来说,顶针或者金属弹片的接地效果优于导电泡棉和导电布。
3、无法做接地处理的例如电镀侧键等,需要重点在主板上做特别处理;包括(1)增加压敏电阻、TVS或者电容等器件;
(2)预留GND管脚;
(3)板边露铜吸引静电放电;
4、外壳上的金属件,距离器件和走线必须大于2.2mm以上距离;
5、堆叠上避免器件裸露于孔、缝边;如果无法避免的话,则要在组装上想办法堵;常见的做法有粘贴高温胶带或者防静电胶带等阻隔;所有结构设计需要留有增加隔离片的空间;
电路板级的堵和导
1、增大PCB板材面积,以增加GND面积,增强其中和静电的能力;成本或者差异化的堆叠让我们做小
2、实在很小的板子,则必须要有至少一层完整的GND层;并且要能够跟电池地脚保持良好的连接;我们常常因为成本无法做到留出完整的地层。
3、很小的电路板,因为电路板的中和电荷能力有限,则要多考虑从整机上堵,少考虑导;
4、器件选择上,要选用高耐ESD的器件;静电保护器件在选择时需要考虑其容性,避免不合适的容性导致其所保护信号线的信号本身的失效;
5、器件摆放时,容易被ESD影响的器件,尽量罩在屏蔽罩中;
6、屏蔽罩必须保证有效而分布均匀的接地!要较为直接的接到主地上,盲孔直接结合埋孔;要四周分布均匀地接地;
7、对IO口和键盘等容易暴露的部分电路,必须增加静电保护器件;
8、器件摆放上,必须遵守就近释放的原则,ESD保护器件应靠近IO和侧键等摆放;其次是跨在中间路上;避免靠近芯片摆放;这样能够减少ESD脉冲信号进入附近线路的瞬态耦合;虽然没有直接的连接,但是这种二次辐射效应也会让其他部分工作紊乱;
9、Layout走线必须遵守有效保护的原则;走线应该从接口处先走到TVS处,然后才能走到CPU等芯片处;远远地“挂”在信号线上的静电保护器件,会因为引线寄生电感过大而导致保护失效,让保护形同虚设;
10、TVS管的接地脚与主地之间的连接必须尽可能的短,减小接地平面的寄生电感;
11、TVS器件应该尽可能靠近连接器以减少进入附近线路的瞬态耦合。虽然没有到达连接器的直接通路,但这种二次辐射效应也会导致电路板其它部分的工作紊乱。
12、避免在板边走重要的信号线;例如时钟、复位信号;
13、主板上未使用的地方尽可能的铺成地;并且连接到主地上;多铺地减小了信号与地之间的间距,相当于减小信号的回路面积;(该面积越大,所包含的场流量越大,其感应电流也越大)
14、需要注意ESD对地层的直接放电有可能损坏敏感电路。在使用TVS二极管的同时还要使用一个或多个高频旁路电容器,这些电容器放置在易损元件的电源和地之间。旁路电容减少了电荷注入,保持了电源与接地端口的电压差。
15、电源走在主板中间比在板边好;地布局在板中间比板边好;
TVS的特性与工作原理
TVS是普遍使用的一种新型高效电路保护器件,它具有极快的响应时间(亚纳秒级)和相当高的浪涌吸收能力。当它的两端经受瞬间的高能量冲击时,TVS能以极高的速度把两端间的阻抗值由高阻抗变为低阻抗,以吸收一个瞬间大电流,从而把它的两端电压钳制在一个预定的数值上,从而保护后面的电路元件不受瞬态高压尖峰脉冲的冲击。正因为如此,TVS可用于保护设备或电路免受静电、电感性负载切换时产生的瞬变电压,以及感应雷所产生的过电压。图中所示为TVS的符号及伏安特性曲线。

USB
对于USB接口的应用,目前在影音及数据处理设备上得到广泛应用。在设计USB电路时,通常都会采用保护电路设计,见下图所示就是一个USB口的保护电路,这个电路中首先误用的就是TVS管。

RS485
RS485作为目前行业内最为最常用的串行差分通讯方式之一,采用平衡发送,差分接收的方式,因此具有抑制共模干扰的能力,由于其具有通讯距离长(1200m以上),传输速率高(10Mbps),高的信噪比,控制方便,成本低,可以在一个单独的总线上实现多节点以及能够使用的收发器品种多等优点,已经越来越得到用户的肯定。
但是伴随着使用频率的增高,其遇到的问题也日益增加。由于RS485通讯传输线通常暴露于户外,日常生活中雷电和静电干扰已经成为RS485通信总线在实际工程经常遇到的问题,RS485收发器的工作电压较低,只有5V,元器件本身的耐压也较低,通常只有-7V~+12V,因此雷电等引入的过电压通常能够瞬间损坏RS485收发器,对通信系统造成遭到严重的毁坏;此外,静电电磁干扰也严重地影响通信总线的数据传输质量。

气体放电管GDT:直流击穿电压大于线路中的正常工作电压,放电管允许的通过电流超过或等于设计通过的最大电流即可。
瞬态抑制二极管TVS:通用信号传输线上TVS的击穿电压VBR应高于信号线上传输的信号电压,在此前提下, VBR应尽可能选得低一些,较低的VBR可使后端通信芯片得到可靠保护,并且具有较大的通流容量。
GDT的选择首先考虑其耐压耐流能力。TVS选择根据芯片的工作电压与耐压决定,一般略高于芯片最高工作电压。
以太网
以太网,室内标准,通过高耐压陶瓷电容,设计吸收电路进行防护。

室外以太网口防护方案的设计思路:
以太网防护方案的设计需要考虑到雷击浪涌以及陶瓷放电管一级防护之后的残压,因此一般会采用GDT在变压器前端做共模 (八线)浪涌防护;并选择结电容低、反应时间快,兼顾防护静电功能的TVS管吸收差模能量。
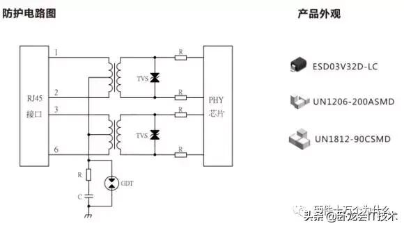
百兆以太网防护方案(一)
防护电路图:

陶瓷气体放电管:
直流标称电压200±30%V,冲击电流(8/20μs)0.5KA,电容值<0.5pF,电阻>100MΩ。
直流标称电压90±20%V,冲击电流(8/20μs)2.0KA,电容值<1.0pF,电阻>1GΩ。
瞬态抑制二极管TVS管:
TVS【SLUV2.8-4】 Vrwm:2.8V,Vb:3.0V,防静电能力(接触/空气):8KV/15KV,结电容(f=1MHz):2.0pF,封装:SO-08。
百兆以太网防护方案(二)

陶瓷气体放电管:
GDT 直流标称电压200±30%V,冲击电流(8/20μs)0.5KA,电容值<0.5pF,电阻>100MΩ。
GDT直流标称电压90±20%V,冲击电流(8/20μs)2.0KA,电容值<1.0pF,电阻>1GΩ。
瞬态抑制二极管TVS管:
TVSVrwm:3.0V,Vb:4.0V,防静电能力(接触/空气):8KV/15KV,结电容(f=1MHz):1.2pF,封装:SOD-323。
千兆以太网防护方案(一)

陶瓷气体放电管:
GDT直流标称电压200±30%V,冲击电流(8/20μs)0.5KA,电容值<0.5pF,电阻>100MΩ
GDT直流标称电压90±20%V,冲击电流(8/20μs)2.0KA,电容值<1.0pF,电阻>1GΩ。
瞬态抑制二极管:
TVS Vrwm:2.V,Vb:3.0V,防静电能力(接触/空气):30KV/30KV,结电容(f=1MHz):3.0pF,封装:SOP-08,超低漏电流
千兆以太网防护方案(二)

陶瓷气体放电管:
GDT 直流标称电压200±30%V,冲击电流(8/20μs)0.5KA,电容值<0.5pF,电阻>100MΩ
GDT 直流标称电压90±20%V,冲击电流(8/20μs)2.0KA,电容值<1.0pF,电阻>1GΩ。
瞬态抑制二极管:
TVS Vrwm:3.0V,Vb:4.0V,防静电能力(接触/空气):8KV/15KV,结电容(f=1MHz):1.2pF,封装:SOD-323。
点击下面“了解更多”