一辆行驶里程约8.6万km的比亚迪S6,用户反映:该车左边所有转向灯不亮,右边正常。打开双闪时左边的也不亮。
原因分析:
1、左转向灯继电器故障
2、双闪灯继电器故障
3、线路故障
维修过程:
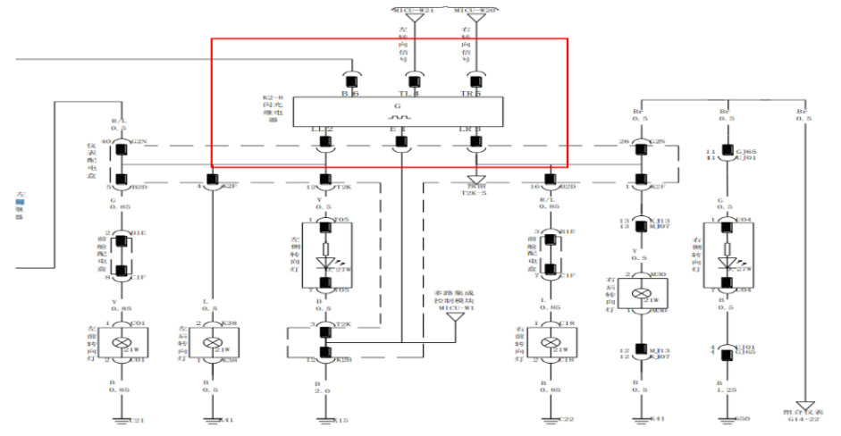
1、第一步试车发现故障现象确实跟客户描述一样,然后根据电路图检查发现该车是有两个转向灯继电器左右各一个。所以先检查了继电器倒换试车故障依旧。

2、因其电源是同一根,由于右边正常所以电源方面不考虑。然后根据电路图检查怀疑是双闪继电器问题导致,更换后故障暂时解决,全部都亮了。但是没过一会就会出现前面两个大灯的转向灯不亮,其余4个全部亮的情况。所以怀疑可能是因左边线路故障导致继电器烧掉的。所以分别测量双闪灯继电器对电源是否短路,检查下来全部正常没有短路的现象。

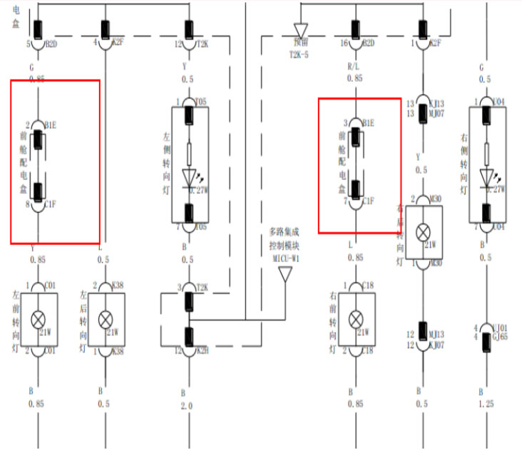
3、再次仔细研究电路图发现前面两个双闪灯都经过前舱配电盒的BIE插头,怀疑可能是插头问题或者是配电盒引起的故障,经过拆检后发现BIE插头插接不良处于脱落状态,重新插接好后试车故障排除。


维修小结:其实维修这个问题确实走了很多弯路,当查到没有电源短路的情况都不知道怎么维修了,还询问过技术督导,后根据督导建议检查线路才发现问题所在。