电磁炉坏了怎么修又怎样找到原因 (电磁炉坏了怎么修理)

电磁炉凭借外表美观、热效率高、体积小、重量轻、安全环保、操作简洁等优点,被许多人称为“烹饪之神”和“绿色炉具”。目前,电磁炉在发达国家的家庭普及率已超过80%。随着我国人民生活水平的提高,以及对健康环保的认识越来越多,电磁炉必然会走进千家万户。

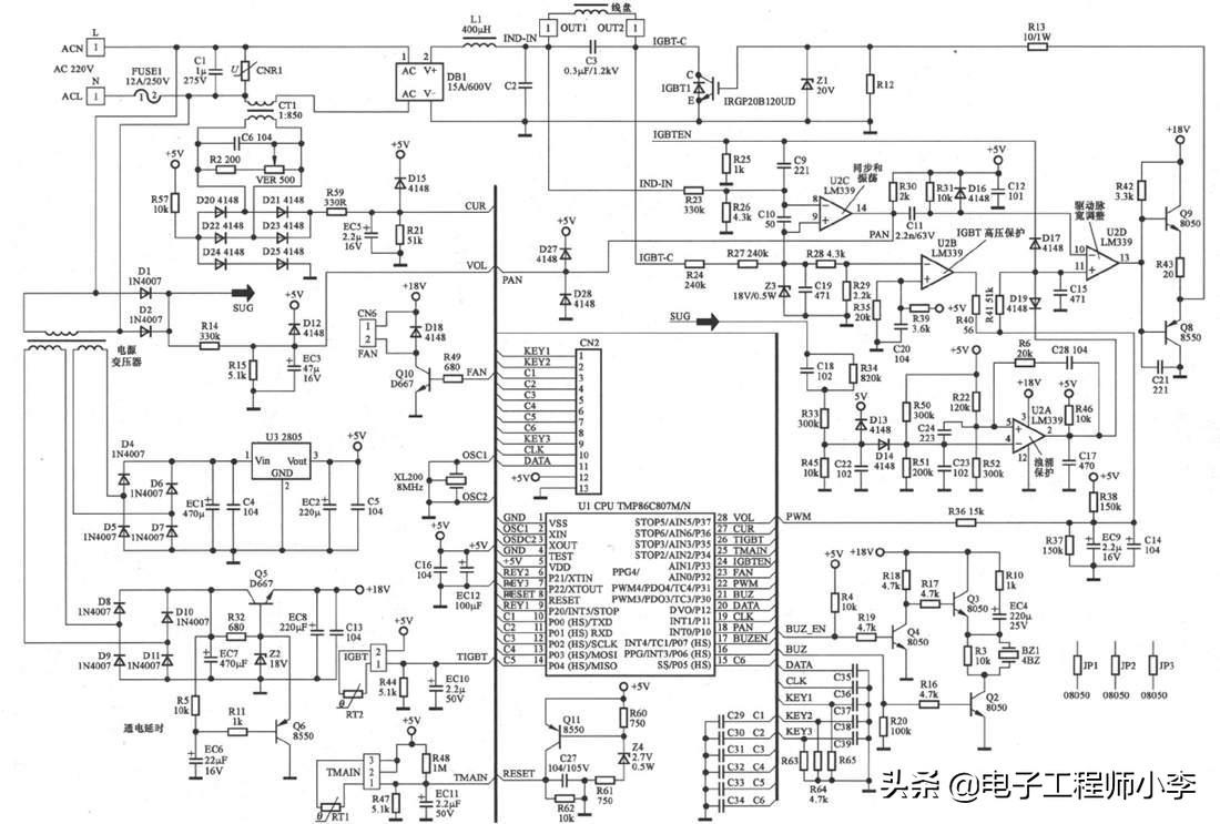
美的电磁炉

以美的SY191型电磁炉为例,该机由300V供电电路、主回路(L、C谐振回路)、驱动电路、电源电路、保护电路、操作与控制电路等构成,如图12-2所示。

1.市电变换电路

如图12-2所示,该机输入的市电电压通过高频滤波电容C1抑制高频干扰脉冲后,一路利用整流堆DB1桥式整流,L1和C2滤波,在C2两端产生300V左右的直流电压,为功率变换器(主回路)供电;另一路送到低压电源电路。市电输入回路的压敏电阻CNR1用于市电过压保护。

送到低压电源电路的市电电压首先通过电源变压器降压后,从它的2个次级绕组分别输出8V和16V(与市电电压高低有关)左右的交流电压。其中,8V交流电压通过D4~D7桥式整流,EC1、C4滤波产生11.2V左右的直流电压。该电压经三端稳压器U3(7805)稳压,EC2、C5滤波获得5V直流电压,为CPU、操作键电路、指示灯等供电;16V交流电压通过D8~D11桥式整流,EC7滤波产生23V左右的直流电压。该电压通过调整管Q5、18V稳压管Z2和电阻R32组成的线性稳压电源产生17.3V左右的直流电压(图标为18V),通过EC8、C13滤波后为功率管驱动电路、振荡器、风扇电机、保护电路等供电。

2.开机延迟电路

Q5的b极所接的Q6等元件组成的电路是开机延迟(通电延迟)电路。开机瞬间因EC6需要充电,充电过程使Q6的b极电位由低到高逐渐上升,使Q6在EC6充电初期导通,充电结束后截止,从而使Q6的e极电位由低逐渐升高到正常,致使Q5的e极输出的17.3V电压滞后于稳压器U3输出的5V电压,使功率管驱动电路开始工作的时间滞后于微处理器电路,从而避免了微处理器等电路未工作前,功率管的驱动电路已开始工作可能导致功率管损坏的现象,实现了开机通电延迟功能(即软启动功能)。

电磁炉坏了怎么修去哪修,电磁炉坏了应该怎样维修

图12-2 美的SY191型电磁炉主板电路

3.系统控制电路

如图11-所示,该机的系统控制电路由微处理器TMP86C807M/N为核心构成。

(1)微处理器TMP86C807M/N的实用资料

微处理器TM86C807MN的引脚功能如表12-1所示。

电磁炉坏了怎么修去哪修,电磁炉坏了应该怎样维修

表12-1 微处理器TMP86C807M/N的引脚功能

(2)微处理器工作条件

供电:低压电源输出的5V电压加到微处理器U1(TMP86C807M/N)供电端[5]脚,为U1内部电路供电。

复位:开机瞬间5V电源电压在滤波电容的作用下是从0V逐渐升高到5V的,当该电压低于3.3V时,Q11截止,U1的复位信号输入端[8]脚输入低电平复位信号,使U1内部的存储器、寄存器等电路开始复位,当5V电源超过3.3V后,Q11导通,由它的c极输出高电平电压加到U1[8]脚,U1内部电路复位结束开始工作。

时钟信号:U1获得供电后,它内部的振荡器开始工作,与[2]、[3]脚外接的晶振XL200通过振荡产生时钟信号。

(3)待机控制

U1获得以上3个基本工作条件后输出自检脉冲,确认电路正常后进入待机状态。待机期间,U1[24]脚输出的功率管使能控制信号为低电平。该低电平通过D17使比较器U2D[11]脚为低电平,于是U2D的输出端[13]脚电位变为低电平,使驱动电路的Q8导通、Q9截止,功率管IGBT1截止,该机处于待机状态。

4.开机与锅具检测电路

电磁炉在待机期间,按下“开/关”键后,微处理器U1从存储器内调出软件设置的默认工作状态数据,控制面板上的显示屏、指示灯显示电磁炉的工作状态,由[24]脚输出的功率管使能控制信号变为高电平,使二极管D17截止,解除对功率管驱动电路的关闭控制,同时通过C9加到同步、振荡电路的比较器U2C(LM339)的反相输入端[8]脚,使U2C[14]脚为低电平,致使C11短时间放电。随后U1通过PAN端子[18]脚输出启动脉冲。该脉冲通过C11耦合到U2D[10]脚,经U2D比较放大后从它的[13]脚输出,再通过Q9、Q8推挽放大,经R13限流后驱动功率管IGBT1导通。IGBT1导通后,线盘和谐振电容C3进入电压谐振状态。主回路工作后,市电输入回路产生的电流被电流互感器CT1检测并耦合到次级绕组后,通过C6抑制干扰脉冲,再通过R2和可调电阻VER进行限压,利用D20~D23组成整流堆进行整流产生取样电压。该电压通过R59和R21取样,再通过EC5滤波产生直流取样电压CUR,加到U1[27]脚。同时,由于主回路工作后,C3左端产生的脉冲电压通过R23、R26取样后加到U2C[8]脚,它右端产生的脉冲通过R24、R27加到U2C[9]脚,于是U2C[14]脚便可输出PAN脉冲,该脉冲加到U1的[18]脚。

当炉面上放置了合适的锅具时,因有负载,流过功率管的电流增大,电流检测电路产生的取样电压CUR较高。该电压被U1检测后,U1的PWM端子[22]脚输出的功率调整信号的占空比增大,使功率管导通时间延长,所以主回路的工作频率降低,此时U2C输出的PAN脉冲在单位时间内降低到3~8个,该频率变化被U1检测后判断炉面已放置了合适的锅具,于是控制PWM端输出可调整的功率调整信号,电磁炉进入加热状态。反之,判断炉面未放置锅具或放置的锅具不合适时,控制电磁炉停止加热,U1[17]脚输出报警信号,该信号通过Q2放大后使蜂鸣器BZ1鸣叫报警,同时U1还控制显示屏显示故障代码“E0”,提醒用户未放置锅具或放置的锅具不合适。

5.同步控制、振荡电路

该机同步控制、振荡电路由主回路脉冲取样电路、比较器U2C(LM339)、定时电容C11和定时电阻等构成。

线盘左端电压通过R23、R26取样产生的取样电压加到比较器U2C的反相输入端[8]脚,同时它右端产生的电压通过R24、R27~R29取样产生的取样电压加到U2C同相输入端[9]脚。开机后,CPU输出的启动脉冲(检测脉冲)通过驱动电路放大,使功率管IGBT1导通,线盘产生左正、右负的电动势,使U2C[8]脚电位高于它的[9]脚电位,经U2C比较后使它的[14]脚输出低电平,致使U2D[10]脚输入的低电平电压低于U2D[11]脚输入的直流电压(功率调整电压),于是U2D[13]脚输出高电平电压,使Q9导通、Q8截止,从Q9的e极输出的电压通过R43、R13限流使IGBT1继续导通,同时5V电压通过R31、C11和U2C[14]脚内部电路构成的充电回路为C11充电。当C11右端电位高于U2D[11]脚电位后,U2D1[13]脚输出低电平电压,Q9截止、Q8导通,通过R13使IGBT1迅速截止,流过线盘的导通电流消失。于是线盘通过自感产生右正、左负的电动势,使U2C[9]脚电位高于[8]脚电位,致使U2C[14]脚输出高电平。该电平通过C11使U2D[10]脚电位高于[11]脚电位,确保IGBT1截止。随后,无论线盘对谐振电容C3充电期间,还是C3对线盘放电期间,线盘的右端电位都会高于左端电位,IGBT1都不会导通。因此,只有线盘通过C2、IGBT1内的阻尼管放电期间,U2C[8]脚电位高于[9]脚电位,使U2C[14]脚电位变为低电平,由于电容两端电压不能突变,所以C11两端电压通过D16、R30构成的回路放电。当线盘通过阻尼管放电结束,并且C11通过D16、R30放电使U2D[10]脚电位低于[11]脚电位后,U2D的[13]脚再次输出高电平电压,通过驱动电路放大后使功率管IGBT1再次导通,从而实现同步控制。因此,该电路不仅实现了功率管的零电压开关控制,而且为PWM电路提供了锯齿波脉冲。该脉冲由C11通过充放电产生。

提示 由于C11不仅充电需要采用5V电压通过电阻完成,而且放电也需要通过5V电源构成的回路,所以会对锯齿波产生一些不良影响,增加了功率管的故障率。

6.功率调整电路

该机的功率调整电路由微处理器U1和PWM比较器U2D(LM339)等构成。需要增大输出功率时,微处理器U1[22]脚输出的功率调整信号PWM的占空比增大,通过R36、EC9和C14平滑滤波产生的直流控制电压升高。该电压通过R41加到比较器U2D的同相输入端[11]脚,而U2D的反相输入端[10]脚输入的是锯齿波信号,于是U2D[13]脚输出激励脉冲的高电平时间延长。通过Q8、Q9推挽放大后,使功率管IGBT1导通时间延长,为线盘提供的能量增加,功率增大,加热温度升高。反之,当U1[22]脚输出的功率调整信号占空比减小时,电磁炉的输出功率减小,加热温度低。

7.风扇散热系统

开机后,微处理器U1的风扇控制端[23]脚输出的风扇控制信号为高电平,通过R49限流,再通过Q10放大,驱动风扇电机旋转,对散热片进行强制散热,以免功率管、整流堆过热损坏。

D18是用于保护Q10的钳位二极管。Q10截止后,电机绕组将在Q10的c极上产生较高的反峰电压,该电压通过D18泄放到18V电源电路中,避免了Q10过压损坏。

8.保护电路

该机为了防止功率管因过压、过流、过热等原因损坏,设置了多种保护电路。保护电路通过两种方式来实现保护功能:一种是通过PWM电路切断激励脉冲输出,使功率管停止工作;另一种是通过CPU控制功率调整信号的占空比为0,使功率管截止。

(1)浪涌保护电路

该保护电路由取样电路和比较器U2A(LM339)为核心构成。5V电压通过构成的R22、R52取样电路取样后产生3.5V左右的参考电压,加到U2A的同相输入端[5]脚,同时市电电压通过整流管D1、D2全波整流产生的电压通过R34、R33、R45分压后,再通过D14加到U2A的反相输入端[4]脚。当市电电压没有干扰脉冲时,U2A[5]脚电位高于[4]脚电位,于是U2A[2]脚内部电路为开路状态,D19截止,不影响U2D[11]脚电位,电磁炉正常工作。一旦市电窜入干扰脉冲,D1、D2整流后的电压内叠加了大量尖峰脉冲,通过取样使U2A[4]脚电位超过[5]脚电位,于是U2A[2]脚内部电路导通,通过D19将U2D[11]脚电位钳位到低电平,于是U2D[13]脚输出的激励电压占空比降为0,功率管IGBT1截止,避免了过压损坏。待市电的干扰脉冲消失后,U2A[2]脚电位变为高电平,使D19截止,电路恢复正常工作。

D13是防止取样电压过高而设置的钳位二极管,确保C22两端电压不超过5.5V。C28和R6是为了防止该电路在开机瞬间误动作而设置的加速电路,因C28在开机瞬间需要充电,充电电流使U2A[2]脚电位为高电平,确保PWM电路在开机瞬间能够正常工作。

(2)功率管c极过压保护

该保护电路由取样电路和比较器U2B(LM339)为核心构成。5V电压通过R39、R35构成的取样电路取样后产生4.1V左右的参考电压加到U2B的同相输入端[7]脚,同时功率管IGBT1的c极产生的反峰电压通过R24、R27~R29分压后加到U2B的反相输入端[6]脚。当IGBT1的c极产生的反峰电压在正常范围内时,U2B[6]脚的电位低于[7]脚电位,于是U2B[1]脚内部电路为开路状态,不影响U2D的[11]脚电位,电磁炉正常工作。一旦IGBT1的c极产生的反峰电压过高时,通过取样使U2B[6]脚电位超过[7]脚电位,于是U2B[1]脚内部电路导通,通过R40将U2D[11]脚电位钳位到低电平,于是U2D[13]脚输出的激励电压占空比降为0,IGBT1截止,避免了过压损坏。待IGBT1的c极的反峰电压恢复正常后,U2B[6]脚电位低于[7]脚电位,U2B的[1]脚内部恢复开路,IGBT1又重新进入工作状态。

(3)市电异常保护

该保护电路由整流电路、取样电路和CPU构成。220V市电电压通过D1、D2全波整流产生脉动电压,再通过R14、R15取样,利用EC3滤波产生市电取样电压VOL并加到微处理器U1[28]脚。当市电电压高于260V或低于160V时,相应升高或降低的VOL信号被U1检测后,判断市电异常,输出停止加热的控制信号,电磁炉停止工作,避免了功率管等元件因市电异常而损坏。同时,驱动蜂鸣器报警,控制显示屏显示故障代码,提醒用户该机进入市电异常保护状态。

市电低时显示的故障代码为“E7”,市电高时显示的故障代码为“E8”。

(4)炉面过热保护

负温度系数热敏电阻RT1(笔者加注)紧贴在炉面下面,它通过连接器接到系统控制电路,一端接5V供电,另一端接到微处理器U1的TMAIN信号输入端[25]脚。U1通过监测[25]脚电压的变化情况,对炉面温度进行判断。当炉面的温度高于220℃时,RT1的阻值急剧减小,5V电压通过RT1与R47分压后的电压升高。该电压变化通过EC11滤波后加到U1[25]脚,被U1检测后判断炉面温度过高,输出停止加热信号,功率管停止工作,同时驱动蜂鸣器报警,并控制显示屏显示故障代码“E3”,提醒用户该机进入炉面温度过高保护状态。

提示 由于热敏电阻RT1损坏后就不能实现炉面温度检测,这样容易扩大故障范围,为此该机还设置了RT1异常检测功能。

若连接器、RT1开路或EC11击穿,使UI[25]脚输入的电压为0,U1则判断RT1开路,不仅不发出加热指令,而且驱动蜂鸣器报警,并控制显示屏显示故障代码“E1”,提醒该机的炉面温度传感器开路;若RT1击穿,使UI[25]脚输入的电压为高电平,U1则判断RT1击穿,不仅不输出加热指令,而且驱动蜂鸣器报警,并控制显示屏显示故障代码“E2”,提醒该机的炉面温度传感器击穿。

(5)功率管过热保护

负温度系数热敏电阻RT2(笔者加注)紧贴在IGBT的散热片上,它通过连接器接到系统控制电路,再通过EC10滤波后,接到微处理器U1的TIGBT信号输入端[26]脚。当功率管的散热片的温度高于85℃时,RT2的阻值减小,使U1[26]脚输入的电压升高。该电压被U1检测后判断散热片温度过高,U1则减小功率调整信号的占空比,使功率管导通时间缩短,电流下降,将功率管的工作温度限制在85℃以内;当散热片的温度因风扇异常等原因而高于95℃时,RT2的阻值进一步减小,U1[26]脚输入的电压进一步升高。该电压被U1检测后判断功率管过热,U1立即输出停止加热信号,使功率管停止工作,以免功率管过热损坏,同时驱动蜂鸣器发出警报声,并控制显示屏显示“E6”的故障代码,提醒用户该机进入功率管过热保护状态。

提示 由于热敏电阻RT2损坏后就不能实现功率管温度检测,这样容易扩大故障范围,为此该机还设置了RT2异常检测功能。

当热敏电阻RT2开路或滤波电容EC10短路时,U1[26]脚无电压输入,被U1识别后不仅不输出加热指令,而且驱动蜂鸣器报警,并控制显示屏显示故障代码“E4”,提醒该机的功率管温度检测电阻开路;当热敏电阻RT2击穿时,U1[26]脚输入高电平信号,该信号被U1识别后不仅不能输出加热指令,而且驱动蜂鸣器报警,并控制显示屏显示故障代码“E5”,提醒用户该机的功率管温度检测电阻击穿。当热敏电阻RT2失效被U1识别后,该机不能加热,并且显示屏显示故障代码“ED”,表明该机的功率管温度检测电阻失效。

9.常见故障检修

(1)整机不工作

该故障确认有正常的市电电压输入后,可根据熔断器是否熔断进行检修,熔断器熔断故障检修流程如图12-3所示,熔断器正常故障检修流程如图12-4所示。

电磁炉坏了怎么修去哪修,电磁炉坏了应该怎样维修

图12-3 整机不工作故障检修流程之一

(2)显示故障代码E0,保护性关机

该故障主要是300V供电、低压电源、电流控制电路、驱动电路、浪涌保护电路等相关电路异常,不能形成锅具检测信号所致,检修流程如图12-5所示。

电磁炉坏了怎么修去哪修,电磁炉坏了应该怎样维修

图12-4 整机不工作故障检修流程之二

提示 许多资料保护性关机故障是按照开机复位来介绍的,这是错误的。因为开机复位是指CPU电路在开机瞬间清零复位。

(3)显示故障代码E1、E2或E3,保护性关机

该故障说明锅具干烧、炉面温度检测电路异常或CPU损坏,检修流程如图12-6所示。

(4)显示故障代码E4或E5,保护性关机

该故障说明功率管温度检测系统或CPU异常使功率管温度异常保护电路动作,或功率管温度检测电路误动作,检修流程如图12-7所示。

(5)显示故障代码E6,保护关机

该故障说明300V供电、低压电源、同步控制电路、电流控制电路、驱动电路等异常使功率管过热,引起功率管过热保护电路动作所致,或功率管温度检测电路异常使过热保护电路误动作,检修流程如图12-8所示。

(6)显示故障代码E7,保护性关机

该故障说明该机进入市电电压低保护状态。主要原因有2个:一个是市电电压低或供电线路、插座系统故障引起市电异常保护电路动作;第二个是市电取样电路故障引起保护电路误动作,检修流程如图12-9所示。

(7)显示故障代码E8,保护性关机

该故障说明市电电压高、市电检测电路或CPU异常,检修流程如图12-10所示。

(8)加热温度低(功率不足)

该故障主要是由于300V供电、主回路、低压电源、电流控制电路、功率调整电路、驱动电路、保护电路等异常,导致线盘产生的磁场强度不足所致,检修流程如图12-11所示。

电磁炉坏了怎么修去哪修,电磁炉坏了应该怎样维修

图12-5 显示故障代码E0,保护性关机故障检修流程

电磁炉坏了怎么修去哪修,电磁炉坏了应该怎样维修

图12-6 显示故障代码E1、E2或E2,保护性关机故障检修流程

电磁炉坏了怎么修去哪修,电磁炉坏了应该怎样维修

图12-7 显示故障代码E4或E5,保护性关机故障检修流程

电磁炉坏了怎么修去哪修,电磁炉坏了应该怎样维修

图12-8 显示故障代码E6,保护性关机故障检修流程

电磁炉坏了怎么修去哪修,电磁炉坏了应该怎样维修

图12-9 显示故障代码E7,保护性关机故障检修流程

电磁炉坏了怎么修去哪修,电磁炉坏了应该怎样维修

图12-10 显示故障代码E8,保护性关机故障检修流程

电磁炉坏了怎么修去哪修,电磁炉坏了应该怎样维修

图12-11 加热温度低故障检修流程

提示 能检锅,但不能加热的故障也可参考该流程进行检修。

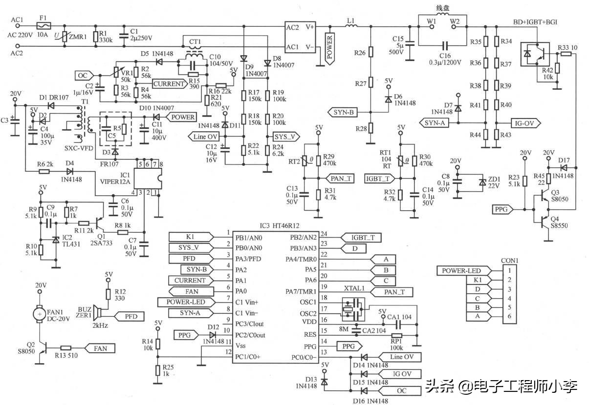
奔腾电磁炉

以奔腾采用“迅磁”小板构成的电磁炉为例,电路如图12-12所示。

1.电源电路

该机的电源电路是由新型绿色电源模块VIPER12A(IC1)为核心构成的并联型开关电源。VIPER12A的内部构成如图12-13所示,它的引脚功能和电压数据如表12-2所示。

提示 部分电磁炉采用VIPER12A构成的是串联型开关电源,所以它的[1]、[2]脚并未直接接地,而是接在18V供电的续流二极管(整流管)的负极上,所以它的[1]、[2]脚电位为18V,这样它的[4]脚电位为40V左右。

(1)300V供电

该机通上市电电压后,市电电压经保险管F1输入到主板,利用高频滤波电容C1滤除高频干扰脉冲,经整流堆桥式整流产生的电压一路为开关电源供电;另一路通过扼流圈L1、电容C15、滤波后,为功率变换器(主回路)供电。市电输入回路的压敏电阻ZMR1用于市电过压保护。

(2)功率变换

整流堆输出的电压通过D10输入到开关电源,由滤波电容C11滤波产生300V电压。该电压通过开关变压器T1的初级绕组加到IC1(VIPER12A)的[5]~[8]脚,不仅为它内部的开关管供电,而且通过高压电流源对[4]脚外接的滤波电容C6充电。当C6两端建立的电压达到14.5V后,IC1内的60㎑调制控制器等电路开始工作,由该电路产生的激励脉冲使开关管工作在开关状态。

开关电源工作后,T1的次级绕组输出的脉冲电压通过整流、滤波便获得直流电压:通过D1整流,C3滤波产生20V电压,该电压不仅通过R6、D4加到IC1[4]脚,取代启动电路为它供电,而且为功率管的驱动电路、风扇电机等电路供电;通过D2整流,C4滤波产生5V电压,为芯片IC3(HT46R12)、蜂鸣器、温度取样等电路供电。

为了防止IC1内的开关管在截止瞬间被过高的反峰电压击穿,本电路在开关变压器T1的初级绕组两端设置了R5、D3和C5组成了尖峰脉冲吸收回路。

(3)稳压控制

当市电电压升高或负载变轻引起开关电源输出电压升高时,滤波电容C46两端升高的电压通过R9、R10取样的电压超过2.5V,再经IC2放大后,使Q1导通加强,从它c极输出的电压升高,通过R8为IC1[3]脚提供的误差电压升高,被IC1内部电路处理后,使开关管导通时间缩短,开关变压器T1存储的能量下降,开关电源输出电压下降到正常值,反之,稳压控制过程相反。因此,通过该电路的控制确保开关电源输出电压的稳定。

电磁炉坏了怎么修去哪修,电磁炉坏了应该怎样维修

图12-12 奔腾采用“迅磁”小板构成的电磁炉电路

电磁炉坏了怎么修去哪修,电磁炉坏了应该怎样维修

图12-13 电源模块VIPER12A的内部构成方框图

表12-2 VIPER12A的引脚功能和电压数据

电磁炉坏了怎么修去哪修,电磁炉坏了应该怎样维修

(4)欠压保护

当C6漏电使IC1[4]脚在开机瞬间不能建立14.5V以上的电压时,IC1内部的电路不能启动;若R6、D4、D3开路或T1异常为IC1提供启动后的工作电压低于8V时,IC1内的欠压保护电路动作,避免了开关管因激励不足而损坏。另外,IC1还具有过压和过流保护电路。

2.专用芯片HT46R12的简介

专用芯片HT46R12不仅具有完善的控制功能,还能产生功率管激励脉冲。

(1)HT46R12的引脚功能

专用芯片HT46R12的引脚功能如表12-3所示。

电磁炉坏了怎么修去哪修,电磁炉坏了应该怎样维修

表12-3 专用芯片HT46R12的引脚功能

(2)芯片启动

低压电源输出的5V电压加到芯片IC3(HT46R12)[16]脚,为它供电。IC3获得供电后,它内部的振荡器与外接的晶振XTAL1通过振荡产生8MHz时钟信号。随后IC3在内部复位电路的作用下开始工作,并输出自检脉冲,确认电路正常后进入待机状态。待机期间,IC3[14]脚输出功率管激励信号为低电平,使推挽放大器的Q4导通、Q3截止,功率管IGBT截止。

3.锅具检测电路

电磁炉在待机期间,按下“开/关”键后,IC3内的CPU从存储器内调出软件设置的默认工作状态数据,控制操作显示屏显示电磁炉的工作状态,由[14]脚输出的启动脉冲通过Q3、Q4推挽放大,利用R33限流使功率管IGBT导通。IGBT导通后,线盘和谐振电容C16产生电压谐振。主回路工作后,市电输入回路产生的电流被电流互感器CT1检测并耦合到次级绕组,通过C10、R15抑制干扰脉冲,通过D5半波整流,再通过R2和R4取样产生取样电压CURRENT,加到IC3的[5]脚。当炉面上放置了合适的锅具时,因有负载使流过功率管的电流增大,电流检测电路产生的取样电压CURRENT较高。该电压被IC3检测后,判断炉面已放置了合适的锅具,控制电磁炉进入加热状态。反之,判断炉面未放置锅具或放置的锅具不合适,控制电磁炉停止加热,IC3[3]脚输出报警信号,驱动蜂鸣器BUZZER1鸣叫报警,提醒用户未放置锅具或放置的锅具不合适。

4.同步控制电路

该机同步控制电路由主回路脉冲取样电路、芯片IC3和取样电路等构成。线盘右端电压通过R35~R41、R43、R44取样产生取样电压SYN-A,加到IC3(HT46R12)的[8]脚,它左端电压通过R26~R28取样产生的取样电压SYN-B,加到IC3的[4]脚。IC3通过对[4]、[8]脚输入的脉冲进行判断,确保线盘对谐振电容C16充电期间,以及C16对线盘放电期间,[14]脚均输出低电平脉冲,使功率管IGBT截止。只有线盘通过C15、功率管内的阻尼管放电结束后,IC3的[14]脚才能输出高电平电压,该电压通过驱动电路放大后使功率管IGBT再次导通。因此,通过同步控制实现了功率管的零电压开关控制。

5.电流自动调整电路

该机的电流自动调整电路由电流取样电路、IC3内的CPU为核心构成。主回路工作后,市电输入回路产生的电流被电流互感器CT1检测并耦合到次级绕组后,通过C10、R15抑制干扰脉冲,通过D5半波整流,再通过R2和R4取样产生取样电压CURRENT,加到IC3[5]脚。若主回路的电流较大,CT1输出电压升高,CURRENT增大。CURRENT被CPU检测后,IC3使功率调整信号的占空比减小,功率管导通时间缩短,主回路的电流减小。反之控制过程相反,从而实现了电流的自动调整。

6.风扇散热系统

开机后,IC3[6]脚输出的风扇控制信号FAN为高电平,通过R13限流使驱动管Q2导通,风扇电机的绕组得到供电,于是风扇电机开始旋转,对散热片进行强制散热,以免功率管、整流堆过热损坏。

7.保护电路

该机为了防止功率管因过压、过流、过热等原因损坏,设置了多种保护电路。保护电路通过两种方式来实现保护功能:一种是通过PWM电路切断激励脉冲输出,使功率管停止工作;另一种是通过CPU控制功率调整信号的占空比,也同样使功率管截止。

(1)功率管c极过压保护电路

功率管c极电压通过R34、R37、R39、R40、R43取样后产生取样电IG-OV,通过隔离二极管D15加到芯片IC3[13]脚。当功率管c极产生的反峰电压在正常范围内时,IC3[13]脚输入的电压也在正常范围内,IC3[14]脚输出正常的激励脉冲,电磁炉正常工作。一旦功率管c极产生的反峰电压过高,通过取样使IC3[13]脚输入的电压达到保护电路动作的阈值时,IC3内的保护电路动作,使它的[14]脚不再输出激励脉冲,功率管截止,避免了过压损坏。

(2)市电检测电路

市电电压通过D8、D9全波整流产生脉动电压,再通过R19、R20、R24取样产生市电取样电压SYS_V,该电压加到微处理器IC3[2]脚。当市电电压过高或过低时,相应升高或降低的SYS_V信号被IC3检测后,IC3判断市电异常不再输出激励脉冲,功率管截止,避免了功率管等元件因市电异常而损坏。同时,驱动蜂鸣器报警,并控制显示屏显示故障代码,提醒用户该机进入市电异常保护状态。

(3)浪涌保护电路

市电电压通过整流管D8、D9全波整流产生的电压通过R17、R18、R22取样,再通过C12滤波产生取样电压line OV,该电压通过D14加到IC3[13]脚。当市电电压没有干扰脉冲时,IC3[13]脚输入的电压较低,不影响IC3输出的激励脉冲,电磁炉正常工作。一旦市电窜入干扰脉冲,IC3[13]脚输入的电压升高,该电压被IC3检测后判断浪涌电压过高,使[14]脚不再输出激励脉冲,功率管截止,避免了过压损坏。D11是防止取样电压过高而设置的钳位二极管,确保IC3[13]脚电位不超过5.5V。

(4)过流保护电路

主回路产生的电流被电流互感器CT1检测并耦合到次级绕组后,通过C10、R15抑制干扰脉冲,D5半波整流,再通过可调电阻VR1和R3取样产生取样电压OC。OC通过D16加到IC3[13]脚。若主回路的电流较大,CT1输出的电压升高,OC电压增大,被IC3检测后判断主回路过流,切断[14]脚输出的激励脉冲,功率管截止,避免了过流损坏。

提示 VR1是用于设置最大取样电流的可调电阻,调整它就可改变输入到IC3[13]脚的取样电压OC的高低,实现过流保护启控点的设置。

(5)炉面过热保护电路

负温度系数热敏电阻RT2紧贴在炉面下面,它与R31分压产生的检测信号PAN_T加到IC3[19]脚,送给IC3内部的CPU进行检测。当炉面的温度高于220℃时,RT2的阻值急剧减小,5V电压通过RT2与R31分压后使检测信号PAN_T的电压升高,被IC3检测后判断炉面温度过高,输出停止加热信号,同时驱动蜂鸣器BUZZER报警,并控制显示屏显示故障代码E7,提醒用户该机进入炉面温度过热保护状态。

提示 由于热敏电阻RT2损坏后就不能实现炉面温度检测,这样容易扩大故障范围,为此该机还设置了RT2异常检测功能。

若RT2开路或C13击穿使检测信号PAN_T为低电平,IC3则判断RT2开路,不仅不发出加热指令,而且驱动蜂鸣器报警,并控制显示屏显示故障代码“E1”,提醒该机的炉面温度传感器开路;若RT2击穿或R31开路,使IC3输入的PAN_T电压为高电平,IC3则判断RT2击穿,不仅不发出加热指令,而且驱动蜂鸣器报警,并控制显示屏显示故障代码“E2”,提醒该机的炉面温度传感器击穿。

(6)功率管过热保护电路

负温度系数热敏电阻RT1紧贴在功率管、整流堆的散热片上,它与R32取样后产生检测信号IGBT_T送到IC3[24]脚,送给IC3内部的CPU进行检测。当散热片的温度高于85℃时,RT1的阻值急剧减小,5V电压通过RT1和R32分压使检测信号IGBT_T的电压升高,被CPU检测后减小功率调整信号的占空比,使功率管导通时间缩短,电流下降,将功率管的工作温度限制在85℃以内;当散热片的温度高于95℃时,IGBT_T电压进一步升高,被CPU检测后立即输出停止加热的控制信号,使功率管停止工作,同时驱动蜂鸣器发出警报声,并让显示屏显示“E4”的故障代码,提醒用户该机进入功率管过热保护状态。

提示 由于热敏电阻RT1损坏后就不能实现功率管温度检测,这样容易扩大故障范围,为此该机还设置了RT1异常检测功能。

若RT1开路或C14击穿使检测信号IGBT_T为低电平,被IC3检测后判断RT1开路,不仅不发出加热指令,而且驱动蜂鸣器报警,并控制显示屏显示故障代码“E3”,提醒该机的炉面温度传感器开路;若RT1击穿或R32开路使IGBT_T电压为高电平,被IC3检测后判断RT1击穿,不仅不发出加热指令,而且驱动蜂鸣器报警,并控制显示屏显示故障代码“E4”,提醒用户该机的炉面温度传感器击穿。

8.常见故障检修

该机的电源电路检修方法可参考美的SY191型电磁炉。而其他故障由于电路元件较少,比较好检修。在确认外接元件正常后,可代换检查芯片HT46R12。