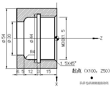
例一.图示如下零件
材料:黄铜, 毛坯:锻件, 单边余量约1mm,
螺纹为公制直螺纹,螺距1.5mm
1#刀:内孔刀; 2#刀:割槽刀(刀宽为槽宽3mm); 3#刀:螺纹刀
刀具起始点为(X100,Z50);

N0010 M03 S1500
N0020 G00 X100 Z50
N0030 T1
N0040 G00 X30
N0050 G00 Z0
N0060 G01 X55 F150 (加工端面)
N0070 G01 X39.5
N0080 G01 X36.5 Z-1.5 (倒角1.5×45)
N0090 G01 Z-26 (车削内孔φ38)
N0100 G03 X30 Z-30 R4 F100 (车削内圆弧R4)
N0110 G01 Z-37 (车削内孔φ30)
N0120 G00 X28 (X向退刀)
N0130 G00 Z50 (Z向退刀)
N0140 T2 (换内孔刀割槽)
N0150 G00 X35 (快速进刀)
N0160 G00 Z-18 (快速进刀)
N0170 G01 X44 F150 (割槽)
N0180 G00 X36 (快速退刀)
N0190 G00 Z50 (快速退刀)
N0200 T3 (换螺纹刀加工螺纹)
N0210 S700
N0220 G00 X36.5 Z2 (快速进刀)
N0230 G86 Z-16 K1.5 I-4 R2 L4 (加工螺纹)
N0240 G00 X100 Z80
N0250 M05
N0260 T1
N0270 G00 X100 Z50
N0280 M02
例二.图示如下零件
材料:45#, 毛坯:锻件, 单边余量约1mm,
螺纹为英制锥螺纹,螺距每英寸14牙,
1#刀:外圆刀, 2#刀:外螺纹刀
刀具起始点为(X100,Z160)

N0010 M03 S1000
N0020 M08
N0030 G00 X100 Z160
N0040 T1
N0050 G00 X44 Z30.2 (快速进刀)
N0060 G01 X30 F120 (粗车端面)
N0070 G00 Z107 (快速退刀)
N0080 G00 X18.4 (快速进刀)
N0090 G01 Z104 F120 (慢速进刀)
N0100 G01 X20.4 Z84 (粗车外锥, 直径余量0.4)
N0110 G01 Z34 (粗车外圆φ20)
N0120 G02 X28 Z30.2 R3.8 F80 (粗车R4)
N0130 G01 X40.2 F120 (粗车端面)
N0140 G01 Z10 (粗车外圆φ40)
N0150 G00 Z104 (快速退刀)
N0160 S1500
N0170 G00 X24 (快速进刀)
N0180 G01 X10 F120 (精车端面)
N0190 G01 X15
N0200 G01 X18 Z102.5 (倒角1.5×45)
N0210 G01 X20 Z84 (精车锥度)
N0220 G01 Z34 (精车外圆φ20)
N0230 G02 X28 Z30 R4 F80 (精车R4)
N0240 G01 X40 F120 (精车端面)
N0250 G01 Z10 (精车外圆φ40)
N0260 G00 X100 Z160 (快速退刀)
N0270 T2 (换螺纹刀加工螺纹)
N0280 S700
N0290 G00 X17.8 Z106 (快速进刀)
N0300 G87 X20 Z84 K14 I4 R1.96 L8 (车削锥度螺纹)
N0310 G00 X100 Z160
N0320 M05
N0330 M09
N0340 T1
N0350 G00 X100 Z160
N0360 M02
例三.下图所示零件,共用三把刀具,
1#刀:为90°外圆刀,2#刀:5mm切槽刀(5mm),3#刀:60°螺纹刀
毛坯尺寸φ60χ150,材料:铝。

编程如下:
N0010 G00 X70 Z130
N0020 M03 S800
N0030 G01 Z127 F80 (慢速进刀)
N0040 X-0.5 (车端面)
N0050 G00 Z130 (快速退刀)
N0060 X56.2 (快速退刀)
N0070 G01 Z0 F80 (粗车外圆φ56)
N0080 G0 X58 (快速退刀)
N0090 Z130 (快速退刀)
N0100 G01 X50.5 F80 (慢速进刀)
N0110 Z14 (粗车外圆)
N0120 G00 X52 (快速退刀)
N0130 Z130 (快速退刀)
N0140 G01 X44 F80 (慢速进刀)
N0150 Z70 (粗车外圆)
N0160 G00 X46 (快速退刀)
N0170 Z130 (快速退刀)
N0180 G01 X40 F80 (慢速进刀)
N0190 Z70 (粗车外圆)
N0200 G00 X42 (快速退刀)
N0210 Z130 (快速退刀)
N0220 G01 X36.2 F80 (慢速进刀)
N0230 Z75 (粗车外圆)
N0240 G00 X38 (快速退刀)
N0250 Z130 (快速退刀)
N0260 G01 X28.5 F80 (慢速进刀)
N0270 X30.5 Z125 (倒角)
N0280 Z104 (粗车外圆)
N0290 G00 X90 (快速退刀)
N0300 Z200 (快速退刀)
N0310 T02
N0320 M03 S400
N0330 G00 Z107 (快速进刀)
N0340 X32 (快速进刀)
N0350 G01 X26.2 F20
N0360 G00 X52 (快速退刀)
N0370 Z20 (快速退刀)
N0380 G01 X34.2 F20 (粗车外圆)
N0390 G01 X52 F80 (慢速退刀)
N0400 G00 Z200 (快速退刀)
N0410 T3 S1200
N0420 G00 X32 Z127
N0430 G01 X30 F80 (慢速进刀)
N0440 Z114 (精车螺纹外圆φ30)
N0450 X26 Z112 (倒角)
N0460 Z107 (精车外圆φ26)
N0470 X36 Z97 (精车锥度)
N0480 Z89 (精车外圆φ36)
N0490 X54 Z50 (粗车外圆)
N0500 X38 Z26 (粗车外圆)
N0510 Z20 (粗车外圆)
N0520 X58 Z9
N0530 G00 Z97 (快速退刀)
N0540 G01 X36 F80 (慢速进刀)
N0550 Z89 (慢速进刀)
N0560 G02 X30 Z80 R15 (精车顺圆弧R15)
N0570 G02 X40 Z65 R25 (精车顺圆弧R25)
N0580 G03 X40 Z35 R25 (精车逆圆弧R25)
N0590 G02 X34 Z26 R15 (精车顺圆弧R15)
N0600 G01 Z20 (精车外圆φ34)
N0610 X56 Z9 (精车锥度)
N0620 Z0 (精车外圆φ56)
N0630 S400
N0640 G00 X58 (快速退刀)
N0650 Z132 (快速退刀)
N0660 X30 (快速进刀)
N0670 G86 Z110 K1.5 I4 R1.35 L8 (车削螺纹)
N0680 G0 X70 (快速退刀)
N0690 Z200 (快速退刀)
N0700 T1
N0720 M02