在FANUC系统中,同样的故障原因,产生的报警代码可能不一样,比如老系统(OIB,OIC,18I等)的926黑屏报警,其原因和新系统(OID,OIF,31I)的SYS_ALM129报警,其报警意思和原因是一致的。

(图1 SYS_ALM129 报警画面)

(图2 926系统报警画面)
如何检查该故障,FANUC OIB,OIC,18I,系统维修说明书,解决方案如下:

那么在现实维修中,我们的经验总结如下:

(图3 电器柜内驱动器)
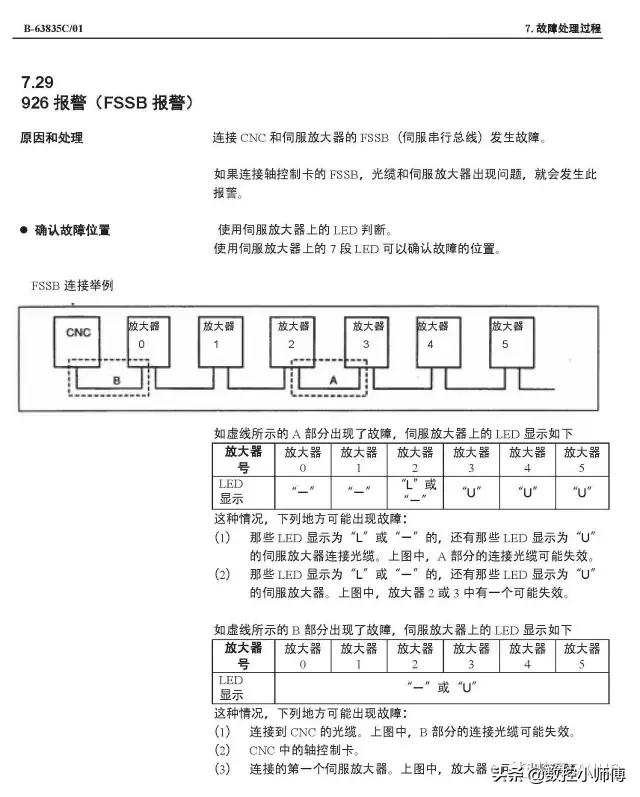
ALM129(926)FSSB报警就是光纤突然中断的报警,故障点:
1 偶发性X或Y或Z轴运行时报警,一般是该轴的反馈线皮磨破,导致短路,引起驱动器突然断电,出现ALM129(926)报警。我们可以反复移动轴来判断或者更换反馈线来判断。
2 如果光纤后面还接了FANUC全闭环盒子,如下

(图4 全闭环光栅尺转化盒)
如果外部的全闭环电缆或者读数头有短路也会产生偶发性926.反复移动轴判断是哪个轴的光栅尺。
3 驱动24V输入突然掉电或者电压过低也会引起ALM129(926)报警,检查电源输入或者更换该电源。(有的机床外部三色灯或者继电器坏,因为与驱动器共用24V,也会导致这个原因)
4 24V开关电源,电压不稳定(24V输出电压低,可以用万用表测量),电压中谐波多都可能产生故障,所以直接用新的电源更换最快最靠谱。
5 系统轴卡坏,需要交换判断。

(图5 fanuc系统主板剖开图)
关注我,不迷路,定期更新数控文章。