直升机机载电子设备AA20-431机内通话放大器虚拟化仪表试验器设计-2
直升机机载电子设备AA20-431机内通话放大器工作原理-A
编写:贺军

1、概述:
AA20-431是安装在直升机上的一个乘客公告和娱乐系统,能够为飞行音乐、信息和咨询音频提供30W / 8Ω扬声器输出。该系统还提供了8个150Ω耳机输出,用于在使用扬声器输出不实用的操作环境中使用。
AA20-431PA控制器为乘客提供所有PA和音乐音频的中央调整。公告前的自动蜂鸣声和音乐静音是标准功能。
“直升机机载电子设备AA20-431机内通话放大器虚拟化仪表试验器”是用虚拟化仪表方式检测“AA20-431机内通话放大器”各项技术指标的试验器。
直升机机载电子设备AA20-431机内通话放大器虚拟化仪表试验器组成如图所示:

直升机机载电子设备AA20-431机内通话放大器虚拟化仪表试验器屏幕显示如图所示:

直升机机载电子设备AA20-431机内通话放大器虚拟化仪表试验器设计-2
直升机机载电子设备AA20-431机内通话放大器工作原理-A
1.1、概述
本节包含有关AA20-431客舱PA系统的信息。本节中的信息包括设备的用途、特性和规格。
1.2、设备用途
AA20-431是一个乘客公告和娱乐系统,能够提供一个30W/8Ω的扬声器输出,用于飞行音乐、信息和咨询音调。该系统还提供了8个150Ω耳机输出,用于使用扬声器输出不实用的操作环境。
AA20-431 PA控制器为乘客的所有PA和音乐音频提供中央调整,公告前的自动报鸣声和软音乐静音是标准功能。
1.3、设计特点
AA20-431接受来自便携式盒式磁带/CD*放播**机或远程CD转换器/AM/FM/录音机传送来的音频信号。左右两边的音乐输入都是在内部汇总。
“安全带”和“禁止吸烟”标志联锁通电时铃声将激活;音乐音频将静音,这种允许取消是为了避免分散了乘客的注意力。
启用和禁用时的编制鸣声电路,麦克风的输入端有一个可调的信号侧音放大器,它为音频控制器提供“PA侧音”。
一个+3dB开关输入允许输出电平改变,以适应飞机操作环境
AA20-431的特点是具有热负载保护电路和过负载保护电路,这些电路为内部电路提供了防止过电压、过电流和高温度的保护情况。
1.4、规范
1.4.1、电气技术规范
输入功率:22至30Vdc,220mA空闲(最大2A)
指示灯的功率:为+28Vdc,80mA
输入:
音乐:
双通道音频输入,左和右通道混合内部磁带电平:1.0Vrms@IkHz(输入阻抗8.6kΩ)CD音频电平:400mVrms@1kHz(输入阻抗10kΩ)(注:具有删除CD输入的内部跳线)
麦克风:
高阻抗150Ω放大(ALC启动前70mVrms)动态放大。
PA键:
活动频次较低,最大值为15mA(将只激活当前源一次)。
系安全带和禁止吸烟的键:
音乐铃声活动频次较低,电流源的最大值为15mA,触发电压最大2Vdc,(铃声将激活两次,一次键入时,一次取消键入时)。
消息键:
活动频次高,电流接收最大功率为15mA,触发电压最大28伏直流。(铃声将激活两次,一次键入时,一次取消键入时)
+3dB键:
激活打开,电流源的最大值为1mA。(耳机和扬声器音频电平在不接地时将增加+3dB)
输出:
耳机:
8个输出-最大80mW,每个人都变成了600Ω@10%THD。具有短路保护。
音频带宽:
麦克风通道:<3dB 300Hz到3kHz
音乐通道:<3dB 150Hz到9kHz 信噪比-65dBm
铃声:
可调0-100mW阻抗600Ω@10%THD。
音频带宽:<3dB 350Hz到3kHz 信噪比-65dBm
扬声器:
25W 阻抗8Ω@10%THD。
20W阻抗8Ω连续功率。
单音阻抗和短路保护。
音频带宽:
麦克风通道:<3dB 300Hz到3kHz
音乐通道:<3dB 150Hz到9kHz 信噪比-65dBm
1.4.2、物理规范
高度:1.12英寸(28.4毫米)
长度:为6.52英寸(165.6mm)
宽度:5.00英寸(127.00mm)
重量:为1.3磅。(610 g)
注意:需要轨道来实现最大程度的散热
1.4.3、环境条件
工作温度:-30℃至+55℃
存储温度:-40℃至+85℃
海拔高度:35,000英尺
湿度环境:95% 非冷凝
符合标准:DO-160C Env.Cat. C4-BANXXXXXXABABBXXXXX
1.5、部件命名
型号:AA20-431
描述:3音乐铃响,系安全带,禁止吸烟,禁止吸烟铃响联锁30W阻抗8Ω,PA过载和侧音。
2.1、安装说明:
本节中的信息包括:拆包和检验程序、安装程序、安装后检查和安装图纸。
2.2、开箱检查:
小心地打开设备的包装,并找到保修卡。目视检查设备是否因运输造成损坏,并立即向承运人报告所有索赔。
2.3、安装程序
2.3.1、警告
不要将来自该机组的任何线路与发射机同轴线*绑捆**在一起。
请勿将来自本单元的任何逻辑、音频或直流电源线与400HZ同步布线或交流电源线*绑捆**使用。
不要将该单元放置在任何具有强交变磁场的设备旁边,如逆变器、电机或鼓风机,或会产生严重的音频干扰。
2.3.2、注意事项
在所有安装中,应使用完全如图所示的屏蔽电缆,并按指示接地。不遵循这些指导方针可能会导致重大问题。所有的音频安装都可能因不正确的接线和屏蔽而严重退化,并可能导致异常的串音、嗡嗡声和接地回路噪音。要特别小心所有的麦克风线路,因为这些线路携带着飞机上最低电平的信号。
2.3.3、注意
1)、扬声器输出为桥接配置;请勿使扬声器终端接地。
2)、如果扬声器负载下降到小于5Ω,扬声器输出将在两者之间切换到“满载”和“没有”功率输出。返回负载到8Ω将返回AA20431到满功率。
3)、如果机组超过高工作温度极限,输出功率将降低50%。
2.3.4、电缆和接线
对于屏蔽线的应用,请使用乙烯-四氟乙烯共聚物Mil-M-27500或Mil-M-81044单导体以及带焊套的屏蔽线(用于屏蔽终端)紧凑和易于终止的互连。请按照第2.4节中的接线图进行操作。
按需要从导线末端到屏蔽端允许3英寸,便于安装连接器罩。注意,罩是一个“翻盖”罩,并在接线完成后安装。飞机操纵应允许将机组从面板上移除,以便于进行所有调整。在进行所有调整之前,不要安装该装置。
2.3.5、保险丝和断路器
该装置的电源必须由一个单独的3A断路器或3A快速熔断保险丝提供。
2.3.6、调整
机组从工厂运输,所有内部调整设置为正常的测试水平,一旦安装在飞机上,可能需要更改这些设置,以最适合当地的操作环境。内部调整位于机组顶部,调整内容如下:
2.3.6.1、耳机电平
耳机音频的音量可以通过电位器“HEADSET LEVEL”来调节。这个控制件的连续旋转将增加耳机的音量级别。
2.3.6.2、扬声器电平
扬声器音频的音量电平可以通过电位器“SPEAKER LEVEL”来调节。这个控制器的连续旋转将增加扬声器的音量级别。
2.3.6.3、音乐级别
音乐的音量电平可以通过电位计“MUSIC LEVEL”来调整。这个控制的CW旋转将增加音乐音量级别。
2.3.6.4、侧音级别
侧音级别可以通过电位计“S/T LEVEL” 来调节。这个控制的连续旋转将增加S/T音量级别。
2.3.6.5、麦克风级别
麦克风音频的音量电平可以通过电位计“MIC LEVEL”来调节。这个控制件的连续旋转将增加麦克风的音量级别平。
2.3.6.6、钟声级别
钟声的音量可以通过电位器“CHIME LEVEL” 来调节音量。这个控制的连续旋转将增加钟声音量级别。
2.3.6.7、音乐选择
“MUSIC SEL”跳线的位置由音乐输入的类型决定。
如果安装了便携式磁带/CD*放播**机,跳线应“in”(短路)。如果安装了远程CD交换器/AM/FM/盒式磁带机,跳线应“out”(打开)。
注:平时跳线为“in”。
2.3.7、安装后检查
2.3.7.1、电压/电阻检查
在满足这些条件之前,不连接AA20-431。
检查以下内容:
a)、J101引脚<1>和<2>与+28Vdc相对接地。
b)、J101引脚<3>与+28Vdc相对接地,和座舱灯全“on”。
c)、J101引脚<4>和<5>和相互接地开路(大于10MΩ)。
d)、J101引脚<4>和<5>与<23>是否开路(大于10MΩ)。
e)、J101引脚<20>,<21>和<23>的接地连续性(低于0.5欧姆)。
2.3.7.2、电源检查
a)、安装AA20-431,并将音乐源连接到系统。启动机舱上的系统,并打开所有所需的无线电和附件。
b)、将AA20-431 “SPKR”开关设置为“PA”。音乐应在耳机中听到,但不能通过扬声器听到。
c)、开关“PA”,音乐应该是静音的,在扬声器上和耳机上应该能听到铃声。对着麦克风说话,音频应该在扬声器和耳机中被听到。
d)、将AA20-431 “SPKR”开关切换为“MUSIC”。音乐应该通过扬声器和耳机被听到。
e)、关键的PA。音乐应该是静音的,在扬声器上和耳机上应该能听到铃声。对着麦克风说话。音频应该在扬声器和耳机中被听到。
f)、激活,然后依次停用安全带,禁止吸烟和信息键。音乐应该是静音的,在激活和关闭激活时应该听到铃声。
g)、在+3dB键上进行接地。通过扬声器和耳机听到的音乐应该降到之前音量的50%。
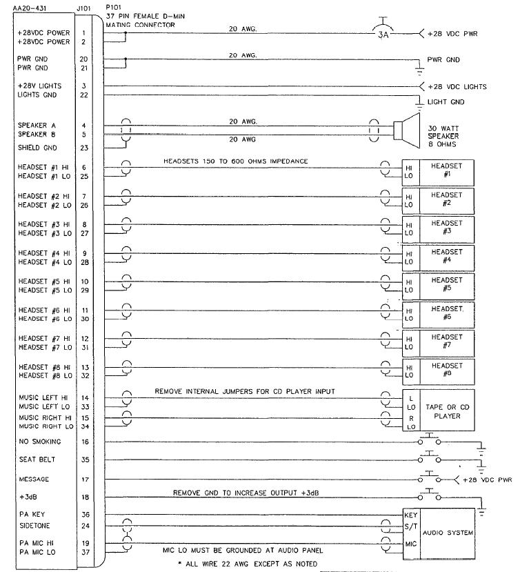
2.4、安装图纸
图纸、修订版本。描述、类型
AA20\431\905-0、1.02客舱PA系统(表1/2)、面板
AA20\431\403-0、1.02客舱PA系统、互连
AA20\431\405-0、1.02客舱PA系统、连接器图
AA20\431\922-0、1.01客舱PA系统、机械设备.安装
AA20\431\905-0、1.02客舱PA系统(表1/2)、面板:

AA20\431\403-0、1.02客舱PA系统、互连:

AA20\431\405-0、1.02客舱PA系统、连接器图:

AA20\431\922-0、1.01客舱PA系统、机械设备.安装

3.1、操作说明
本节中的信息包括AA20-431客舱PA系统的功能和操作程序。
3.2、概述
AA20-431客舱PA为乘客提供所有PA和音乐音频的中央调整。
公告前的自动报鸣声和软音乐静音是标准功能。
3.3、开关和指示灯:

3.3.1、电源开关
要激活系统,请将电源开关设置为“ON”位置。相邻的绿色LED应点亮。

3.3.2、扬声器开关
当SPKR开关处于“MUSIC”音乐位置时,音乐音频将通过扬声器被听到。若要关闭音乐音频,请将开关置于PA位置。PA音频将是唯一的音频传递到扬声器。当开关放在两个位置时,耳机都能听到音乐。

3.3.2.1、音乐操作
要通过PA系统收听音乐或预先录制的消息,请选择“SPKR”
切换到音乐的位置,并激活“音乐”源。音乐音量只能在音乐来源上进行调整。执行“3.4.”时音乐将自动静音。
3.3.2.2、PA操作
要通过PA系统广播语音信息,选择“SPKR”开关到“PA”位置,在飞机音频控制器上进行适当的选择,然后激活无线电“PTT”开关。铃声后(见3.4节),对着麦克风清晰地说话。
3.4、钟声
AA20-431的集成编钟声功能为典型的客舱/乘客应用提供了咨询音调。
3.4.1、禁止吸烟
当“禁止吸烟”键被激活时,音乐将静音,铃声将响,可在扬声器和耳机上听到。报时器将持续6到7秒钟,然后音乐音频将慢慢恢复到之前的水平(2到4秒)。铃声由(禁止吸烟“on”启动键和(禁止吸烟“off”取消键)控制。
3.4.2、安全带
当“安全带”控制线被激活时铃声将会响,音乐将会静音,并将会听到铃声在扬声器和耳机上。报时音将持续6到7秒,然后音乐音频将慢慢恢复到以前的水平(2到4秒)。激活键控(安全带“on”)和再次解除键控(安全带“off”)。
3.4.3、消息
当“消息”键线被激活时,音乐将会静音,扬声器和耳机将会听到铃声。报时音将持续6到7秒,然后音乐音频将慢慢恢复到之前的水平(2到4秒)。按键时激活,取消按键时再次激活。
3.4.4、PA
当“PA”键线被激活时,音乐将会静音,扬声器和耳机将会听到报时,麦克风放大器将会被打开。报时将持续6到7秒,之后扬声器和耳机将听到麦克风音频。当“PA”键线被取消激活时,音乐音频将慢慢恢复到它以前的水平(2到4秒)。键入时只会激活一次。