在网上看到了一个给NES/FAMICOM/SNES/SFC mini classic 游戏机制作TF扩展卡的开源项目。正好自己手里呢还有一些TF卡座,想着把这些库存TF卡座利用上,把原版扩展卡的卡座换成自己现有的。


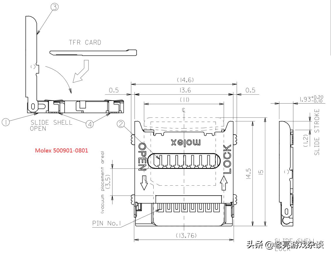
于是乎就风风火火地改了起来。先是在网上找这个TF卡座的封装文件找文档资料,然后编辑软件里一整折腾把原文件里的Molex 500901-0801卡座替换为tyco 2201778-1卡座。


经过一晚上的瞎忙活,画好后就直接下单打样了。(注意:这个是错误的)

过了两天,样板制作完成,快递也寄出后,想着提前把焊接的准备工作做一下,尝试用塑料片做个简易钢网,方便焊接TF卡座,把焊盘打印出来后,放上TF卡一比划,坏了,TF卡座的方向画反了,引脚也全都接反了,直接作废。5元制作PCB的羊毛算是白薅了。

发现问题后,在网上又找了相关的主板图片,根据主板和原版扩展卡的形状,制作了模拟图。对增加扩展版后在外壳中能否安装琢磨了一番。用原作者的扩展版放在主板上的效果。不是太精准,大概也就是这样吧。

再把我画的扩展版模拟一番,哎~~~,还真是画蛇添足,还是错误的。
1.TF卡座的方向放置反了,这个卡座是弹插式的,这样放置会导致无法安装TF。
2.TF卡座的布线全都画反了,菜鸟还是真的菜(我)。
3.没有考虑扩展版的尺寸和在安装扩展版后能否装入外壳。
另外原版的TF卡座是扣盖式,我更换的卡座是弹插的。就算是做正确了在装入TF卡时也会有一定的不方便。

经过这么一番琢磨,我决定放弃改造扩展卡这个项目了,也不再制作原版PCB。
毕竟目前我手上还没有上述4款游戏机的任何一种。等到什么时候有了机器,再来折腾吧。
至于库存的TF卡座,慢慢地再找适合的方案吧,封装也找到了,再画板也就方便了,不过一定要注意别再放反了。
文章相关链接:
(https://github.com/going-digital/sdnes)
(https://www.snapeda.com/)
(https://www.4gamer.net/games/999/G999902/20171004102/)