引言
油井水泥专用于油井、气井的固井工程。它的主要作用是将套管与周围的岩层胶结封固,封隔地层内油、气、水层,防止互相串扰,以便在井内形成一条从油层流向地面且隔绝良好的油流通道。油井水泥的基本要求为:水泥浆在固井过程中要有一定的流动性和适合的密度;水泥浆注入井内后,应较快凝结,并在短期内达到相当的强度;硬化后的水泥浆应有良好的稳定性和抗渗性、抗蚀性。目前哈萨克斯坦陆上石油探明储量为48~59亿t,天然气约3.5万亿m³,哈萨克斯坦属里海地区石油探明储量80亿t,石油储量位居世界第12位,油井水泥市场需求与日俱增。
面对广阔的市场环境,公司开展了相关产品技术研究,积极组织生产性能满足油田施工要求的产品,并先后应用于哈萨克斯坦中石油克兹、阿克套和阿克纠宾油田施工,并积极开发该国其它油气固井公司以及乌兹别克等周边国家油井水泥市场。结合G级高抗硫油井水泥产品质量控制及施工要求,本文从熟料配料与煅烧、石膏掺量、水泥比表面积和生产控制等几个方面对水泥的初稠控制进行论述。
01
G级高抗硫油井水泥质量技术要求
以遵循API规范Q1第九版为前提,依据GOST-1581-96标准,结合G级高抗硫油井水泥应用特点, 重点开发初始稠度低、强度较高、游离液低、抗硫酸盐性能好的水泥产品。 水泥化学成分和物理性能指标相关要求见表1,2。
表1 水泥化学成分要求(%)

表2 物理性能指标

02
油田使用的G级油井水泥现状
各大油田固井所用的油井水泥需要与外加剂进行配伍实验,水泥与外加剂应具有较好的相容性,可以防止加入油井水泥外加剂后油井水泥浆丧失活性。 目前应用在各油田的油井水泥或多或少存在性能的差异,这些差异影响固井水泥浆的配比稳定性和固井施工进度,而影响油井水泥与外加剂相容性的关键在于水泥的初始稠度。
控制G级油井水泥的初始稠度,可有效提高固井水泥浆的配比稳定性和固井施工进度,对提升油井水泥市场竞争力有着重要的意义。 标准要求初始稠度≤30Bc(伯登,稠度单位,初始稠度是指油井水泥在进行稠化时间实验时15~30min期间的最大稠度),目前市场用户在实际施工过程中要求水泥的初始稠度≤18Bc。
03
G级油井水泥初始稠度的影响因素及控制措施
3.1 合理配料方案,提高中控操作水平,稳定熟料质量
某公司油井熟料主要指标见 表3 。
表3 某公司油井熟料主要指标合格率


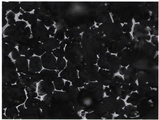
图1 G级油井熟料岩相分析
由 表3 可知,熟料的铝率较低,主要是降低熟料中C₃A含量,提高终端产品水泥的抗硫酸盐侵蚀能力。从统计表分析,熟料各率值与F-CaO合格率总体上控制较好 。合理与稳定的配料方案,提高熟料煅烧与冷却工艺水平,可降低熟料中二次游离氧化钙含量。二次游离氧化钙水化速度较快,容易对水泥浆的初始稠度造成影响。
同时对熟料进行岩相分析,断面较为致密,无明显孔洞,A矿发育良好,分布均匀,晶型完整,边棱清晰,煅烧与冷却效果较好。
3.2 G级高抗硫油井熟料主要矿物组成控制
熟料矿物组成见 表4 。熟料矿物组成是影响水泥浆流变性的主要因素,在满足G级油井熟料配料方案的前提下, 熟料中的C₃S和C₃A主要影响水泥水化速率、水化放热效率,从而影响到水泥浆初始稠变性能和水泥浆流动性;同时C₃S和C₃A含量与水泥8h强度密切相关,因此需严格执行配料方案和熟料组分要求。 熟料主要矿物含量控制:52%≤w(C₃S)≤62%,w(C₃A)≤2.8%。水泥中铝酸盐矿物含量(2C₃A+C₄AF)是影响水泥和外加剂相容性的关键因素,因此标准中做了规定,生产过程中需要合理控制。
3.3 粉磨过程中石膏的掺量
C₃A水化能很快形成六方片状水化铝酸钙(C₄AH₁₃)晶体网络结构,使浆体失去流动性,在石膏存在和碱性条件下,C₃A同样会很快水化生产C₄AH₁₃但接着C₄AH₁₃会进一步生成高硫型水化硫酸钙(AFt),而AFt晶体会在C₃A粒子表面形成包裹层,包围在熟料颗粒周围,形成“保护膜”,延缓C₃A进一步水化,避免水泥速凝。经过大量大磨、小磨实验得以验证, 在粉磨阶段SO₃含量不能过低,控制在适量范围,尽量保证水泥浆初始流动性能并得到一定持续。同时应考虑熟料中的硫含量及存在形式,以及对水化的影响。
3.4 G级高抗硫油井水泥的比表面积控制
在水泥粉磨过程中,比表面积的高低是影响初稠和稠化时间的直接因素,当然与水泥的颗粒级配也有一定关系。 水泥比表面积过高,与水接触的面积大,水化速度快,稠化时间短,初始稠度高,且使水泥浆体性能变差。 在粉磨过程中时,由于比表面积过高,水泥在磨内磨制时间长,水泥温度造成不断升高,在夏季易造成石膏脱水,造成水泥浆假凝; 水泥比表面积过低,水泥稠化偏长,游离液增大,浆体中的粗细颗粒产生分层,最后粗颗粒沉降在底部,水泥比重发生变化,且强度低。 所以在磨制水泥时,尽可能不改变比表面积指标,要根据水泥稠化时间等物理性能检验结果,在工艺上进行调整,达到合理的水泥颗粒级配,来保证水泥的物理性能。因此应选取稳定的比表面积控制范围,经过试验和实际生产情况,该公司G级高抗硫油井水泥比表面积控制在310±15m²/kg,可有效控制水泥的初始稠度。当然比表面积应按照自身原燃料、工艺状况、生产方案等作出适当调整,但同时要保证水泥的其它性能。
表5 不同比表面积下水泥的稠度变化

3.5 G级油井水泥的储存与处理
根据标准要求,水泥入成品库后,需要一定时间的储存和均化处理。均化后G级油井水泥储存周期对其性能的影响见 表6 。
表6 均化后G级油井水泥储存周期对其性能的影响

经过多年的生产经验和统计数据分析, 提前根据销售做好计划G级油井水泥的组织生产,适当控制油井水泥生产量,保证水泥库有一定的空间,利于在粉磨完成后对成品进行库底吹风降温和均化,同时注意罗茨风机出风口水汽处理。 经过一段时间存放,水泥性能更趋于稳定,初稠略有降低,流动性有所改善,稠化时间略有延长,在可控范围。
04
结语
针对G级高抗硫油井水泥存在稠化时间短,初稠高且不稳定的问题,从熟料主要矿物、水泥比表面积控制、石膏掺量以及水泥储存和均化等方面,分析了其对水泥初始稠度的影响。通过多年对G级高抗硫油井水泥的研发及生产过程中的大量数据进行整理分析,探索公司长期稳定生产优质G级高抗硫油井水泥最优方案和参数,对油井水泥质量指标控制提供依据,特别是提高了水泥初始稠度的稳定性。在哈萨克斯坦国内通用水泥市场日趋饱和的情况下,为公司打开新的经济增长点和开发油井水泥市场打下坚实基础。
更多文章关注微信公众号:备件网