VIN:LDCC13T24D1××××××。
行驶里程:86350km。
车型:配置1.6L发动机(NFP)、AL4变速器。
故障现象:客户反映一个月前车辆因前部碰撞,在某修理厂事故修复后,发动机运转和车辆行驶都很正常,就是仪表小显示屏总报警“请加注冷却液”,维修师傅检查找不到冷却液液面传感器,水箱和补水壶里的冷却液也不缺,不影响车辆的行驶,去了几次修理厂结果都是无功而返,后来经朋友介绍来到本厂检修。
故障诊断:维修技师在打开点火开关和发动机运转时,转向盘前面的多功能显示屏都常显示“请加注冷却液”(如图1所示),检查冷却系统无泄漏现象,发动机水温在正常范围,也无高温迹象。

图1 仪表显示
对冷却液循环系统进行放气处理后,多功能屏还是显示“请加注冷却液”。用诊断仪检测发动机控制单元,无冷却系统方面的故障存储。检查时发现该车没有冷却液液位传感器,冷却液面高度正常,说明冷却系统报警问题不在发动机冷却液循环方面,分析故障与发动机冷却系统的信息电路方面有关。
下面先了解一下雪铁龙世嘉NFP型发动机冷却系统电路的工作原理。
(1)世嘉NFP型发动机冷却系统电路主要组成部件
发动机冷却系统电路主要部件的安装位置(如图2所示)。

图2 冷却系统电路的主要组成部件
世嘉NFP型发动机ECU,安装在蓄电池左侧,它根据发动机冷却液温度、空调制冷剂的压力和自动变速器的油温来控制冷却风扇的低速或高速旋转。
发动机冷却液温度传感器,安装在发动机出水室上,它将发动机冷却液温度信息传递给发动机ECU。
空调制冷剂压力传感器,安装在发动机舱右侧空调制冷系统的高压管道上,它将制冷剂压力信号传递给发动机ECU。
自动变速器油温传感器,安装在自动变速器壳体内电磁阀的线束上,它将自动变速器的油温信号传递给自动变速器ECU,自动变速器ECU将油温信号通过CAN高速网传递给BSI和发动机ECU。
冷却风扇调速模块,安装在冷却风扇右侧,受发动机ECU控制,对调速模块实现对冷却风扇进行调速操作。
发动机控制盒PSF1,安装在蓄电池左侧,发动机ECU根据各传感器的信号,为冷却系统中继电器提供电流,为冷却系统电路操作供电。
智能控制盒BSI,安装在仪表板的左下方,它主要通过CAN舒适网将发动机冷却液的温度信息传递给组合仪表和多功能屏显示出来。
组合仪表(0004),安装在仪表板上方,将发动机信息及其他信号显示在仪表板上,供驾驶员随时了解发动机信息,以告知驾驶员发动机冷却方面的工作状态及情况。
多功能显示屏(7215),安装在转向盘前面(正常安装在仪表板中央,该车增装导航后将多功能显示屏安装到转向盘前方),为驾驶员显示发动机冷却液方面的信息或故障报警提示。
(2)世嘉NFP型发动机冷却系统信息电路的作用
①将发动机冷却液的温度信息传递到组合仪表上显示出来,使驾驶员随时掌握发动机的冷却状态;
②根据发动机散热、空调制冷系统散热、自动变速器油散热的需要,控制冷却风扇低速、高速、延时低速运转;
③当发生发动机冷却液温度异常升高、发动机冷却液温度传感器或传感器线路损坏等故障时,控制冷却风扇高速旋转,同时,在组合仪表上发出报警信号,警示驾驶员采取相应的处理措施。
(3)世嘉NFP型发动机冷却系电路框图
世嘉发动机冷却系统电路原理的框图(如图3所示)及框图的说明(如表所示)。

图3 NFP型发动机冷却系统原理框图
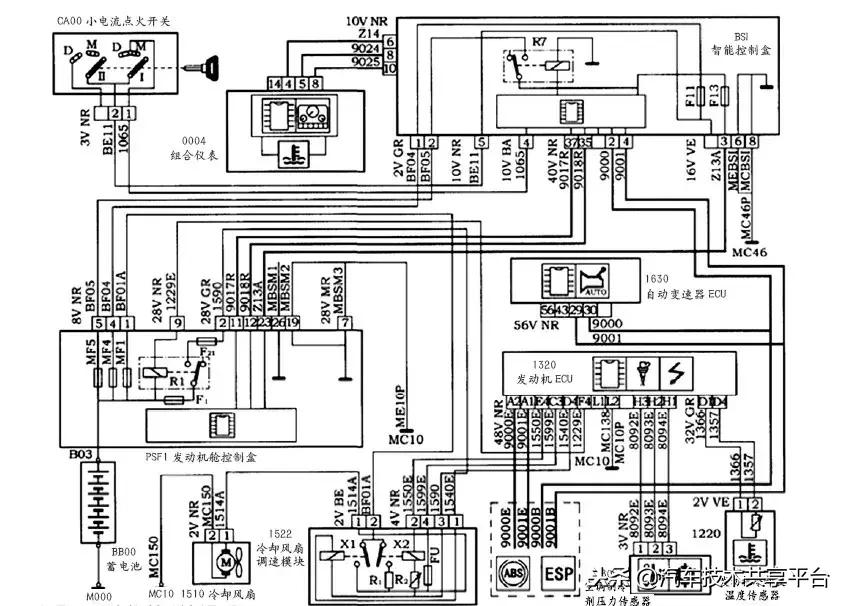
(4)世嘉NFP型发动机冷却系统的电路原理图
世嘉NFP型发动机冷却系统的电路原理图(如图4所示),根据电路图对有关的故障报警系统分析如下:

图4 NFP型发动机冷却系统电路原理图
①在点火开关转至点火挡M时,点火开关通过导线(1065)将点火信号传送到智能控制盒BSI。智能控制盒BSI获得点火信号后,将全车的CAN高速网、CAN车身网、CAN舒适网等唤醒。
②全车网络唤醒后,在智能控制盒BSI的指挥下,CAN高速网传递发动机ECU(1320)控制冷却风扇(1510)所需的发动机冷却液温度信号、空调制冷剂压力信号和自动变速器的油温信号。
③发动机冷却液温度信号由冷却液温度传感器(1220)导线(1357/1366)→发动机ECU(1320)CAN高速网(9000/9001)→智能控制盒BSI CAN舒适网(9024/9025)→组合仪表(0004)CAN舒适网(9024/9025)→多功能屏(7215)进行工作。
④组合仪表(0004)获得发动机冷却液温度信号后,将此信号显示在仪表上,供驾驶员随时了解发动机冷却液温度信息。当发动机冷却液温度传感器(1220)或传感器线路损坏后,发动机ECU(1320)将无法获得发动机冷却液温度信号,为防止发动机冷却液温度过高,发动机ECU控制冷却风扇(1510)高速运转,同时多功能屏(7215)上显示“发动机温度故障:请停车”,组合仪表(0004)上显示“发动机冷却液温度高、STOP、发动机故障灯、SERVICE”等报警信号。
通过以上了解和分析,对冷却系统电路状态及线路进行检查。
检查组合仪表和多功能屏。对组合仪表(0004)和多功能屏(7215)进行检查,在发动机水温正常的情况下,多功能屏和组合仪表上没有显示“发动机冷却液温度高、STOP、发动机故障灯、SERVICE”等报警信号。只有多功能屏(7215)显示“请加注冷却液”,无其他异常报警显示,说明组合仪表和多功能屏没有故障存在。
检查冷却系统与报警有关的线路。按世嘉NFP型发动机冷却液温度信号的传递路线:发动机冷却液温度传感器(1220)→发动机ECU(1320)→智能控制盒BSI→组合仪表(0004)→多功能屏(7215)对线路及连接器进行逐一检查,检查结果是有关线束连接器无松动、脱落或损坏现象,有关线路的导线无断路、短路或损坏现象。
检查发动机冷却液温度传感器。根据世嘉NFP型发动机冷却系统框图说明,当发动机冷却液温度传感器(1220)或传感器线路损坏后,发动机ECU控制冷却风扇(1510)高速运转,多功能屏(7215)上显示“发动机温度故障:请停车”,组合仪表(0004)上显示 “发动机冷却液温度高、STOP、发动机故障灯、SERVICE”等报警信号。检查过程中没有出现冷却风扇高速运转和冷却液高温报警,可以排除“请加注冷却液”不是冷却液温度传感器损坏影响的。
检查发动机舱控制盒PSF1。维修技师打开发动机舱内PSF1控制盒罩盖,首先对PSF1控制盒内保险丝和线路进行检查,保险丝和线路无断路现象存在;检查PSF1控制盒内线路插接器无松动、脱落现象,连接的非常牢固;维修技师再逐个拔下28V线束插接器(如图5所示),

图5 拔下线束连接器
检查是否有进水的情况,拔下28V黑色插接器和28V白色插接器,插接器内端子无弯曲、损坏和进水现象;最后在拔下控制盒PSF1棕色28V插接器时找到了故障点,看到插接器座内部隔板脱落、隔板被压成碎片,同时发现该插接器的14号端子歪倒在25端子上(如图6所示),发生短路现象引发的多功能屏(7215)常显示“请加注冷却液”的故障信息。

图6 故障点
故障排除:清除控制盒PSF1棕色连接器内的隔板碎片,修复弯曲的14端子(如图7所示),消除14号端子与25号端子之间的短路现象,正确装复3个28V线束插接器。

图7 修复弯曲的14号端子
安装完毕后,维修技师打开点火开关,多功能显示屏(7215)不再报警,启动发动机长时间运转,多功能屏(7215)也不再显示“请加注冷却液”,控制盒PSF1棕色28V线路插接器座损坏引起的多功能屏常报警“请加注冷却液”故障彻底排除。
故障总结:从该车故障排除可以看出,事故车在修复过程中,由于维修技师安装PSF1控制盒插接器时,28V棕色插接器把PSF1控制盒座内隔板压碎,并将14端子压倒与25端子发生短路,同时,碎片导致插接器安装不到位,造成其他端子有接触不良现象(与以前有车曾经发生过PSF1控制盒的3个28V线束插接器进水时故障现象一样),留下故障隐患,导致“请加注冷却液”方面的故障报警。这种情况下无正常信号传递到CAN舒适网,将错误的发动机冷却液面信息传递给多功能屏(7215),显示“请加注冷却液”以告知驾驶人员冷却液位有问题存在的错误显示。在故障排除中,要求维修人员进行拆装时要细心认真,同时必须了解发动机故障系统结构和工作原理,对相关线路和部件进行细致的分析,认真的检查,才能准确的找到故障点,为客户快速排除故障。

表 世嘉发动机冷却系统电路原理框图说明