35CrMo车轮毂螺栓,为某型号乘用车的右后轮毂螺栓,该车辆服役约一年左右,行驶里程约五万公里,约四万多公里时换过一次轮胎;车辆在高速行驶时螺栓断裂,导致轮毂脱落造成事故。
后轮毂螺栓断裂,一件取出,另一件卡在安装孔中,有一段尚未取出,取出另一段螺栓的断裂残件。螺栓在后轮毂的安装位置及卡在安装孔中不能全部取出的安装位置形貌侧面,见图11-57;正面见图11-58.

图11-57 安装孔侧面的螺栓残件位置 图11-58 安装孔正面的螺栓残件位置
图11-59为两枚送检螺栓残件宏观形貌,可见螺栓表面为电镀锌处理,两断裂件断面均已较严重锈蚀,一号试样左侧可见疲劳条带。

图11-59 送检的两枚螺栓宏观形貌
图11-60所示为一号试样断口侧面宏观形貌,可见断口位于螺纹收尾位置,边缘有塑性变形痕迹,侧面镀锌层磨损,并伴有较严重的锈蚀。
图11-61所示为二号试样断口侧面宏观形貌,可见断口位于螺纹收尾的杆部圆角位置,断口有少量塑性变形痕迹,侧面镀锌层完好。

图11-60 一号试样断口侧面形貌 图11-61 二号试样断口侧面形貌
采用扫描电镜对断口观察:
图11-62所示为一号试样断面宏观形貌,可见有疲劳条带呈疲劳断裂特征,裂纹源区,疲劳裂纹扩展区,以及终断区特征。
图11-63所示为一号试样微观形貌,可见犁沟状挤压磨损痕迹;
图11-64所示为一号试样断面疲劳扩展区微观形貌,可见疲劳条带,条带间距约3μm;
图11-65所示为一号试样断面终断区微观形貌,可见浅韧窝及准解理形貌。
图11-66显示二号试样断面宏观形貌,疲劳条带不明显,边缘存在一系列“轮辐状”台阶。
图11-67为二号试样疲劳扩展区微观形貌,可见间距约2μm系列疲劳条带,结合断口边缘“轮辐状”台阶,可知为多源疲劳断裂。
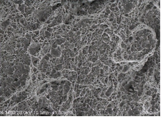
图11-68为二号试样终断区等轴韧窝形貌。

图11-62 一号样断面宏观形貌 图11-63一号样断面微观形貌

图11-64一号样断面扩展器微观形貌 图11-65 一号样终断区微观形貌

图11-66 二号样断面宏观形貌 图11-67二号样断面扩展区微观形貌

图11-68 断面终断区微观形貌
金相检测,图11-69所示为一号试样心部金相组织,为回火索氏体及珠光体。图11-70所示一号断裂螺栓螺纹部位金相组织,表面无折叠缺陷和其他缺陷。 图11-71所示一号断裂螺栓杆部圆角部位的纵向剖面,可见圆角处碳势正常,流线顺畅,经测量,圆角半径约为4mm(二号螺栓圆角已破坏,无法测量,只能借鉴一号螺栓的测量结果),另外,从图中还可看出圆角法向方向有一条约1.5mm的裂纹。
图11-72所示为一号失效螺栓非金属夹杂物形貌,根据《GB/T 10561-2005 钢中非金属夹杂物含量的测定标准》可评定为D类(球状氧化物夹杂,细系)1.5级,DS类(单颗球粒状夹杂物)0.5级。

图11-69 一号样心部金相组织 图11-70一号样表面金相组织

图11-71 一号样圆角纵向剖面 图11-72一号样非金属夹杂物
硬度检测,对一号样断裂螺栓进行硬度试验,检测结果,心部硬度 : 358~360 HV10,,螺栓硬度为标准要求的上限,标准中对9.8级螺栓硬度的要求为290~360 HV10。
采用直读光谱法对一号螺栓进行化学成分分析,螺栓材料为35CrMo。
一号样螺栓断面有大面积疲劳条带,裂纹扩展区疲劳条带明显,属疲劳断裂,疲劳源位于螺纹收尾处。二号送检螺栓断面未见疲劳条带,但微观形貌显示裂纹扩展区有大量疲劳条带,结合断口边缘轮辐状台阶形貌,可判定为多源疲劳断裂,疲劳源位于杆部圆角处,为应力集中部位。
疲劳断裂是承受动载荷螺栓的常见失效形式之一,轮毂螺栓在车辆行驶过程中受到交变载荷作用,具备了螺栓疲劳断裂的服役载荷特征。
引起疲劳断裂的原因一般为螺栓表面缺陷(如脱碳、折叠、显微裂纹等)、以及应力集中区(如圆角半径过小)或预紧力不规范等(安装过松、过紧都可能诱发疲劳断裂)。从上述检测分析可知,断裂的一号螺栓表面未发现折叠、脱碳等缺陷,断口特征表现为单源疲劳,疲劳源侧面有磕碰变形痕迹,由此可推断一号螺栓是在车辆运行过程中松动而引起的疲劳断裂。
二号螺栓断口特征表现为多源疲劳,疲劳源位于圆角处,为应力集中区,初步判定二号螺栓的疲劳断裂是由于安装预紧力过大而引起。
根据以上分析,可以得出如下结论与启示:
(1) 螺栓的断裂性质是疲劳断裂。
(2) 两件螺栓虽然都为疲劳断裂但一件为松动而引起的疲劳断裂;另一件为安装预紧力过大而引起的疲劳断裂。
(3) 车辆螺栓安装的过紧或过松,都会在运行过程中产生质量隐患。
(4) 车辆螺栓安装时要控制安装预紧力,防止出现过紧或过松现象。