故障现象
客户描述iPhone 6s Plus喇叭无声音。
维修过程
测试发现故障确实为无振动,*放播**音乐时喇叭无声音。进一步测试,先测语音备忘录中
是否可以录音,测试正常,如图所示。听筒*放播**录音也正常,*放播**音乐没声音,但插
耳机声音正常。
对于录音、听筒、耳机都正常,喇叭没声音,同时没振动的故障,排除外设问题后
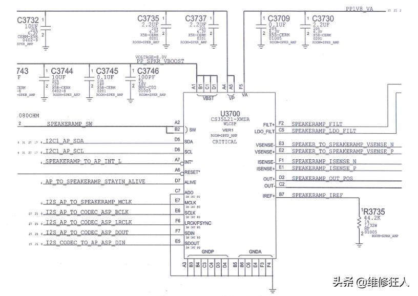
一般都是音频功放芯片或音频功放芯片到CPU的通信线路有问题。在iPhone 6s Plus
中有两个音频功放芯片,即U3700和U3800.它们的相关电路分别如图。


U3800是驱动振动器的,U3700是驱动喇叭的。这两个功能同时不能使用,两个芯片同
时损坏的概率太小,真正故障应该是芯片到CPU的I2S总线有问题。
开始维修,先拆下振动驱动芯片U3800,测量主板焊盘的二极体值,发现E7脚的
I2S _AP_TO_ARC_MCLK的二极体值为无穷大。I2S_AP_TO_ARC_MCLK所在电路如图所示。

查电路原理图,此信号是经过电阻R0921通往CPU的,如图所示。再测量R0921
靠CPU 的一端的二极体值,也是无穷大,说明CPU虚焊了或板层断线了。这里的二极体值
正常是0.500左右。

在I2S 总线中,MCLK信号用来同步CPU 和音频芯片之间的工作频率,并不参与声音
传输。而在iPhone 6s Plus中,CPU 到大音频、音频功放、振动驱动芯片分别使用了3个
MCLK主时钟信号,这3个时钟频率是一样的。也就是说,可以借用一下大音频的MCLK
时钟信号来同步CPU和振动驱动芯片之间的工作频率。
查电路图发现大音频的MCLK信号是CPU 经过R0920送来的,见图。于是,从
R0920的一端飞线到R0921,如图所示

飞好线后测量振动芯片U3800 E7脚的二极体值已经有0.467了,如图所示。

重新装上振动芯片U3800,装机测试,*放播**声音正常,振动正常,录音也正常了。维修
到此结束。