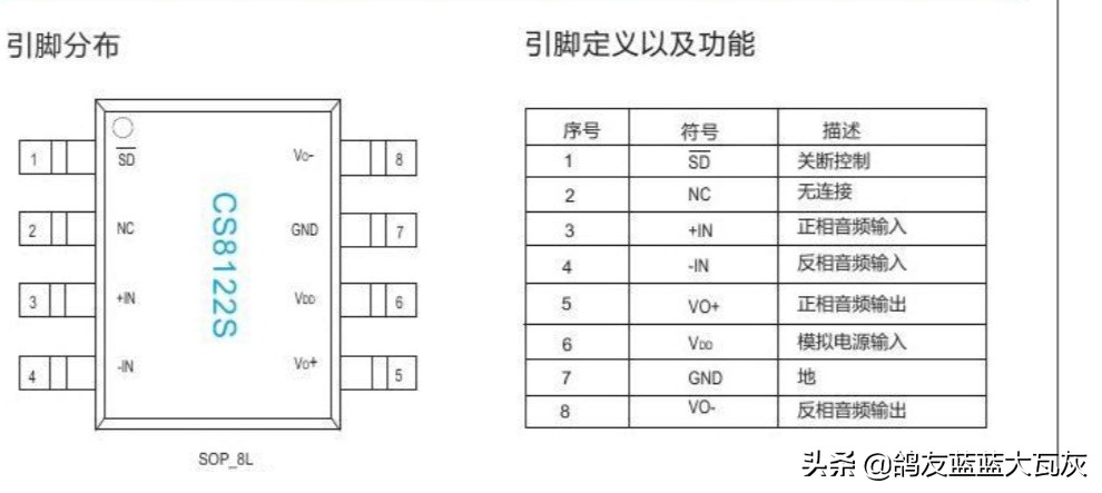
今天单位购买的对讲机VK-128型调频对讲机其中一部出现喇叭声音小,原以为又是喇叭粘了过多的金属粉尘,造成喇叭振动膜无法振动引起的故障,熟练的打开对讲机后盖,取下喇叭进行除铁屑的操作(之前遇到太多这样的故障),进行完毕,装上电池试机,发现声音仍然很小。本着先易后难的维修方法,更换一个之前声音正常的喇叭,故障依旧。看来必须要上电测量法才能解决了,接外接充电器电源直接给电路板,测量喇叭的供电,电压为2V左右,这时候没法确定电压正不正常,但是已经怀疑这个电压低就是造成故障的原因,为了确定自己的判断。另辟蹊径,不是有耳机插孔吗?测量耳机正常时的供电不就知道了,测量后发现耳机正常工作的电压就是电池的电压,看来自己的判断正确,这下就有了维修思路,首先找到音频管理芯片,型号为CS8122S,引脚定义及功能图如下:

可以发现芯片5脚为正相音频输出,8脚为反相音频输出,通过采集声音的变化转化成变化的幅度不同的电压值,喇叭声音小,原因有两个:
一、电压值偏低,喇叭线圈产生的电磁小,振膜振幅小;
二、芯片有问题,无法产生变化的电压以及周边滤波电容损坏。
通过以上分析,在实际测量及上电试验以后发现两个原因都有,所以导致喇叭声音小,首先我更换了芯片5脚的外接电容,为贴片电容,已经裂了,失去滤波的作用,故障依旧没有解除;找到以前别的故障报废的对讲机拆下音频管理芯片,更换后故障解除。


故障对讲机