大家好,日本制造业内参小编,仗着自己懂日语,而且很懂,在日本呆过,而且呆了很久:)将随机,不定期,穿插式地,为你带来日本制造业,商业,企业最新鲜,最有营养的消息:)由于小编是个小姐姐,偶尔有技术出入的,欢迎指教,实则改之:)
今天我告和你聊聊:
日本不二越的电缆内置型多功能机器人,SRA系列SRA100HS/SRA100HB。

不二越电缆内置型多功能机器人
首先,不二越是个啥?不二越是不二家的妹妹吗?

日本食品公司不二家
当然不是,不二越(NACHI)是世界十大轴承厂商之一。
创立于1928年,为实现日本当时几乎全部依赖进口的机械工具的国产化而在富山创立的。
不二越品牌源于日本大和的始祖-熊野的那智大社,体现了高昂的实业热情。
1929年昭和天皇视察关西,夸赞了不二越锯条,首任社长井村先生以NACHI 为灵感,设计了商标。

不二越logo
那么,言归正传,今天的主角不二越电缆内置型多功能机器人厉害在哪里呢?
01、内置电缆的中空机械臂
在具有中空结构的机械臂内,简洁内置焊接电缆,软管类避免因电缆凸出而与周边装置干扰
通过手腕动作让电缆活动稳定,提高可靠性,提高离线示教的精度,可轻松实现机械臂内置焊接电缆的离线示教。

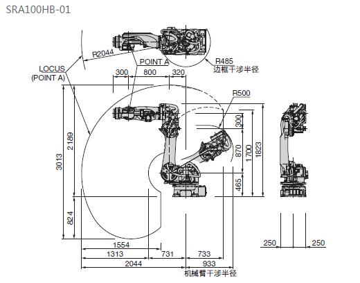
外形尺寸及工作范围示意图
02、紧凑机身
控制机器人的总高度可实现与大型机器人相组合的多级设置。
03、精度高
位置反复精度 3±0.1mm。

外形尺寸及工作范围示意图
来源:
日本不二越官网

想知道更多日本制造业的干货嘛?欢迎关注日本制造业内参全新专栏:
《日本爆品开发2018年12月》、《制造业市场研究2019年第一期》
专栏亮点:
专栏内容由日本发行量第一的制造业专业杂志《日经制造》独家授权。

以下是头条号日本制造业内参发布过的好文章,感兴趣的可以阅读一下:)
丰田工厂:比星空还安静,比美术馆还有调调,比迪士尼还霸气
「技术」日本 EXEDY:如何利用3D技术,在2小时内自动设计模具?
关于日本制造业,朋友你最想了解什么?
18秋冬19春季,日本、中国制造业活动大波来袭!拿走,不谢~
日本脚轮业巨头:“我”走路带电
欢迎留言与小编互动,与大家分享~
你的每一条留言,小编都会虚心阅读,小编一直都在:)