
故障图片
格力风管机出现过EE和FF代码,是哪里的故障?昨天还是有人咨询如何解决,今天把故障原因和解决方案整理好了,可以给你提供解决思路。
格力风管机显示板温度区域出现“FF”代码是什么故障?
查询格力《商用机上门服务手册》上的解释是: 子房间开关故障(见备注)。
备注内容:
小风管:子房间处于关状态, 内机主板与联机控制器通讯故障, 或是接上联机控制器后所有风阀处于关闭状态。
大风管:子房间处于关机状态,如果没有设置子房间开、关机功能,有可能是通讯故障,或室内机主板A接线端与火线没短接上。
看完上面的维修内容你可能有点蒙,怎么理解?
不懂,不知道怎么维修,你开始向人求救,你开始找“度娘”,找了一圈还是没有找到解决方案。
进来看的就是为了答案对吧?
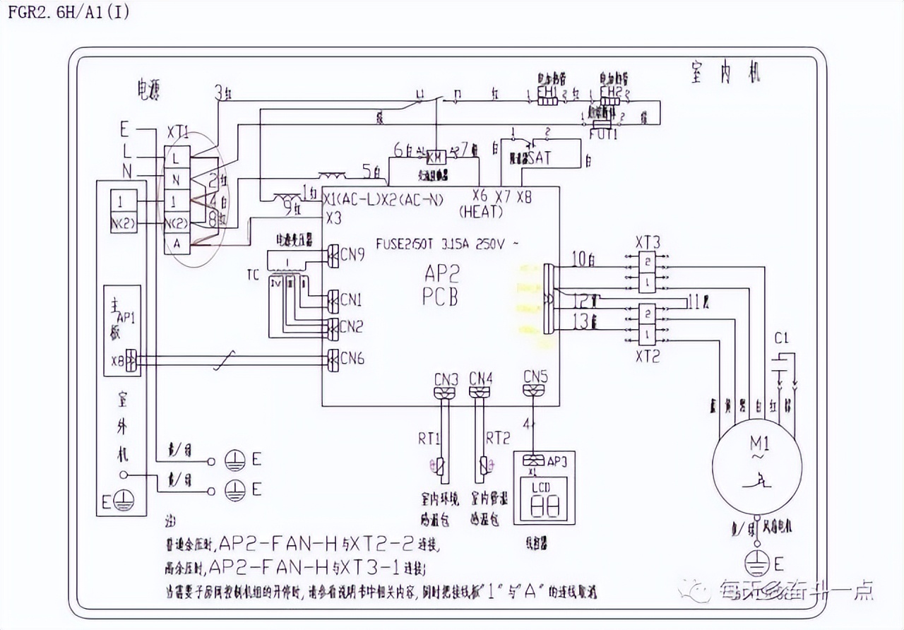
下面就是答案,没有上面的解释,你也就找不到真正的答案,电路图看了没有?
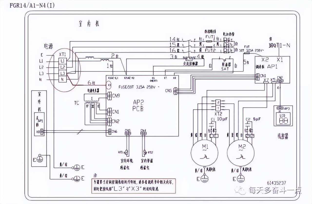
通过下面的电路图你会发现电源线接线端子L3分出去三根电源线,第一根去了辅助电加热的交流接触器,第二根去了风机调速板,第三根去了主板X3,图片上标红的那一部分,图纸下面有一部分文字说明,内容是:当需要子房间控制机组的开停时请参看说明书中相关内容,同时把接线板“L3”和"X3”的连线取消。

220V供电的风管机是从内机“L”分出去两根线,一根分给辅助电加热,一根分开线号“1”和“A”这个“1”是供给外机,“A”供给了X3

说明书上是怎么写的?请看下图:

看完这些是不是更蒙了,怎么这么复杂?原理有点复杂,但是看懂得了原理排除故障故障就简单多了;
解决方案: 正常的内机供电方式是220v的风管机"L"必须是火线,“N”必须是零线,如果反了,手操器就会报“FF”, 380V供电的风管机内机"L3"必须是火线,如果缺相或者“L3”是零线,手操器就会显示“FF”, 解决方法是检查电源线接线是否正确,是否缺相?把电源线调整以后故障既可以排除。

格力老款风管机线控器温度区域显示“EE”代码是童锁,就是锁定手操器。
实际上“EE”代码是童锁功能代码 ,是为了防止儿童或者其他人员随意操作手操器,而设置的一个童锁功能代码。该代码是可以通过手操器设定和取消的。
设置方法:同时按下温度调节键▲和▼ 5秒时,设定温度处将显示“EE”并屏蔽所有按键响应,进入按键锁状态;再次同时按下▲和▼5秒可解除按键锁功能。
重要提示:最新风管机显示器上显示“EE”是外机记忆芯片故障,需要更换外机主板才能解决问题。