本田飞度使用的CVT无级变速箱型号为SEAR,是本田公司自己研发的,最近几年开始大规模的在飞度上装配使用。经过几年的运行,部分变速箱进入了维修期。可是国内缺少相关的资料及装配经验。今天这篇文章是我向专门从事本田培训的人要来的资料整理的,内容非常详细,对维修飞度CVT变速箱有重要的指导意义,其它的CVT变速箱也可以参照。
什么是CVT变速器?
无级变速器的正式名称应为无段变速, 英文全称Continuous~Variable Transmission 简称CVT。无级变速器和普通自动变速器的最大区别,是它省去了复杂而又笨重的齿轮组合变速传动,变速机构的核心组件是两组带轮,通过改变驱动轮与从动轮金属带的接触半径进行变速。无级变速器的传动效率高且稳定,变速范围可达5~6,传动效率可高达95%,而采用液力变矩器的自动变速器传动效率只有87%左右,因为无级变速只需要1组两个带轮及金属带(链)便可改变传动比,而不象4档或5档的变速器需要有4~5组齿轮。当前常用的无极变速器的传动构件主要由轮带驱动,它有两种形式,分别是金属带V轮式和金属链带V轮式,金属带V轮式采用一根非常坚韧的金属带与一对可作轴向移动,宽度可调的V型带轮配合6金属带紧压在V型带轮上,通过改变带轮槽的宽度来改变金属带与带轮接触的直径,从而改变传动比。
无级变速箱的工作原理

CVT变速器的优点
1.通过在发动机燃烧效率的高领域行使,来到提高燃油经济性;
2.变速时无冲击感,使行驶顺畅成为可能;
3.因为减少了变速时的动力损失,在行驶中使发动机连续的不间断的驱动力输出成为现实。

一、本田飞度无级变速器的特点
1、概述
飞度无级变速器是一种采用主动与从动带轮以及钢带的电控变速器,具有无级前进档变速和二级倒档变速功能,装置总成与动机直列布置。
2、结构特点
变速器带有4条平行轴:输入轴、主动带轮轴、从动带轮轴以及主传动轴。输入轴和主动带轮轴与发动机曲轴呈直线布置。主动带轮轴和从动带轮轴均由带活动和固定两种轮面的带轮构成,两个带轮通过钢带联接。输入轴由太阳轮、行星齿轮及行星架构成:主动带轮轴包括主动带轮以及前进离合器;从动带轮轴包括从动带轮、起步离合器以及与驻车齿轮一体的中间从动齿轮。主传动轴位于中间主动齿轮与主减速从动带轮之间6主传动轴由主减速主动齿轮和中间从动组成。当变速器的行星齿轮通过前进离合器和倒档制动器接合后,动力即由主动带轮轴传递至从动带轮轴,从而提供了L、S、D、和R档位
3、档位选择
换档杆共有以下有6种位置:
由于配备有空档安全开关,所以只有在P和N档位下才可起动。

4、7速模式(7速模式车型)
此型号的无级变速器在D和S档位下具有7速模式,7速模式又分为2种:7速自动模式和7速手动换档模式。7速自动模式下,变速器可以自动在7种带轮速比范围内上下变换。此时,转向换档开关随时可以被激活,而此开关被激活后,7速自动模式即被取消,且进入7速手动换档模式;在7速手动换档模式下,驾驶员可以通过转向换档开关,以手动方式在7级速比范围内加减换档。主开关(7 SPEED MODE)(A)和转向换档开关(B)安装在转向盘上,驾驶员可以按动开关进行模式和速度等级选择,无需将手移开转向盘。
5、液压控制
阀体类型包括主阀体、ATF泵体、控制阀体、ATF油道以及手动阀体。ATF泵体用螺栓固定在主阀体上。主阀体则用螺栓固定在飞轮 壳上;控制阀体位于变速器箱体外部,ATF油道体定位在主阀体上,并与控制阀体、主阀体以及内部液压回路相连;手动阀体定位在中间壳体上,ATF油泵为摆线式,其内转子通过花键与输入轴联接口带轮和离合器分别由各自的供油管供油,倒档制动器由内部液压回路供油。
6、换档控制机构
动力系统控制模块通过电磁阀,对带轮传动比变换进行控制,PCM接收来自车辆各种传感器和开关的输入信号d,PCM操纵 无级变速器主动带轮压力控制阀和从动带轮压力控制阀,以改 变带轮控制压力;主动带轮控制压力施加在主动带轮上,从动 带轮控制压力则施加至从动带轮上J由此可以使带轮传动比在 其有效范围内进行交换。
二、机械部分
1、离合器/倒档制动器
无级变速器通过液压离合器和制动器来接合和分离变速器齿轮。当离合器鼓和倒档制动器的活塞腔受到液压作用时,离合器活塞和倒档制动器活塞移动,将摩擦片和钢盘压紧在一起并锁定,使其不致打滑,由此,动力通过已接合的离合器组件传递到离合器上轮毂定位的齿轮,然后通过啮合的齿圈传递到行星齿轮。
相反,当离合器组件和倒档制动器活塞腔解除液压作用时,活塞将松开摩擦片与钢盘,使其自由相对滑动,齿轮将在轴上独立旋转,不传递任何动力。
变速器剖面图

2、起步离合器位于从动带轮轴的后端部与中间轴主动齿轮啮合/分离。由于无液力变矩器,所以无自动离合的作用。起步加速和带档停车就由起步离合器控制发动机动力传递到主差速器。起步离合器所需液压通过其位于主动带轮轴内的自动变速器油管提供钟该离合器鼓上加工有大流量润滑冷却孔道。
3、前进离合器
前进档离合器与太阳轮啮合/分离,它位于主动带轮轴的部。
前进离合器所需液压通过其位于主动带轮轴内的自动变速器油管提供。手动阀挂到D、S、L位时直接供油。

4、倒档制动器处于R档位时,倒档制动器将锁定行星架,倒档制动器位于行星架周围的中间壳体内部。倒档制动器安装在行星架上,而倒档制动片安装在中间壳体上务倒档制动器的液压通过—个与内部液压回路相连的回路提供。制动器标准间隙0.50-0.70mm。
5、行星齿轮
行星齿轮由太阳轮、行星齿轮和齿圈组成。太阳轮通过花键与输入轴联接,行星齿轮安装在行星架上;行星架位于输入轴端部的恒星齿轮上。齿圈位于行星架内,它与前进离合器鼓相联。,太阳轮通过输入轴将发动机动力输入至行星齿轮,行星架输出发动机动力。行星齿轮机构仅用于改变带轮轴的旋向。在D、S和L档位(前进档范围)下,行星齿轮不自转,也不绕太阳轮回转,.因而行星架将会转动;在R档(倒档范围)时,倒档制动器将行星架锁定,太阳轮驱动行星齿轮转动,行星齿轮自转但不绕太阳*公轮**转,行星齿轮驱动圈沿太阳轮相反的旋向旋转。


6、带轮每个带轮均有一个活动面和一个固定面。带轮有效传动比将随时接收到来自车辆各种传感器和开关的输入信号而变化。主动带轮和从动带轮通过钢带联接。需得到低带轮传动比时量从动带轮活动面上将被施加高液压并减小主动带轮的有效直径,主动带轮的活动面上将受到较低的液压压力,以避免钢带打滑;要得到高带轮传动比时,主动带轮的活动面上被施加以高压并减小从动带轮的有效直径,同时从动带轮活动面上施用较低压力,以避免钢带打滑。
7、钢带
1)钢带由大约数百个钢片与两根多层重叠的钢环构成口此钢带与橡胶带通过张力作用传递动力不同,而是通过钢片的压缩作用来传递动力。
2)钢片为了传递动力,需要与带轮的倾斜面之间发生摩擦力,摩擦力通过以下的原理产生。
①次级带轮的油压发挥作用夹紧钢片
②钢片被挤向外侧口
③钢板环被拉紧
④钢板环产生张力。
⑤初级带轮一侧的钢片被夹在带轮之间。
⑥钢带与带轮之间产生摩擦力。
即:通过压缩作用传递动力的钢片与为传递动力而产生摩擦力的钢板环分别承担作用,由于钢板环的张力是由整体分散承担,所以具有应力变化较少,持久性强的特点。
安装要注意旋向。

三、动力流程
1、P档位
没有液压作用于起步离合器前进离合器以及倒档制动器上。无动力传递至中间主动齿轮;中间主动齿轮被与驻车齿轮联锁的驻车棘爪锁定。
2、N档位
从飞轮传来的发动机动力驱动输入轴,但无液压作用于前进离合器和倒档制动器。动力没有传递给主动带轮轴并且也没有液压作用于起步离合器上。如下图所示。
3、D、S和L档(前进档范围)
前进离合器啮合;倒档制动器分离;起步离合器啮合;前进离合器和起步离合器上均有液压作用,并且恒星齿轮驱动前进离合器;前进离合器驱动主动带轮轴,主动带轮轴又通过钢带驱动从动带轮轴:从动带轮轴通过起步离合器驱动中间主动齿轮;动力传递至中间从动齿轮和主减速主动齿轮,而主减速主动齿轮又驱动主减速从动齿轮。如图所示。
4、R档(倒档范围)
前进离合器分离;倒档制动啮合;起步离合器啮合,行星架由倒档制动器锁定;太阳轮驱动行星齿轮自转,行星齿轮驱动齿圈沿与太阳轮相反的旋向旋转;齿圈通过前进离向旋转i齿圈通过前进离合器鼓驱动主动带轮轴,主动带轮轴通过联接钢带驱动从动带轮轴;从动带轮轴通过起步离合器驱动中间轴主动齿轮;动力传输至中间轴从动齿轮和主减速主动齿轮,然后再驱动主减速从动齿轮。如图所示。

5、倒档限止装置
控制在车辆以6mph(10km/h)的速度向前行驶时,如果选择了R档位,动力系统控制模块将输出信号,以接通(ON)限止装置电磁阀,倒档限止阀右端的倒档限止装置(R l)压力即被释放。倒档限止阀移至右侧,并封闭相应油口,从而截止由手动阀通向倒档制动器的倒档制动器(RVS)压力。倒档制动器没有受到RVS压力作用,动力没有传递至倒档方向。
四、 电子控制系统
1 、电子控制系统
电子控制系统由动力系统控制模块( PGM)、传感器以及电磁阀组成。换档采用电子方式控制,确保所有条件下的驾驶舒适性。PCM接收传感器、开关以及其它控制装置发送来的输入信号,经过数据处理后,输出用于发动机控制系统和无级变速器控制系统的信号。无级变速器控制系统包括换档控制/带轮压力控制、7速模式控制、起步离合器压力控制、倒档锁止控制以及储存在动力系统控制模块内的坡道逻辑控制。动力系统控制模块操纵电磁阀对变速器带轮传动的变换进行控制口如下图所示。
2、电子元件位置
电子控制系统由动力系统控制模块( PGM)、传感器和电磁阀组成。PCM位于仪表板下部,杂物箱的后面。
3、换档控制/带轮压力控制
动力系统控制模块将实际行驶条件与储存的行驶条件进行比较,以便进行换档控制,并根据各种传感器和开关传来的信号即时确定一个主、从动带轮传动比。处于D和S档位时,从动带轮通过联接钢带在2.367-0.407的传动比范围内以无级方式驱动从动带轮;在R档位下乡如果踩下加速踏板,传动比被设定为1.326,如果松开加速踏板,则设定为2.3670带轮传动比较低(车速较低)时,从动带轮受到高压作用,以使其保持大直径,而主动带轮承受低压,以保持与从动带轮成比例的直径;带轮传动比较高时(车速较高)j从动带轮受到低压作用而主动带轮被施以高压。动力系统控制模块操纵带轮压力控制阀,对施加于各种带轮的最佳压力进行调节,以减少钢带打滑,延长其使用寿命。如下图所示。

4、7速自动模式
以D或S档位行驶时,如果按下主开关(7 SPEED MODE)将变速器切换至7速自动模式,则变速器将依据一定条件,如节气门开度和车速之间的平衡尹自动设定最佳速度等级。在某些以7级车速滑行的情况下,变速器将换入超速档位d如果在D或S档下停车时被切换至7速自动模式,则变速器将换入第1速度等级且车辆以1级速起步,换档指示器显示所选速度等级数字。
5、7速手动换档模式
在7速自动模式下‘,按下转向换档开关,变速器被切换至7速手动换档模式,且M指示灯亮(ON)。按加号(+)开关,变速器调速至下一更高速度等级;』按减号(一)变速器调低速,换档指示器显示所选速度等级数字9车辆以某一速度滑行时,如果调低速会导致发动机超速,则变速器将无法调低速,直至车辆达到调低速所允许的速度。:此模式也具有可以防止发动机超速的自动调高速区,以及使车辆平稳行驶并有更多动力准备加速的调低速区。
6、起步离合器压力控制
像液压变矩器一样,液压控制的起步离合器,在D、S、L和R位置时,使起步和慢行趋于平稳。PCM从传感器和开关接收信号,来激励起步离合器压力控制阀,从而调节起步离合器的压力。

7、起步离合器的爬行控制功能

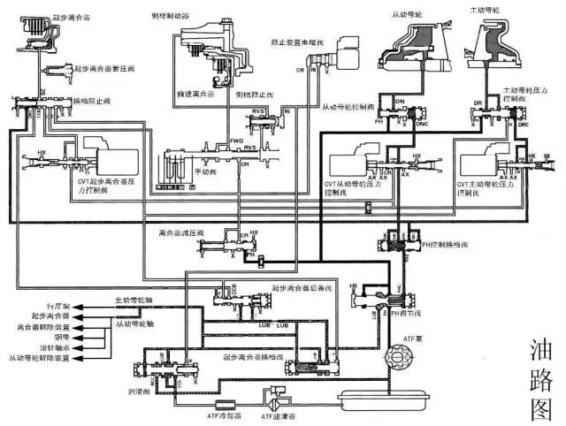
五、液压系统
液压控制系统通过变速器油泵、阀门和电磁阀进行控制。变速器油泵由输入轴驱动。油液从变速器油泵流经PH调节阀,以便对主动带轮、从动带轮和手动阀保持规定的压力。阀体类型包括主阀体、变速器油泵体、控制阀体以及手动阀体。主阀体用螺栓固定在飞轮壳上,变速器油泵体用螺栓固定在主阀体上;控制阀体位于变速器箱体外部;手动阀体用螺栓固定在中间壳体上。
1、阀体
(1)控制阀体
控制阀体位于变速器箱体外部,它包括了主动带轮压力控制阀、从动带轮压力控制阀、起步离合器压力控制阀、主动带轮控制阀以及从动带轮控制阀。如下图所示
1)主动带轮压力控制阀
主动带轮压力控制阀由线性电磁阀和滑阀组成,并由动力系统控制模块(PCM)控制。 主动带轮压力控制阀向主动带轮控制阀提供主动带轮控制 力( DRC)。
2)从动带轮压力控制阀
从动带轮压力控制阀由线性电磁阀和滑阀组成,并由动力系统控制模块(PCM)控制。 从动带轮压力控制阀向从动带轮控制阀提供从动带轮控制压力 (DRC) 。
3)起步离合器压力控制阀
起步离合器压力控制阀由线性电磁阀和滑阀组成,并由动力系统控制模块( PGM)控制。起步离合器压力控制阀根据节气门开度调节起步离合器的压力大小(SC),并向起步离合提供起步离合器压力(SC)。
4)主动带轮控制阀
主动带轮控制阀对主动带轮压力(DR)进行调节,并向主动带轮提供压力。
5)从动带轮控制阀
从动带轮控制阀对从动带轮压力( DN)进行调节,并向从动带轮提供压力。

2、主阀体
主阀体包括PH控制调节阀、离合器减压阀、换档锁定阀、起步离合器蓄压阀、起步离合器换档阀起步离合器后备阀以及润滑阀。如下图所示。

1) PH调节阀
PH调节阀用于保持自动变速器油泵所提供的液压,并向液压控制回路及润滑回路提供PH压力。PH压力是由PH调节阀根据PH控制换档阀提供的PH控制压力(PHC)进行调节的。
2) PH控制换档阀
PH控制换档阀向PH调节阀提供PH控制压力(PHC),以便根据主动带轮控制压力(DRC)和从动带轮控制压力(DNG)对PH压力进行调节。
3)离合器减压阀
离合器减压阀接收来自PH调节阀的PH压力,并对离合器减压压力(CR)进行调节。
4)换档锁定阀
换档锁定阀用于切换油液通道,以便在电气系统发生故障的情况下将起步离合器控制从电子控制切换到液压控制。
5)起步离合器蓄压阀
起步离合器蓄压阀对提供给起步离合器的液压具有稳定作用。
6)起步离合器换档阀
在电子控制系统发生故障的情况下,起步离合器换档阀接受换档锁定压力(SI),并将润滑压力(LUB)旁路转换至起步离合器后备阀。
7)起步离合器后备阀
起步离合器后备阀提供离合器控制B压力(CCB),以便在电子控制系统故障情况下,对起步离合器进行控制。
8)润滑阀
润滑阀用于稳定内部液压回路的润滑压力。
3、手动阀体
手动阀体通过螺栓固定在中间壳体上,它包括主动阀和倒档限止阀。如下图所示。

1)手动阀
手动阀根据换档杆位置,以机械方式开启或封闭油液通道。
2)倒档限止阀
倒档限止阀由倒档限止装置电磁阀提供的倒档锁定压力( Rl)进行控制。当车辆以大约6mph i(10 km/h)'以上的车速向前行驶时,倒档限止阀将截止通向倒档制动器的液压回路。
4、D档位·电子控制系统发生故障的情况下
电子控制系统发生故障的情况下,变速器将建立一条临时液压回路,以允许车辆继续行驶。无级变速器主动带轮压力控制阀处的主动带轮控制(DRG)压力将超过规定值,使DRG压力通向换档限止阀,使换档限止阀被移至左侧,来自离合器减压阀的离合器减压(CR)压力形成换档限止阀处的换档锁定装置(SI)压力;SI压力通向起步离合器换档阀和起步离合器后备阀,并在起步离合器后备阀处成为离合器控制B(CGB)压力;CGB压力变成换档限止阀处的起步离合器(SC)压力,而SC压力将通向起步离合器,使起步离合器接合,车辆即可起步。
5、R档位一电子控制系统发生故障的情况下
电子控制系统发生故障的情况下,变速器将建立一条临时液压回路,以允许车辆继续行驶。此时,通向倒档制动器的液压回路与R档位时是相同的。无级变速器主动带轮压力控制阀处的主动带轮控制(DRC)压力将超过规定值,使DRC压力通向换档限止阀,换档限止阀被移至左侧,来自离合器减压阀的离合器减压(CR)压力形成换档限止阀处的换档锁定装置(SI)压力;SI压力通向起步离合器换档阀和起步离合器(SC)压力,而SC压力将通向起步离合器;起步离合器接合,车辆即可起步。

六、 拆装步骤:
1.拆开外壳上的各种附件,以免翻动波箱中损坏;
2.拆开油底壳,油路板;
3、拆除波箱飞轮壳体及内部零件

4.用专用拉马拉出起步离合器和齿轮;

5.拆后盖和内部的手动阀;

6.拆除输入轴、前进离合器、倒档制动器、行星齿轮组、油管等;

7.拆除波箱中间壳体;

8.拆ATF滤清器和主阀体

9.检查是否有零件损坏,更换损坏的零件;
1 0.中间壳体总成(连同带轮和钢带)若损坏一般作为一个总成来更换;
1 1.装复步骤基本上与拆解步骤相反;
12.前进离合器装配图:
离合器间隙 0.55-0.85mm

1 3.制动器标准间隙0.50-0.70mm

1 4.用专用工具安装起步离合器;

六、变速器检修
油压测试
1.检查波箱油位加注合适;
2.拉紧驻车制动器,用三角木塞住后轮;
3.拆除挡泥板;并让前轮能自由转动;
4.发动机热车后;
5.将油压表接入右图中A油压测试孔(F),启动发动机,档位换到D位,加速到1700rpm,测量前进离合器油压;
6.将油压表接入右图中B油压测试孔,启动发动机,档位换到R位,加速到1700rpm,测量倒档制动器油压;
7.将油压表分别接入右图中C测试孔(DR)和D孔(DN),启动发动机,档位换到N位,加速1700rpm,测量主动、从动带轮油压;
8.将油压表接入右图中E油压测试孔(LUB).j启动发动机,加速到2500rpm,测量润滑油压;

9.测量结果应符合下表范围。
(注意:变速器失效模式时带轮压力可高达约3.5MPa)


失速试验:
发动机转速
D、 R=2350-2650rpm
S、 L=2800-3100rpm

常见故障:
本田飞度CVT最常见的故障就是行驶3万公里以后,出现不同程度的起步车身发抖现象。更换CVT专用油后,故障减弱或消失。但要根本解决问题应该清洗起步离合器相关油路再用本田故障诊断系统HDS做起步离合器的学习。

飞度CVT匹配方法:
一、车辆停止时的设定:
1、将手刹来起;
2、发动机运转到正常温度,风扇转两次;
3、确定没有故障码;
4、关掉钥匙;
5、用本田电脑或HDS跨接SCS线连接;
6、踩下刹车不动,直到设定完毕;
7、在无负荷的情况启动发动机,然后打开前大灯(设定时大灯一直亮着);
8、将换档杆推到N档,然后换之D,S,L在2 0秒再推到空挡,重复两次;
9、如果D指示灯闪烁或亮1分钟,从第5步再做一次。
二、行驶状态下的设定:
1、启动,打开大灯;
2、使车子跑到6 0 KM/H,然后不要踩刹车,让车辆减速,直至停止。