1单相有功电度表的接线
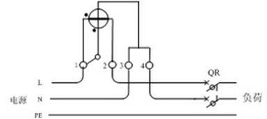
画出接线原理图 直入式有功电度表接线
单相有功电度表分为直入式电度表(全部负荷电流过电度表的电流线圈)和经互感器接线的电度表两类。
直入式电度表又可分为跳入式和顺入式两种。
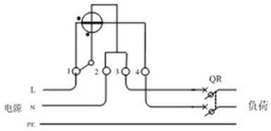
电度表的安装位置及安装环境应符合规程要求。其接线要求分别为:(1) 电度表的额定电压应与电源电压一致;其额定电流应等于或略大于负荷电流;(单相用电1KW≈4.5A)(2) 应使用独股绝缘铜导线,其截面应满足负荷电流的需要,但不应小于2.5mm2。(有增容可能时,其截面可适当再大些);(3) 相线、零线不可接错,零线必须进表,零火不得反接,电源的相线要接电流线圈(否则会造成漏电且不安全);4) 表外线不得有接头,电压联片必须连接牢固; (5) 开关熔断器接负荷侧。

相跳入式电能表

单相顺入式电能表 经互感器接线的有功电度表接线要求
(1)电流互感器要用LQG型的,其精度不应低于0.5级。电流互感器的一次额定电流应等于或略大于负荷电流为方便接线尽可能选线圈式;(2)电流互感器的极性要用对,K2要接地(或接零);(3)电度表额定电压应与电源电压一致,其额定电流应为5A;(4)二次线要使用绝缘铜导线,中间不得有接头。其截面为:电压回路应不小于1.5mm²;电流回路应不小于2.5mm²;(一次线按一次电流选)(5)电流互感器应接在相线上,相线、零线不可接错,零线必须进表;(6) 开关熔断器接负荷侧。

2 直入式三相有功电度表的接线画出接线原理图

三相四线(DT)有功电度表接线原理图

三相三线(DS)有功电度表接线原理图
按图接线实做(如下图)
接线要求:①度表的额定电压应与电源电压一致,额定电流应等于或略大于负荷电流(负荷应不小于表盘标定值的20%);②按正相序接线,电压钩必须连接,开关熔断器接负荷侧;③线应使用绝缘铜导线:其截面应满足负荷电流的需要,但不得小于2.5mm²④外线不得有接头;⑤三相四线有功电度表的零线必须进、出表。
使用要求:①三相四线有功电度表(DT型),可对三相四线对称或不对称负载作有功电量的计量;而三相三线有功电度表(DS型),仅可对三相三线对称或不对称负载作有功电量的计量。②电度表导线的选用:按导线选择口诀。
安装要求:①电度表安装时,应保证其可转动的铝盘为水平。②应按正相序接线(如图所示,既是正相序接线)。③所用的导线,应是铜芯绝缘导线。其截面应满足负荷电流的需要,但最小不得小于2.5mm²。④表外线不得有接头,中性线必须进、出表端子。⑤电度表不得装在潮湿、有腐蚀性气体、有易燃易爆气体场所,也不得装在有强磁场干扰的场所。⑥明装电能表距地面应在1.8-2.2m之间,暗装应不低于1.4m。装于立式盘和成套开关柜时,不应低于0.7m。
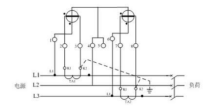
3三相有功电度表经电流互感器的接线
画出接线原理图:有三相三线式(三相两元件)和三相四线式(三相三元件)两种。
按图接线(实做)
选件及接线要求1.电度表的额定电压应与电源电压一致,额定电流应是5A的;2.要按正相序接线,三相四线有功电度表的零线必须入表,零火不得反接;3.电流互感器一次额定电流应满足负荷电流的需要,电流互感器的变比应相同,K2端应接地或接零,为便于接线选LQG型的,精度应不低于0.5级。电流互感器的极性要用对,不能反接;

三相四线式(三相三元件)电度表经电流互感器接线原理图

三相三线式(三相两元件)电度表经电流互感器接线原理图
4.二次线应使用绝缘铜导线,中间不得有接头。截面:电压回路不小于1.5mm²;电流回路不小于 2.5mm²;一次线按一次负荷电流选;5.二次线应排列整齐,两端穿带有回路标记和编号的“标志头”。6.当计量电流超过250A时,其二次回路应经专用端子接线,各相导线在专用端子上排列顺序:自上至下,或自左至右为U、V 、W、 N。7.三相四线有功电度表(DT型),可对三相四线对称或不对称负载作有功电量的计量;而三相三线有功电度表(DS型),仅可对三相三线对称或不对称负载作有功电量的计量。8.开关熔断器接负荷侧;9.电度表的金属外壳应接地。