第五章 充电器
第一节 工作原理及检验方法
目前我公司使用的充电器有24V充电器、36V充电器、48V充电器,根据充电插头又可分为二芯充电器和三芯充电器。前期使用的输入输出插头是黑色的充电器,其L极为输出正极,N极为输出负极,后期更换为灰色输入输出线,L极为输出负极,N极为输出正极。
一、充电器的工作原理
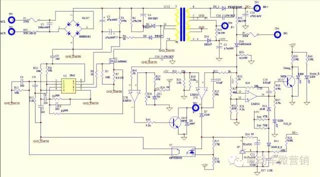
充电器充电时,220伏市电通过保险丝后,到达电网滤波器,电网滤波器由扼流圈T1与电容C1(0.1цF/250V)组成。滤波后经过四个RL207二极管全桥整流后,由C4C5进行滤波,输出300伏左右直流电。高压直流电通过两个13007两个C1815一个TL494与E122一起进行高频变换,将高压直流电变成高压交流电,由变压器E133即T3将高压交流电转换成低压交流电,再由1004进行整流,最后由L1和C18滤波后输出。
13007是高频变换开关,两个相角差180°
C1815是推勉放大三极管,与TL494一起控制13007开关,共同完成高频变换。
1004是整流二极管TL494第4脚与第11脚控制两个13007
3W0.1欧姆电阻或6W0.1欧姆电阻检测输出电流的大小,经比较器LM324或LM358比较后,输出指示不同的工作状态,同时送到稳流稳压反馈电路控制输出电流电压。稳流稳压反馈电路即TL494,将比较器送来的电压和电流与基准电压比较产生一个误差信号,以控制驱动脉冲信号的宽度,达到稳压的目的。
驱动电路由TL494和C1815组成,产生一个脉宽受控,频率固定的高频脉冲信号驱动13007工作,使之工作于高频开关状态。

充电器的工作原理图
二、正常的充电器的检测方法(以36V充电器为例)
1、外观完好、导线齐全、插头无松脱、指示灯及所有标帖齐全,塑壳无变形、内装无松动、无自行拆装情况
2、插上电源空载时,红、绿灯全亮,此时,输出电压应在41V-42.4V的范围内
3、接上专用测试仪,插上电源,有正常的电流、电压显示,电流范围1.70A-1.90A此时,红灯亮,终止电压44.1V-44.5V。当进入翻转阶段时,转换电流0.3A-0.45A,调节仪器上的电位器使充电器翻转,电压显示41V-42.4V,此时,红、绿灯全亮
三、非正常的充电器的判断方法:
1、外观变形、破损、导线损坏、插头松脱、标帖不全、有自行拆装的痕迹
2、不通电,轻摇充电器有元件松脱的感觉或声响
3、空载,通电指示灯一个或两个不亮,输出电压不在范围之内
4、接负载无电流或不翻转
5、有异响
6、有异味
第二节 故障类型及检修方法
一、不工作
1、保险丝烧断:用万用表二极管档测量保险丝两端,电阻为无穷大,更换2A/250V或3A/250V的保险管。
2、保险管松脱:保险管夹片太松,重新捏紧或更换,再按下保险管。
3、输入、输出插头松脱或断裂:更换线材。
4、扼流圈开路或短路:a用万用表二极管测量扼流圈的两组线圈,若一组不通更换b测量正常,但一通电保险管烧,其它元件正常,更换扼流圈。
5、滤波电容短路:用电阻档测量电容两端,R=0或R≤200K,更换104/275V电容。
6、整流管短路:用二极管档,有鸣响,更换。注:一般二极管坏,经常伴随保险管坏,E13007击穿、SF1004击穿等现象,同样用二极管档测量这些元件,更换即可。
7、0.68/275V:电容变形或开路,更换电容。
8、240K(510K)开路:测量电阻两端成开路状态,更换电阻R7、R9。
9、E13007-2击穿:用二极管档测量三端短路,更换13007。具体方法是:红笔左边、黑笔中右、电压显示为0.5左右,若短路或无穷大则坏。
10、变压器松脱、焊盘断、同一绕组开路:观察E133、E122引脚是否发黑,轻摇有晃动感,重新焊接,如果焊接盘断,用刀刮掉焊盘周围的阻焊层后连接,如果变压器开路,更换变压器,具体测量E133的方法是:上面两脚及其它三对脚是否相通,在焊盘上时,1、2相通,3、4、5、6、7、8相通,取下时,1、2通,3、4、5通,6、7、8通,然后再量变压器各脚与焊盘周围部分是否相通(辐射状)11、1004击穿:用二极管档测1004三端有鸣响,更换1004,注:先排除输出短路,具体测量方法是黑笔中间,红笔两边,电压显示为0.3V以上,红笔中间黑笔两边,显示为“1”,显示为0则坏12、68uF/400V松脱:轻摇电容有松脱感,重新焊牢13、68uF/400V鼓,更换电容,一般会引起RL207、E13007、保险管坏
二、无输出
1、E128松脱:重新焊牢2、输出座松脱:重新焊牢3、E133松脱或焊盘断4、1004松脱:重新焊牢。或测量E133到1004两脚是否通
三、低电流、底电压
1、TL494坏:用二极管档测量494有部分击穿或部分数值不对,更换494,测494、324好坏:用万用表二极管档,黑笔放在输出插头负极上,红笔放在大变器的空脚处,如短路,则494、324坏,正常显示为0.8-0.9V左右把494拆下,如还短路,则324也坏了
2、3W0.1开路:用二极管档测量3W0.1发现开路,更换 。注:3W0.1坏可能494、324坏
3、LM324坏:用二极管档测量324有部分击穿或部分数值不对,更换324
4、振荡电容CL11-102坏:拆下后用R-2M档测量无数值变化,更换102
5、CL11-103坏:拆下后用R-2M档测量无数字变化,更换103
四、有异响
1、变压器内阻/漏感增大:更换E133
2、振荡电容CL11-102坏:拆下后用R-2M档测量无数字变化,更换102
3、LM324坏:用二极管档测量324有部分击穿或部分数值不对,更换324
4、TL494坏:用二极管档测量494有部分击穿或部分数值不对,更换4945、C1815坏:用二极管档测量1815击穿或部分数值不对,更换1815
五、指示灯不亮灯坏或焊盘断
更换或重新焊接
六、高电压
1、22K阻值变化:用R-200K档测量变化则更换
2、R处焊接盘断
七、红、绿灯不转换
1、E133焊盘断:重新焊接2、CL11-104短路或焊盘断:更换104
八、电池极性与输出不符
一般造成3W0.1、50V220输出焊盘烧断,TL494、LM324烧毁,措施是更换上述元件并连接焊盘断裂处
1)整车没电,如何检查?
首先检查电源有没有电,如果没有则查看保险丝是否是好的,如果保险丝正常,电源没电,则查看电源内部电极连线是否松动,电池是否断路。如果电源有电,则检查电源线及电源锁是否正常。
2)整车有电,电机不转如何检查?
将控制器上转把正极红线和转把速度黄线短接,如果电机运转正常,则电机和控制器是好的,如果电机不转,则电机坏或控制器坏如果电机与控制器正常,电机不转,则可能是转把与刹把的问题
3)如何检测无刷电机?
A将电机所有与线束的插头拔开,用万用表二极管档,把万用表红针指在电机六芯插头细红线上,黑针指在细黄、兰、绿及黑线上,数值显示为900以上,把红针指在黑线上,黑针指在细黄、兰、绿及红线上,数值显示为500-600。显示为零或无穷大则坏。B通电状态下,用万用表的200伏直流电压档,黑针指在六芯插头细黑线上,红针分别指在细黄、兰、绿线上,转动电机,电压显示0-6.25伏之间变化。三根线的最大值与最小值应相差不大。
4)如何检测无刷控制器?
A功率管损坏的检测:功率管坏表现为整车不转或缺相,具体测量方法为:用二极管档测控制器的A、B、C三相电机接线,万用表的黑笔接电源红线,红笔分别接三相电机相线,万用表显值应为500-600左右,若某相测试结果显示为零或很小,则该相的上功率管击穿,若显示很大为断路;将万用表的红笔接电源地线,黑笔分别接三相电机相线,万用表显示值应为500-600左右,若显示为零或很小,则该相的下功率管击穿,若显示很大为功率管断路B在电源导通的情况下,用万用表电压档测量控制器九芯插头细红线与细黑线,看电压是否在5伏左右,如没有电压则控制器坏
5)如何检测转把?
用万用表20伏电压档测量控制器九芯插头,黑笔指在细黑线上,红笔指在细黄线上,此时电压应为1伏左右,将转把转到底,万用表显示1伏至4.2伏或4.8伏,则转把是好的。
6)如何检测刹把?
用万用表20伏电压档测量控制器九芯插头,黑笔指在细黑线上,红笔指在细紫线上,电压显示为6伏左右,为零则刹车常断电,握一下刹把,此时万用表应显示为零,电压不变则刹把不断电。
④:常用仪表功能描述
电源指示 指示整车电源已经打开
电池电压 用发光二级管或电压表头指示电池的电压
欠压指示 指示电池是否低于正常使用值以下
过流指示 指示当前电机运行的电流超过了允许的最大连续供电电流
电机电流 显示电机运行的电流大小
行驶速度 指示智能电动车"1:1助力"、"电动"、"定速"骑行状态行驶速度 当前行驶的整车速度(km/h)
灯具指示 指示大灯、左右转向灯、刹车灯是否处于工作状态
累计里程 指示电动车累计行驶的公里数
本次里程 本次通电行驶的公里数行驶时间
本次通电行驶的时间(时、分、秒)
当前温度 当前使用的环境温度
一、指针仪表
1. 结构与原理
这类仪表包含:累计行驶公里数通过6位数字码盘表显示、整车速度指针表指示(公里/小时)时速、电池电压指针表指示电池电压(伏特)、大灯指示、左右转向灯指示等内容。累计行驶里程数字表是6个"十进制"的齿轮计数器,整车速度指针表是个阻尼转速表,它们共用一个转速输入信号进行换算通过机械传动实现各自的指示功能。
电压指针表是普通的50伏直流电压表头。
2.故障检测与维修
指针类仪表的集成度比较低,电路的接线比较简单,仪表电路不依赖于控制器电路,能独立工作。机械类仪表的故障主要是引线或仪表头故障。在拆装仪表的时候,需要特别注意的是电源的正负极不能搞错。闪光器是提供转向灯泡间隙电压,以便能使转向灯泡闪烁。闪光器外壳的引脚标注B表示正极(Battery)L表示负极(Light),接线时不能接错。
二、液晶仪表
1. 结构与原理
通过专用的霍耳传感器的开关信号,传输给液晶显示仪表总成上的单片机,对单位时间内车轮转动圈数的计数,能算出整车的行驶时速,对行驶时速和行驶时间相乘,能计算出整车行驶累计里程。
也有的无刷电机控制器内部选用单片机作为译码芯片,能对电机运行时速和累计行驶里程直接计算出来,输送到液晶显示仪表,这种液晶显示仪表总成内部就没有单片机了。
液晶显示仪表最擅长的就是对各种数据(如时速、电池电压、行驶里程、骑行时间、环境温度等)的数字化精确显示,使操作人员能一目了然地看见精确的数值,但是这种仪表的缺点就是抗阳光紫外线辐射能力差,对使用环境温度要求高,所以液晶显示仪表不能长时间放在太阳光底下晒,只能在-10--40℃的环境温度下使用。长时间在高温或低温环境下使用,将导致液晶屏的不可逆损伤,这样液晶屏的显示数值就会模糊,直至无法显示。
2. 故障检测与维修
此种仪表的电路复杂,故障率相对也高。有的液晶仪表电路可以不依赖于控制器电路,能独立工作,有的液晶仪表必须依赖控制器里面的单片机的数字信号才能工作。由于涉及到显示驱动程序的软件与单片机的型号,这种仪表一旦出现故障,只能更换仪表总成。在应急情况下,可以将转把与闸把的引线直接供给控制器使用。
三、 发光二极管仪表
1. 结构与原理
发光二极管指示类仪表的电路属于电子电路,与整车灯具电路分离。 发光二极管模拟指示电池电压的高、中、低和电池是否欠压。其精度比较高,价格便宜,目前在电动车仪表中被广泛采用。
2. 故障检测与维修
发光二极管仪表的信号采集与信号处理采用数字数字逻辑芯片,电路不依赖于控制器电路,能独立工作。有的电动车转把和闸把的信号经过仪表板过渡,然后输出给控制器。在应急情况下,可以将转把与闸把的引线直接供给控制器使用。
四、智能显示仪表
1. 结构与原理
智能显示仪表必须要和相应的智能控制器匹配使用,仪表板上发光二极管的亮和灭的状态受智能控制器的控制。其显示的内容比较多,不但能显示电池电压的高、中、低与欠压,还能显示整车的处于何种骑行模式。智能型电动车一般具有三种骑行模式:"1:1助力"、"电动"、"定速",控制器将目前的整车状态数据传送给仪表电路的驱动芯片,动态刷新点亮相应的发光二极管。发光二极管智能显示仪表,显示功能多,接线简单,价格低,目前在电动车行业使用比较多。
除了这些正常的显示功能之外,它和控制器配合使用还能显示整车电气控制部件的故障。用智能仪表板对整车进行故障检测时,各发光二级管对应的显示含义为:
①各指示灯闪3次,检测指示灯是否能正常工作。
②电量指示灯顺序指示三个霍耳元件的通电情况与电机磁钢的位置关系。用手转动电机时,三个指示灯顺序点亮,如果指示灯点亮的顺序是100、110、111、011、001、000(其中1代表亮,0代表灭),则说明该无刷电机的相角是60度,如果指示灯点亮的顺序是100、110、010、011、001、101,则说明该无刷电机的相角是120度。
③缓慢转动转把,"欠压"指示灯的闪烁频率与转把的转动角度呈对应关系。转把在原始位置,指示灯不闪;转把转动角度越大,指示灯闪得越快,则表示转把信号正常。如果没有此对应关系,则可能是转把损坏或引线接触不良。
④按下智能模式转换按扭时,"助力"指示灯亮,表示断电闸把有效。
⑤分别捏左右闸把,"电动"指示灯亮,松开则不亮。
⑥缓慢转动脚蹬轮盘一圈,"定速"指示灯闪烁5次,指示助力传感器工作正常。
2. 故障检测与维修
智能显示仪表板的显示内容依赖于控制器的数据信号,如果仪表板出现故障,应更换仪表板总成。应急修理时,可以将转把与闸把信号直接与控制器相连。
五、 仪表板的拆装仪表
板拆装时,一定要注意各引线的颜色与位置,参照各种仪表的电路原理,了解各引线的功能。由于仪表电路没有专门的封闭外壳密封,属于开放式电路。绝大多数仪表电路上也同时集成了喇叭电路、转向和蜂鸣电路、有的仪表还有各种灯具的过渡电路,这些电路的电压一般就是电池组的24V或36V电压,但是仪表的显示信号电路电压一般是15V以下电路,这样在显示仪表板上就形成了高低压电路并存的情况,而且仪表电路常常就是各种引线的汇合处,因此拆装过程中,务必将电池拆卸掉,等连接好各种引线后,将各种开关全部置于"关"的位置,用万用表的二极管档测量+36V线、+15V线、+12V线与地线。测得没有短路现象以后,才能装上电池通电。
六、仪表板的代换
由于电动车使用的是车载电池的有限能源,他们的共同之处是都有电池电压显示,而且他们一般都和转把与闸把等控制信号分离。因此,在应急情况下,我们只要检测出仪表电路的电源正、负极电池接线、+15V、+12V、+5V地线,将这些线对应接好,就可以实现仪表的代换,完成基本显示功能了。
⑤:如何迅速查找电动自行车故障修理电动自行车分两步进行,即查找故障和修理。而修理的前提和关键是迅速查找故障,如同病人到医院治病,先找出病因,确诊后,才能进行治疗。
一、车不转(即电动机不转)
1 、使用电动车检测仪测试电机引线有无电压,可立即判断出线路和控制线路的故障。测量结果是有电压,则判定:电机坏或控制器至电机的引线断路故障,应予以排除。测量结果无电压,则判定:控制线路有故障,应进行下一步检查。
2 、把控制器刹车插头断开,再转动电转把。车转动,则判定:刹车开关已坏,已造成短路故障,应换新刹车开关。若车还不转,则再用一个好的调速转把,替换原转把。如车转动,则判定:原调速转把已坏,造成电动车不转,应换新的调速把。
3 、测量电池盒触点,可立即判断因电源部分造成车不转的故障。若无电压显示,打开电源锁,仪表盘指示灯也不亮,则判定:保险管熔丝断,应换保险管,电线脱落,焊断头或者应换新线。若有电压显示,打开电源锁,仪表盘指示灯不亮,则判定,电源锁坏了,不通电换新锁即可。
二、打开电源锁,车转不停(惊车现象),刹不住车
检测方法是把控制器调节器速转把插头断开,可立即判定调速转把或控制器故障。
如果断开调速转把插头后,打开电门锁车不转了,判定:调速转把已坏;如果断开调速转把插头后,打开电门锁,车还转,判定,控制器已坏,应换新。确定电池质量的简单方法1、低于市场平均批发价的电池坚决不卖,以成都目前为例,230元是一条线,低于这个价的产品,谁卖谁头痛,可能有特例,但我们已经不敢冒这个险了,朋友们损失最大的就是这类产品导致的,厂家没赚钱,出事就跑路或换名,我一朋友为此差点关门。 2、没经过2年以上的市场考验的产品,如果吹得很神,坚决不卖,谁卖谁上当。 3、没有电动车厂家配车的电池坚决不卖,有种去蒙大厂吧。
4、高价电池,如果不是大厂生产的,坚决不卖,出事我找谁去? 5、改变国家标准尺寸的电池坚决不卖,肯定没有生产许可证,迟早出事。 6、5A放电,30秒时电压高于12.68V的坚决不卖,90%以上是短命电池,有这个运气我就去买彩票了。
检测电池的最简单方法:5A放电,30秒时电压低于12.63,前3分种电压不降反升,反升越多,质量越好。
⑥:对无刷控制器好坏的测量方法
一、断电检测(用二极管档)
1、 检测控制器电源输入正负极早否短路
2、 检测控制器绕组线参数:A、 用黑表笔接电源正极,用红表笔分别接触黄、绿、兰三根绕阻线,参数在400-700之间B、 重复2的步骤
3、 霍尔信号线检测:用黑表笔接黑线,红表笔接红、黄、绿、兰四根线,应无短路故障
二、 通电检测
1、 检测控制器电源输入电压是否有36V(48V)以上电压 2、 检测霍尔信号线是否有5-7V电压
3、 检测转把电源是否有5V以上电源
4、 转动转把,检测信号线上是否在0.8-4.2V之间变化
⑦:无刷电动车控制器接线说明
1.电源输入 粗红色线为电源正端 黑色线为电源负端 细橙色线为电门锁
2. 电机相位(u、v、w输出)
粗黄色线为U 粗绿色线为V 粗蓝色线为W
3. 转把信号输入
细红色线为+5V电源 细绿色为手柄信号输入 细黑色线为接地线
4. 电机霍耳(A、B、C输入)
细红色线为+5V电源 细黑色线为接地线
细黄色线为 A 细绿色线为 B 细蓝色线为 C
5. 刹车(柔性EABS+机械刹) 细黄色线为柔性EABS; 细蓝色线为机械刹(高电平刹车:+12V)
细黑色线为接地线(低电平刹车)
6. 传感器
细红色线为+5V电源 细黑色线为接地线 细绿色线为传感器信号输入
7. 仪表(转速):细紫色线
8. 巡航:细棕色线
9. 限速:细灰色线
10.自动识别开关线:细黄色线

PIC16F72智能型无刷电动车控制器使用方法和注意事项
1、在接线前先切断电源,按接线图所示连接各根导线;
2、该控制器应安装在通风、防水、防震部位。
3、控制器限速控制插头应放置容易操作的地方。
4、控制器接插件应接插到位,禁止将控制器电源正负极反接(即严禁粗红、细橙和粗黑;细红和细黑接反)。 5、电机模式自动识别:正确接好电动车控制器的电源、转把、刹把等线束,,将电机识别模式开关线(细黄)短接,打开电门锁,使电机进入自动识别状态,若电机反转则按一下刹车即可使电机正向转动,在控制器识别电机模式10秒后将电机识别模式开关线(细黄)直接断开即可完成电机模式自动识别。
6、1+1助力方向调整:在通电状态,将调速电阻从最大值调到最小值,再回到原始状态后,可将1+1助力的方向从正向模式切换到反向模式,再调整一次可从反向模式切换到正向模式,并将最终的模式存入单片机。

⑧:电动车刹把原理详解
刹把的作用就是当刹车时,控制器检测到刹车信号,无论在什么状态下都断开电机供电,分为:机械常开,机械常闭,电子常高,电子常低。电子刹把是采用开关型霍尔元件的,所以有3条引线:电源(5V),信号,地。在不刹车时有输出高低之分,所以叫常高,常低。现在市场上常用电子常高刹把。机械刹把的缺点是防水性能不好,长时间使用易发生接触不良,可靠性低,一般使用一年多,但价格便宜,电子刹把防水性能好,长时间使用不会有接触不良现象,但价格稍高,刹把有长线(1200MM)和短.(450MM)线之分,与不同车型配套使用。电子刹把供电电压范围为:4.5V-24V(与电机霍尔电压相同)。机械常开刹把和电子常高刹把都可以直接并联工作的(或门),而机械常闭刹把则串联工作(与门),电子常低刹把则用附加电路(电子开关线路)工作。
如何改刹把?电子刹把与机械刹把的区别就在于:电子刹把的刹车开关是由霍尔元件和磁钢组成的,其原理和无刷电机的霍尔一样,都是开关型的,霍尔元件靠感应磁钢的位置来输出高低电平信号,如捏住刹把后,霍尔元件和磁钢位置对应准确,输出高电平信号,信号驱动控制器内部的电子开关电路(NPN三极管组成),将转速信号与地旁路.还有一种是捏住后输出低电平信号,它驱动控制器内部由PNP三极管组成的电子开关电路,将转速信号与地旁路,机械刹把就很好理解了,内部就是一个常开开关,捏住刹把后开关闭合,将转速信号与地旁路,还有一种是常闭开关的刹把,因为现在市面上不常见了,就不介绍了,霍尔电子刹把的车子改为机械刹把的车子即把机械刹把的两根线(没有正负之分)其中一根线接信号线,另一根接负极线就可,红5V不用,其原理为:机械刹把两根线接在了控制器内部三极管(以常用的NPN电子开关电路为例)的集电极和负极上,因为集电极上就是控制器的转速信号经过的地方,即:机械刹把开关一闭合,就将转速信号与地(负极)旁路了. 高电平:向控制器刹车线里面输入电压信号,控制器里面的电子开关导通,刹车动作。低电平:控制器刹车线向外输出一个电压信号,经过刹吧开关,闭合后,信号倒地,刹车动作。
-----------------------------------------------------------------------------

一. 电池充不上电或充不足电。
1 电池使用寿命终止:更换或修复电池;
2 电池内保险管内保险丝断:更换保险丝;
3 电池保险管与保险座之间接触不良:调整两者位置使其接触良好,或更换保险管;
4 充电器无输出电压或输出电压低:更换或修复充电器;
5 充电器与交流220V电源接触不良:重新插接电源;
6 充电器指示灯异常造成假充满:更换或修复充电器。
二. 仪表盘上电源指示灯不亮而电机运转正常。
1 表盘正负极引线间无电压:接插件接触不良或引线断路:重新插接或换线;
2 发光管损坏:更换或修复发光管; 3 表盘线路板上有断路:更换或修复仪表线路板。
三.电机时转时停。
1 电池电量不足:给电池充电;
2 电池触头接触不良:调整触头位置或打磨触头;
3 电池盒内保险管与保险座间接触不良:调整或更换使其良好;
4 调速手把内感光片感光管内有污垢:清洗或更换感光片,擦试感光管,仍然不能排除故障:更换调速手把;
5 控制器内有故障:更换或修复控制器;
6 调速手把引线似断未断:更换或修复引线;
7 刹车断电开关出故障:调整或更换刹车断电开关;
8 电源锁烧蚀后接触不良:更换或修复电源锁;
9 线路内接插件虚接:重新插接,使其接触良好;
10 电机内碳刷、导线、绕组虚焊、虚接:修理或更换电机。
四.打开电源,控制器正常工作,转动手把,电机不转动。
1 检查右手把调速线是否脱落,控制器或电机接头是否脱落;
2 左右闸把是否断电。
五.骑行费力,速度慢。
1 检查刹车是否抱死;
2 内胎气压是否合适;
3 蓄电池电压是否充足;
4 是否超过限制坡度或顶风。
六.行驶距离短。
1 电池长期放置:请先补充电;
2 轮胎气压是否不足:打气;
3 检查刹车是否过紧而摩擦轮辋:调整刹车;
4 电池充电是否充足:补充充电;
5 是否遇上坡或顶风:脚踏辅助行驶;
6 气温是否过冷:电池能量发不出。
七.用钥匙打开电门锁电源,仪表盘电源指示灯不亮,转手把,电机不转。
1 电池盒上保险丝烧坏:更换保险丝;
2 电池盒上保险丝接触不良:调整保险丝管,使其接触好;
3 电池盒上触头接触不良:调整触头使其接触好;
4 电池盒触头烧坏:更换新触头;
5 电门锁烧坏:更换新电门锁;
6 电池盒内电池引线断路:更新接通线路;
7 电池盒内电池内部断路:更换或修复电池;
8 电门锁引线或触头引线断路或接触不良:重新接线。
八.打开电源开关,仪表灯亮,但转调速手把,电机不转。
1 控制器损坏:更换或修复控制器;
2 调速手把损坏:更换或修复调速手把;
3 刹车断电手把损坏:更换或修复;
4 电机内部损坏:更换或修复新电机;
5 车上导线断路:重新接通线路。
九.打开电源,电机立即旋转。
1 调速手把损坏:更换或修复; 2 控制器损坏:更换或修复。
十.电池充电8小时后,电动车只跑10公里。
1 电池老化: 更换或修复; 2 电机部分短路:更换或修复; 3 控制器损坏:更换或修复; 4 充电器输出电压低,电池充不满:更换或修复充电器。
十一.电动车车速明显不如以前快。 1 电机部分短路: 更换或修复; 2 控制器损坏:更换或修复; 3 调速手把损坏:更换或修复; 4 机械故障不灵活:保养、上润滑油。
十二.电池充电一小时,绿灯就亮(电池一充就满,一用就完) 。
1 充电器电压低,使电池充电严重不足:更换或修复; 2 电池进入衰退期,不能满足长时间放电:更换或修复。
十三.充电8小时,充电器绿灯不亮,电池发热。 1 充电器充电电压偏高:更换或修复; 2 电池组或其中单节电池出现故障:更换或修复。
十四.电池漏液。 1 电池破损:更换或修复电池; 2 充电时电池位置倒放,充电电压偏高。
十五.人力骑行时感觉速度慢,滞重感强。
1 前刹车或抱闸(涨闸) 与转动部位摩擦:调整前后刹与转动部件间隙,既要使转动灵活,又要保证刹车制动性能良好。 2 链条过紧:调整后轮轴前后位置; 3 前、后轴挡及中轴部件并帽过紧或部件磨损:松动紧固件或更换或修复磨损的部件; 4 前后轮胎充气不足:轮胎充气至足。
十六.电池充足,但负载情况下两只红灯(欠压灯、过流保护灯亮,电机熄火。) 1 充电器输出电压偏低:更换或修复充电器; 2 电池充电时间短:重新充电延长充电时间;
3 电池组或其中单只容量下降:换电池; 4 电极损坏或接触不良:更换或修复电极。
十七.在行驶中有停使、时快时慢、无力等感觉。 1 七芯连接接触不良:更换七芯线; 2 霍尔断电刹把接触不良:更换刹把。
十八.电池充足,显示灯全亮,但负载轮毂转动无力。 1 齿轮磨损打滑:更换或修复齿轮; 2 轮毂电机绕组部分短路:更换或修复电机; 3 自行车装配问题或部件磨损:重新调整自行车部件螺母松紧; 4 电机轴齿轮减震橡皮损坏:更换或修复。
十九.电力驱动有不规则的停转。
1 控制器与电机接插件松脱或导电不良:重新接插或更换或修复; 2 轮毂电机碳刷与转子接触不良:换电机。
(转自电动车微营销)