#头条创作挑战赛#
【摘要】 根据医疗场所分类说明医院尤其是 2 类 医疗场所的接地方案,分析医疗场所自动切断电源措 施,提出校验医疗 IT 系统配出回路长度;说明 RCD、RCM、IMD、IFLS 等的用途和范围;就应急医 院 2 类场所的配电方案进行探讨。
【关键词】 医院;接地;自动切断电源;辅助等 电位联结;医用 IT 系统;
0 引言
国家建筑标准设计图集 08SD706 - 2 《医疗场所电气设计与设备安装》(以下简称 《原图集》)于 2009 年发布,彼时可依据的医疗场所专用设计规范 主要为 GB 16895. 24 - 2005 / IEC 60364 - 7 - 710:2002《建筑物电气装置 第 7 - 710部分:特殊装置或场所的要求 医疗场所》。近10年来,随着社会的发展,一大批医院在新建、改扩建,以满足人们日益医疗服务需要。在此期间针对医疗场所的专用设计规范也陆续发布,如:JGJ 312 - 2013《医疗建 筑电气设计规范》、GB 50333- 2013《医院洁净手术 部建筑技术规范》、GB 51039- 2014《综合医院建筑设计规范》等。同时可以看到 IEC 标准和英国 BS 标准针对医疗场所电气设计、通用场所电气安全的相关规范也在不断 更新中,如:IEC 60364 - 7- 710: 2018 CDV《Low ⁃ voltage electrical installations — Part 7 - 710:Requirements for special installations or locations — Medical locations》、 BS 7671: 2008 Amendment 3 : 2015 《Requirements for Electrical Installations — Part 7:Special installations or locations — Section 710:Medical locations》 以及 IEC 60364 - 4 - 41:2017 《 Low ⁃ voltage electrical installations — Part 4 - 41:Protection for safety—Protection against electric shock》等均已更新或正在更新中。在此基础上新出版的国家建筑标准设计图集19D706 - 2 《医疗建筑电气设计与安装》(以下简称《图集》) 在 《原图集》 的基础上也作了更新。其中关于医疗场所的接地及安全防护内容也参照国内外新的相关标准、规范进行了更新、编制。本文就以下内容进行讨论:医院的接地、医疗场所的自动切断电源措施、医疗场所配电系统的监控与保护、应急医院 2 类场所的配电方案思考。
1 医院的接地
1. 1 医院医疗场所分类
国内及欧洲的标准均将医疗场所分为 3 类,其定义为:a.0 类:不使用医疗电气设备接触部件的医疗场所;b.1 类:医疗电气设备接触部件需要与患者体表、体内 (除 2 类医疗场所所述部位外) 接触的医疗场所;c.2 类:医疗电气设备接触部件需要与患者体内接触、手术室以及电源中断或故障后将危及患者生命的医疗场所。
国内各医疗标准及欧洲医疗标准对于以上 3 类医疗场所的定义与划分基本一致,其简要划分见表 1。

注:根据我国的规范,手术辅助用房如术前准备室、术后复 苏室、麻醉室等为 1 类医疗场所,而 IEC 的相关标准 (IEC 60364- 7 - 710:2018 CDV) 中将上述用房等归为 2 类医疗场所。
1. 2 医院的接地
a.医院建筑的接地装置宜优先采用自然接地体,当采用人工接地体时,应采取有效的防腐措施。接地装置承担着保护性接地和功能性接地两种功能, 应优先考虑保护性要求。根据 GB 16895. 3 - 2017/IEC 60364 - 5 - 54:2011《低压电气装置 第 5 - 54部分:电气设备的选择和安装 接地配置和保护导体》规定,接地极的材料和尺寸的选择,应使其既耐腐蚀又具有适当的机械强度。当利用自然接地导体时,应确保接地导体的可靠性,禁止利用可燃液体或气体管道、供暖管道及供水管道做保护接地极。
b.医院建筑低压配电系统的接地型式宜采用TN - S 或 TT 系统,并采用共用接地和保护等电位联结。此处所说的低压配电系统的接地型式是由低压配电系统主配电盘的出线端处开始考虑。以 TN 系统为例,由变压器低压侧中性线套管引至主配电箱(柜)盘低压母线的出线是PEN线,由主配电箱(柜)盘低压母线的引出线再分为 N 线和PE 线。
c.医院建筑内由 IT 系统供电的设备金属外壳接地应与TN - S 系统共用接地装置。2 类医疗场所内通常采用局部IT 系统,其余部位仍采用TN - S 系统,如为 IT 系统设单独接地极,在同一场所内将存在两个相对独立的接地装置,两个相对独立的接地装置之间可能存在电位差,这对人身安全不利,在 2 类医疗场所内更不允许这种电位差的出现。
d.在 1 类及 2 类医疗场所内,应做辅助等电位联结,并将下列设备进行等电位联结:① 保护接地导体 (PE 线);② 外露可导电部分;③ 抗电磁干扰场的屏蔽物;④ 导电地板金属网格;⑤ 隔离变压器的金属屏蔽层;⑥ 固定安装的可导电但不用电的患者支撑物,诸如手术台、理疗椅和牙科治疗椅,除非该设备要求与地绝缘。
e.等电位联结母线应位于医疗场所内或靠近医疗场所。在每个配电箱内或附近应装设附加的等电位联结母线,应将辅助等电位导体和保护接地导体与该母线相连接。连接的位置应使接头清晰易见,并便于单独拆卸。上述要求是为了加强 2 类场所的辅助等电位联结的可靠性,尽量减少其间距,从而降低这些部分与等电位联结母线之间的电阻值。辅助等电位联结的定义范围包括在指定区域内所有外露可导电部分 (包括插座的 PE 插孔) 之间、外露可导电部分与装置外可导电部分之间均应相互连接。为此,该等电位联结母线安装在配电柜 (箱) 内,有困难时 (例如已有的箱柜条件受限),则尽可能靠近箱柜。这种要求高于其他普通场所的常规做法是有道理的。
f.医疗场所内的电子设备应设置等电位联结,等电位联结网络可采用 S 型结构、M 型结构或 SM 组合型结构。
1.3 2类医疗场所的接地
2 类医疗场所低压配电通常采用局部 IT 系统 (医用 IT 系统) 供电。以手术室为例,手术室的配电通常采用 TN - S (或 TT 系统) 加医用 IT 系统共同供电的方式。《图集》提供了两种医用 IT 系统在手术室中的接地与等电位联结方案。图 1 是 《图集》 提供的 IT系统接地方案(一)的简化,仅画出单相并缩减了部分TN 系统配电内容,引自 BS 7671:2008 Amendment 3:2015。图 2 是 《图集》 提供的 IT 系统接地方案(二)的简化,仅画出单相并缩减了部分 TN 系统配电内容,引自BS 7671:2018《Requirements for Electrical Installations IET Wiring Regulations Eighteenth Edition》。分析图 1、图 2,可以看出,两方案主体相同,细节略有差异,其异同点见表 2。对于方案一、方案二的不同点,笔者认为其主要是基于等电位联结范围内导体电阻的考虑。即:在2 类医疗场所内,电源插座的保护接地导体端子、安装设备的保护接地导体端子或任何外界可导电部


表 2 医院手术室 IT 系统接地方案比较
Tab. 2 Comparison of IT system grounding plans for the operating room of hospitals

分与等电位联结母线排之间的导体的电阻 (包括连接部分的电阻) 不应超过 0. 2 Ω [1]。这一规定的目的是保证辅助等电位联结的可靠性,故障防护时降低人的双手承受的接触电压值[4]。以 IT 系统电源专用插座和非电手术台金属构架间为例,按上述等电位联结电阻 ≤ 0. 2 Ω 的要求,其包含的联结如下:
a.为 SEBT 至非电手术台金属构架联结导体。
b.为方案一中:IT 电源配电箱 PE 端子至IT系统电源专用插座的联结线 (PE 线);方案二中:SEBT 至 IT 系统电源专用插座的联结线。
c.为 SEBT 至 IT 电源配电箱 PE 端子的联结线。则方案一的联结导体包括 a + b + c;而方案二的联结导体包括 a + b。由此可以得到如下结论:
a.由于插座面板联结的导线截面通常为 2. 5 mm2 、4 mm2 等固定规格,因此方案一、方案二中的导线 b 截面通常一致。基于此,方案二的导体长度无疑更短,更容易满足电阻 ≤ 0. 2 Ω 的要求。
b.导线 c 通常为截面不小于 10 mm2 的铜导体, 其电阻较 2. 5 mm2 铜导体电阻小得多。以 2. 5 mm2 、10 mm2 的铜导线电阻为例,2. 5 mm2 铜导线电阻值为0. 006 9 Ω / m,10 mm2铜导线电阻值为 0. 001 8 Ω / m。 因此实际使用中方案二的联结范围内导体电阻更低,但由于导线 c 的电阻不高,因此方案一、方案二的等电位联结导体间的电阻值差异不会太大。
c. 采用方案二时,如假定SEBT 至电源插座的保护接地导体端子、安装设备的保护接地导体端子或任何外界可导电部分与等电位联结母线排之间的导体均为2. 5 mm2 的铜导线,则按 0. 2 Ω反推联结线长度约为29m,对于常规手术室当采用S型等电位联结方案时,需严格控制联结导线长度、截面大小。
d.方案二中辅助等电位联结还包括外界可导电部分 (普通照明和灯具外壳),这样 2 类场所内的辅助等电位联结范围更大,原则上是应联结的设备尽数联结。
2 医疗场所的自动切断电源措施
根据 GB 16895 系列标准的相关规定,电击防护的主要保护措施包括:自动切断电源、双重绝缘或加强绝缘、向单台用电设备供电的电气分隔、特低电压(SELV 和 PELV)。其中自动切断电源是常用的一种保护措施,下面主要讨论医疗场所 TN、IT 系统自动切断电源时间及医用 IT 系统自动切断电源的相关问题。
2. 1 自动切断电源时间
表 3 总结了国内规范、IEC 标准及英国 BS 标准中对普通场所及医疗场所自动切断电源时间的相关规定。主要针对 TN 系统、IT 系统的自动切断电源时间,表 3 中给出的时间均为自动切断电源时间。由表 3 得出的结论详见参考文献[9],本文仅列 出两个结论:
a.1 类、2 类医疗场所和常规场所的自动切断电 源时间标准有差异,通常医疗场所内的自动切断电源 时间更短。在新版的 IEC 60364 - 7 - 710:2018 CDV 中规定,对于 1 类、2 类医疗场所中采用 TN 系 统供电的设备,当设有辅助等电位联结时,其自动切断电源时间与普通场所的的自动切断电源时间一致。这一规定与表 3 中其余各规范的规定有明显变化。

b.对于 IT 系统,尤其是医院 2 类医疗场所的IT 系统,由于其二次侧配出开关为单磁式微型断路
器,其磁脱扣电流倍数较高,应仔细复核供电回路长度及其短路电流灵敏度等参数。本文 3. 2 节对此进行简要分析。
2. 2 医用 IT 系统自动切断电源
规范规定:医用 IT 系统隔离变压器的二次侧设置短路保护,不设置动作于切断电源的过负荷保护。由以上规定可知,医用 IT 系统自动切断电源电击防护措施主要依赖其二次侧的短路保护。以医用IT 系统为例,当隔离变压器二次侧发生第二次异相接地故障时,应依靠断路器的短路保护迅速切断故障回路,以起到电击防护的作用。 图 3 为单相 IT 系统发生第二次接地故障回路示意图。由图 3 可以看到,单相 IT 系统发生第二次接地故障时,

根据其故障电流回路示意,其与引出中性导体的三相 IT 系统的二次接地故障分析类似。为保证其短路保护能顺利脱扣,其引出的电缆长度可以参照下式进行计算[5]:L = ( 0. 8 ~ 1. 0) Un S 1. 5 ρ (1 + m) × 2Ik k1 k2 (1) 式中:L —— 电缆长度,m;Un —— 标称线电压,取 220 V;S —— 相导体截面积,mm2 ;k1 —— 电缆电抗校正系数,对于医用 IT系统,由于隔离变压器二次侧线缆截面通常 ≤ 16 mm2 ,各相导体和保护接地导体截面相同,因此取 1. 0; k2 —— 多根相导体并联使用的校正系数 ,取1. 0;ρ —— 20 ℃时的导体电阻率,取 0. 016 2 Ω · mm2 / m; m —— 材料相同的每相导体总截面积与 PE导体截面积之比,取 1. 0;Ik —— 接地故障电流,A。本公式引自 《工业与民用供配电设计手册》(第 4 版) 的公式 11. 2 - 8,其中:0. 8 ~ 1. 0 是考虑辅助等电位联结外的供电回路部分阻抗的约定系数,取 1. 0;由于短路引起发热,电缆电阻的系数此处取 1. 5。为保证断路器可靠动作,接地故障电流Ik 应考虑断路器的瞬时过流脱扣整定值Iset3,并且要考虑灵敏度系数,具体见下式:Ik ≥ Iset3 Kre1 Kop(2)式中:Iset3 —— 断路器瞬时过流脱扣整定值,A;Kre1 —— 断路器瞬时过流脱扣动作误差系数,取 1. 2;Kop —— 断路器动作系数 , 按二极断路器取1. 1。经查,某品牌单磁式微型断路器的产品参数,其Iset3 = 12In,其中 In 为断路器额定电流。则按式(1)、 式 (2),可以得到电缆长度限值详见表 4。

由于医疗 IT 系统隔离变压器二次侧各输出回路不设置其它电路保护,因此表 4 给出的回路导线的长度限值很重要。例如,回路开关为 16 A 单磁式微断时,当回路采用 2. 5 mm2 的导线,则该回路总长度不应超过 22. 3 m。一方面,对于手术室、ICU 等场所的配电回路需要进行详细校验,当回路长度超过限值时应考虑放大导线截面等措施;另一方面,应考虑插座、吊塔等用电设备的接线能力,导线截面不可能无限制放大。并且隔离变压器应在 2 类医疗场所就近设置,以有效降低配出回路长度,线路路由也应尽可能地短和直。公式(1)是按三相 IT 系统配出中性导体设定,其与 TN 系统接地故障时的计算公式相比,分母多了一个 2 倍的系数。这是考虑二次接地故障时,故障电流在两个回路流通,因此近似取 2 倍系数。本文用于医疗 IT 系统,有如下考虑:① 单相隔离变压器,二次接地故障电流流经 La、La′、PE,相当于配出中性线的情况;② 二次侧输出回路电流较小,各相导体及保护接地导体 (PE 线) 截面相同;③ 如需进行准确计算,应按故障电流流经的实际通路阻抗进行准确计算,同时应考虑辅助等电位联结对故障电流的分流等影响。以上为针对断路器保护特性进行的线路长度分析,当采用熔断器作短路保护时,应根据其相应的保护特性进行校验。
3 医疗场所配电系统的监控与保护
IEC 60364 - 4 - 41:2017 中明确:在IT系统中,可使用以下监控设备和保护设备:① 绝缘监测装置(IMD);② 剩余电流监视器 (RCM);③ 绝缘故障定位系统 (IFLS);④ 过电流保护装置;⑤ 剩余电流保护装置 (RCD)。除过电流保护装置外,在医院内,包括使用IT系统的 2 类场所,其余 4 种保护与监测装置均有不同的应用。
3. 1 剩余电流保护装置 (RCD)
3. 1. 1 剩余电流保护装置(RCD) 的应用场所
根据国内外标准规范,剩余电流保护装置(RCD) 的应用要求可见表 5。

由表 5 可见,对于 1 类场所中采用 TN 系统时,国 家 标 准 GB 16895. 24 / IEC 60364 - 7 - 710 及GB 51039 - 2014 要求终端小电流回路设 RCD作为附加保护,而 JGJ 312 - 2013 对此无明确要求。但各标准、规范都要求约定电压限值 ≤ 25 V,并且切断时间满足要求。
3.1. 2 剩余电流保护装置 (RCD) 的分类应用各标准、规范中均明确医疗场所内不应采用电子式剩余电流保护装置(RCD)。
电子式 RCD 依靠电压动作,其动作电压为故障回路的电源残压,当 RCD越靠近故障点,其残压越低,越有可能发生拒动。而当其故障点残压过高时,又不符合降低预期接触电压的要求。国家标准 GB / T 6829 - 2017 《剩余电流动作保护电器 (RCD) 的一般要求》,对剩余电流内含有直流分量时,RCD 的动作特性进行了划分。本文结合其各自的特点和应用范围作了归纳,详见表 6。

3. 2 剩余电流监视器 (RCM)
剩余电流监视器(RCM)的产品标准为 GB 19214- 2008 / IEC 62020:2003 《电器附件 家用和类似用途剩余电流监视器》,其用途为监视设备中的剩余电流,并在带电部件与外露导电部件之间或地之间的剩余电流超过设定值时发出报警信号。我国的规范中对于剩余电流监视器 (RCM) 在医疗场所的应用并无明确要求,但在 IEC 标准中可以看到相关要求。IEC 60364 - 7 - 710:2018 CDV中规定:在 1 类或 2 类医疗场所中,应使用符合IEC 62020 标准的剩余电流监视器 (RCM)。任何明显的绝缘降低都应报告给用户和技术人员。当使用RCM 时,应根据可能产生的故障电流选择 RCM类型。
关于 RCM 的原理与用途,已有文章阐述。本文仅列出两个结论:
a.RCM 可用于 TN、TT、IT 系统,用于 TN、TT系统时主要作用为及时发现线路绝缘损坏,提高供电可靠性,防止电气火灾,比如其在剩余电流电气火灾监控系统中的应用。RCM 用于 IT 系统时针对第一次接地故障的防护,此时 RCM 既可独立使用[11],也可与绝缘监测装置 (IMD) 配合使用。RCM 与IMD 配合使用时,IMD作用为绝缘监测,RCM作用为故障定位[8]。
b.RCM 不是保护装置,但可用于监测电气装置中的剩余电流。反之,RCD 也不是监测装置,但可以动作以保护人身安全。RCD 只能用于TN和T系统,不能用于IT系统。尽管电路原理相同,但 RCM与RCD两者用途不同,不可互相替代。
3. 3 绝缘监测装置 (IMD)
绝 缘 监 测 装 置 (IMD) 的 产 品 标 准 为 GB / T 18216. 8 - 2015 / IEC 61557 - 8:2007《交流 1 000 V 和直流 1 500 V 以下低压配电系统电气安全 防护设施的试验、测量或监控设备 第 8 部分:IT 系统中绝缘监控装置》,其用途为不间断地监控交直流 IT系统的对地绝缘电阻。根据上述标准,IMD 应能监控IT 系统对称和非对称的绝缘电阻变化,并在绝缘电阻降至设定值时发出警示。
在实际使用中,各 IMD 供应商提供的产品不仅用于监测绝缘情况,同时通过各种附件实现监测回路过负荷、隔离变压器过热等功能。IMD 有多种类型,工作原理不唯一,各产品有自己的特点。但是比较显著的是 IMD 的电气原理与剩余电流监测 RCM 的电气原理有较大差异,电路也更复杂。 IMD 在 IT 系统第一次接地故障时可以起到报警作用,但为防止第二次故障,应进行绝缘故障定位,仅靠 IMD 无法实现,当采用仪器自动定位时需要采用 IMD + IFLS (绝缘故障定位系统) 方案或 IMD + RCM 方案以实现绝缘故障定位。
3. 4 绝缘故障定位系统 (IFLS)
绝缘故障定位系统 (IFLS) 的产品标准为 GB / T18216. 9 - 2015 / IEC 61557 - 9:2009《交流 1 000 V和直流 1 500 V 以下低压配电系统电气安全 防护措施的试验、测量或监控设备 第 9 部分:IT 系统中的绝缘故障定位设备》,IFLS 主要用于 IT 系统第一次接地故障时的绝缘故障定位。对于一套 IT 隔离变压器给多个场所供电的情况,比如医院的重症监护室 ICU,特别需要 IFLS 进行及时的故障定位。医院 2 类场所的 IT 系统中,IFLS 通过和 IMD 配合实现故障定位。IFLS 于 RCM 的比较详见表 7。
4 应急医院 2 类场所的配电方案思考
根据中国工程建设标准化协会标准 T / CECS661 - 2020《新型冠状病毒感染的肺炎传染病应急医疗 设施设计标准》中的定义,应急医疗设施(Emergency Medical Facility) 为应对突发公共卫生事件、灾害或事故快速建设的能够有效收治其所产生患者的医疗设施,本文简称为应急医院。2003 年北京建设的小汤山医院和 2020 年武汉建设的火神山医院、雷神山医院都属于应急医院范畴。
4. 1 普通医院 2 类场所配电方案
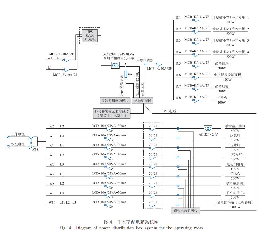
按现有的规范,2 类医疗场所涉及到生命支持系统的供电通常都采用医疗 IT 系统供电。这是由 IT 系统的两个固有特点决定的,即:① IT 系统正常泄漏电流和第一次接地故障电流小,产生的预期接触电压低,有效保障人身安全;② IT 系统第一次接地故障时可不切除电路维持运行,供电连续性高,有效保障人身安全。同时 2 类场所如手术室、ICU 等处为保障供电可靠通常都设置不间断电源装置 UPS 作为备用电源,以进一步提高供电连续性。以手术室为例,图 4为其配电系统图。
4. 2 应急医院 2 类场所的配电方案思考
对于应急医院,2 类场所的配电系统设计应考虑如下问题:
a.配电系统应有效保障人身安全。
b.由于医用 IT 隔离电源的配置和组装相对比较 专业,配电成套与测试完善的标准产品在市场上仅有 为数不多的供应商能提供。常规项目从元器件采购到交付现场,制造周期较长,约 3 ~ 4 周时间,不符合应急项目工期。
c.医用 IT 隔离电源的较大尺寸在应急工程中造成施工复杂和寻找安置空间 (集装箱方案尺寸受限制) 难度较大,很难像医疗设备即插即用。基于此,笔者提出两个解决思路,供大家参考:
a.方案一:采用常规配电方案,即医疗IT系统。但是将主要设备 (如双电源柜、UPS (包括电池)、医用隔离变压器、绝缘监测系统 IMD、绝缘故 障定位系统 IFLS、剩余电流监视器 RCM 等) 集成在一起。国内市场上的主流产品有成套的医用 IT 电源柜,其集成了医用


隔离变压器、IMD、IFLS 及 RCM。同时也可以看到,市场上已有将双电源柜 + UPS 及电池 + 医用 IT 电源一体集成的产品。由于集成度较高,其总体尺寸较原有 UPS (包括电池) + IT 隔离电源柜的尺寸进一步缩减。同时,其集成了如 IT 隔离电源模块 (带绝缘监测、温度监测、负载电流监测)、IT / TN 配电系统模块、UPS 电源( 10 kVA)、锂电池模块、多回路故障分析及通信等功能。采用此方案可以解决常规方案调试时间过长、UPS 等设备分散、占地大的缺点。有效应对了应急医院建设工期特别短、模块化集装箱拼装场地受限制等特点。
b.方案二:采用 TN 系统 + 应急 RCM 组合作为临时过渡方案。此方案不适用于内科、外科手术室。 采用这一方案应注意如下事项:
a.采用 RCM + RCD 的组合,RCM 监视各回路中的剩余电流,RCD 用于切断危害人身安全的故障电流。
b.采 用 高 精 度 的 RCM, 其报警设定值参照IEC 60601 - 1:2012 《Medical electrical equipment — Part 1:General requirements for basic safety and essential performance》标准,接地泄漏电流一次故障报警阈值 5 mA,二次报警阈值 10 mA。
c.为应对复杂医疗设备负载泄漏电流,采用15 ~ 2 000 Hz 宽频采样泄漏电流的 A 型剩余电流监测装置 RCM 提高检测准确性,直流分量较大情况下采用 0 ~ 2 000 Hz 宽频采样泄漏电流的 B 型剩余电流监测装置。

d.RCM 应具备测量值输出功能或远程报警输出接口。尽管在 ICU 等 2 类场所全部采用 TN 系统不符合现有规范要求,但是作为应急医院项目,可以将方案 二作为一种临时过渡方案,以满足工期要求。如能解决一些 TN 系统的固有问题,也可作为一个探索方向,表 8 对其进行了比较。
5医用隔离电源监控系统的选型与应用
5.1概述
随着电子医疗设备在医院领域的广泛应用,漏电流对病人构成的威胁也越来越大,尤其是那些生命攸关的场所,病人在手术中或麻醉状态下,各种电极、传感器直接插入人体内,微小的漏电流都有可能导致病人触电身亡。另外有些医疗设备用于维持重症病人的生命,一旦设备停电,也会对病人的生命构成威胁。因此,对于医疗这一特殊场所的电气设计,应严格按照国家标准和规范进行。安科瑞医用IT系统绝缘监测故障定位装置及系统适用于医院的手术室、ICU(CCU)监护病房等重要场所,能为这类场所提供安全、连续、可靠的供电解决方案。
5.2应用场所
适用于医院的手术室、各类重症监护室、抢救室、内窥镜室及造影室等医疗二类场所的医用隔离电源系统的远程监控及自动化。
5.3系统架构

5.4系统功能
安科瑞IT配电监控系统是基于触摸屏软件设计,软件具有远程测量、远程参数设置和远程自检等多种功能,为各类场所的IT配电系统的集中监控提供了强大的系统集成工具。软件的主要功能如下:

一次图和现场分布显示
系统具有一次图及现场分布图显示功能,能直观的了解并及时地发现IT供电系统的报警地点或区域,从而方便专业人员及时到达现场进行故障排查;
实时数据采集与显示
利用安装于各IT配电系统中绝缘监测仪表和绝缘故障定位仪表,采集各隔离电源系统的参数。采集到的数据实时显示在监控系统界面,这些监测参量含IT系统对地绝缘电阻、变压器负荷电流、变压器绕组温度及绝缘故障回路等

故障报警
将各IT配电系统出现的各类故障,如绝缘故障、过载故障、超温故障以及接线断线故障等信息进行统一处理和记录,并可直接在显示界面上弹出显示故障类型、监测值、故障地点以及故障发生时间等信息。同时启动监控系统的声光报警系统,及时提醒相关人员,进行故障处理。其中,声音报警信号可被手动消除。
远程参数设置和查询
通过系统,可根据要求远程调整和设置各IT配电系统中绝缘监测仪的各类报警参数阈值,也可以任意查看这些报警参数值。参数包括绝缘报警值、负载电流报警值和隔离变压器温度报警值等。

图形显示功能
系统可以以曲线的形式,显示各IT配电系统的绝缘状况、负载状况,以及隔离变压器的温升状况,以及它们的变化趋势,以便于分管理人员了解和分析各电源系统的运行变化情况,有针对性的对某些系统进行维护和保养。
5.5安科瑞产品功能和技术参数



6 结语
医院是一类特殊公共建筑,其对保障人身安全和保障供电可靠性提出了更高要求,因此医院的接地系统设计非常重要。现有国内外规范、标准对医疗场所的自动切断电源措施有一些新的规定,强调辅助等电位联结的有效性。医疗 IT 系统的配出回路应校验配线长度以满足第二次接地故障时的防护要求。医疗场所的 RCD、RCM、IMD、IFLS 等各自有其用途和范围,不可互相代替。应急医院 2 类场所的配电方案除考虑人身安全外,还应考虑工期、现场安装空间、调试等因素。
【参考文献】
[1] 中国建筑设计研究院. JGJ 312 - 2013 医疗建筑电气设计规范[S]. 北 京 : 中国建筑工业出版社,2014.
[2] 国家卫生和计划生育委员会 规划与信息司,中国医院协会医院建筑系统研究分会. GB 51039 - 2014 综合医院建筑设计规范[S]. 北京:中国计划出版社,2015.
[3]中国中轻国际工程有限公司 . GB 16895. 24 - 2005 / IEC 60364 - 7 - 710: 2002 建筑物电气装置 第7 - 710部分:特殊装置或场所的要求 医疗场所[S]. 北京:中国 标准出版社,2006.
[4] 中国机械工业联合会,等. GB 50054 - 2011 低压配电设计规范 [S]. 北京:中国计划出版社,2012.
[5] 中国航空规划设计研究总院有限公司. 工业与民用供配电设计手册[M]. 4版. 北京:中国电力出版社2016.
[6] 王厚余. 建筑电气装置 600 问[M]. 北京:中国电力出版社,2013.
[7] 王厚余. 剩余电流动作的保护器和监测器的应 用[J]. 电世界,2008,49(2):57 - 59.
[8] 刘叶语. 剩余电流监测器应用解析[J]. 建筑电 气,2019,38(3):14 - 18.
[9] 容浩. 医院接地与电击防护探讨[J]. 智能建筑电气技术,2019,13(6):16 - 21.
[10] 中机中电设计研究院. GB 16895. 21 - 2011IEC 60364 - 4 - 41:2005 低压电气装置 第4 - 41部分:安全防护 电击防护[S]. 北京:中国标准出版社,2012.
[11] International Electrotechnical Commission. IEC 60364 - 4 - 41:2005 + AMD1:2017 CSV Low‐voltage electrical installations — Part 4 - 41:Protection for safety — Protection against electric shock[S]. Geneva,2017.
[12] International Electrotechnical Commission. IEC 60364 - 7 - 710:2018 CDV Low‐voltage Electrical Installations — Part 7 - 710: Requirements for special installations or locations — Medical locations[S]. Geneva, 2018.
[13]容浩,熊江.医院接地及其应用分析.
[14]安科瑞企业微电网设计与应用手册2022.05版