一、汽车仪表的作用及组成
1.汽车仪表的作用
使驾驶员随时了解汽车行驶中的动态变量参数,保证行车安全。
2.汽车仪表的组成
电流表—显示蓄电池充放电电流;
电压表—指示电源系统工作状态;
燃油表—显示油箱储油量;
冷却液温度表—显示发动机冷却液温度;
机油压力表—显示发动机润滑系统油压;
发动机转速表—显示发动机转速;
车速里程表—显示汽车行驶速度和累积行驶里程;
汽车仪表分为独立式和组合式两种:
独立式—单独安装在仪表板上;
组合式—将各仪表封装在一个壳体内;





奇瑞QQ:

雅阁:

悍马:



丰田瑞志汽车仪表:


丰田卡罗拉汽车仪表:

通用雪佛兰-乐风汽车仪表:

二、指示灯的作用及类型
1.指示灯的作用
指示汽车某些参数的极限情况,和某些非正常情况的报警。
2.指示灯的类型:
a.驻车指示灯

拉紧手制动,此灯亮;
放松手制动,此灯灭;
在有些汽车上,此灯还显示制动液液位;
b.充电指示灯

此灯显示电源系统工作情况;
打开点火开关,此灯亮,说明蓄电池供电。
发动机发动后,此灯应随之熄灭,说明发电机已供电。
c.摩擦蹄片磨损极限指示灯

此灯显示制动摩擦蹄片磨损情况。正常情况下,此灯应熄灭;一旦此灯点亮时,说明摩擦蹄片磨损超过极限,应及时更换。
d.润滑油压过低指示灯

此灯显示发动机润滑系统油压。当润滑系统油压低于极限时,灯点亮,应及时检查排除。
e.燃油储量极限指示灯

此灯显示汽车油箱储油量。
当油箱储油量消耗达到规定极限时,此灯点亮,应及时加油。
f.车门状态显示灯

此灯显示汽车车门关闭状态。
车门关严时,此灯熄灭;车门打开或关闭不严时,此灯亮;
g.风挡玻璃清洗液显示灯

此灯显示风挡玻璃清洗液储液罐液位。不缺清洗液,灯灭;缺清洗液灯亮;
h.电子油门显示灯

打开点火开关,此灯亮数秒后随之熄灭-自检。一旦电子油门出现故障,此灯亮起,应及时检修。
i.冷却液温度过高报警灯

当发电机冷却液温度高超过极限时,灯亮-报警;
j.安全气囊报警灯

打开点火开关,此灯亮数秒后随之熄灭-自检。一旦此灯亮起,应及时检查排除故障。
k.ABS报警灯

打开点火开关,此灯亮数秒后随之熄灭-自检。一旦此灯亮起,应及时检查排除故障。
l.发动机电控系统报警灯

打开点火开关,此灯亮数秒后随之熄灭-自检。一旦此灯亮起,应及时检查排除故障。
m.前后雾灯指示灯

前后雾灯工作,亮灯同时点亮。
左侧-前雾灯;
右侧-后雾灯;
n.转向指示灯

操纵转向开关,相应的指示灯亮。
按下报警开关,均亮;
e.远光指示灯

使用远光灯时,此灯点亮。
o.安全带指示灯

扣紧安全带时,灯熄灭。
p.自动变速器超速挡工作指示灯

按下超速挡开关,灯亮才能进入超速挡。
q.空调内外循环风门指示灯

按下按钮,灯亮时,内循环。
r.车辆示宽灯

打开示宽灯开关,示宽灯点亮。
s.电控车身行驶稳定系统

行驶稳定系统正常,灯熄灭;出现故障,灯亮。
t.牵引力控制系统指示灯

牵引力控制系统指示灯。
系统正常,灯熄灭;系统出现故障,灯亮;
u.蓄电池液面过低报警灯

蓄电池液面过低时,灯亮报警;
v.发动机预热指示灯

动机预热时,指示灯亮;预热结束时,指示灯熄灭;。
y.燃油滤清器积水报警灯

当燃油滤清器内积水时,灯亮报警;
x.散热器冷却液不足报警灯

当散热器内冷却液不足时,灯亮报警;
z.制动灯失效报警灯

制动灯失效时,报警灯点亮;
ab.空气滤清器堵塞报警灯

空气滤清器堵塞时,报警灯点亮;
ac.车轮制动器失效报警灯

车轮制动器失效时,报警灯点亮;
仪表系统
在现代汽车上,一般采用:
电源指示灯—取代电流表和电压表;
机油压力报警灯—取代机油压力表;
一、电流表
1.作用
指示蓄电池充电或放电时的电流值;
2.连接
串联在蓄电池和发电机之间;
3.结构及工作原理
铜板条 、永久磁铁、
指针转子、刻度盘;

蓄电池放 电:


蓄电池充 电:


目前广泛采用组合仪表:
燃油表—指示油箱储油量;
冷却液温度表—指示冷却系统温度;
发动机转速表—指示发动机转速;
里程表—指示瞬时速度和累计行驶里程;
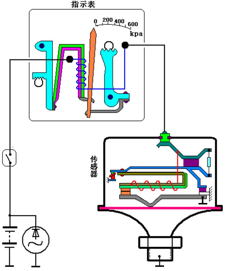
二、冷却液温度表、燃油表
两部分组成:
指示表—安装在仪表板上,分为电热式和电磁式两种。
传感器—安装在被检测部位,分为电热式和可变电阻式两种。
目前广泛采用的是:
指示表为电热式,传感器为可变电阻式。
★指示表为电热式,传感器为可变电阻式。
结构特点:
电源电压变化时,将导致电热线圈电流变化,双金属片变形受影响—指示读数失准。

解决办法—设置仪表电源稳压器。
(一)仪表电源稳压器
1.作用
当电源电压变化时,保证作用在仪表上的电压稳定在某一值。
EQ1090:8.6V;
CA1091:7V;
桑塔纳:10V;

2.结构
电热线圈、双金属片、触点
3.稳压原理


a.电源电压升高时,触点闭合时间tb短(电热线圈通过电流大,双金属片受热变形大),输出电压为某一值。
b.电源电压降低时,触点闭合时间tb长(电热线圈通过电流小,双金属片受热变形小),仍使输出电压为某一值。
(二)冷却液温度表

指示表—电热式
传感器—具有负温度系数的热敏电阻
冷却液温度传感器:

(三)燃油表

指示表—电热式; 传感器—可变电阻式;
满油箱,浮子浮起,指示表线圈电流最大,指针摆角最大,指示满油箱。
三、机油压力表
-
机油压力表为什么不配仪表电源稳压器?
2.注意传感器安装位置。

机油压力传感器:

四、电磁式燃油表
1.电磁式指示表为什么不配仪表电源稳压器?
2.接线柱接错,会出现什么现象?


注:接线柱接错,指示表总是指示油箱全满;
燃油油量传感器:

五、冷却液温度表
1.与前述冷却液温度表有何不同?
2.为什么不配仪表电源稳压器?

六、电压表
1.稳压管有何作用?
2.永久磁铁磁性减弱有何危害?


七、仪表电路


八、车速里程表
作用:
指示汽车行驶速度—车速表
累计汽车行驶里程— 里程表
型式:
(一)磁感应式车速里程表

永久磁铁、铝碗、 盘形弹簧、刻度盘。
没有电路连接,只靠变速器输出轴上的一套蜗轮蜗杆以及软轴驱动。
速度指示:
1、汽车静止,在盘形弹簧的作用下,指针指零。
2、汽车行驶,变速器输出轴上的一套蜗轮蜗杆以及软轴驱动永久磁铁转动,在铝碗中产生感应电流,形成转矩,克服盘形弹簧张力,带动指针偏转。
车速越快,铝碗中产生转矩越大,指针偏转角度越大,指示车速越高。

里程累计:
里程表由蜗轮、蜗杆机构减速,并用数字轮显示。第一数字轮显示数字为1/10km,相邻数字轮形成1∶10的传动比,成10进位递增,实现累计里程。
(二)电子式车速里程表
组成:
车速传感器、电子电路、步进电机、车速表、里程表。

车速传感器

转子每转动一周,舌簧开关触点闭合8次,产生8个脉冲,送至电子电路,经整形触发,输出一个与车速成正比的电流信号到一个电磁式电流表,驱动指针偏转,指示车速。在经分频、放大,驱动步进电机转动,带动十进制齿轮计数器工作,累计里程。
九、发动机转速表—电子式
获取转速信号的方式有三种:
从发动机转速传感器获取;
从发电机获取(安装传感器);
从点火系统获取;

N1通电:VT截止,C2充电;
N1断电:VT导通,C2经VT、电流表A放电;
检测原理:
1.点火控制器使N1通电:VT截止,C2充电;
2.点火控制器使N1断电:VT导通,C2经VT、电流表A放电;
因为VT不断导通、截止, C2不断充放电,其放电电流平均值与发动机转速成正比,从而即可标定出发动机转速。
我们学习知识的目的是为了改善思想,更为理智的看待、分析和解决问题,而不是肤浅的通过短期间的获取多少来衡量,那样的格局太为小家子气了。即使我们从中没有获得实际该有的效应,也不要气馁和消沉,因为有的东西是潜移默化的,是看不见的润物细无声。
在这物欲横流的世界,如果没有知识的支撑,纯粹放大自己的本性和欲望,很容易丧失与动摇自己本来有的天性。殊不知,农村中有多少千千万万的农民丢失掉从前存有的善良、朴实、淳厚而变成现在的麻木、凶横和残忍,这种愚昧和洋洋自得不禁*害迫**自己更为可拍的是以此当作经验来继续荼毒下一辈的轻年人,如何守住本心,控制自己身体上的种种*欲肉**,需要冷静的处理问题,而不是靠发泄欲望来推到,我们需要理性、需要涵养、需要道德来巩固自己的生活与行为,不使自己迷失在自己的无知之中!