【机器型号】:戴尔15R-5537
【主板板号】:LA-9981P
【故障现象】:笔记本电脑进水
大家好,前日接到一台戴尔15R-5537的电脑,板号是LA-9981P,机器为进水,客户拿到别家诊断过,别家说要换待机芯片,芯片没现货,当天无法修好,所以客户才拿到我这里来的我拆开一看,待机芯片51225C已经烧坏,公共点对地阻值几乎为零,芯片的第12脚的主板焊点已经被之前那家挑了。
初步诊断
和客户说了一下,正好这个芯片记得还有一个,和客户确认好,直接开干,芯片换好了,裸板用表测量,公共点 3V 5V 内存供电 CPU供电 阻值全部正常。ok接电流表,插上之后,无待机电流,按开关不触发,待机3-5伏电压不达标,只有0.78V左右,公共点电压,也就是B+17.3V。
这时开始进一步的测量,打开图纸,既然待机不正常,那就修待机吧,测量时,发现,芯片的12脚VIN时17.3V,6脚和20脚的开启EN信号居然4.01V。3脚VREG3和13脚VREG5线性电压都不正常,这就郁闷了,于是就去论坛看帖,好几位大神都说这个机器公共点电压是13.5V的。那我就想,是不是公共点电压偏高导致待机芯片没正常工作呢?而这个芯片的开启脚电压偏高是否也是这个原因呢?
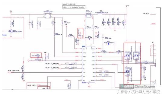
ok,因为待机芯片是全新的,so,换思路,修公共点电压,打开图纸对应的保护隔离的位置,充电IC是BQ24717。

测量电压
测量的各脚位具体电压如下:附图
公共点电压17.3V。BQ24717芯片的20脚vcc19.3V,1和2和3脚也是19.4v,4脚ACDRV 26V,5脚ACOK3.6v,6脚2.6V,8和9脚只有0.7V。10脚CELL5.6V,12和13是17.3V,15脚没电压,16脚REGN 6V 。 17脚20V,18脚和19脚17.3V。

感觉哪哪都不对,于是上论坛搜索发现一个帖子,一款联想的机器用的是51225C这个芯片,公共点19.5V的,那么我就想,既然这个芯片能支持19.5V,为何不能支持17.3V呢?ok 重新屡回思路,就当这个公共点电压是正常的,修待机可好?
重新出发
说完就干,图纸重新回到PU100待机51225c,检查有无断线和短路或电阻阻值不正常的,一番检查后,没有发现。越想越不对劲,没短路没断路,为何不工作?
不甘心啊,订了四个芯片。开始换第一个,换完之后,再量一次,待机电压为零,供电VIN是17.3V,两个开启EN电压3.3V正常,两个线性电压正常。实在不甘心啊,既然量了没问题,为何不出待机?于是根据以往的经验,把待机3V-5V的上下管一起换掉,再量,还是没待机电压“当时螺丝刀都扔了”!!!
惊喜出现
后来搁置了一会,拿回板子看了一下,又仔细的检查了一遍,断开待机3V-5V电感后极的PJP点。

看下是否后极有不良导致的,当然,结果是令人窒息的,长叹了一口气,继续,在料板上继续找这种小的上下管,一共四个,待机51225c又拿了一个新的,全套一起换掉!

换完之后,测量,待机电压有啦,哈哈,公共点电压13.5V,正常咯,

接上开关,一按~~~~

装机测试,功能一切正常。