(一 )微波炉的工作原理 1.微波的特性 微波是一种频率为300MHZ~300GHZ的电磁波,它的波长很短,具有可见光的性质,沿直线传播。微波在遇到金属材料时能反射,遇到玻璃、塑料、陶瓷等绝缘材料可以穿透,在遇到含有水分的蛋白质、脂肪等介质可被吸收,并将微波的电磁能量变为热能。由于微波的频率较高,它的传输需要用高导电率的波导管来传输。 微波的频段虽然很宽,但是真正用于微波加热的频段却很窄,主要原因是避免所以使用较多的频率,防止对微波通讯造成干扰。国际上,家用微波炉有915MHz和2450MHz两个频率,2450MHz用于家庭烹调炊具,915MHz用于干燥、消毒。 2微波加热原理 被加热的介质一般可分为无极性分子电介质和有极性分子电介质。有极性分子在没有外加电场时不显示极性。如果将这种介质放在外加电场中,每个极性分子会沿着电场力的方向形成有序排列,并在电介质表面会感应出相反的电荷,这一过程称为极化。外加电场越强,极化作用也越强。当外加电场改变方向时,极性分子也随之以相反的方向形成有序排列。 若外加的是交变电场和磁场,极性分子将被反复交变磁化,交变电场的频率越高,极性分子反复转向的极化也就越快。此时,分子热运动的动能增大,也就是热量增加,食物的温度也随之升高,便完成了电磁能向热能的转换。 家用微波炉的频率是2450MHz,电场方向每秒钟变化24.5亿次,其生成的热量之大是可想而知的. 微波炉是用微波来烹调食物的,由磁控管产生2450MHz的超短电磁波,通过微小元件发射到炉内各处,经发射、传导、被食物吸收,引起食物内的极性分子(如水、脂肪、蛋白质、糖等)以每秒24.5亿次的极高速振动.由于振动所引起的摩擦使食物内部产生高热,将食物烹熟. 3微波炉的工作过程 电控系统将220V交流电压通过高压变压器和高压整流器,转换成4000V左右的直流电压,送到微波发生器产生微波,微波能通过波导管传入炉热腔里.由于炉热腔是金属制成的,微波不能穿过.只能在炉腔里反射,并反复穿透食物,加热食物.从而完成加热过程。
(二)微波炉的电路简图 1,四个部分。 一,市电供给部分:由电源插头,市电保险丝F1,开关和电线等组成。 二,升压部分:主要由升压变压器T组成。 三,整流部分:由高压保险丝H。V。FUSE,高压二极管,高压电容器等组成。 四,微波产生部分:主要由磁控管和波导装置组成。

三个电流回路 (1), 220V交流电自插座流经保险丝,升压变压器初级,许多开关,流回插座。
(2),灯丝回路:升压变压器第一组很粗的线圈,提供几伏交流电加热磁控管灯丝。磁控管,实际上是磁控微波管,是一种电子管。电子管只有热电子才发射。要靠灯丝加热阴极,阴极才能发射电子。这里的磁控管是灯丝当阴极的,叫直热式电子管。 (3),高压回路:磁控管阳极(屏极)接地,地是高压正端,电流方向是从地(磁控管阳极)流到阴极,再流到电容器(与二极管正极相联的那端,是负高压)。 要说明的是:电子流方向正好相反,负高压的电子,从与二极管正极相联的电容器那端,流到灯丝,在磁控管里流到屏极,流到地(微波炉机壳),再由高压线圈,回到电容器的另一端(正高压)。
主要器件所在位置

看图识件
1,高压变压器
高压变压器的作用是给磁控管提供工作电压。高压变压器初级通市电220v交流电,次级有两组,一组提供3。4v灯丝电压,另一组提供2000v左右高压。
判断高压变压器好坏的方法有两种:
a,在微波炉工作时检查。
b,在微波炉不工作时检查。先将变压器的连线断开,用万用表的电阻档测。初级绕组2.2欧左右,高压绕组130欧左右,为正常。高压绕组一端通地的,要测高压绕组的电阻,将一个表笔接在底板上;另一表笔接与高压二极管的连线上。灯丝绕组太粗太短,不好测,也不常坏。
高压变压器是贵重元件,又是易损元件。很有可能出现:高压线漏电,短路,烧断。我们还在修理中发现,初级线竟用铝包线做的,与插片的焊接点常有接触不良毛病。

2,高压电容器 高压电容器在微波炉里的位置,是固定在微波炉的底板上。和高压二极管,高压保险丝靠得很近。 高压电容器的文字符号是C, 高压电容器的耐压是交流2100v,容量1微法。里面有个放电电阻,是一个特殊的电容器。 高压电容器的好坏检测方法,跟电扇电容和洗衣机电容的检测方法一样的:
a,不能在路测量,要拔了接插线。
b, 如果事先通过电,还要先将电容两极短路放电。
c,用指针万用表x10K欧电阻档,红黑棒调来调去充放电测,阻值在‘无穷大’-----400K欧之间变化,表示电容量正常。 高压电容器也是易损元件。漏电或击穿,会烧高低压保险丝。

3,二极管 二极管的文字符号是D,有正负极之分。测量二极管好坏,用万用表的电阻档,断开电路单独测。因为万用表的红笔通表里电池负极。所以用红笔接二极管负极,黑笔接二极管正极(数字表使用二极管档表笔刚好相反),才能导通(指针转向低欧姆)。普通二极管,正向导通4----5k欧,反向电阻几M欧以上,越大越好。 这里的高压二极管工作在4000v电路里,峰值和余量考虑在内,耐压要求更高。负极有圆环可接底板,正极有套脚可插在高压电容器上。使用方便。 高压二极管,实际上有几个二极管串联而成的,内阻较高。正向电阻100k欧左右,高压二极管击穿,会烧断高压保险丝。高压二极管内部烧断,会只有交流高压,没有直流高压。

4,保险管 熔断丝,俗称保险丝。当流过的电流超过一定数值后,发热熔断,不烧坏整个电路,起保险作用。熔断丝装在两头有金属帽的玻璃管里,就是保险管。微波炉里有两个保险管:一个高压保险管,一个低压保险管。 高压保险管装在微波炉的下方,和高压变压器、高压二极管、高压电容器靠在一起。为了防止它触及或靠近其他元件和连线,造成漏电或高压放电,常把高压保险管装进一个塑料硬壳里。 微波炉里的220v市电保险管,是彩电里一样的延迟保险丝。常见规格有8A、10A、15A。换用普通保险管,要用额定电流大一点的,否则经常断保险。它的位置在微波炉的上方 它们烧断用肉眼能看出,也可用万用表电阻档测通断。 常 断高压保险丝,原因除了变压器、二极管、电容电机等元器件漏电短路外,云母片太脏,烧的食物太少(如不足鸡蛋大)等,也是常见原因。



5,磁控管 磁控微波管,是一种电子管,常称磁控管。从外表看,它有微波发射器(波导管)、散热器、灯丝、两个插脚和磁铁等。 磁控管里有一个圆筒形的阴极,这里是直热式的,灯丝就是阴极。阴极外面包围着一个高导电率的无氧铜制成的阳极。阳极用来接收阴极发射的电子。阳极上有几个谐振腔,它们是产生高频振荡的选频谐振回路。谐振频率主要由空腔的尺寸决定的。
为了安全和使用方便,阳极接地。阳极接地作参考点,零电势(0v),那阴极就是加上几千v负高压。另外再有磁铁的作用。热电子从阴极溢出后,在磁埸力和电埸力的共同作用下,沿螺旋状高速飞向阳极,又有谐振腔的作用,电子振荡成微波,并经过天线耦合,由波导管传输到微波炉腔里加热食物。 磁控管好坏测量方法:a,关机后,使高压电容放电,拔下磁控管灯丝两个插头。b,用万用表x1欧电阻档测量灯丝,应小于1欧。c,用x10k档测任一灯丝对地(金属机壳)都是‘无穷大’。否则坏了。


6,热电断路器 热电断路器,是用来保护磁控管的。如果由于某种原因使磁控管的温度超过145---155度时,热电断路器就自动断开,切断电源。从而保护了磁控管。 热电断路器在微波炉里紧贴在磁控管上方。 热电断路器可用万用表电阻档测它通断好坏。


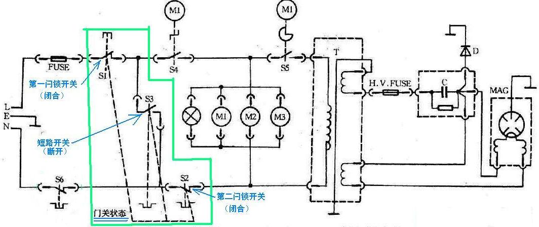
7,门开关 微波炉的门关上,电源接通;门打开,电源断开。保证了微波不外泄。微波炉炉门里面,上下有两个门钩。 上门钩带动S1一个开关,下门钩带动S2和S3两个开关。这三个开关都是带触头的单刀双掷开关(俗称三线开关),不碰触头,动点与 常闭点连接,碰到触头,动点与常断点连接。. 上门钩带动的S1开关,称第一闩锁开关。用动点和常断点引出两根线。关门时上门钩通过杠杆推动“触点”,使第一闩锁开关接通。 下门钩 带动第二闩锁开关S2和另一个叫《短路开关》的S3。S2和S3紧排在一起,S2在外S3在里。 第二闩锁开关S2,用动点和常断点引出两根线。关门时下门钩通过杠杆推动“触点”,使第二闩锁开关接通。 短路开关S3,却和闩锁开关S1、S2不同 ,用动触点和常闭点(注意是——常闭点!)引出两根线,关门时下门钩通过杠杆推动“触点”,使短路开关S3断开!闩锁开关闭合,短路开关断开,微波炉工作。 开门时,情况和关门时完全相反。三个门开关通断情况——两闩锁开关断开,短路开关闭合,微波炉不工作。而且,即使第一闩锁开关S1漏电或烧穿,也只能使220v保险丝熔断,微波炉不工作的。可靠地防止微波泄漏!



8 高压保护二极管

双向二极管并联在高压电容二端.作用如下.
①保护磁控管因某原因高于其工作电压时,开机时电容充电的过大浪涌冲击而烧坏.
②因某种原因高压电容器两端的电压,使双向二极管击穿,电容器通过双向二极管快递放电,有效保护磁控管和高压电容,测试双向二极管好坏用万能表,正反向电阻均无穷大。
高压保护二极管上印刷的为不对称图型,测量正反向电阻都为无穷大,高压保护二极管是有方向之分,否则装好就会烧坏。

快修技巧
先来看220v市电流过的部分。 炉门关上,定时器打开。短路开关S3被下门钩推动触头而打开,那时在电路里不起作用。干路里电流叫I,各并联支路里电流叫i。I标大箭头,i标小箭头。干路里电流I,从电源L,流经串联着的保险丝FUSE------第一闩锁开关S1------定时开关S4-----五个并联支路-----第二闩锁开关S2-----热电断路开关S6-----回到电源线N。 灯,定时电机,风扇,转盘电机,初级线圈里的电流分别叫:iL,i1,i2,i3,iT。它们与总电流I的关系是: I=iL+i1+i2+i3+iT五个支路里有一个短路,总电流加大,要烧保险丝。变压器短路,iT增大,I增大,烧保险丝的现象最多。串联电路里S1,S4,S2,S6,FUSE,及线路里的许多接插件,只要有一处断开,总电流I就没有,微波炉就不工作。

高压回路 高压回路里高压线圈,是回路的初始能源所在,是提供电能的地方。高压电容器,是储能装置,交流电半个周期里充电,另半个周期里放电。 高压线圈里流出的是交流电。假定前半个周期,高压线圈上负下正。线圈上端标兰色的—,线圈下端标兰色的+。电流方向见蓝色箭头所示。可见,高压二极管正向导通,整个回路对高压电容器充电。高压电容器上得到一个左正右负的高压电。图中电容器上,左是兰色+,右是兰色—。电压2000v左右。 高压线圈,在交流电后半个周期上正下负。,线圈上端标红色的+,线圈下端标红色的—。其电源电动势有效值也是2000v左右。回路中的电流方向见红色箭头所示。可见,高压二极管反向截止。 请注意:我在高压电容器上方画一个电池,左正右负,极性和高压电容器充好电的方向一致。再看,在高压线圈旁边也画一个电池,上正下负,极性又和现在交流电下半周的高压线圈极性一致。这两个电池正负正负顺次连着的。就像手电筒里两节1。5v电池串联,组成3v电对小灯泡供电一样。高压电容器的2000v和高压线圈现在半周期的2000v也组成2000v的两倍压(4000v),对磁控微波管供电。电流方向见红色箭头所示。 在这个高压回路里,常常发生高压二极管或高压电容器击,高压电容对地漏电,磁控管灯丝对外壳漏电,都会造成烧高低压保险丝。


微波炉高压二极管维修注意事项
因过量微波对人体有害,所以微波炉使 用手册一般标有“不要暴露在微波发生器或 其他传导微波能部件所发射的辐射中”。这 就要求维修中做到下列三点:
1.打开微波炉外壳上电试机或维修前,应拔掉高压变压器初级一个插头;
2.检查非炉门故障和检修非炉门开关部位时,不要拧动、拆卸炉门开关固定螺丝;
3.修自动启动故障机时,不要在炉门打开情况下试机。
微波系统的任一器件均工作在高压或 大电流状态。拆装时可能触及到以上 电压的部件有:磁控管、高压变压器、高压二 极管、高压电容,高压保险丝。因此,在微波炉运行状态时,维修或接近这些电路均是相当危险的,并禁止测试高压电路中的电压,包括磁控管的灯丝电压。
微波炉停止工作后,高压电容内的充电 会持续30s或更长一段时间,因此更换或测试 高压微波系统器件时,应先对高压电容放电。磁控管、炉门安装不当会导致微波泄漏、超标。