故障现象
一辆2017款保时捷718 Boxster双门轿跑,搭载DDP型 水平对置涡轮增压发动机和双离合自动变速器,行驶里程为 2 136km,车主反映发动机噪声大,且仪表提示发动机过热。
故障诊断与排除
根据客户描述,接车后在移动车辆过程中,发现仪表台上出 现了水温报警灯点亮,随后发动机散热器风扇高速运转,看来车 主反映的发动机噪声大的问题,实际上就是发动机水箱散热风扇 高速运转发出的噪声,随后仪表提示“发动机过热,将车辆熄火 使其冷却”的文字提示(图1)。

导致发动机水温过高的可能原因有:
1.发动机冷却系统存在泄漏,发动机冷却液不足;
2.节温器故障,不能及时打开大循环;
3.冷却液系统存在空气,导致发动机散热效能下降;
4.水泵不工作,冷却液无法正常循环,发动机热量不能及时散发出去;
5.发动机冷却液切断阀故障,卡在关闭位置,导致冷却液不能正常循环;
6.水箱散热器表面存在脏污,发动机热量不能及时散发出去;
7.冷却液系统存在堵塞,冷却液不能正常循环流动,散热效能下降;
8.电控系统故障,冷却系统无法正常工作。
连接保时捷专用诊断仪,检测相关控制单元,未发现有任何故障码记录。笔者怀疑车辆存在漏水现象造成的高温,于是打开后备箱盖,拧开冷却液水壶盖发现防冻液液面确实偏低。升起车辆,拆下发动机护板后,发现护板上有少量防冻液。由于此款车型搭载了2.0T水平对置发动机,结构紧密不便于观察,需要与车主沟通才能决定是否拆检,考虑到该故障车还在保质期内,后期还将涉及向厂家索赔的问题,经过沟通,车主同意拆检,并在我厂进行维修。拆检后发现水泵和节温器处有漏防冻液的痕迹(图2)。

图2 故障车发动机水泵和节温器处有渗漏
更换全新的水泵和节温器后试车,车辆一切正常。存放了一晚上,第二天再次试车,行驶了10km左右,再次出现与之前一样的故障现象,发动机水温报警,仪表提示发动机过热。看来该车故障并未被真正排除。熄火后等待发动机冷却后将该车开回车间继续检查,发现冷却系统上、下水管温度不一致,下水管接近于环境温度,难道新的节温器有问题?于是笔者带着专用诊断仪外出继续试车,期间捕捉到表1所示数据流。

从表1所示数据流可以看出节温器能在0~1 0 0 %之间动 作,也就是说节温器能正常关闭和打开,但散热器出口温度 却很低,接近于环境温度。靠边停车,踩油门让发动机保持在 3 000r/min以上运行,并查看冷却系统能否大循环。发动机高 速运行一段时间后,散热器出口温度开始升高,并在20~102℃ 之间变化。此时,笔者又检查了冷却系统,发现上、下水管温 度趋于一致。
两次试车,车辆冷却系统的表现完全不同,这让笔者很是纳闷,一连串问题浮现在笔者的脑海中:第一次试车过程中为什么发动机会过热呢?第二次是在热车状态下试车,为什么发动机温度反而恢复正常?发动机过热难道与发动机冷启动预热有关?
为了解开谜团,笔者继续进行了较长时间的试车,该车发动机再也没出现过发动机过热的问题。基本可以确定故障车发动机过热的问题不会发生在热车状态下,只发生在凉车预热阶段。为了真正找到故障原因,笔者对该车型发动机冷却系统构造和原理重新进行了学习。与上一代车型一样,2017款保时捷718Boxster也配备了热量管理系统,以提高燃油经济性和降低CO2排放量,尤其是在冷启动预热阶段。热量管理系统结构如图3所示,借助热量管理系统,发动机冷启动后,发动机、变速器和暖风系统通过按需开启各个局部冷却回路,以快速达到发动机正常工作温度,缩短预热时间。

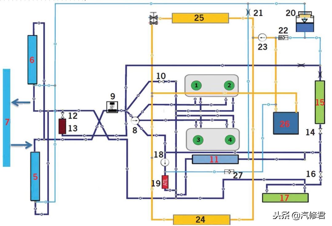
图3 发动机热量管理系统结构
1.1-4缸;5.左散热器;6.右散热器;7.中央散热器(仅适用于极其炎热的国家或地区);8.可切换冷却液泵;9.带电动图谱控制功能的节温器;10.冷却液切断阀;11.机油/水热交换器;12.暖风热交换器的切断阀;13.暖风热交换器;14.齿轮组热交换器的切断阀;15.齿轮组热交换器;16.离合器热交换器的切断阀;17.离合器的热交换器;18.涡轮增压器的电动持续运行泵;19.涡轮增压器;20.冷却液膨胀箱;21.带排气杆的舒适阀;22.加注管止回阀,低温;23.电动泵,低温;24.低温散热器,左侧;25.低温散热器,右侧;26.间接增压空气冷却器;27.用于低温通风的止回阀。
从发动机热量管理系统结构图中可以看出,水泵电磁阀和冷 却液切断电磁阀只在冷启动预热阶段才会工作,使得发动机温度 快速上升到正常工作温度。在这个阶段,电磁阀动作接通真空, 关闭水泵,关闭冷却液循环,切断缸体和汽缸盖内的冷却液快速 流动,从而达到快速暖机的状态。一旦发动机温度上升至正常工 作温度,系统就会切断真空,打开水泵,冷却水进入循环状态。 如果一直处于真空状态,发动机温度就会持续升高,从而出现高 温报警。当发动机处于高速(3 000r/min以上)运转状态下,发动 机冷却液切断阀此时会强制打开,形成小循环以防止冷却系统压 力过高。当冷却系统压力超过1bar(1bar=105Pa)时,舒适阀开 启,冷却液将溢流至冷却液膨胀箱内,而膨胀箱内温度较低的冷 却液又回流到冷却系统中,从而降低冷却系统温度和压力。当冷 却系统温度达到102℃时,节温器也会逐渐打开,开启冷却液大 循环模式,确保发动机长期处于正常工作范围之内。
根据发动机热量管理系统结构和故障车的故障特点(发动机高 温出现在冷启动预热阶段),分析其可能的故障原因有:
1.冷却系统管路中存有空气;
2.冷却系统管路堵塞;
3.冷却水泵故障;
4.发动机冷却液切断阀故障;
5.控制系统故障。
对于管路堵塞或存有空气,在之前的维修操作过程中已基本 排除;冷却水泵是之前刚换的,新水泵在安装之前已经做过仔细 检查,水泵开启和关闭功能正常,且没有卡滞现象。需要特别说 明的是:保时捷718 Boxster装配了两级可调式水泵,根据冷却 要求,按两级需求对可切换冷却液水泵进行切换,有助于进一步降低燃油消耗量和CO2排放量。在完全关闭状态下,冷却液停止流动,当发动机处于工作温度时,可切换冷却泵打开,冷却液循环流动。图4为冷却液水泵的两种状态。

用真空枪测试冷却液切断阀,阀门动作顺畅,也可以排除。由此看来该车问题出在控制系统上的可能性比较大。对于控制系统,需要重点检查三个方面:
1.真空供应;
2.控制真空供应的电磁阀
3.电磁阀的供电与打铁。
拆下水泵电磁阀(图5),通过检查发现水泵电磁阀的真空供应处和水泵真空输入处是长通的,用真空枪给水泵电磁阀抽真空(图6),电磁阀会自动关闭。正常情况下,如果DME不给电磁阀供电,即使有真空供应,该电磁阀也不会动作,由此可见水泵电磁阀存在故障。用同样的方法检测冷却液切断阀的电磁阀,一切正常。


更换冷却液水泵电磁阀后试车,该车故障未再现,可以确定故障被彻底排除。
虽然故障被查清并彻底排除,但笔者还有一个疑问:一般情况下,如果电磁阀损坏,系统会存储相应的故障码,但用专用诊断仪检测时,未读取到任何故障码。为此,笔者特地检测了更换下来的电磁阀电阻值,为25Ω左右,属于正常范围,所以未生成相应的故障码。因为系统是通过检测电磁阀的电阻值来判断其好坏,而无法监测电磁阀阀体的位置,因此只要电磁阀电阻值在正常范围之内,系统就判定其功能正常。至此,该车的故障诊断与排除工作才算圆满完成。
需要特别说明的是:在拆卸水泵真空管路时,笔者发现了防冻液泄漏的痕迹。究其原因,主要是因为冷却液水泵漏水,在真空的作用下,水泵电磁阀吸入了少量的防冻液,从而出现电磁阀卡滞,最终导致该电磁阀损坏。如果冷却液水泵更换不及时,很有可难会导致整个真空控制系统的损坏。
维修小结
通过该故障案例,笔者有以下几点体会:
在查找故障时需细心观察、大胆求证,不放过任何一个疑点;
应熟练掌握相关系统的功能、结构和工作原理,并在此基础上分析可能的故障原因,然后一一排查,确保整个检查结果准确、缜密。
认真分析因果关系,故障诊断才会水落石出,才能提高一次性的修复率。
点评
针对本案例的维修小结,我很赞成作者所提到的第2点,对应一个故障现象,需要全面分析可能产生的原因,然后一一排查,不漏掉任何与故障相关细节信息,这才是合格汽车医生基本能力。在本案例中,我们看到作者具有这种能力。从反复试车,故障现象确认,原因分析,零件功能检查做得还是比较到位的。尤其欣赏他对发动机冷却系统的组成和工作原理的介绍,因为只有了解了系统的原理和功用,才是诊断故障的基础。现代发动机的冷却系统不是孤立的系统,它已经升级到了集发动机冷却、润滑、进排气、变速器、空调系统为一体的车辆热管理系统。尤其是在发动机冷启动后暖机阶段,热管理系统的作用更加重要。它一方面要使发动机快速暖机,降低机油粘度,降低发动机摩擦力,节约燃油消耗;另一方面由缸内直接喷油,稀薄燃烧,促使催化器快速加热达到工作温度,减少排放。所以发动机热管理系统的故障诊断比一个冷却系统故障诊断要考虑的问题要全面得多。在本案例维修中,虽然作者也走了一些弯路,吸取到了经验教训,例如节温器、水泵是否必须更换,电磁阀的控制电路检查,这些都必须做到位,为的是故障能一次性修复。