本文以海尔XQG50-807型滚筒洗衣机为例,介绍该系列洗衣机电控板电源供电部分维修实例,供参考!


1.工作原理
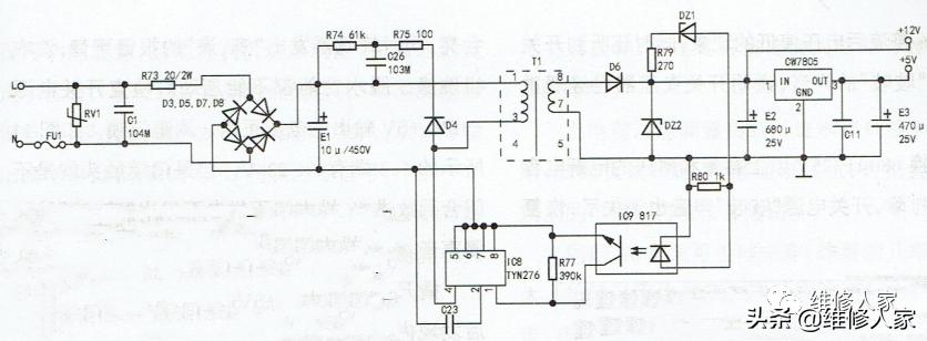
开关电源电路原理图,如下图6所示。

AC220V电源经过电路板“细线”替代的保险丝FU1后并接了压敏电阻,用于防止瞬间的高电压进入板子, 损坏、烧毁器件,之后火线串接了2W的限流电 阻,连接到由四颗二极管组成的整流桥,整流输出的直流电经E1电解电容滤波后经开关变压器的①、③脚后直接加到TNY276开关管模块IC8的④脚,期间由R74、R75、D4等组成尖峰脉冲吸收电路,防止开关管“通/断”期间反峰电压击穿管子。当开关电源工作时,从开关变压器次级⑧脚输出经D6二极管整流滤波后的直流电并接了稳压管DZ2,确保输出电压的稳定,同时还串接了稳压取样电路中的DZ1稳压管,如果输出电压偏高,IC9(817)光耦初级电流变大,发光变强,次级导通变强,用于调整、减弱TNY276模块内的开关管的 导通频率,从而间接控制、降低与稳定输出电压。输出+12V的电压供继电器等使用以及经过7805三端稳压块后输出+5V电压供CPU等使用。
2 .常见故障检修
例1:一台XQG50-807滚筒洗衣机,上电后指示灯不亮,整机无反应。
分析检修: 测量用户家的AC220V正常,打开洗衣机顶盖,没有发现线路破损的现象。测量滤波器,如下图所示,输入与输出电压均有AC220V, 初步估计问题应该在电控板。

卸下电控板,通入AC22OV电压,使用万用表测量全波整流输出有DC311V,但是测量开关变压器次级D6二极管阴极电压为0V,估计次级负載短路所致。
断电后,测量次级D6输出直流电阻为0Ω, 故障范围肯定在D6或之后的电路器件,当万用表检测到12V稳压管DZ2时,发现该管子如下图所示,已击穿损坏,导致次级输出短路。更换新的12V稳压管IN4742后,故障修复,通电指示灯工作,上电瞬间蜂鸣器工作,机子恢复正常。

例2 :—台XQG50-807滚筒洗衣机,上电后指示灯不亮,整机无反应:
分析检修: 上门维修,检査市电正常,洗衣机线路无损,估计电控板损坏所致。测量开关电源次级输出端无+12V、+5V电压,测量开关电源初级输入端有AC22OV,整流滤波后有DC314V,初步估计开关电源不起振导致。
测量TNY276模块的④脚与热地(⑤脚)有147kΩ正常,测量光耦输入与输出级正常,当检测到稳压管DZ1时,发现已经双向击穿导通损坏,导致光耦器输入端无供电,输出端不工作,致使开关管模块IC8不起振,所以没电压输出。更换新的DZ1,11V稳压管(型号JN5241B)后,如下图所示,故障修复。

例3:—台XQG50-807滚筒洗衣机,上电后指示灯会亮,但各功能失常。
分析检修: 上门检査,上电后发现该洗衣机指示灯会亮,但是各功能失常。测量市电有AC220V,整流桥输出有DC310V正常,当检测开关电源次级D6输出仅有DC4.3V,说明次级输出电源异常,断电后对开关电源的稳压、模块等测量均正常,此时发现次级的滤波电解电容E2有鼓涨现象,烙铁卸下后使用万用表电容档测量其容量为OuF/25V,问题已查出,就是此电解电容无容量导致D6整流后电压值低的现象,同时还听到开关变压器“吱吱”的声音,说明开关变压器已经严重超负荷。更换680uF/25V以上容量和耐压的电解电容后故障排除,开关电源“吱吱”声音也消失了,恢复正常。