客户送来一台苹果6plus,描述正常状态下没有任何声音,插耳机则有声音。经初步检测用侧键调音量没有进度条,听筒无声,一录音就闪退。种种迹象表明小音频U1601损坏的可能性比较大。

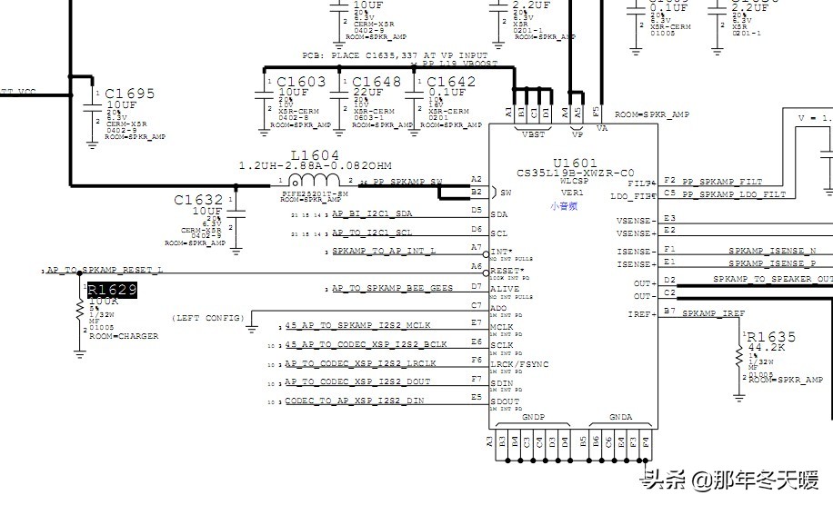
首先检测U1601的工作条件。拆机主板很靓没有修过。

PP BATT VCC一路经C1635和C1637送往U1601的A4和A5脚,一路经L1604送往U1601的A2和B2脚,经检测没有异常,复位信号由CPU送来的AP TO SPKAMP RESET L送至U1601的A6脚,在R1629的一端应该有1.8V高电平,实际测量没有,看来问题就在复位信号了。拆下U1601复位还是没有高电平,顺便测量了一下各脚的二级体值没有异常,应该是CPU送来的复位信号被拉低了或者CPU局部损坏,尝试给拉高电平吧。

就地取材,从1.8V供电滤波电容C1630和电阻R1629之间串一个10K的电阻来强行拉高复位电平。

最终效果图

装机试机振铃听筒送话完好如初,维修到此结束。