VIN:YV1MS3843xxxxxxxx
发动机:B524。
行驶里程:209308km。
故障现象(陈述):客户在外地修理厂更换汽油泵之后打不着车。
故障分析及维修方案:
插入点火开关,方向柱锁能听到咔的一声,方向盘能转动,打开2档仪表指示正常,在拧到启动到位无启动,用电脑检测发现只有一个故障,燃油泵信号过高,并无其他故障,但这个故障码不会影响启动,一般影响启动的有几个方面,1.起动机损坏,2,刹车灯开关3,变速箱的档位,4,网络传输不正常,5防盗系统锁死。
鉴于这几项首先检查起动机发现电源线正常,但信号线没电,在测量信号线到启动继电器87号脚导通正常,如图1所示。

图1
然后通过跨接线连接继电器30号脚和87号脚此时起动机工作正常,说明起动机和87号脚到启动及线路正常,30号脚能正常供电,在检测继电器85和86,86号脚在启动档位时为正极信号说明正常,在测量85号脚,看电路图可以看85应为ECM到继电器的负极信号,测量并毫无信号。在测量85号脚到ECM插头B8之间导通正常,说明继电器线路正常,应是CEM输出信号有误,通过电脑读数据流发现分析的2,3,4,5都处于正常状态,如图2所示。

图2
只有发动机模块检测不正常和PIN这两项有问题,为了慎重起见车、重新整理思路。由于该车是在外修理厂换完汽油泵后出现的问题,是不是由于更换汽油泵出现的问题,通过检查发现在打开点火开关时候汽油泵应工作三秒钟为启动发动机做准备但此车油泵并无油压产生,在测量油泵电路,如图3所示。

图3
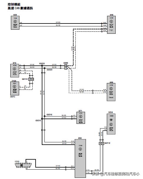
油泵无电压产生,在测量4/83油泵模块4和5号脚是通向油泵的无电压产生,3是接地正常,2是油泵继电器输出的正极信号通过测量正常,1号脚是ECM给油泵模块的一根负极信号线,测量发现并无信号产生,信号有ECM产生传给油泵电脑的,测量ECM,,,,B20号脚到油泵模块1号脚之间线路导通正常,此时问题有查到ECM处,此时用电脑激活油泵,油泵模块1号脚还是没有信号,诊断到此说明ECM没有向启动继电器和油泵模块发出信号,影响信号的有几个方面1,ECM自身故障,2,动力模块之间通讯故障3某个动力模块自身有故障影响ECM的信号。通过电脑检测并无发现除油泵的其他故障,先排除,控制模组电路图如图4所示。

图4
在测量模块之间CAN线的导通情况,导通也都正常,在测量CAN线电压,高CAN为2.7伏,低CAN为2.3伏也属正常,现在判断ECM自身出现故障,跟客户沟通更换ECM并编程后故障解决。
维修心得;在维修当中一定要熟悉原理,针对电控系统知其控制方法,并能熟练的与运用电路图,这样才能有效的提高工作效率。