用户求助:电机频繁正反转,交流接触器经常烧坏
有没有什么好的解决方法?
电机频繁正反转,接触器经常烧坏,有没有好的解决方法?频繁正反转,交流接触器烧坏的原因在于正转的时候没有完全停住,并且启动电流过大,从而烧坏交流接触器触点,根据这个原因我们就可以进行改进。
电机正反转原理
三相电机的正反转原理是把三相电中的两相调换接入端子以后,对电机转子产生空间和时间上的错位,从而让电机反转,单相电机正反转是接入电容端子的改变,把启动电容接入总绕组以后,零线接入公共端,火线接入电容的一端,记为正转,火线接入电容的另一端,这个时候电机就会进行反转。

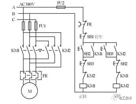
电动机正反转原理图
我们在实际设备生产中,要根据负载大小的不同决定选用单相电机还是三相电机,一般是选用三相电机,因为三相电机扭距大,也就是俗话说的力气大,可以带动较大负载。
避免交流接触器损坏,改进方案
1、去掉正反转互锁
拿到正反转电路图以后,我们能看到正反转电气原理图中有自锁电气互锁和按钮互锁,自锁和电气互锁式正反转电路图中的核心也是必须要进行连接的,但是按钮互锁是要根据需求来进行连接。
按钮互锁的用途是在正转的过程中按下反转电机能够直接切入反转状态,不需要按下停止按钮,如果较大功率的电机使用这种切反转的方式极为危险,也会损坏交流接触器,所以我们建议去掉按钮互锁,这样再切运行状态的时候,必须按下停止按钮。
2、增大交流接触器容量
三相电机在启动的时候,本身启动电流就是运行电流的4-7倍,我们在选用交流接触器的时候,就要额外的增加容量,额定电流为16A的我们尽量选用25A,首先这样才能保证电机能够启动并且正常运行。

但是因为需要三相电机切换运行状态,所以我们更要额外的增加容量来保证切反转的过程中所消耗的电流,反转增大电流的原因上面我们也提过,电机没有完全停下来,增加了反向阻力,导致电流增大,所以额定电流为16安的,我们尽量要选用40安左右的,才能保证正反转切换能够平稳运行。
3、增加时间继电器
这种方法在实际工作中也是比较常见的,我们在交流接触器的上端增加时间继电器,使用时间继电器控制电机,比如说在正转过程中我们按下反转按钮,等待五秒钟以后反转才启动,这样电机就有五秒钟的刹车时间,减少了启动阻力,同时也就能减少启动电流。

同时我们也可以在正转的电路中增加时间继电器,按下正转点击会有五秒钟的延时,五秒钟过后电机正转才开始启动,这样直接使用元器件连接稍微比较麻烦,如果我们有plc编程,控制相对简单一点。
4、使用变频器
目前市面上的变频器是越来越便宜,而且设计连线也越来越方便简单,所以我们使用变频器来控制电机正反转也是一个非常好的方法,但是变频器也有额定拖动功率,超过这个功率就不再建议使用变频器来启动了。

但是使用变频器故障率比较低,维护成本也比较低,如果功率比较小,我们还是建议使用变频器来控制正反转,这样就能节约很大一部分接线维护的。时间。
除了改进方案还需要考虑哪些问题?除了是因为控制电路有问题以外,我们还要考虑是否电机内部出现故障导致启动电流增大。
接线的过程中是否有虚接接触不良的情况,导致电流增大烧坏交流接触器触点,连接完成验收的时候要检查到位。