看前段时间挺火爆的星际蜗牛之后,萌生了做一台网络存储设备的想法。考虑到已经有一台闲置的联想G480笔记本电脑,待机功耗还行,准备用来改

装好系统后才发现网卡只支持百兆,这对需要备份数据的需求简直不能忍,最简单的方法是使用一个USB3.0转千兆的网卡,但很不幸,这台机的两个USB3.0端口都只能识别成USB2.0,恐怕是芯片组本身有故障了。
拆开发现,主板上是使用了2颗百兆网络变压器,只安装了1颗:

板子的另一边安装了一颗:

如果只支持百兆,主板上也没必要放两个网变的位置,应该是预留放两颗合成千兆来用的。
经过查阅资料,主板上用的是AR8162,百兆网卡芯片,另外有一款P2P兼容的千兆网卡芯片:AR8161
果断买回来换上

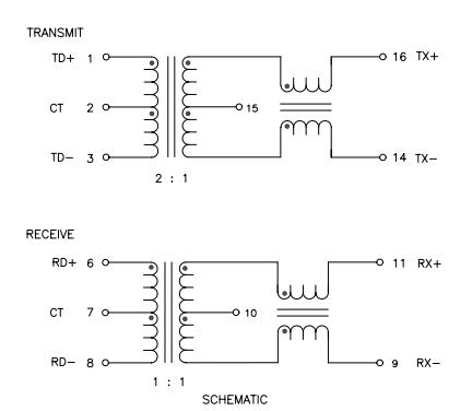
中间又发现一个问题,一般的16脚网络变压器原理图如下,每个差分对不是在相邻的两个脚,中间被中心抽头隔开,如TD+和TD-分别在1、3脚,中心抽头在2脚。
而这款电脑主板的不一样,TD+和TD-分别在1、2脚,中心抽头放在了第3脚。特殊封装的物料不好买,只好手动进行修改了。


焊上:

需要注意的是,原先由于只支持百兆,电路上放置了4颗0R电阻,将RJ45的45,78两组信号短路起来组成bob Smith电路提升EMI,
改千兆就必须要把这几颗电阻拆掉。

改好后装机,又是剩下好几颗螺丝钉,想起以前拆装收音机,每次都有钉螺丝多出来⊙﹏⊙
还好顺利开机,固定环境使用就不管这些细节了。
成功识别千兆网卡

iperf测速,达到933Mbitps

ftp传输测试,81MB/S, 应该是触及机械硬盘的瓶颈了

谢谢观看!
浏览更多精彩内容请登录数码之家网站
技术交流请联系原作者
作者:散装805
本文来源:数码之家