雄鹰功率放大器家庭拥有量不小,无论是纯功放还是AV功放,电路几乎一脉相承,均
为全互补对称推挽电路。由于这种电路:具有性能稳定、动态较大的优点,亦被其他一些品牌 如东鹏757型、雅顿、湖山等放大器所采用,故它的改进很有价值。
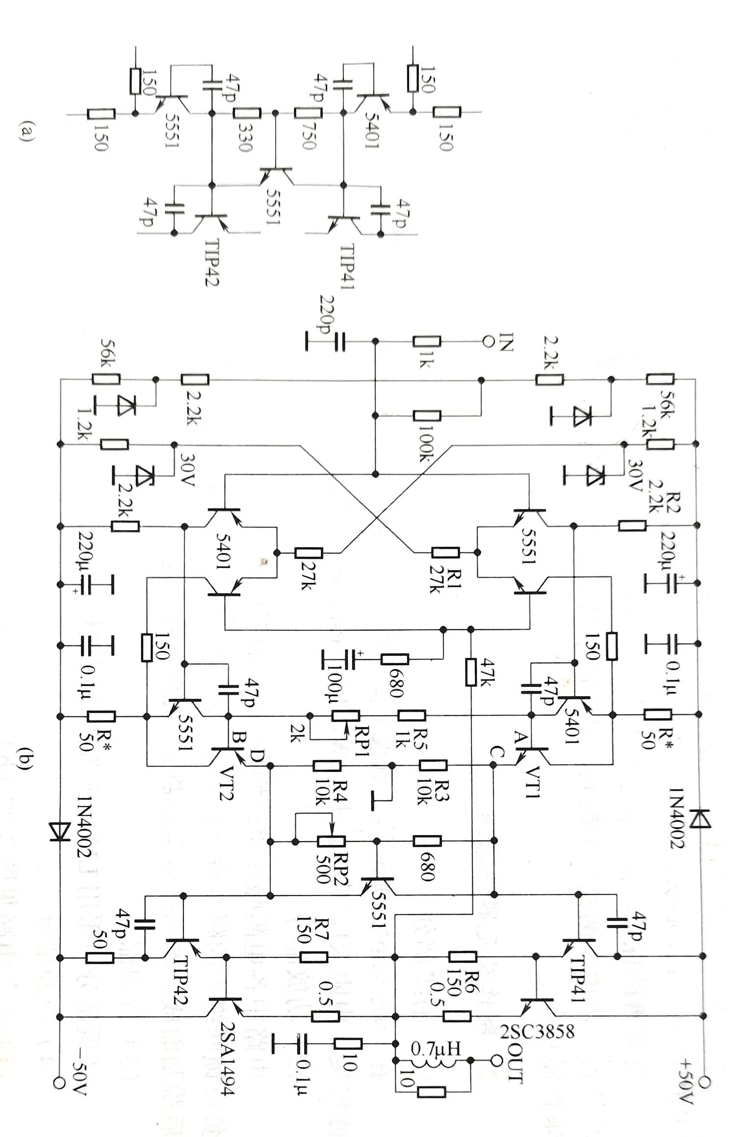
型号为 FD-555的AV放大器,也采用了这种功放电路,

经过一段时间的使用,发现其音 色较通透,低频的控制力也不错,但重放出来的人声较为单薄,底气不足。
经过分析决定从 电压放大级图(a)入手,改进后的电路如图(b)所示,这种改进电路与著名
的NAD3020I相似,即在电压放大级后面增加了VT1~VT2 作射极输出,分别与 5551、5401
组成复合放大,以提高本级的电流输出能力,这比在输出级用三级达林顿要稳定合理,可谓 一举两得,既增加了电路的线性,又增添了一缓冲级。
个VT1、VT2选用*功中**率音响对管(这里采用的是2SD667、2SB647),需严格配对(在3% 以内),为使本级具有较好的线性,加入了电阻R3、R4,阻值在7~10k欧。
由于新增元件较 少,可在原线路上直接添加。
在调整时,应先将AC、BD短接,把RP2调得较大,同时测量推动级R6、R7两端电压,使之接近于0V,以保证功放管的安全。
然后调整后级工作点(应边计算边测量),由图(b)可知,输入级射极电阻R1 的电流: i约等于(30-0.6)/(27x10')=1.1mA,则流过负载R2 的电 流i2=i1/2=0.55mA,R2两端的电压为: 0.55mAx2.2k.欧 =1.21V,R*两端的电压为1.21-0.6 =0.6V左右,即流过R*的电流0.6V/50欧 = 12mA。
随后将RP1调到最小, 断开AC、BD的 连线,测量R5 的电压,同时调整RP1,使VR5=4V,则iR5 =4V/1k欧= 4mA,即VT1的电流 为8mA,回头再测量R*的电压应在0.6V左右基本不变,然后将表笔接到2SC3858、2SA1494 的射极电阻(0.5欧)两端,逐渐调小RP2,使电阻的压降为50mV (也可再大些,但散热措 施要到位)。
最后测量输出端的漂移电压应小于20mV(否则要检查后级管子配对情况),即 可接上10欧假负载通电观察半小时,经测量正常即可投入使用。
实验表明,电路改进是成功 的,放大器中频加厚,人声凸现,细节明显,极有助于演绎音乐的精髓,低频的控制力和力 度亦有所增强。
感谢阅读!