近年来,国内探伤检测仪市场需求不断增加,规模不断扩大。2021年国内探伤检测仪市场规模达到736.8亿元,同比增长17.6%。受益于劳动力资源丰富以及国内制造业发展迅速优势,目前我国是全球探伤检测仪最大生产国与出口国。近年来,我国探伤检测仪进出口市场一直表现出贸易顺差局面,根据海关总署数据显示,2021年国内探伤检测仪出口量为5.8万台,出口金额达0.3亿美元;进口量为1.0万台,进口金额达1.4亿美元。
其中,超声波探伤仪是一种便携式工业无损探伤仪器,它能够快速、便捷、无损伤、精确地进行工件内部多种缺陷(裂纹、疏松、气孔、夹杂等)的检测、定位、评估和诊断。既可以用于实验室,也可以用于工程现场。在锅炉、压力容器、航天、航空、电力、石油、化工、海洋石油、管道、军工、船舶制造、汽车、机械制造、冶金、金属加工业、钢结构、铁路交通、核能电力、高校等行业得到广泛应用。

超声波探伤仪对检测对象进行检测,仪器内部的检测信号输出,就需要用到欧姆龙的信号继电器G6KU系列,目前已经得到厂家的肯定,且目前欧姆龙也推出了3GHz、8GHz的高频信号继电器,也吸引了很多厂家的注意,未来也是应用趋势。
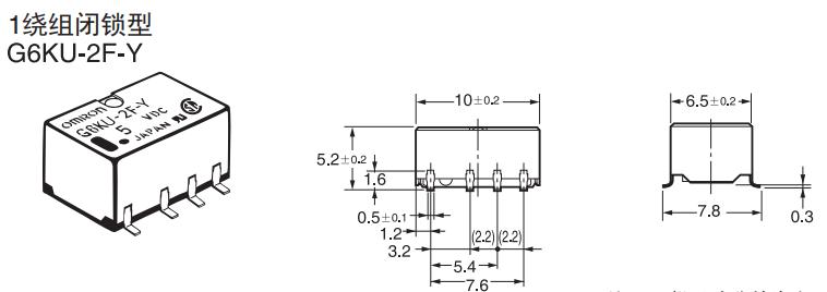
下面当我们来了解下欧姆龙G6KU系列信号继电器的特点:
1、10*6.5*5.2MM的尺寸,是欧姆龙信号继电器较小级别的封装,可提高封装效率,也有G6K-2G-Y(内L型表面安装段子)和G6K-2P-Y(印刷基板用端子),共有3种端子形状可选择,满足不同的安装要求;

比欧姆龙其他系列的信号继电器降低了70%的电力消耗,仅为100mW,G6KU系列动作、复位时间短至1.2ms,满足智能采集器对高灵敏度的要求;

标准型更是取得了UL/CSA规格、BSI(EN62368-1)认证,可以满足不同市场的客户需求;

以上,您如需了解更多参数或者样品,可联系我司:广州鼎悦电子科技有限公司,会有专人对接,给与选型,样品和技术支持!