(一)洗衣机故障检修
我们有个老旧的全自动洗衣机,是广东产的“爱德牌”。14年前因为出现无法排水故障,另外买了个金铃洗衣机。当时看它各个部件和外观都还挺好,想留待有空时再检修,就没有丢弃它。
最近想腾空杂物房,就考虑是否该丢弃这洗衣机了?考虑到搁置十多年,各个部件和马达都应该锈蚀死了。但通电试机,没想到它的马达还能正常运转。试运行它的“无水试机程序”,还能正常洗涤和进出水。灌水进去试,可以洗衣服,但排水只能排一半就停机了,也不能甩干。
拆开背盖,看到主轴上有个离合器,通过皮带和齿轮与马达连接,但我完全看不明白它的工作原理。只好上网,查找该洗衣机的电路图和相关维修资料,其中有关离合器的工作原理介绍如下:
-------------------==-----------------==
减速离合器洗涤工作过程:进入洗涤程序时,排水电磁铁断电,刹车杆在弹簧力的作用下,针刹车锁定,使脱水轴不能转动。同时刹车杆上一拨叉棘爪将棘轮拨过一个角度,方丝离合弹簧固定在棘轮壁上的这一端被拨动,另一端处于自由状态,离合套与外套轴分离,由丁方丝离合弹簧被拨松,洗涤轴与脱水轴分离,当电动机转动时,V带传动,从大带轮传过来的转动通过齿轮轴传至行星减速器,减速后由波轮轴传出,带动波轮旋转。
洗涤时,电动机运转,通过减速离合器,降低转速带动波轮间歇正反转,进行洗涤,此时洗涤脱水桶不转动;脱水时,电动机运转,通过离合器,不减速(即高速)带动脱水桶顺时针方向运转,进行脱水,此时波轮也随着脱水桶一起运转。
图1)

---------------------------------------------------------==
上述信息我反复琢磨半天仍不得要领,只是粗略了解其大概工作原理。没办法,边干边体会吧!
为了便于检修,我拆开洗衣机盖板(控制主板、进水电磁阀、水位传感器都固定在盖板上)。由于外壳不好拆卸,我就把整个洗衣机翻转过来。下图2+图3是离合器与排水电磁铁(通过电磁铁动作牵引排水阀)结构外观—俯视图和侧视图:

图2)离合器 图3)排水电磁铁
我琢磨:我的洗衣机能够正常洗涤,说明马达及离合器没太大问题。排水只能排一半,说明排水电磁阀也没完全损坏,很可能是电磁铁芯生锈导致行程受阻,离合杆和棘爪也没能移动到位,以致影响马达带动不了脱水桶甩干。我试用起子撬动电磁铁芯,强行让离合杆和棘爪移动到位,并转到皮带轮,发现脱水桶是可以旋转的,这说明离合器并没有锈蚀,问题可能就是电磁铁芯吸合不到位。
找点机油涂抹到电磁铁芯和相关驱动机件上,多次运行脱水程序,给电磁铁反复通电吸合再释放。最后放水试机,洗涤和脱水都正常了。但又发生开机进水不停,似乎是水位传感器有问题,导致单片机检测不到有水信号,机器就不能开始洗涤程序。
爱德洗衣机的水位传感器在市面上也没有找到合适的替代品。从电路图看不出水位传感器的工作原理,我从网上找到资料有如下介绍:
-------------------------------=
图4为该水位传感器的结构示意图,下部的气室加橡皮膜组成压力传感部分,上部的活动磁芯和线圈与振荡电路板一起组成LC振荡电路。 工作时,随着水位的升高,气室中的压力也升高。当压力升高到一定值时,橡皮膜推塑料盘顶着磁芯上移,电感线圈的电感发生变化,LC振荡电路的振荡频率也发生相应变化。当频率达到程序控制器预定值后(表示预定水位),程序控制器便发出指令停止进水,并转入洗涤程序。水位传感器在出厂前,振荡频率定为高水位频率22.60kHz,空水位频率25.20kHz。 水位越低,传感器输出的信号频率越高。

--------------------------------------=
网上的上述信息与爱德洗衣机的水位传感器情况吻合。我拆开我们的水位传感器,发现其橡皮膜已经老化开裂,怪不得不能工作了。我找气球等类似材料替代原橡皮膜换上,水位传感器又能工作了。不过水位感应误差变大了,通过调节传感器里面的螺丝,可以部分弥补误差。但最后只能使用“中-低水位”,如果用高水位,结果进水到水溢出了,洗衣机仍会以为水位不够而不断进水。为了废物利用,我只好将就地用“中-低水位”来洗衣服了!
3点备忘录:
(1)洗衣机的开盖安全开关SA1有防抖动功能:当洗衣机脱水时,如果衣物堆放不匀,致使脱水桶剧烈振动,以几十周的频率撞击安全开关SAI的传感杆, SA1连续输出通、断信号,微处理器(单片机)发出纠正指令,使洗衣机进入停水→进水一漂洗一排水一脱水程序,以便消除衣物摆放不匀造成的振动。如果反复几次不能消除该现象,单片机会令洗衣机进入脱水保护状态。该开关还有脱水时开盖断电功能,我使用感觉不太方便,就将其拆除了。以后不管是否开盖,洗衣机都可以照样脱水。
(2)排水电磁铁标牌工作电压是直流198V,从电路图上看不出直流198V电压的电路(其电源通断由双向可控硅控制)。实测工作电压是直流202V,用交流档测是96V交流---这可能是由220V交流半波整流得到的脉动直流。
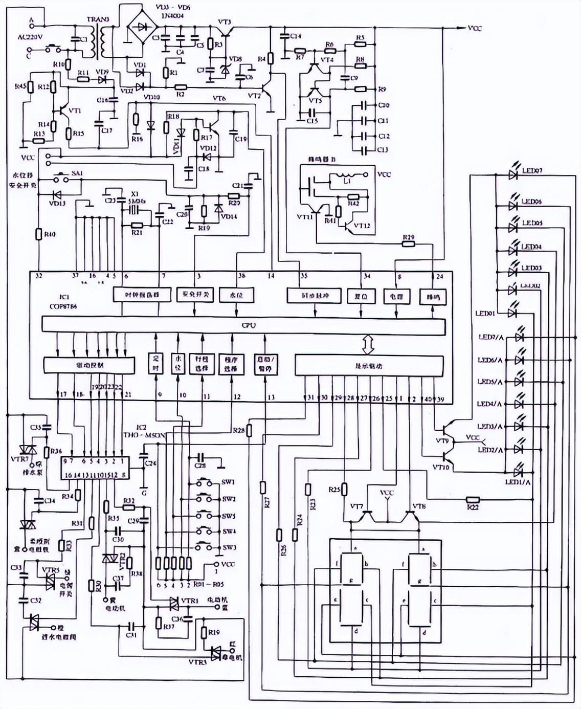
(3)该洗衣机的电路原理图如下(图5):

图5

图6)洗衣机控制面板外观
=======================---
(二)全自动洗衣机硬件修改及软件设计
洗衣机用一段时间后,又发生洗衣到最后阶段“甩干排水”时就停机了。检查各个硬件未见有问题,估计是单片机程序因为某次无意的错误碰触高压打火干扰,导致软件意外被修改?尽管这个可能性“很扯”,反正洗衣机就是可以循环3次洗涤和进水+排水,但最后一次的“甩干排水”就不执行了。
我试运行产品的无水洗衣模拟测试程序,洗涤进出水各个功能都是正常的(说明洗衣机的硬件没问题)。因为该产品配有参考电路图,我手头又有好几个洗衣机的例程,干脆尝试更换单片机,自己重写程序看看效果如何。
开始以为这是很简单的工作,真正动手时,才发现问题多多。
最主要问题是原机单片机不知道是什么型号?其引脚排列和51系列产品完全不同,这就导致硬件工作量大为增加,比自己另外做一个洗衣机的工作量还要大。
下图6+图7,先将原单片机拆焊下来,加一个单片机插座,以便以后可以随意更换单片机。

图6)已经拆下了原单片机的部分电路板

图7)加焊了一个单片机插座

图8)原单片机底部引脚布线

图9)更换51单片机后,重新更改的引脚走线。

图10)最后修改好的电路板。
硬件修改完成后,在进行实际软件设计时,才发现要按照原硬件原理图接线来设计软件,会有很多无法躲避的麻烦。
第一个难点:由于该单片机的硬件接口有限,原洗衣机操作面板显示不同工作状态的的14个LED灯与2个数码管是共用单片机端口端口,软件编程时就不能简单地令某个端口变高或变低电平来控制LED的亮灭,这样会导致数码管乱闪。反之亦然,数码管显示时,LED也会乱闪。如何通过控制4个片选三极管来分时显示LED和数码管,浪费了我很多测试时间。
第二个难点:我是用定时器做洗衣程序调度器,单片机给洗衣机按键、LED、数码管和马达按不同时间间隙执行不同的动作,这比顺序循环运行的软件设计及调试要麻烦很多。陆陆续续搞了很长时间才把程序走通。
第三个难点:水位传感器没买到合适产品,自己换气室的薄膜后,重新测试高中低不同水位对应不同输出电压值。期间要反复进水排水测试,也是挺费神的。最尴尬的是,我是在住房室内进行将水位和软硬件联合测试的。某次测试后,洗衣机没排水就撂下不管了。结果我外出办事半天后,洗衣机排水阀发生漏水故障,洗衣机里的水全漏出来,房间泡了1厘米的水,还通过地板裂缝漏到楼下邻居的卧房,把人家的床铺被子和床垫全淋湿透了。最后硬着头皮给人家道歉、赔钱,过后很长时间都不好意思面对人家,真是难堪死了!
(三)最后实现的软硬件情况说明:
洗衣机是用STC89C52RC或STC89C54RC类单片机,水位传感器是用电感式震荡电路。为了节省端口,洗衣状态显示的14个发光二极管是与2个LED数码管共用端口的,由4个三极管(VT7-VT10)驱动发光,并经软件分时控制来轮流显示,这导致了系统软件的复杂和不易读懂。
全自动洗衣机-实际产品应用程序功能:
洗衣进程有3种:全洗衣(洗涤+漂洗+甩干);漂洗-甩干;单独甩干。
洗衣模式有2种:标准、省时。
水位设定有4种:高,中,低2,低1。
按下起动按键后,洗衣机开始进水,到达设定水位后停止进水。紧接着电动机开始正反转运行,每次正反转由四个节拍组成:
1)正转= 5-10秒; 2)停转= 3-4秒; 3)反转= 5-10秒; 4)停转= 3-4秒。
进水= 3分钟,洗涤= 省时39分钟/标准51分钟,排水=3分钟,脱水=1.5分钟。脱水时电动机正转90秒(Tspin_Minute)。
预定洗涤时间完成后,就排水和甩干。到达预定的3次循环洗涤排水周期后,洗衣过程结束,并发出提醒蜂鸣声。全过程约为省时39分钟/标准51分钟。
为防止意外,在进水和排水期间,如果超过80秒水位都没变化,便认为进出水有故障而停机报警。
---------------------------------------------------=
(四)全自动洗衣机主要源码
//*************洗涤方式选择********************
//标准洗涤程序=1,经济=2, F_Normal=1, F_Econormy=2,
void key_scan() //可以选择洗涤-暂停-菜单(改变洗涤方式)
{ static uchar Kpress_Count; //按键次数计数器
if(Key_Start == 0) // = P33=Key_Start=开始或暂停按键,按下键= 低电平0
{ Beep50();
if(Key_Start == 0)
{ while(!Key_Start); //wait for key release
if(flag_Washing ==0) //= 0表示还未开始洗涤
// 1th按下启动键=开始,如果重复按"开启/暂停"key,其状态flag_Washing会1-0反复转换
{ flag_Washing = 1; //=1复位洗涤标志,
ET1=1; //打开调度器(setting里会令ET1=0)
if(Kpress_Count ==0) { //是1th按启动键吗?
//1th按启动键,Int1_Count=0.给"正常洗衣"参数赋值。2th,Int1_Count>=1,不必再给"正常洗衣"参数赋值,避免暂停洗衣后,重新运行又赋初始值,导致半途洗衣定时不对。
Kpress_Count++;
wash_on(); //-----------start washing
}
else Redo(); //-----------redo washing, //允许定时器T1中断并打开水泵+1秒后,由T1中断服务来打开马达
}
else if(flag_Washing) // -----------2th按下启动键=暂停
{ flag_Washing = 0; //==0表示暂停洗涤或进出水
ET1=0; //关闭调度器,显示将不能刷新,令洗衣机暂停! Suspend();
LED_Timer_on(); Beep50();
}//end else
}
}
}
void Timer0_Init(void) //T0设为16位计数器,对信号脉冲进行计数。
{ TMOD |= 0X05; //设16位计数工作方式1,手动重装计数初值 方式选择位C/T=1=计数方式
TH0=0; TL0=0; //计数器T0初值为0
TR0=1; ET0=1;
}
void Timer2_Init(void)
{// 复位时, T2MOD=T2CON=00H,方式选择位C/T=0=定时工作方式。
T2CON=0;
RCAP2H=(65536-62500)>>8; //在程序初始化的时候给RCAP2L和RCAP2H赋值,
RCAP2L=(65536-62500)%256; //中断产生时自动使TH2=RCAP2H,TL2=RCAP2L。
TH2=RCAP2H; TL2=RCAP2L;
ET2=1; //打开定时器2中断
TR2=1; //定时器2开始计时
}
//T1=0001,设为16位定时工作方式1,作为1秒的调度器
void Timer1_Init(void)
{ TMOD &= 0X0f; // 高位T1计数方式清0
TMOD |= 0X10; // T1=计数方式1= 16位,
//T1方式选择位C/T=0=定时工作方式,定时方式1= 16位,不自动重装参数
PreT1h= PreloadT1H; PreT1l= PreloadT1L;
TH1= PreT1h; TL1= PreT1l;
TR1 = 1; ET1=1;
PT1= 1; //T1为最高优先级
}
//--------------水位脉冲从P3.4=T0输入,要用到下面的中断计数-----------------:
void timer0(void) interrupt 1 //16位计数器0溢出中断
{//计数溢出时,中断并累加计数(即每收到256个脉冲就中断1次)。到1秒后,在T2中断换算为频率。
TH0=00; TL0=00; //clear counter,正常时,TH0和TL0记录水位脉冲数
}
//-------------在中断服务里计算水位频率F_level----------------------------
void timer2(void) interrupt 5 //12M晶振,定时器2中断(62.5ms中断一次,每半秒测一次),
{ TF2=0; //定时器2的中断标志位TF2不能够由硬件清零,所以要在中断服务程序中将其清零
count_T2++;
if (count_T2>=8) //定时0.5s时间到
{ TR0=0; //计数器停止计数
count_T2=0; //中断次数清0
Led_1S= ~Led_1S; //=p16仿真时便于观察
//仿真时,为了可以无水运行,如下修改(还需将下面的水位采集语句屏蔽:-------=start
if(W_progress==1) F_level= W_level; //进水时W_level=W_MIDD=242;
else if(W_progress==3) F_level= W_empty; //排水时,W_empty=252=超过最低水位=无水
//仿真时,为了可以无水运行,修改:------------------------------------------------=end
F_level = (uint)((TH0<<8)+TL0)/50; //如果不用(uint)限定,F_level会变成0!!!
//比较20S间隔内2次水位,如果无变化,可能进出水有问题---start
T_in_out20s++ ;
if(T_in_out20s ==40)
{ F_level_40= F_level; } //1th水位值存于F_level_40
else if(T_in_out20s ==80) //(80-40)*0.5S=20S
{ F_level_80= F_level; } //2th水位值存于F_level_80
TL0=0; TH0=0; //清零16位计数器T0
TR0=1; //计数器T0开始计数
T2_FLAG=1; //标志位置1=频率计算结束标志--未用到
}
}
//启动洗涤程序后,就交由调度器控制。
void Timer1(void) interrupt 3 //-------1秒调度器
{ TH1= PreT1h; TL1= PreT1l; //reload 定时值PreloadT1H= (65536-50000)>>8;
if(T50ms_count++ >=20) // =1S interrupt --------------- (1)
{ T50ms_count = 0;
if(flag_Washing==1) //=已经按下启动键,运行标志,=1为已经开始运行,0为暂停 --(2)
{
Second--; // 对各个洗涤进程做减时计算 (在menu里已经令Second=0)
if((Second <=0)&&(Minute != 0)) //这是洗涤减一计时器。
{ Minute--; Second = 59;
if(T_all_reman-- < 0) T_all_reman=0; //显示剩余时间
} //Minute和Second 是各个洗涤阶段的剩余耗时值
// W_progress =0-进水,1-洗涤,2-马达正反转, 3-漂洗(排水),4-甩干,
if(W_progress==0) //-------(A)-----在wash_on()开始后跳到这里
{ W_progress=1; Water_in(); //进水时间在Water_in()定义
T_in_out20s=0; err=0; } //清零进出水测频时间间隔
else if(W_progress==1) //---(A)在(W_progress==0)开始进水,0.5S后跳到这里
{ //li-排水次数计数器Dump_count,初值=0,排一次水,运行一次out(),
//测试水位传感器是否有问题:-----------------------------------------------------start
if(T_in_out20s >80) //T_in_out20s在T2累加,
{ //如果传感器正常,无水时F_level>253,有水时0<F_level<253,
T_in_out20s =0; //清零以便T2中断再次保存水位值。
if((F_level_40 & F_level_80) &&(F_level_40 ==F_level_80))
//如果40S内2次水位值不为0,而且相同,说明水位传感器有问题。
{ if(err++>=2) W_progress=8; }
}
//--end of测试水位传感器是否有问题:------------------------------------end
if(F_level >W_level) // 检测到预定水位W_level吗?
{ if((Second<0)&&(Minute==0)) //水位未到,但超时
{ W_progress =8; } //=err, goto (F)超时处理
} //进水期间W_progress=1
else if((F_level<=W_level)&&(F_level>0)) //如果未超时,去洗涤
{ W_progress=2;
xi(); Beep50(); } //去洗涤
} //-----------------------end of if(W_progress==1)
else if(W_progress== 2) //(B)-------马达正反转时间控制
{ T_motor++; //正反转控制计时,
if(Washprogram ==1) //=normal wash mode
{ //如果是1th,T_motor++=1
switch(T_motor) //1th,T_motor=1=case1,每秒中断后+1
{
//1th,电机右转10秒;10th,电机停4秒;14th,电机左转10秒;23th后,停止转动
case 1: ZhengZhuan(); break; //第1秒,电机右转
case 10: Stop_Motor(); break; //第10秒,电机停
case 14: FanZhuan(); break; //第14秒,电机左转10秒
case 23:Stop_Motor(); break; //第19秒,电机停4秒
default: //第27秒后,如果洗涤时间未完,再去正转
if(T_motor>=27) { T_motor=0; }
}
}
else if(Washprogram ==2) //=econormy wash mode
{
//if set minute=1,则每分钟正反转3.5-4次,然后甩干10秒=15声,3个周期后=3分钟,结束洗涤
switch(T_motor) //1th,T_motor=1=case1,每秒中断后+1
{
//1th,电机右转5秒;6th,电机停3秒;7th,电机左转5秒;13th后,停止转动。
case 1: ZhengZhuan(); break; //第1秒,电机右转5秒
case 6: Stop_Motor(); break; //第6秒,电机停3秒
case 9: FanZhuan(); break; //第9秒,电机左转5秒
case 14:Stop_Motor(); break; //第14秒,电机停3秒
default: //第15秒后,如果洗涤时间未完,再去正转
if(T_motor>=17) { T_motor=0; }//17S后,从头再来
}
}
if((Second<=0)&&(Minute==0))
//如果1th洗涤cycal时间到(Second=0xff=-1)就排水
{ W_progress =3; Water_out(); } //goto 排水处理
} //------------------end of if(W_progress==2)---
else if(W_progress==3) //(C)---------如果排水完,就甩干。
{
//测试水位传感器是否有问题:-----------------------------------------------------start
if(T_in_out20s >80) //T_in_out20s在T2累加,
{ //如果传感器正常,无水时F_level>253,有水时0<F_level<253,
T_in_out20s =0; //清零以便T2中断服务里再次保存水位值。
if((F_level_40 & F_level_80) &&(F_level_40 ==F_level_80))
//如果40S内2次水位值不为0,而且相同,说明水位传感器有问题。
{ if(err++>=2) W_progress=8; }
}
//测试水位传感器是否有问题:-----------------------------------------------------end
if((F_level <W_empty)&&(F_level>0)) //是否还有水?
{ if((Second<=0)&&(Minute==0)) //超时了,还没排干水=err
{ W_progress =8; } //goto (F)超时处理
}
else if(F_level >= W_empty) //水确实排干了
{ // 如果无水....
if(Wash_count < Wash_cycle) //水排干了,但洗涤次数未够
{ W_progress =4;
Tuoshui(); Wash_count++; } //水排干了,去脱水,
else if(Wash_count >Wash_cycle) W_progress =9;
//如果超过3次排水,不甩干就结束-W_progress=9
//如果是单独排水,就设置Wash_count =Wash_cycle+1 >3,所以只排水一次,不甩干就结束
}
} //-----------------------end of if(W_progress==3)
else if(W_progress==4) //(D) ----甩干完了,进水或结束
{ if((Second<=0)&&(Minute==0)) // ----甩干时间到否?
{// Wash_cycle =洗涤次数=3次=(进水+洗涤+排水+甩干)*3
if(Wash_count >=Wash_cycle) //甩干时间到了,结束洗涤
{ W_progress =9; } //goto (G)=over()
else
{ W_progress =0; Water_in(); }
//甩干时间到,但洗涤未够3次,Wash_count<Wash_cycle,继续洗涤
}
} //-----------------------end of if(W_progress==4)
//===============================================
else if(W_progress== 8) //(F)----------err超时处理
{ T_all_reman=99; Second=0; Minute=0; Beep300();
err =1; Stop_Motor();
Pump_out_off(); Pump_in_off();
}
else if(W_progress==9) //(G)----------洗涤结束
{ T_all_reman=88; Second=0; Minute=0; over(); }
//===================================================
} //---------end of if(!flag_Washing) //按下启动键 ----(1)end
} //------------------end of if(T50ms_count++>=20)--------(2)end
}
//由于LED与SEG共用P0口,所以必须用轮流显示LED,数码管由中断刷新
void Led_Update(void)
{ Seg_disable(); //数码管不显示
Show_water_led(); Delay_1ms(1); //须延时1MS才能看到LED亮
Show_progress_led(); Delay_1ms(1);
Show_program_led(); Delay_1ms(1);
if(f_Ledtimer == 1)
{ LED_Timer_on(); Delay_1ms(1); } //定时器LED亮,暂停时LED_Timer=on
else LED_Timer_off(); //正常工作时LED_Timer=off
}
/**********************管脚初始化程序******************/
void InitAll(void)
{ // LED_Regular =ON; //ON=1,默认为标准程序,灯亮
Pump_in = OFF; //OFF=0; 进水控制,关, 单个反相器驱动
Pump_out= 1; // P2^0=排水控制,1=关,因为本人另加有2个反相器串联电路
Motor_R = OFF; //电机正转,不走=OFF=0, 单个反相器驱动
Motor_L = OFF; //电机反转,不走=OFF=0, 单个反相器驱动
Beeper = OFF; //报警喇叭,不叫=OFF=0
P1= 0xef; //let P1口为输入= 3个按键=P12-P14-P15,注意:P17=beeper=0不响
K_program= 1; //let P33口为输入,K_program = P3^3=启停按键1=int1 port
//标志清零:
flag_Washing =0; //运行标志,1为已经开始运行,0为暂停
f_Ledtimer =0; // 控制LED亮或灭的标志,timer_led=off=0
F_level=W_empty; // F_level是检测到的水位频率,
W_level=W_MIDD; // W_level是预置的水位,W_MIDD=242,中LED=亮,
Level_case = F_MIDD; //设置水位时的增量累加器=1-2-3-4=high-middle-low2-low1,
T_Normal_min=9; //=9对应=9*3+24=51分钟
T_Normal_sec=0;
T_Econormy_min=5; //=5对应=5*3+24=39分钟 =省时洗涤,仿真=1
T_Econormy_sec=0;
//进出水+甩干的时间
Tin_Minute = 3; //water-in时间 =3分钟
Tin_Second = 0; // =秒
Tout_Minute = 3; //water-out时间=3分钟
Tout_Second = 0;
Tspin_Minute= 1; //甩干时间=1分30秒,如果2分钟可能会太长.
Tspin_Second= 30; //如果仿真用30秒
T_in_out20s = 0; //20S时间间隔计数器--用于每20S测试一次进出水,看是否正常?
F_level_40 = 0;
F_level_80 = 0; //80S间隔水位频率暂存值,比较其变化值来判断进出水是否正常?
Wash_count =0; //实际循环洗涤次数计数器=清零
Wash_cycle = 3; //循环洗涤次数(一个循环=进水+洗涤+脱水)=3是标准洗涤次数
W_progress = 0; // 工作状态跳转控制标志=0-进水(浸泡),1-洗涤,2-排水,3-甩干
Washprogram= 2; //1=标准,2=省时
if(Washprogram== 1) //1=标准,2=省时
{ Txi_Minute = T_Normal_min; //正常洗涤=7分*3,对应=21分钟;仿真时=0分钟+30秒
Txi_Second = T_Normal_sec;
}
else
{ Txi_Minute = T_Econormy_min; //省时洗涤=5分*3,对应=15分钟;仿真时=0分钟+30秒
Txi_Second = T_Econormy_sec;
}
}
//==================================-
void main()
{ uchar Tms=500; //延时显示参数-实际应用=APP=500
InitAll(); //管脚初始化,报警喇叭,进水、排水、电机正转反转均=关闭
Beep50(); //Beeper=0=stop蜂鸣器, =1=响=p17
Timer1_Init(); // T1作调度器
Timer0_Init(); // 定时器0中断作为水位检测脉冲计数
Timer2_Init(); // 定时器2中断计时,将T0的频率计数转为频率
EA=1;
T_all_reman= T_all; //T_all(洗涤总时长);T_all_reman=洗涤剩余时间
while(1)
{
//设置洗涤参数:
if(flag_Washing==0) //如果在暂停状态(首次开机或按了暂停键)才可以设置洗涤参数
{
Set_Level_case(); //设置水位, =key2=p13, Level_case++;
//改变洗涤进程:
Set_progress(); //progress=key3=p15,
//改变洗涤方式:
Set_program(); //program=key4,洗涤方式:F_Normal=1, F_Econormy=2,
ET1= 0; //调度器T1关中断,调度器不工作,停止循环显示,
}
key_scan(); //选择"启动/暂停"
//=key scan + wash start。如果开始洗涤,就从wash_on()开始
Led_Update(); //洗衣状态的LED显示
Seg_Update(); //轮流显示水位和剩余洗涤时间
//因为试运行出错时,调度器里不能关断pump-in,所以这里加-err超时处理
if((F_level <W_OVER)||(F_level==W_ERR))
// 检测到的水位F_level有问题,W_ERR=0,W_OVER=220=过高水位
{ W_progress=8; T_all_reman=99;
Second=0; Minute=0; Beep300();
Stop_Motor(); Pump_out_off(); Pump_in_off();
}
}
}
//程序结束。
20220814