贵州电网有限责任公司都匀供电局的研究人员柏文健、岑荣佳,在2019年第1期《电气技术》杂志上撰文,提出一种新型三相不一致保护控制回路,该保护控制回路增加了继电器和触点的数目并改变了原有的拓扑结构。
对比传统三相不一致控制回路中存在的器件易老化、时间继电器可靠性差等不足,本回路具有对器件依赖性低,防老化性能更好、可靠性更高的特点。同时针对电网故障排查中遇到的时间继电器校准存在的步骤复杂、需要断电等问题进行了简单的探讨和分析。
三相不一致运行是指电力系统中某一支路上三相中的单相或者两相断开运行的情况。对于部分高压和所有超高压、特高压的电压等级的电网,出于对高压绝缘、系统稳定性和系统继电保护配置的考虑,系统大范围的采用分相断路器,并配置有单相重合闸保护且采用后加速保护。
同时由于装置和人工操作等因素,系统在正常工作过程中会不可避免的处于三相断路器分相状态不一致的异常运行状态,应配置可以反映断路器非全相运行状态的非全相保护,作用于跳开已处于不正常状态的断路器。根据GB/T 14285—2006《继电保护和安全自动装置技术规程》,220~500kV断路器三相不一致,应尽量采用断路器的本体三相不一致保护,而不再另外设置同类保护。
但是,在实际的工况运行下,断路器控制回路的可靠性相对较低,主要原因是二次回路中采用的接触器、继电器等关键元件运行工况较差,断路器的三相不一致保护控制回路中的时间继电器需要定时的校检,从而才能保证供电的可靠性。
关于三相不一致回路改进的研究有很多,各有侧重,文献[7]提出的控制回路降低了对于器件的依赖性,提高了保护的可靠性,但是一定程度上增加了检修的负担。文献[8-9]则提出改变回路拓扑结构以及增加继电器数量实现防误动的功能,却没有考虑器件的运行工况对可靠性的影响。文献[10]则通过增加触点降低对运行工况的要求。
随着技术水平的进步和对供电可靠要求的不断提高,新的问题在实际运行中不断的被发现,综合考虑并改进保护原有存在的不足是很有必要的。
本文先介绍了传统的经典三相不一致保护控制回路,分析其中存在的问题。针对这些接触器、继电器存在的隐患,提出了一种新型的三相不一致保护控制回路。通过对比发现,新型控制回路可以有效地解决回路的自保持问题,实现防跳,并有效地降低了触点损坏老化对保护回路的影响。
同时对于工程校检时间继电器存在的步骤复杂、安全风险高等问题,提出了一种新型的实时监测校检装置的设想,不仅可以减少工作人员的工作量,还能够提供记录历史数据功能。
1 典型断路器三相不一致保护
1.1 典型保护控制回路
目前电力系统三相不一致保护的跳闸回路如图1所示。典型回路中的核心元件是时间继电器TS和跳闸辅助继电器K61。

图1 典型断路器本体三相不一致保护回路
保护控制回路由断路器的一组三相常开触点和一组三相常闭触点串并联组成。
当出现三相不一致运行的情况时,以上常开和常闭触点各自至少有一相处于闭合状态,于是形成了通路,使时间继电器TS和跳闸继电器K61处于通电状态,跳开故障的断路器,以保证系统的安全运行。
1.2 典型三相不一致保护的缺陷
典型的三相不一致保护在实际使用中存在着诸多的缺陷,其中最主要的问题在于核心时间继电器元件的可靠性问题。如起动回路中只使用了一个时间继电器,可靠性较低,时间继电器的整定时间需要满足系统稳定性与继电保护速动性的要求,同时需要与单相重合闸的整定时间相配合,若时间继电器的发生动作时间偏移,则三相不一致保护可能会引起误动作。
三相不一致保护的整定时间也应与零序和负序保护的整定时间相配合。据统计,由于时间继电器的故障导致的误动作占三相不一致保护误动作的70%。而三相不一致保护的误动作会对电网、发电机、变压器等重要电力设备产生诸多危害,严重危害电力系统的安全稳定运行。
另外,目前断路器三相不一致保护的继电器工作环境恶劣,特别是由于其长期在户外运行,内部精密器件易受影响。同时继电器和触点的设计与选型标准尚不完整,复杂的工作环境可能导致其常开触点老化或者氧化造成保护拒动,或者由于受潮和绝缘降低存在着误动的风险。即使是ABB、OMRON的部分器件也存在此问题。
综上所述,目前典型的保护控制回路的优点在于结构简单,使用元件较少。从保护原理角度,回路采用更简单的结构提高了保护的可靠性。然而,典型控制回路对于时间继电器的依赖较高,不能很好解决继电器的老化、氧化等问题。
2 新型断路器三相不一致保护
2.1 新型保护控制回路
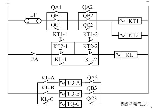
为了保证系统的安全稳定运行,并且克服经典回路存在的不足,本文提出了一种新型的保护控制回路,如图2所示。

图2 新型断路器本体三相不一致保护回路
新的控制回路包括改进后的起动回路、跳闸回路、自保持回路、防跳回路。起动回路:由KT1和KT2时间继电器相并联,KT1-1、KT2-1、KT1-2、KT2-2分别是其对应的常开触点。只需要有一组时间继电器动作就能保证跳闸回路通电。避免了一个时间继电器故障时的拒动风险,也很大程度上降低了由于某一个或者两个时间继电器触点因工况不良造成的拒动情况,提高了保护的可靠性,避免了采用单一触点由于绝缘降低、受潮、脏污引起的保护误动。
自保持回路:在跳闸继电器通电后,对应的常开触点KL-1,KL-2变为闭合状态,跳闸回路持续通电,形成自保持。补充了在目前现场应用中有部分国内厂家断路器缺乏该的回路,同时也避免了采用单一触点的缺点。
防跳回路:防跳回路的逻辑如图3所示。

图3 防跳回路示意图
在断路器三相合闸回路前段和后段串联三相不一致的跳闸继电器KL所对应的触点KL-3和KL-4。继电器KL断电后常闭触点跳开,令合闸回路断电实现防跳功能。在现场应用的断路器中50%不具备防跳功能,在具备防跳功能的断路器中在负电侧采用了单一触点,图3新型控制回路避免了直流接地造成的防跳失效的问题。
除了原理上的分析,对于三相不一致保护继电器的选型,还应关注其耐压水平、电容元件、密封性等诸多方面,需要根据实际工况选择合适型号的继电器[15]。
2.2 新型保护控制回路的测试与分析
在某220kV变电站220kV备用线路间隔测试了新型保护回路与传统控制回路,其结果见表1。

表1 传统控制回路与新型控制回路测试结果
该间隔断路器为国内某厂家2004年生产。使用原控制回路测试了50次后更改为新型控制回路,又测试了50次。各项功能测试中模拟了绝缘降低、受潮、脏污、接点粘死、元件故障等缺陷。该间隔断路器本体三相不一致保护未设计防跳功能,在断路器本体三相不一致保护动作后断路器任能合闸,故合格率为0。将时间继电器动作时间整定为2s,计算标准差以衡量时间继电器的时间离散程度。

通过测试,表明新型保护控制回路的主要优点有:
1)时间继电器离散程度低可靠性高,并且降低了由于工况恶劣导致继电器触点误动拒动造成危害的几率。
2)自保持回路的可靠跳闸,避免了采用一副触点时由于受潮和绝缘降低,造成继电器KL误动的风险。
3)防跳回路避免了断路器跳闸后再次合闸给电网带来的二次伤害,避免跳闸回路的触点粘死或直接接地导致的防跳回路失效。
综上所述,断路器三相不一致保护的新型控制回路,通过对起动回路和跳闸回路的改进,改变设备的拓扑结构以及增减继电器与触点的数量,减少了设备之间的相互影响,很大程度上降低了设备工况问题对电网的危害,间接提高了保护的可靠性,并且仍能保证良好的经济效益。
3 对新型三相不一致保护的展望
断路器三相不一致保护新型控制回路从原理上克服了传统典型的三相不一致保护控制回路存在的不足与弊端。通过增加了元件数目提高了保护控制回路的可靠性,但与此同时也不可避免地增加了保护装置校检的步骤,其中,校检触点的老化与氧化工作相对简单,更为复杂和重要的是对于时间继电器的校检工作。
根据研究表明,时间继电器的故障主要源于老化后设备的硬件故障和计时偏移的缺陷。同时,目前继电保护工作人员在对时间继电器的整定值进行校检时仍有不少的麻烦。
目前,可将主流的校检的方式分为以下两类。
第一类:断电以后将三相不一致电路拆下用专业仪器进行校检。此方法在测量全过程中需要在保证断电,同时拆除以及安装接线可能造成接线的错误。该过程需要花费大量的时间与人力。
第二类:将实验台搬至断路器机构箱处进行校检。此方法同样需要断电进行,可以直接利用实验仪测试线对时间继电器加动作电压进行测量。该方法较第一类方法的优点在于避免了拆线安装的繁琐与接线错误的风险,很好减轻了人工的负担。但是由于需要外加电压,所以可能存在设备损坏的风险。
目前断路器三相不一致保护监测存在的主要矛盾是校检的步骤过于复杂或者校检的附加仪器过于繁多,并且许多新型保护方案增加了需校验的仪器和校验的步骤。一种能够在保护通电状态下实时监测校检的配套系统或者装置成为了探索的方向。这种装置既可以避免拆线接线的复杂步骤,又可以有效避免接线发生错误对电网安全稳定运行的危害。同时这套附加设备必须是精简且成本不高的。
为解决以上问题,本文提出了一种新型实时监测校检装置的工作原理图,如图4所示。实时采集并记录断路器三相不一致时间继电器起动信号以及跳闸辅助继电器动作信号,通过对于时间继电器的实时监测,极大减小了保护校检的工作,令更复杂可靠的新型控制回路的使用成为了可能。

图4 实时监测校检装置的工作原理图
新型的断路器三相不一致回路可以与其配套的实时监测校检系统相互搭配使用。既能从原理上克服原有传统典型控制回路存在的缺陷,又可以在运行维护的过程中降低人力成本,提高时间继电器的可靠性,满足电网创新发展的需求。
结论
针对断路器三相不一致保护控制回路,本文在分析了传统二次回路的缺陷之后,提出了新的三相不一致控制回路。新的回路较之原来改进了控制回路拓扑结构,改进了自保持和防跳的功能,以保证保护可以有效地跳开并切除故障,使系统恢复到三相对称运行状态。并在设计时考虑了硬件工作工况的问题,从逻辑上降低了硬件故障的危害。
本文末还探讨了关于时间继电器监测校检存在的问题与不足。后续工作可以对传统的校检方法加以改进,以适应电网的发展。