故障1
关键词:后差速器
故障现象
一辆2015年产上汽通用别克昂科威2.0T运动型多功能车,行驶里程2万km。用户反映该车仪表显示四轮驱动系统故障。
检查分析
维修人员检测发现,在后差速器离合器控制单元内有2个故障码:C0407——差速器油泵电机卡滞;C124B——差速器油泵电机转速传感器信号不稳定。用GDS诊断仪的主动测试功能控制该油泵运转,发现当电机转速达到800r/min时突然停止运转,与此同时电机的工作电流冲至50A(图1),说明油泵内部存在机械故障。

图1 电机被卡住时的数据流
故障排除
更换后差速器总成,试车确认故障排除。
故障2
关键词:高压油管
故障现象
一辆2015年产上汽通用别克昂科威1.5T运动型多功能车,行驶里程3万km。用户反映该车在经过事故维修后,加速时闯车严重,而且ESC、TC灯点亮报警。
检查分析
维修人员检测动力系统控制单元,发现2个故障码:P0089——燃油油压调节异常;P228C——燃油油压过低。发动机怠速运转时观察数据流,发现当缓慢改变发动机转速时油压正常,但当急加速时油压急剧下降(图2)。考虑到缓加速时油压能够达到18MPa,所以判断高低压油泵应该是正常的,问题出在调压方面。可是用示波器观察却发现,油压调节信号是正常的。这样看来问题可能出在燃油管路上。

图2 怠速时的油压数据流
与正常车对比,发现在油管的接头处有明显的提醒标志(图3),说明油管的安装是有方向性的。

图3 油管上的标签
查阅资料得知,该车为了减少高压燃油的回流,在油管内部设置了单向阀。观察故障车,发现这根油管确实是装反了(图4)。

图4 装错方向的油管
故障排除
正确安装油管,试车确认故障排除。
故障3
关键词:座椅控制单元
故障现象
一辆2015年产上汽通用别克昂科威2.0T运动型多功能车,行驶里程4万km。用户反映该车有时无法起动。
检查分析
维修人员试车,发现该车起动机运转正常。检测发动机控制单元,发现故障码“P129D——燃油泵控制单元电源电压异常”,说明故障与油泵不工作有关。发动机怠速运转时观察油泵控制单元的电源电压,未发现异常。在反复起动的过程中观察油泵控制单元的电源电压,发现在点火开关关闭后电压并没有立刻降到0V(图5)。

图5 异常的电源电压
查看电路图,油泵控制单元的电源是完全受点火开关控制的,也就是说开关关闭后,电压应该立即降到0V。观察的结果表明,油泵控制单元的电源电路与其他电路之间存在着短路。
逐个断开与油泵控制单元共用电源的其他控制单元的熔丝,发现当断开位于发动机舱熔丝盒内的F32UA时,油泵控制单元的电源电压恢复正常。查看电路图得知,F32UA为驾驶员座椅控制单元的熔丝。拆检座椅发现,座椅控制单元的电路板已经严重腐蚀(图6)。

图6 严重腐蚀的电路板
故障排除
更换座椅控制单元,故障排除。
故障4
关键词:密封环
故障现象
一辆2013年产上汽通用别克GL8陆尊商务车,行驶里程8万km。用户反映该车变速器故障灯有时点亮。
检查分析
维修人员检测变速器控制单元,发现故障码“P0796——变速器3号电磁阀卡滞在关断位置”。检查变速器油液,发现已经变质并且有离合器片烧焦的气味。解体变速器检查,发现4-5-6挡和3-5-R挡离合器片均已烧蚀。
更换受损零件后路试,故障码不再出现,但交车3天后故障重现。这一次为了准确诊断故障,反复进行了路试,并且在行驶中注意观察各项数据的变化。观察中发现在热车后,变速器工作油压的控制指令频繁地达到最大值。这表明变速器怠速液压油道中存在漏点。
再次解体变速器,发现仍然是4-5-6挡和3-5-R挡离合器片烧蚀,说明漏点就在这2个离合器共用的油道上。装上3-5-R和4-5-6 挡离合器,从变速器壳体油道处进行加压测试(图7)。

图7 压缩空气吹入的位置
经过测试,发现在4-5-6挡离合器油缸的内圈位置有气泡出现(图8)。将离合器取下来检查,发现是轴套处的密封环破损了(图9)。

图8 气泡出现的位置

图9 密封环损坏的位置
故障排除
更换密封环,故障彻底排除。
故障5
关键词:冷却液
故障现象
一辆2016年产上汽通用别克威朗轿车,行驶里程5万km。用户反映该车在停车等人时无意中发现冷却风扇一直在转,但水温并不高而且也没有开空调。
检查分析
维修人员试车发现,该车在怠速时冷却风扇长时间运转。检查确认空调已经关闭。查看冷却液温度数据为95℃,正常。观察进气温度的数据,发现当进气歧管内的气温比发动机舱内的气温高8℃时,冷却风扇开始运转(图1)。

图1 冷却风扇的启停数据
风扇运转后发动机舱内气温开始升高,而进气歧管内的气温经过一段时间逐渐下降。当两者的温差缩小到4℃时,冷却风扇停止运转。
分析认为,尽管该车的冷却液温度并不高,但进气歧管内的气温却上升过快。究其原因应该是缸盖内部存在热点,在这些部位冷却液实际上已经被气化,因此阻止了正常的热传导。热量通过金属传递给进气歧管。
检查发现该车由于使用了劣质冷却液,冷却系统已经被严重腐蚀,并且从储液罐内能够看到冷却液内已经存在大量的污垢,这使得整个冷却系统的效能下降。
故障排除
彻底清洗发动机水道后更换散热器和冷却液,试车确认故障彻底排除。
故障6
关键词:传感器线束
故障现象
一辆2015年产上汽通用别克昂科威1.5T运动型多功能车,行驶里程13万km。用户反映该车发动机故障灯亮,起步无力。
检查分析
维修人员检测动力系统控制单元,发现故障码P0721——变速器输出轴转速传感器故障。将示波器的探头分别接在变速器插接器的X176/3和X176/10端子(图2),在车轮转动时测量输出轴转速传感器的信号,发现信号幅度明显低于正常车(图3)。

图2 探头的连接位置

图3 转速传感器的信号波形
晃动变速器线束时,信号强度有时会有明显的变化,说明电路中有接触不良的问题。检查线路发现,输出轴转速传感器与变速器主线束之间有一个单独的线束。反复晃动这段线束,信号幅度有明显的变化,说明问题出在这里。
故障排除
更换传感器线束(图4),故障排除。

图4 转速传感器线束
故障7
关键词:节气门
故障现象
一辆2011年产上汽通用别克英朗轿车,搭载 LDE发动机,行驶里程15万km。用户反映该车有时发动机故障灯亮,加速没反应。
检查分析
维修人员检测发动机控制单元,发现故障码为P2135 ——节气门位置传感器1和2的信号关系不合理。由于故障是偶发性的,所以决定携带故障诊断仪在路试中记录数据。整个试车过程中发动机故障灯都没有点亮,但在回放数据时却发现节气门位置传感器1和2的数据流曲线都有毛刺(图5)。

图5 节气门位置数据流
分析认为由于2个传感器的毛刺有不在同一时段内出现的情况,而它们的电源和搭铁用的都是同一个(图6),所以可以排除线路接触不良的可能性,问题应该在2个传感器自身上。

图6 节气门位置传感器电路图
故障排除
更换节气门体后试车,上述的毛刺现象不再出现,因此确定故障已排除。
故障8
关键词:进气歧管支架
故障现象
一辆2012年产上汽通用雪佛兰科鲁兹轿车,行驶里程8万km。用户反映该车行驶中经常意外熄火。
检查分析
维修人员试车发现,该车在高速过减速带时一定会出现熄火,但由于惯性发动机又随即起动并恢复正常。检测发动机控制单元,发现大量与通信有关的故障码。测量诊断插座6号和14号端子之间的电阻,阻值为61.1 Ω,正常,可以排除总线方面的问题。回放发动机熄火瞬间的数据流(图7),发现实际上在发动机熄火之前,发动机控制单元的电源电压已经消失了,这是导致意外熄火的直接原因。

图7 熄火瞬间的数据流
仔细检查蓄电池及发电机,未能发现问题。在拆下蓄电池检查时,发现进气歧管支架未装到位,导致在车身剧烈振动时,起动机电源端子与该支架发生接触。拆下支架检查,发现由于电路出现短路,强大的电流已经将金属表面融化了(图8)。

图8 支架上的融化点
故障排除
正确安装支架后试车,确认故障排除。故障11
关键词:废气旁通电磁阀
故障现象
一辆2013年产别克君越轿车,行驶里程11万km。用户反映该车发动机故障灯亮。
检查分析
维修人员检测发动机控制单元,发现故障码P02299——进气增压不足。路试感觉车辆提速性能差,完全没有正常车加速时的那种推背感。读取发动机的动态数据流,发现进气歧管内气压最高只能达到150kPa,而正常车可达到240kPa。
根据初步观察到的结果判断,可能是进气管道漏气、增压器安装调整不当、进排气管内气流受阻、真空源泄漏或废气旁通控制电磁阀上的真空软管连接不正确。
首先检查进气管道,未发现有明显的漏气或破损。拆下前杠检查进气中冷器,没有发现外伤,试压也未见异常。检查真空源、真空蓄压器,未发现异常。拆下三元催化器检查,没有发现明显的堵塞。检查涡轮增压器转子轴,发现摆动幅度较大,怀疑是该原因导致增压不足,但更换涡轮增压器试车故障依旧。
仔细查看维修资料,发现此前忽视了一个细节,就是废气旁通控制电磁阀。该电磁阀的作用是根据发动机的工作情况来调整驱动涡轮的废气流量。于是在电磁阀的气源端加上真空源,然后用诊断仪驱动该电磁阀,发现气压没有任何变化。进一步试验发现即使是将电磁阀直接通电,气压仍然不变(图1),说明电磁阀根本不工作。

图1 电磁阀直接通电后的结果
拆下电磁阀测量线圈电阻,阻值为2400Ω,而正常值为24Ω。分析认为,由于电磁阀失效,涡轮增压器的气动元件(图2)无法动作,废气旁通阀一直处于关闭位置。在这种状态下,增压器很快便会进入气压激增状态,这时气压急剧增加但空气流量却迅速下降,因此发动机的输出扭矩却反而受限。不仅如此,如果长此以往还会造成涡轮轴的永久性损坏。

图2 增压器上的气动元件
故障排除
更换废气旁通控制电磁阀(图3),故障排除。

图3 旁通电磁阀的位置
故障12
关键词:插接器进水
故障现象
一辆2015年产别克君越轿车,行驶里程13万km。用户反映该车无法起动。
检查分析
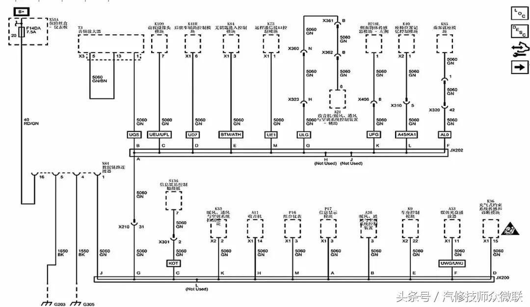
维修人员试车,发现该车起动机没有反应。查询故障码,发现存在大量通信类故障(图4),而其中车身控制单元的故障码数量最多。访问车身控制单元,发现通信故障集中在LIN总线上(图5)。

图4 故障码列表

图5 车身控制单元的故障码
查阅LIN总线的结构图(图6),可以肯定起动机没有反应与总线关闭有关。该总线为星形结构,有2个中心连接器,分别是JX200和JX202。插接器上的每一根导线都唯一对应着一个控制单元的LIN总线。

图6 总线结构图
在车上找到了JX200和JX202后,逐个断开插接器上的端子(图7),当断到JX202星形连接器G号端子时,车辆能够正常起动,且总线通讯恢复正常。

图7 逐一断开插接器上的端子
从总线结构图上看,JX202的G端子是后部音响控制单元的总线。检查发现后排座椅下面有水,插接器X361和X362都已经进水,且针脚腐蚀(图8)。

图8 进水的插接器
故障排除
清理插接器后,故障排除。
故障14
关键词:遥控器
故障现象
一辆2014年产雪佛兰科鲁兹轿车,行驶里程8万km。用户反映该车行李舱盖的遥控功能失灵,但手动功能正常。
检查分析
维修人员试车发现,该车车门的上锁、解锁遥控功能均正常。通过手动方式能够开启行李舱,说明锁电机及线路正常。用诊断仪查看车身控制单元的数据流,发现在按遥控器上的车门上锁、解锁按钮时,密钥卡1的数据有变化,这进一步说明遥控器的无线通信功能是正常的。接下来按遥控器上的行李舱盖解锁按钮时,发现所有的数据都没有变化(图9)。与正常车对比,在按此按钮时,密钥卡2的数据会变为解锁行李舱盖(图10)。由此可见是遥控器内部有问题。

图9 故障车的数据

图10 正常车的数据
故障排除
更换遥控器,试车故障排除。