
车型信息:
车型:福特福克斯
年份:2013
故障现象:雨刮器打开后无法关闭,断开电瓶重新接上后,雨刮器无法再打开。

故障排除:
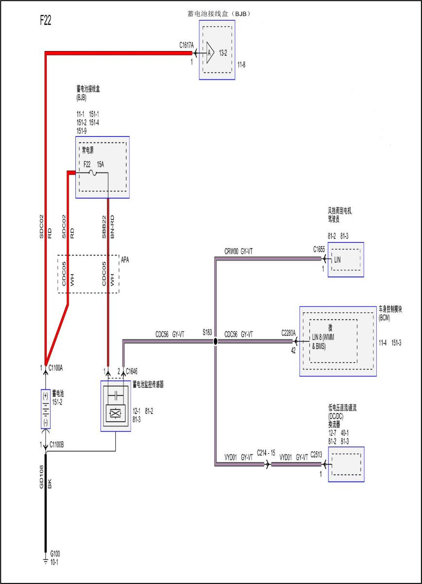
1、设备读取故障码,发现除了雨刮器故障外,前车门开关和电瓶监控传感器也存在故障,此类情况通常都是共同的线路出现问题导致的。
2、参考线路图,检查BCM、雨刮器和电瓶监控传感器、LIN线插头、线束良好,拔下电瓶监控传感器插头,测试雨刮器工作正常,确认传感器损坏。

解决方案:
更换蓄电池负极线束后,故障排除。

本文由汽修虾原创,欢迎关注,为你分享更多汽车维修实战案例!
路虎揽胜极光:仪表提示“自适应动力学系统故障”「维修案例」
本田CRV:时速80KM无法加速,发动机顿挫严重「维修案例」
宝马X5:车辆行驶中水温高,检查发现变速箱油进水「维修案例」