
一、主要功能和特点
5100TXSQL3洗扫车是集高压洗地、扫路为一体的路面保洁专用车辆,该车有扫路车和清洗车的各项优点,实现了日常作业不扬尘,路面不积水,不留尘,可适应不同污染路面的清洁要求,满足用户差异化的作业需求,可广泛应用于广场清扫、路面养护作业。
5100TXSQL3洗扫车的工作原理是:采用高压力、低流量的方式来对路面进行清洗作业。利用高压水的动能,强力去污、高效节水。工作系统设计有高压水路系统、高压离心风机动力系统和液压动力系统。
洗扫车的中置清洗装置有高压喷杆、左右两个扫盘和左右吸盘。中置高压喷杆与车的前进方向成30度夹角。高压喷杆能有效的将地面的垃圾污水收集到两侧的吸盘处,喷杆能有效的对路面的污渍进行清洗,左右两个扫盘能够有效的针对路缘石进行清洗左右,增大清洗宽度;侧喷杆针对路缘石进行清洗作业。侧喷杆能有利于吸盘对垃圾和污水的收集。清洗见附图。
5100TXSQL3洗扫车采用庆铃汽车股份有限公司QL1100TLARY型载货汽车二类底盘改装,底盘的发动机达到国Ⅲ排放标准;副发动机采用江铃汽车股份有限公司的柴油发动机,采用进口的名牌高压水泵、高压喷嘴、液压电器元件等。
二、使用须知
使用说明书和底盘使用手册随洗扫车提供给用户,认真阅读使用说明书和底盘使用手册有助于操作者加深了解和正确使用设备,以确保设备的使用寿命及安全运行。
洗扫车的设计可以保证设备在使用中具有出色的作业功能和低廉的维护费用,如果您能遵循以下注意事项,将获得令您满意的经济使用效果:
●配备专职驾驶人员并对其进行上岗的操作维护培训,培训合格后才允许操作此车;
●严格按照使用说明书和底盘使用手册的安全须知、安全操作规程和作业程序、方法、注意事项等具体要求操作设备;
●按照使用说明书和底盘使用手册的要求定期维护保养设备;
三、安全操作规程
1. 在下列情况下,禁止启动洗扫车:
●操作者没有确认车辆周围环境是否安全;
●操作者没有确认取力器是否处于分离位置;
2. 在下列情况下,禁止操纵洗扫车进行作业:
●驾驶室内底盘发动机转速表显示>1500r/min;
●驾驶室内发出低水位报警声后;
1. ●冬季水罐内的 洗扫车出厂时已经调整好液压系统中溢流阀和压力继电器的工作压力,一般情况下,禁止随意调整或重新设定。
水已结冰;
●水泵箱体内润滑油没有达到油标指示最低高度;
●液压系统、高压水路系统管路有破裂、裂缝或接头松动的。
●电控箱上发动机转速表显示>2200r/min
特别提示:
1. 禁止在辅助发动机转速>900r/min,启动各项功能。洗扫车各作业功能应在辅助发动机转速≤900r/min时启动,然后再加速到所需的作业速度。
2. 禁止快速转换各项功能,每项功能转换时间间隔应该>30S。
3. 每次启动辅助发动机时,应先将发动机转速提升到>1400r/min,待辅助发动机控制面板上的充电指示灯熄灭,报警声音停止后,方可将发动转速降至≤900r/min,启动各项作业功能。
4. 每次启动辅助发动机开始各项作业时,应将底盘的钥匙开关打至“ON”挡。
3. 操作规程
●只有熟悉洗扫车的操作保养要求,并受过专业训练的人员才允许驾驶洗扫车作业;
●驾驶及维护人员应严格执行使用说明书规定的操作注意事项和保养要求;
●洗扫车作业时应开启警灯;
●洗扫车必须按使用说明书规定完成新车磨合期后方可投入正式作业运行。
四、外形、原理及主要 技术 参数
5100TXSQL3 洗扫车采用大水罐、大扫盘、大吸盘及举升卸料等创新型上装结构设计;采用先进的闭式循环风道系统及专利技术的吸盘结构;不但降低了运行能耗,提高了吸扫作业效率,同时解决了传统扫路车作业时产生二次扬尘污染的环保问题。
1、车辆识别
产品标牌位置:洗扫车右侧副车架中部。
VIN号码位置:洗扫车驾驶室内,副驾驶座位上方。
2、100TXSQL3 洗扫车 外形结构图,如下图:

2、原理
2.1、通过辅助发动机取力,将动力传递清扫车液压系统油泵,风机,高压水泵等。再通过控制系统,即可控制高、低压水路系统中各水路的控制阀开、闭和吸扫系统的吸盘、扫盘及卸料油缸动作:
(1)高压清洗:利用高压水泵产生压力水流,经由油缸控制的球阀进行通断控制后,由喷淋架或其它喷嘴喷出,形成压力水流面,将路面的污渍清洗干净;或经过左右喷杆,清洗路缘,人行道及护栏隔离区;或到后喷淋喷雾系统,进行喷雾降尘、喷洒消毒剂、调节空气湿度;或经由喷枪(手持式喷枪),对整车进行清洗;
(2)地面吸扫:当吸盘离地间隙适当时,通过副发动机带动风机,利用扫刷以及风道中气流把垃圾、灰尘和脏水收集到吸盘的吸尘口处,靠高压风机产生的真空吸力把垃圾灰尘和脏水吸到垃圾箱,达到清洁路面的目的。
3、主要 技术 参数




4、洗扫车加油(脂)加水表


五、主要部件结构
1 传动系统
传动系统以副发动机为动力源,驱动油泵、风机、高压水泵等专用装置工作,从而实现对各作业动作的操控,进而对地面的清洗、清扫、污水垃圾回收。
副发动机通过驾驶室内的手油门拉线调节转速,怠速为750~800r/min,最高转速(不可任意调整)已在出厂时限定。
风机和高压水泵工作是通过副发动机后端取力,经由离心离合器在达到一定转速时,带动发动机后端的皮带轮转动,通过皮带传动驱动风机和高压水泵工作,风机最高转速2900r/min,相应的副发动机转速应不超过2000r/min。
2 高压水路系统
高压水路系统主要由高压水泵、气动球阀、手动球阀、喷杆架总成、扫盘喷雾压尘、后喷雾总成和喷枪等组成。由副发通过皮带传动,驱动高压水泵工作。
2.1、高压水泵
采用意大利原装进口的KEB36R高压水泵,在高压水泵工作过程中应主因保证高压水泵进水的清洁度,故需定时对进水的水过滤器进行清洗,并严禁水泵缺水运行。
高压水泵的最高转速为1450r/min,运行过程中,如发现超速报警,应及时降低副发转速。
高压水路系统中设有双重安全保护,调压阀已调定为10MPa,安全阀已调定为12MPa,严禁随意调节。
高压清洗喷嘴堵塞,应停机后对其清理,不得在高压喷水时拆装。
2.2、后喷雾
后喷雾位于清洗车后部,由喷雾管、喷嘴、等组成,见图。

应经常检查与保证各喷嘴的通畅。喷雾作业时,应开启警示灯。
2.3 左右喷杆
左右喷杆主要用于路缘的清洗作业,如需调节喷嘴对地倾角,只需将图示螺母松开,调至垂直于地面前倾30°,再将其锁紧即可,如下图:

3 扫盘系统
扫盘装置由左右扫盘装置组成,扫盘的转速分高、中、低三种,通过驾驶室内仪表可调整,右扫盘用一个油缸控制其“升、降”,右扫盘具有防震避让功能。清扫时扫盘遇到前进方向的障碍物碰撞时,可以向内收缩避让,并可自动回复工作位置。左扫盘用两个油缸控制其“升、降,伸、缩”以适应于不同的清扫宽度。

扫盘刷毛接地状况决定其清扫效果,刷毛严重磨损后,必须及时更换,刷毛触地范围必须如下图中阴影位置所示,调整方法如下:

3.1 扫盘前后倾角的调整
调整7前后倾角调节杆,使扫盘垂线向前倾斜4-6,然后锁紧调节上螺母。
3.2 扫盘左右倾角调整
松开12左右倾角调节螺栓,将扫盘外倾4-6,然后锁紧螺母。
3.3 扫盘扫刷磨损后高度调整
放下油缸,松开12左右倾角调节螺栓,保持其外倾角度不变,沿条形孔上下滑动,调节扫盘到合适高度,再将锁紧螺母拧紧。其次,再调节弹簧调节筒,调节扫地接地压力,使扫刷触地压力合适。
4 箱体结构
主清水箱固定,动力舱罩、垃圾箱体采用整体翻转的型式,能有效解决维修、保养问题。
垃圾箱体采用两侧清水箱+中间垃圾箱的布置形式,整个垃圾箱体全部采用304不锈钢制作,有效解决罐体内部防腐问题。
水罐内设有溢流水管,用以实现水罐内外的气压平衡和加水至额定容量的溢流提示。
水罐前部设有低水位报警系统,罐内水位低于正常作业水位时,报警系统就会发出声光报警,同时将水泵运行电路切断。
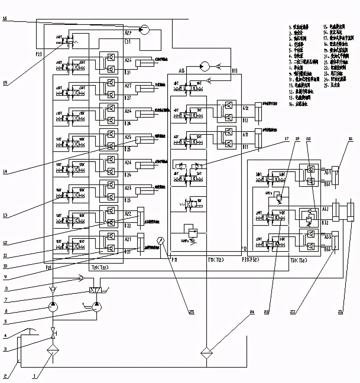
5 液压原理图

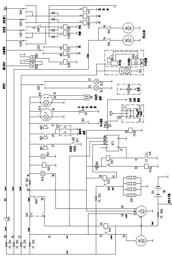
6 电气原理图


六、操作程序指南
1 电气仪表箱
多功能清扫车驾驶室内设有人性化控制作业功能的电气仪表箱及操作面板,电气仪表箱上装有指示灯、水泵、风机转速表、副发水温表、机油压力表及操纵各种作业功能的控制按钮(旋钮);操作者只需按照按钮(旋钮)标牌的功能进行操作,即可达到轻松作业的效果。
1.1 整车操作面板由三部分组成,如下图:

启动报警面板

作业控制面板

外置辅助操作面板
1.2 电控箱操作面板说明:










2 操作指南
为使清洗车达到应有的性能和延长使用寿命,新清扫车在使用初期必须进行磨合。驾驶操作人员应仔细阅读本使用说明书,并掌握本清扫车的操作和维护规定。
汽车底盘及副发动机的磨合,请用户参照汽车底盘、副发动机使用说明书的相关规定进行,并进行磨合后的保养,如清洁空气滤清器,更换机油等。
在磨合期内,发动机工作转速不得超过1500r/min,并应避免发动机骤然加速和减速。
清扫车专用工作装置的磨合,顺序为:(1)低压水路,水阀全部开启,磨合1小时;(2)高压水路,左、右角喷、后喷,磨合各1小时。(3)风机磨合,与副发动机一起进行。磨合期间,应检查各管路及接头有无松动、漏油、漏水、漏气,电气系统电磁阀、传感器等工作是否正常,有无异常振动、噪音等异常现象。
磨合后,更换液压油,并清洗油滤器、水滤器等。
2.1、出车前的检查
2.1.1、检查罐体底架联接螺栓、轮胎螺母、各紧固螺栓及销轴是否松动,检查轮胎外观及气压;
2.1.2、检查左右侧喷杆角度是否正常;
2.1.3、检查吸盘位置是否正常。在出车前和行驶中,吸盘应处于最高提升位置;
2.1.4、检查吸盘底部胶皮是否破裂。
2.1.5、检查风机皮带是否张紧;
2.1.6、检查低压水泵进水球阀是否打开;
2.1.7、检查液压油油位是否显示在液压油油箱上的液位计内;
2.1.8、检查液压油油箱出油阀是否打开;
2.1.9、检查垃圾箱门是否关闭;
2.1.10、检查高压水泵的油杯内润滑油是否达到指示最低高度。
2.1.11、检查整车有无漏油、漏水、漏气现象;
2.1.12、检查燃油、冷却水、润滑油及制动液是否正常;
2.1.13、检查水罐内水位是否满足作业需求;
2.1.14、检查驾驶室内电控箱面板上各电控按钮和旋钮是否置于中位或关停位;
2.1.15、检查驾驶室仪表板上的取力器按钮是否处于分离位置;
2.1.16、检查清扫车周围和底盘下有无影响安全的障碍物和人员;
2.2、启动
2.2.1、接通底盘左边蓄电池的24V电源开关;
方法:
把蓄电池红色电源旋钮由水平位置(电源关闭状态)旋转到垂直位置(电源接通状态)。
2.2.2、确认变速箱操纵杆处于空挡位置,启动发动机。观察其运转是否正常;查看汽车仪表、气压、灯光、行车制动、手制动是否正常;
方法:按底盘使用手册要求的方法。
七、设备维护
用户应按本章规定的保养周期和保养项目,对清扫车进行定期保养,以充分发挥清扫车的技术性能和效益,延长使用寿命,保养周期如下:
例行保养―――每日作业后进行;
一级保养―――每作业50小时进行;
二级保养―――每作业250小时进行;
三级保养―――每作业1000小时进行。
注意:由于清扫车作业时的行驶速度大大低于普通载货汽车,因此其各级保养周期以实际作业小时数划分,用户应建立每台车的使用、保养和维修记录,定期进行维护保养,并可根据用户所在地区的实际使用条件,适当的缩短各级保养周期。
1、例行保养———每日作业后进行;
例行保养是各级保养的基础,以清洁、检查为重点。
1.1、冲洗垃圾箱内部及滤网、垃圾箱后门密封处、吸管内部、车身等,保持车整洁。
1.2、检查垃圾箱内部滤网、吸管及吸盘有无堵塞现象,如有堵塞需及时清除堵塞物。
1.3、检查主、副发动机冷却液及机油液位,如达不到规定要求则必须加至规定要求。
1.4、启动发动机,听其运转是否正常;检查汽车仪表、灯光、行车制动器、驻车制动器是否正常。
1.5、检查副发动机与风机间传动皮带张紧是否正常,启动副发动机,听其运转是否正常,同时观察风机运转是否正常。
1.6、检查整车及高、低压水路系统运行情况,有无漏水、漏油、漏气现象。
1.7、检查液压系统油位、油质是否正常,系统管路、接头有无破损、漏油、漏气现象。
1.8、检查电控箱面板上各开关旋钮、按钮、表、指示灯的操作、指示是否正常。
1.9、检查轮胎螺栓是否松动,轮胎气压是否正常。
1.10、检查吸盘离地间隙是否正常,扫刷接地情况是否正常。
1.11、检查并清洁主、副发动机空气滤清器。
1.12、检查及疏通各喷嘴(后喷雾嘴内部有滤芯,应拆开清洗);
1.13、检查液压系统橡胶油管、高压水路橡胶水管有无破损,若有破损,应立即进行更换。
2、一级保养———每作业50小时进行;
一级保养以润滑、紧固为重点,除执行例行保养项目外,还需增加以下项目:
2.1、检查所有的螺纹联接,保证联接牢固。
2.2、清洁主、副发动机空气滤清器及水滤清器;检查主、副发动机机油液面及油品是否变质或杂质含量是否正常,否则应更换。
2.3、风机、离合器、液压泵、高、低压水泵、张紧轮、各油缸铰耳等各加油点(如轴承座)加注润滑脂、润滑油到规定要求。
2.4、检查垃圾箱、吸嘴、风机接口等密封件有无损坏,如有则应更换。
2.5、主、副发动机及底盘车总成、风机按底盘及主、副发动机,风机使用说明书中规定的一级保养内容进行。
3、二级保养―――每作业250小时进行;
二级保养以检查、调整为重点,同时执行一级保养的全部内容。
3.1、清洗液压系统滤芯、检查回油滤芯,必要时予以更换。
3.2、检查空气滤清器滤芯及进气有无漏气及损坏,必要时更换。
3.3、高、低压水泵按其说明书要求,更换润滑油,同时检测其技术状况。
3.4、检查调整各传动皮带的张紧及磨损情况,检查气力输送系统各橡胶密封件是否正常,必要时加以更换。
3.5、主、副发动机及底盘车总成、风机按底盘及主、副发动机,风机使用说明书中规定的二级保养内容进行。
4、三级保养―――每作业1000小时进行。
以部分总解体、检查、调整和消除隐患为重点,同时执行例行、一、二级保养的全部内容。
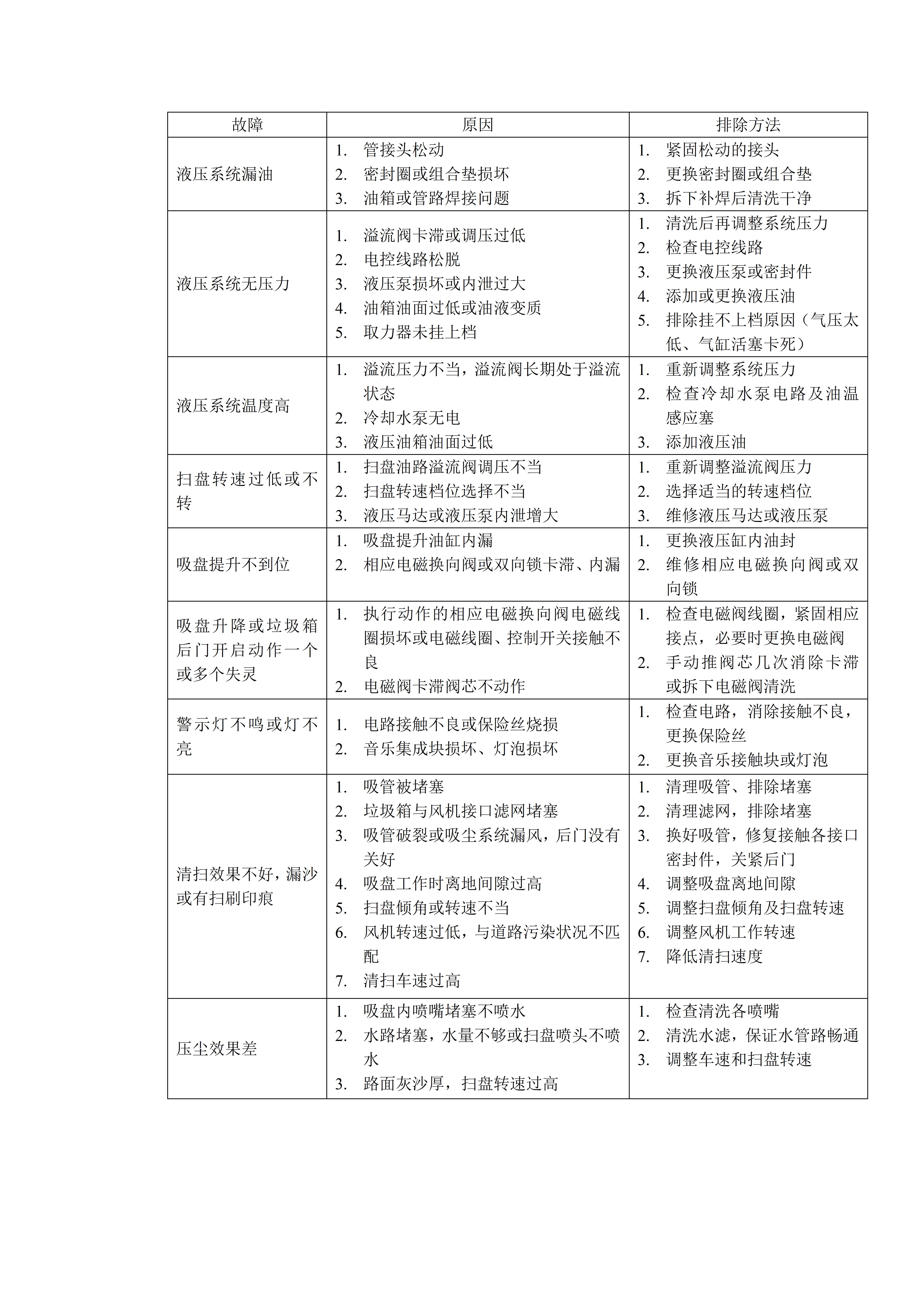
八、故障排除指南

