



加工变形的原因
材料本身会有应力,电火花线切割加工打破了材料原有应力的平衡状态,通过变形来恢复平衡。因为材料的应力是不一样的,所以电火花线切割加工后材料的变形也会有大有小。这如同一根竹片中间劈开,两半都弯,大半弯得少,小半弯得多。在电火花线切割加工中,材料难免会有变形,如果变形非常小,在加工要求的精度范围以内,这种变形几乎可以忽略不计,但如果变形超出了加工精度要求,会使尺寸出现明显偏差,影响工件的加工形状。
电火花线切割加工的变形大小与工件的结构有关系。窄长形状的凹模、凸模易产生变形,其变形的大小与形状复杂程度、长宽比等有关系;壁厚较薄的工件容易产生变形。
造成变形的原因是多方面的,譬如,材料问题、热处理问题、结构设计问题、工艺安排问题及线切割时工件的装夹和切割路径选择问题等等。这些多方面的原因将导致材料内部应力作用发生变形。电火花线切割加工因应力作用对工件形状的影响如下表1所示。

表1 热应力作用对工件形状的影响

加工变形的预防措施
可以采取一定的措施对电火花线切割加工的变形予以控制,防止变形现象的发生。
1
安排合理的加工工艺
钢材料工件的加工路线一般是:下料→锻造→退火→机械粗加工→淬火与回火→磨加工→电火花线切割加工→钳工修整。因为应力是材料内固有的,随强度和硬度的提高而加大。所以材料在淬火工艺环节,内部残余应力会显著地增加,材料会发生较大变形,并达到应力平衡状态。因为淬火前对加工部位进行了机械切削加工,大量的加工余量和废料在淬火前就去掉了,淬火后电火花线切割加工去除的是达成应力平衡一小部分材料。这样因电火花线切割加工造成的变形就会很小。另外要改进热处理工艺,主要是改进回火工艺以降低工件内应力。
2
切割前的粗加工或应力释放切割
上面提到了通过在淬火前要对材料进行机械粗加工,在电火花线切割加工中因为切割余量小而变形较小。如果在淬火前没有进行机械粗加工,需要在一块淬硬的材料上进行大面积切割,会使材料内部残余应力的相对平衡状态受到破坏,材料会产生很大的变形。我们可以先消除材料的大部分应力,办法是进行粗加工(粗加工),把大部分的余量先去掉,或者是进行释放应力的路径切割。对于大件凹模的电火花线切割加工,可以做两次主切,先将主切的偏移量加大单边0.1—0.2㎜进行第一次主切,让其应力释放,再用标准偏移量进行第二次主切。
如图1所示,拿到一个形状已很接近最终工件,已不具有很大变形能力的新的毛坏,如果再附以高低温的时效处理,材料变形就可算是彻底解决了。

图1 进行粗加工减少变形
如图2所示,对于长的狭窄外形,先在此型孔内部进行释放应力的路径切割,再加工型孔外形。

图2 释放应力切割
3
加工穿丝孔
切割凸模时,如果不加工穿丝孔,直接从材料外切入,如图3(a),因材料应力不平衡产生变形,会产生张口变形或闭口变形。可在材料上加工穿丝孔,进行封闭的轮廓加工,如图3(b)可明显减少电火花线切割加工带来的变形。

(a)变形较大(b)变形较小
图3 加工穿丝孔减少变形
4
优化加工路径
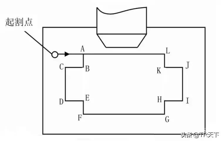
一般情况下,最好将加工起割点安排在靠近夹持端,将工件与其夹持部分分离的切割段安排在加工路径的末端,将暂停点设在靠近坯件夹持端部位。一些加工中由于加工路径安排不合理,也是造成电火花线切割加工变形的原因。如图4所示,比较合理的加工路径是:A→B→C→D……→A。如果按照顺时针方向:A→L→K→J……→A,由于切割开始就将工件与夹持部分切断,加工到程序的末段时,凸模的切割精度直接受到夹持不可靠因素的影响。

图4 加工路径的安排
5
多次切割
有的工件在采取某些措施后,仍有一些变形,为了满足工件的精度要求,可改变一次切割到尺寸的传统习惯,采用多次切割的方法。数控高速走丝电火花线切割加工采用多次切割方法,主要是为了达到更佳的表面粗糙度,但采用多次切割方法对减少因应力问题带来的模具零件变形有很重要的实际意义。
6
多型孔凹模板加工工艺优化
在线切割加工前,模板已进行了冷加工、热加工,内部已产生了较大的残留应力,而残留应力是一个相对平衡的应力系统,在线切割去除大量废料时,应力随着平衡遭到破坏而释放出来。因此,模板在线切割加工时,随着原有内应力的作用及火花放电所产生的加工热应力的影响,将产生不定向、无规则的变形,使后面的切割吃刀量厚薄不均,影响了加工质量和加工精度。针对此种情况,对精度要求比较高的模板,在多次切割加工中。第1次切割将所有型孔的废料切掉,取出废料后,再由机床的自动移位功能,依次完成型孔的修切:a切割第1次,取废料→b切割第1次,取废料→c切割第1次,取废料→……→n切割第1次,取废料→a修切→b修切→……→n修切,加工完毕。这种切割方式能使每个型孔加工后有足够的时间释放内应力,能将各个型孔因加工顺序不同而产生的相互影响、微量变形降低到最小程度,较好地保证模板的加工尺寸精度。但是这样加工穿丝次数多,工作量较大,更适合于带有自动穿丝机构的数控低速走丝电火花线切割机床。这样切割完后经测量,形位尺寸基本符合要求。
7
设置多段暂留量
大型、复杂形状的工件加工情况,应设置两处或以上的暂留量,设置多个起割点,如所图5示。编程时以开放形状的方式加工,编程前先把图形分解成多段,并分别串接起来,加工时先加工轮廓,最后加工暂留量部分。