开关机械特性试验点:分31,32 合10,20 储能9,19 ,FC开关所谓的储能,其实不是储能,因为FC开关没有储能,合闸不需要储能,所谓储能,即是给分合闸线圈两端提供电源的端口(直流110V)
分合闸线圈阻值(合闸线圈HQ(双线圈并一起的):15Ω左右,分闸线圈TQ:13Ω左右)
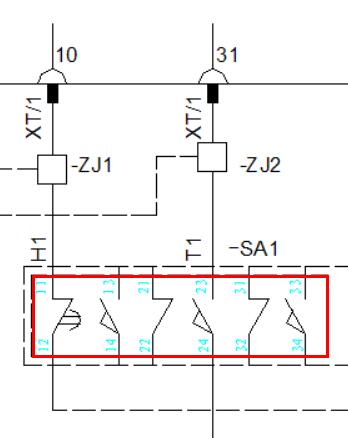
分合闸继电器线圈阻值(ZJ1、ZJ2线圈约130Ω左右)
开关交流耐压:试验电压32KV,工频耐受时间:1分钟(FC开关额定电压为7.2KV,根据规程 断口及整体对地试验电压均为32KV)
FC开关接触电阻:300微欧以内(出厂不大于200微欧,仅供参考,根据不同厂家型号开关而异)
开关机械特性规程:分、合闸同期性不大于2毫秒,合闸时间不大于160毫秒,分闸时间不大于130毫秒。

FC开关

FC开关原理图

FC开关原理图



辅助开关SA2、SA3

辅助开关SA2

辅助开关SA3

辅助开关SA1

注释









分合闸继电器铭牌




拆的话,用8个内六角

8个内六角

真空包




辅助开关SA1


欢迎交流讨论