SINAMICS S120变频器除了传统的工业传动应用之外,在新能源领域也有广泛应用,例如光伏、储能、风电、岸电等应用。在上述应用中,有源整流模块(ALM: Active Line Module)是连接直流源与交流电网、实现能量变换的变流器。
1.1变压器等效电路模型
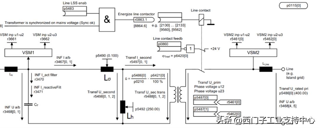
为了实现电气隔离、电压变换等功能,在ALM接入电网时,一般会配置变压器。为通过ALM对变压器上的电压降进行补偿,以及对孤岛电网的电压进行闭环控制,需要将变压器的等效电路参数考虑在内。ALM采用的电网变压器等效电路模型如下图所示:

<图1-1 电网变压器等效电路模型>
1.2变压器等效电路参数
变压器的基本参数可以通过生产商获取,ALM的电网变压器功能模块也集成了变压器参数自动辨识的功能。该功能自动辨识如下变压器参数:
- 励磁电感
- 漏电感
- 电压变比调整系数
- 移相角度
励磁电感如图1-1中Lh所示。
漏电感如图1-1中Lσ所示。
电压变比即变压器高压侧电压和低压侧电压的比值。参数辨识功能可以在预先输入的电压变比基础上,辨识得到一个百分比调整系数。该调整系数乘以变比即得到实际电压变比。
移相角度即变压器二次侧电压矢量和对应一次侧电压矢量相差的角度。不同的变压器联结组具有不同的移相角度。
三相变压器的联结为一次侧或二次侧的绕组支路连接而成的星形、三角形或曲折联结。联结组表示的是变压器的两个绕组支路的联结,以及电压矢量的相位特性参数。这些联结用以下字母表示:
- 星形联结:Y, y
- 三角形联结:D, d
- 曲折联结:Z, z
大写字母表示一次侧绕组的联结,小写字母表示二次侧绕组的联结。
若将星形或曲折联结中绕组的中性点引出,则相应表示为YN 或 ZN,以及 yn 或 zn。常用联结组 Yy0 (Yy6)、Yz5 (Yz11)、Dy5 (Dy11)的相量图和绕组连接如下图所示:

<图1-2 常用联结组向量图和绕组连接>
2.变压器参数辨识步骤
将参数p5480设置为不同的值,可以激活变压器各个等效参数的自动辨识:
- p5480=11: 激活励磁电感辨识
- p5480=12: 激活移相角度和电压变比调整系数辨识
- p5480=13: 激活漏电感辨识
为保证并网安全,自动辨识得到的变压器参数并不会直接写入相关参数中,而是暂存于下述r参数中,待确认后手动写入相关p参数中。
- 励磁电感:r5491→p5492
- 移相角度:r6440→p6420[0]
- 电压变比调整系数:r6441→p6421[0]
- 漏电感:r5489→p5490
变压器参数辨识步骤如下:
- 执行测量前,首先通过名牌获取变压器的基本参数,包括一次侧电压和二次侧电压,以及联结组号。
- 必须输入变压器的一次侧电压(p5486[0])和二次侧电压(p210)的额定值,以及输入联结组号对应的移相角度(p6420[0])。即使是对移相角度进行测量,也必须先在 p6420[0] 中输入尽可能准确的值。例如,针对 Dyn5 类型的变压器,必须在 p6420[0] 中输入 -150°的值。
- 给ALM直流母线供电。
- 设置p5480=11/12/13,ALM报警A6401(细分代码11/12/13). p5480=13时,A6400也会报出(p3540=1).
- 启动ALM,开始自动辨识。p5480=11时设备不会自动合并网接触器。p5480=12/13时,设备会自动合并网接触器,测量完成之后自动分闸,停机。
- 测量完成后相应r参数会显示测量值。
- 手动将p5480改回原来的值。
- 手动将辨识得到的参数写入p5490、p5492、p6420[0]、p6421[0]等参数(需要进入快速调试模式:p10=1)。
3.变压器参数辨识功能实测
测试设备主回路及Drive-CliQ拓扑如下图所示:

<图3-1 测试设备主回路及Drive-CliQ拓扑>
其中电网变压器的名牌参数如下:
- 电压变比:400V/300V
- 联结组号:Dy11
变压器参数自动辨识得到的等效电路参数值见下图中的r参数:

<图3-2 变压器参数辨识相关参数>
将辨识参数手动写入实际生效的相关p参数中,通过trace曲线查看并网前同步过程中一次侧和二次侧电压瞬时值,并对比未采用自动辨识的变压器参数时的并网同步过程。通过两幅trace曲线的对比,可以看出采用自动辨识得到的变压器参数后,并网同步过程中变压器两侧的电压幅值更加接近,这样可以实现更小的并网冲击电流。
辨识前同步合闸时变压器两端电压幅值差约为14.89V,如下图所示:

<图3-3 辨识前同步合闸时变压器两端电压差>
辨识后同步合闸时变压器两端电压幅值差约为9.51V,如下图所示:

<图3-4 辨识后同步合闸时变压器两端电压差>
欢迎访问西门子工业支持中心平台「链接」 获取更多信息。
为您推荐:
PLC 工程师需要了解的几个 SCL 实用小技巧(热门推荐)
V18 V90 HSP新功能介绍