案例背景
Case background

某产品的端子在PCBA组装完成后约24小时,端子轻微受力后发生掉落,经分析,判断该种失效问题与端子镀层合金化存在关联。
分析过程
Analysis process
剥离面特征分析(PCB侧)
1.外观分析
PCB侧端子脱落后的剥离面外观特征:

说明:该PCB板为陶瓷板。PCB侧端子脱落后的剥离面外观特征:表面平整、细腻,无应力齿纹痕迹。
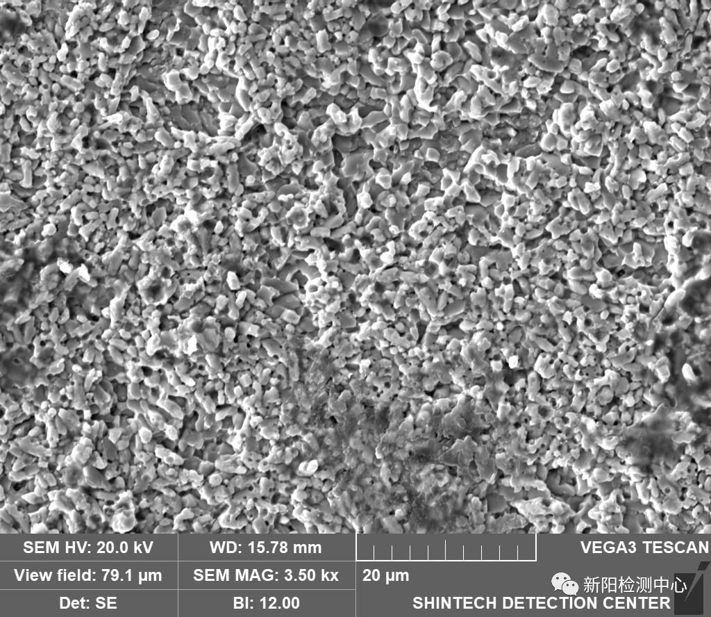
2.SEM分析
PCB侧端子脱落后的剥离面表面形貌特征:

说明:根据PCB侧端子脱落后的剥离面SEM分析可见,其表面平整、无应力断裂痕迹,且表面呈现蜂窝状及晶片状结构。
3.EDS成分分析
PCB侧端子脱落后的剥离面的成分分析


4.切片断面分析
脱落点PCB侧的切片断面分析:

说明:PCB侧脱落点切片断面分析如上图示,其特征为断面平整,焊锡与PCB焊盘相连,PCB侧IMC层连续,剥离面有明显的IMC残留。
脱落点PCB侧的切片断面EDS分析


说明:剥离面有明显的IMC残留,其主要成分为Cu、Sn,以及少量的Ni,Cu、Sn的质量比约为40:60。按其质量百分比计算,为Cu6Sn5合金。
剥离面特征分析(端子侧)
1.外观分析
脱落的端子侧剥离面外观特征:

说明:脱落端子的剥离面外观特征:表面平整、细腻,无应力齿纹痕迹,与PCB侧特征相符合。
2.SEM分析
SEM表面特征分析:

说明:如图所示,脱落端子的剥离面表面平整,无应力损伤痕迹。其微观结构呈絮状,与PCB侧的蜂窝状形貌相对应。
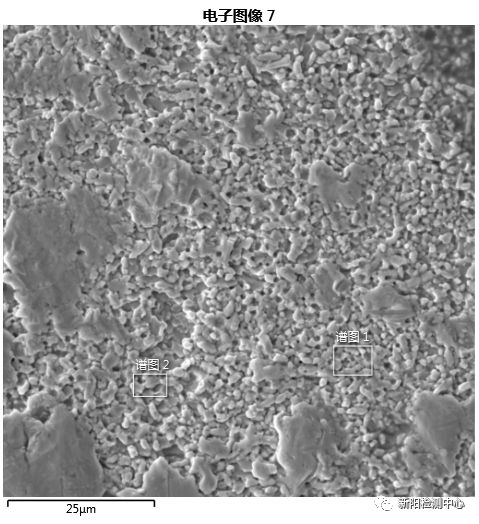
3.EDS成分分析
脱落端子剥离面的成分分析


4.切片断面分析
端子的切片断面分析:

说明:根据端子切片断面分析可见,端子焊锡面仅有IMC层附着。
端子的 焊锡面切片断面分析

说明:端子切片断面分析,端子焊锡面仅有IMC层附着。
脱落端子的切片断面成分分析


说明:端子镀层主要成分Sn、Cu为主,整体呈现为Cu6Sn5合金。
端子未脱落点的切片断面分析

说明:针对未脱落端子的切片分析可知,整体焊接状态良好,端子侧IMC层厚度2.32μm,与脱落端子残留的IMC厚度相近。
未使用的端子的分析
1.切片断面分析
端子的切片断面分析:

说明:针对未使用端子的切片分析发现,焊接面端子镀层厚度均在1μm以下。从其状态判断,镀层已经合金化(IMC外露)。
2.EDS成分分析
端子断面的成分分析


说明:未使用端子EDS分析,镀层主要成分为Cu、Sn,Cu、Sn的质量比约为40:60。
分析结果
Analysis results
原因分析
端子镀层合金化(Cu6Sn5合金),使其可焊性降低。在常规条件下,进行SMT回流焊时,由于热量不足以让焊锡与端子镀层完全融合,故在端子的镀层与焊锡之间形成虚焊,导致了在后续的组装过程中,碰触端子便发生脱落的情况发生。
改善建议
1.针对端子镀层合金化的问题,建议增加端子镀层厚度。除合金化部分以外,需有焊锡覆盖。
2.在现有回流条件中,即板面最高温度243℃(端子位置的温度未知),建议如下:
-
对端子位置的温度进行监测,取得实测值;
-
由于陶瓷板本身热容较高,端子散热较快,对端子位置的温度实测值建议在245℃-250℃之间,220℃以上时间70s左右。
新阳检测中心有话说:本篇文章介绍了端子脱落失效分析。如需转载本篇文章,后台私信获取授权即可。若未经授权转载,我们将依法维护法定权利。原创不易,感谢支持!
新阳检测中心将继续分享关于PCB/PCBA、汽车电子及相关电子元器件失效分析、可靠性评价、真伪鉴别等方面的专业知识,点击关注获取更多知识分享与资讯信息。