摘要:由于 J519 到 J293 的供电线束断路,导致新捷达空调有时不制冷。
故障现象: 新捷达空调有时不制冷,刚打开空调,空调不制冷; 当发动机水温升高散热风扇运转时,空调制冷正常;当水温下降风扇停转,空调不制冷。
故障诊断过程:
一 检查用制冷剂回收充注机检查制冷剂含量,制冷剂含量正常。
二 启动发动机打开空调,空调制冷不工作。检查电磁离合器不吸合,压缩机不工作;风扇运转时,压缩机工作。
三 用万用表检查压缩机的供电与搭铁线路,没有供电, 搭铁正常。

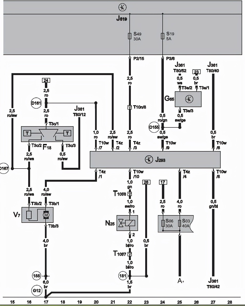
四 根据电路图分析故障点: J519(S49)、 风扇控制器 J293、 J519 到风扇控制器 J293 线束、 风扇控制器 J293 到压缩机 N25
五 检查 J519,检查保险丝 S49 正常,用万用表检查保险丝 S49 供电正常。
检查风扇控制器 J293,更换新风扇控制器 J293,故障依旧。检查 J519 到风扇控制器 J293 线束,发现红色供电线断路。处理线束,电磁离合吸合,空调制冷正常。


故障原因分析: 由于 J519 到风扇控制器 J293 线束供电线断路, 引起空调电磁离合器不吸合。当水温上升, J519 给风扇控制器信号,风扇运转,同时风扇控制器给空调电磁离合器供电,电磁离合器吸合,空调制冷。
故障处理方法: 处理J519到风扇控制器J293供电线束。
案例点评及建议: 在遇到空调不制冷故障时, 首先检查制冷剂含量, 再根据电路原理图一步一步排查,最终找出故障并解决问题。