俗话说买车容易养车难,它到底难在哪里?
上次发布了《福睿斯改邪归正,小改款会有怎样的惊喜?》后,有几名车主朋友跟我私信,这车保养费用如何?这车按照什么样的保养周期来进行?为此,小编翻阅了福睿斯的保养手册以及相关4S店的保养费用建议,以下供大家参考。

不了解保养费用的,不知道发动机多少公里换油的,不清楚皮带啥时候更换的,不晓得是不是应该清洗零部件的,不要发愁,看了这篇文章,你就全知道了!
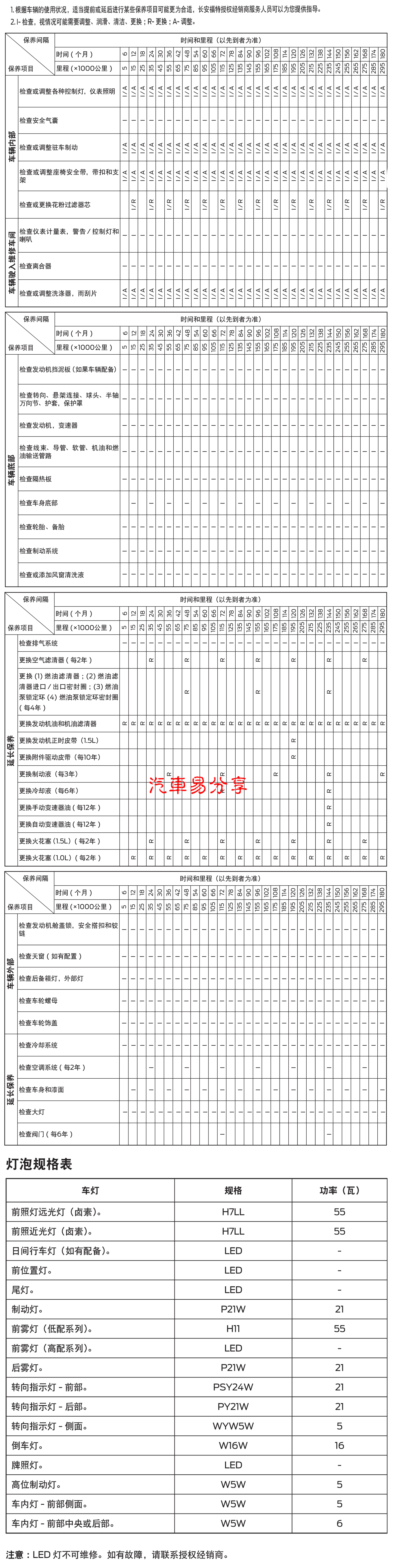
关于保养周期
直接看图吧(本图片可以保存,留作以后随时查看)

关于清洗项目的时间周期
以发动机为例,发动机运转会产生积碳和油泥这个就不用解释了,而这些积碳和油泥会直接影响车辆的动力和油耗,而此时我们往往会被迫产生清洗的念头,觉得换机油之前清洗一下,但实际上不经过长时间的积累,是不会产生大量积碳和油泥的,要根据自己的驾驶和时间周期来进行,每次保养都要清洗反而会干扰发动机的正常运转。
通常情况下,4S店会建议10000公里一次,这无非是为了获取利润的说辞,小编给的建议是40000公里时进行一次即可,以后可以20000公里一次甚至更久。其他的清洗项目同理,没有必要频繁清洗,20000-40000公里的清洗周期都是没问题的。当然,有钱任性的车主朋友,节气门、喷油嘴、空气进气道以及空调进气道等你要想10000公里一次也是可以的。以下是某福特经销商店铺的清洗建议,仅供参考(空调进气道的空气会直接进入驾驶证,也就是开车期间我们呼吸的空气,大部分都是这个管道进来的,频繁清洗保持干净是有必要的)。

关于保养费用
保养费用往往后成为购车的一项考虑因素,那么福睿斯这台车的保养费用到底如何呢?以下数据来源于某福特4S店,仅供参考。

以上的数据显示价格不算太高,合计近6000元(没有单独计算每次保养的价格,自己和自行选择计算)当然也不算很低,为了保证全面性,小编又查看了相关优惠网站(数据来源于途虎养车,合计费用近4000元),下面数据也供各位车主朋友参考。

综合以上的所有知识点,是否对于你的爱车保养有了一定了解呢?最后,对上述知识点存在不同看法的小伙伴欢迎踊跃互动,想了解更多知识点的也可以私信哦,小编会随机抽取回答大家的问题。