本文介绍了一种Altium Designer原理图转OrCAD Capture16.6的方法。
软件版本说明:
Altium designer 版本为Build 8.3.0.16776
Orcad Capture版本为16.6,补丁版本为 Hotfix_SPB16.60.114_wint_1of1
01
Altium Designer文件准备
1. 用AD打开原理图,执行菜单命令:File->New->Project->PCB Project,新建工程项目
2. 然后鼠标点在"Source Documents"上并按住鼠标,将原理图拖入到新建的工程里面去
3. 编译工程(右键点击项目->Compile PCB Project)

4. 然后鼠标点中工程项目中的原理图,再执行菜单命令:File->Save as,选择“Advanced Schematic ascii(*.SchDoc)”将原理图另存为ascii格式(如果工程项目中有多页原理图就逐个选中后另存一下),如另存为0.SchDoc

5. 然后继续执行菜单File->Save Project As,保存工程文件,如另存为PCB_Project1.PrjPCB。将将0.SchDoc和PCB_Project1.PrjPCB放在同一目录下。

02
转换
1. 打开OrCAD Capture,执行菜单命令:File->Import Schematic,打开转换器
2.选择Altium工程文件
3. 选择输出目录
4. 点击Translate开始转换

5. 目录下生成两个文件,一个是原理图文件,一个是库文件

03
检查
打开OrCAD原理图与Alitum 原理图,对比检查。

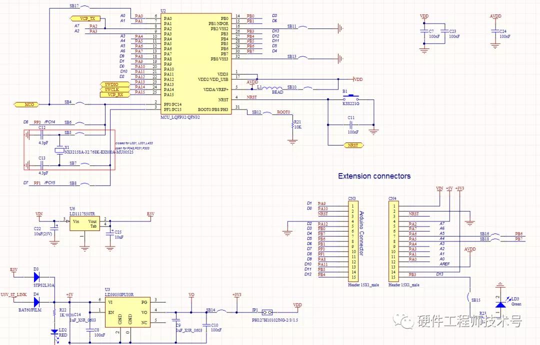
▲Altium Designer原理图

▲OrCAD Capture原理图
---END---

硬件工程师技术号 汽车电子硬件工程师的技术积累38篇原创内容
公众号