凯邦电机隶属格力电器全资子公司,专注于电机产品研发与制造近20载,致力于为全球消费者提供技术领先、品质卓越的电机产品。现拥有珠海、合肥、重庆、郑州四大生产制造基地,其中包括一大批素质优秀、经验丰富的研发和管理人才。年产量、产值已跻身全国同行业前列。
永磁同步驱动电机的应用
在全球节能减碳的大趋势下,发展新能源汽车成为共识,工信部、发改委印发的《汽车产业中长期发展规划》中指出2025年新能源汽车年产量将达700万辆,主驱电机市场规模将至少达到1400亿 ,具有极大的市场潜力。但车用主驱电机工作环境恶劣、工况复杂多变,振动冲击大,客户对电机高防护等级、低能耗、高功率密度、低噪等有强烈诉求。 面对汽车电动化和节能减排的趋势,凯邦电机推出的各系列永磁同步电机,可为电动公交车、通勤车、物流车和工程机械客户提供更具针对性的解决方案。




凯邦永磁同步驱动电机的优势
一、超高转矩密度、低能耗: 采用高磁阻转矩V型转子结构,运用迭代法确定磁钢排布,电机有效转矩密度达19N.m/kg,超过行业先进水平。区域转速匹配技术,实现电机最高效率96.7%,高效区占比达90%,远超国家十三五规划的80%。 二、全工况噪声抑制技术: 激振力降频、传函减震及车桥固频避让的组合降噪技术,解决行业整车起步存在啸叫噪声的难题。基于该技术,电机全工况最大噪声72db,且较行业标准低8db。 三、综合热管理技术: 转子磁极修形技术和最优齿,轭部磁密配比技术,电机谐波含量低至2.1%,最大限度降低电机损耗,从而降低电机热源密度。 三、高防护等级: 满足IP68、IP69(可定制)。



凯邦永磁同步驱动电机型谱
目前凯邦电机通过不同应用场合需求,推出了新能源商用车驱动电机、物流车驱动电机、工程机械类电机等系列产品,并在国内客户端得到广泛应用。产品应用于5.9~18m商用车,额定功率覆盖60~120kw;应用于2.5~4.5吨物流车,额定功率覆盖40~60kw;支持定制化开发。

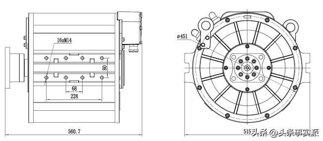
产品型谱举例


★


永磁同步驱动电机应用案例
P2+核酸检测车搭载我司10.5m电机,采用智能防控系统、智能复合电能供给、电控空气悬挂等技术,能适应各种路况增加车身稳定性和安全性;满足在实验状态时的使用安全,在遇到突发状况时迅速灵活移动至各地,及时开展采集、检测等工作;目前已服务于广州、香港、成都、珠海、芜湖、长沙、黑河、赣州、马鞍山、西咸新区等多地日常防控工作。
