随着空调系统的应用、各种合成建材的使用、现代办公设备的普及、建筑密闭性的提高以及为了节能或降低造价而尽可能减少新风量等原因,室内产生的有害气体和生物污染物、PM2.5细颗粒物等得不到合理稀释和置换。健康、节能、简洁、可靠的新风设备成为暖通工程师和用户普遍关注的焦点。天加换气扇(新风除霾机)的研制成功使上述难题得到有效解决。换气扇(新风除霾机)采用正压式将室外空气经过高效滤网捕捉微小颗粒物,为室内补充净化处理后的新鲜富氧空气。新技术、新材料及独特的加工工艺的应用,使整机具有能耗低、性能优、噪声低、易安装等特点。
主要特点:
1. 引入新风功能
采用正压方式将室外的新鲜富氧空气送入室内。
2. 空气净化功能
采用低阻力过滤网,滤网对0.3μm以上颗粒物过滤效率>99%。
3. 超静音
优化的气流通道、低噪声风机,实现噪声38dB(A)以下。
4. 低能耗
精选低能耗离心风机,低档24小时运行仅耗0.7度电。
5. 美观大方
面板美观大方,增强装修美感、提升装修档次。
6. 使用、维护便利
面板与检修口一体,易拆、易安装,过滤网更换便捷、易操作。
7. 超薄设计
主机轻薄设计,净高221mm,体积小巧,适合家用吊顶空间。

换气扇(新风除霾机)外观图

控制器
基础款——双控开关
1) 开/关机
OFF:机组关机
ON :机组开机
2) 风速调节
LOW: 机组以低档运行
HIGH:机组以高档运行

升级版——液晶控制器
1) 开/关机
按下电源键,机组将会启动。
再一次按下电源键,机组将会停止。
2) 风速调节
每一次按下风速调节键时,风机速度
按低速 高速 低速循环运行。

3) 自动模式
按下自动模式键,机组将会根据室内二氧化碳浓度进行风机的启停、风速调节。
CO2≤500ppm,风机不启动;500<CO2≤700 ppm,运行低速;CO2>700ppm,运行高速。
4) 滤网复位
当液晶屏上滤网图标显示更换时,更换完滤网后,按下滤网复位键,相应的滤网寿命计时清零。
5)定时开关、时间调整
定时开关机使用倒计时的方式进行定时。在开机状态下,点击定时开关,显示02:00,默认为2小时关机;再按一次定时开关小时数码管闪烁,然后单击时间调整,从2-24-2依次往上循环小时,长按则3倍加速调整;再次点击定时开关或者闪烁5秒,切换到分钟数码管闪烁,然后单击时间调整,从0-59-0依次往上加分钟,长按则3倍加速调整;再次点击定时开关或者闪烁5秒,定时关机设定完成。
同样在关机状态下,也采用此种方式进行定时开机。定时设定完成后,数码管以倒计时的形式显示剩余时间。
长按定时键3秒,取消当前所设定时。同样使用电源按键开机关机一次也会取消定时
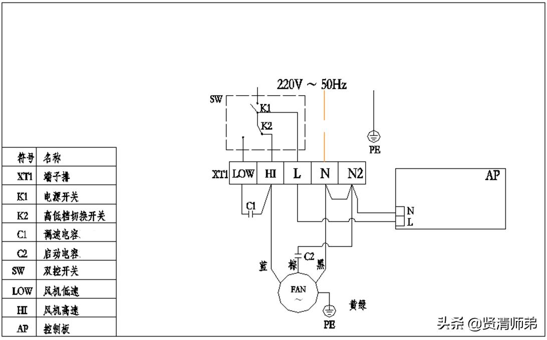
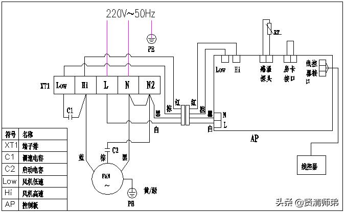
电器原理图
基础版电器原理图

双控开关电器原理图

升级版电器原理图
