1.相关知识 1.相关公式

2.小灯泡实际亮度由实际电功率决定
3.在不考虑温度因素时,由小灯泡任意两个参数可求另外两个参数
2.特点
公式一常常结合电能表出题,公式二应用最普遍,公式二、三在计算题中需要写出结合欧姆定律推导过程,公式三常用在串联电路中,公式四常用在并联电路中

3.常见题型分类
(一)根据额定功率求实际功率来比较亮度
例1.如图所示,将标有“8 V 8 W"的灯泡L 1和“8 V 16 W"的灯泡L 2接在12 V的电路中,闭合开关,不考虑温度对灯丝电阻的影响,下列说法中正确的是
A.灯泡L 1、L 2都能正常发光
B.灯泡L 1、L 2一样亮
C.灯泡L 2比灯泡L 1亮
D.灯泡L 1比灯泡L 2亮

例2.如图所示,将标有“12V 6W”的灯泡L1和“6V 6W”的灯泡L2并联后,接在6V的电源上(设灯丝电阻不变),则( )
A.两灯的实际功率之和等于12W
B.两灯的实际功率之和大于12W
C.灯泡L1比灯泡L2亮
D.灯泡L2比灯泡L1亮

(二)功率定义式
例1.实际电压为220伏的电热水器,当只给它通电10分钟时,电能表的示数增加了0.2度,求:
(1)它的功率是多少千瓦?
(2)它的电阻是多少欧?
解析:已知电能表示数可用公式一,知道电压和功率可求电阻
解:由题意得W=0.2kw,t=10min=1/6 h
P=W/t=0.2kw/(1/6 h)=1.2kw
由I=U/R及 P=UI 得 R=U2/P=220×220/1200Ω=40.33Ω
例2.为测量某电热杯的电功率,小明同学把家中其余用电器均从电源上断开,只将该电热杯接入电路.观察电能表,发现在1min内电能表转盘转动15圈.电能表的部分技术参数如右表所示,该电热杯的电功率是

A.300WB.30WC.150WD.200W
(三)根据电表参数求P-I-U-R的范围
例1.在如图所示的电路中,电源电压恒为9V,电压表的量程为0~15V,电流表的量程为0~0.6A,定值电阻的规格为“30Ω 0.5A” ,滑动变阻器的规格为“20Ω 1A” ,灯泡L上标有“6V 3W” 的字样,假设灯丝的电阻不变。闭合开关,在不损坏电路元件的情况下,下列说法中正确的是( )

A.整个电路消耗的总功率的变化范围是3.375~4.5W
B.电压表示数的变化范围是3~6V
C.滑动变阻器允许的调节范围是5~20Ω
D.电流表示数的变化范围是0.1~0.5A
例2.如图所示,电路中电源电压恒为4.5 V,电压表的量程为0~3 V,电流表的量程为0~0.6 A,滑动变阻器的规格为“35Ω 1.5 A”,灯泡的额定电流为0.5A,电阻为5Ω(灯丝电阻不变)。闭合开关,要求两电表的示数均不能超过所选量程,灯泡两端电压不允许超过额定值,则下列说法正确的是: ( )

A.当滑动变阻器的滑片向右滑动过程中,电压表示数变大,灯泡变亮
B.电压表与电流表示数的比变大
C.灯泡的最小功率是0.45 W
D.滑动变阻器允许的调节范围是4Ω~35Ω
(四)根据图像特殊点找信息
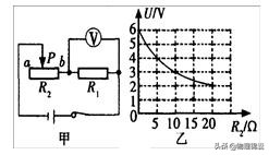
例1.在图甲所示的电路中,当滑片P由b移到a的过程中,电压表示数U及滑动变阻器接入电路的电阻R2的变化情况如图乙所示.下列说法正确的是( )
A.电阻R1的阻值为20Ω
B.滑片P移到b端时,R2两端的电压为6v
C.滑片P移到a端时,R1消耗的功率为0.2W
D.当滑片P移到中点时,通过R1的电流为0.3A

例2.有两个电路元件A和B,流过元件的电流与其两端电压的关系如图甲所示。把它们串联在电路中,如图乙所示,闭合开关S,这时电流表的示数为0.4A,则电源电压和元件B的电功率分别是

A. 2.0 V.0.8 W
B. 2. 5 V.l.0W
C. 4.5 V.l.0W
D. 4. 5 V.l. 8 W
(五)串并联求比例
例1.如图所示电路,电源电压保持不变。只闭合开关S,电流表的示数为0.2A,再闭合开关S 1 ,电流表的示数变化 如图所示电路,电源电压保持不变。只闭合开关S,电流表的示数为0.2A,再闭合开关S 1 ,电流表的示数变化了0.3A。那么闭合S、 S 1 后,R 1 与R 2 的电功率之比是( )
A.2:3 B.3:2
C.5:2 D.1:2

例2.如图所示,将灯L1、L2按甲、乙两种方式接在电压均为U的两个电路中.L1在甲、乙两个电路中的电功率分别为4 如图所示,将灯L1、L2按甲、乙两种方式接在电压均为U的两个电路中.L1在甲、乙两个电路中的电功率分别为4W和9W,设两灯丝的电阻不变.下列说法中不正确的是( )
A.L1、L2两灯灯丝电阻之比为2:1
B.甲图中灯L1、L2的功率之比为1:2
C.甲、乙两图中灯L1两端的电压之比为2:3
D.甲、乙两图中电路消耗的总功率之比为2:9

(六)动态电路
例1.如图所示,当开关S闭合,滑动变阻器的滑片P向左移动时,下列说法中正确的是( )
A.电流表的示数变小
B.电压表的示数变大
C.灯泡L变暗
D.电路中的总功率变大

例2.如图所示,闭合开关S,灯L发光,把滑动变阻器的滑片P向左滑动的过程中( )
A.电流表示数变小,灯变亮
B.电流表示数变大,灯变亮
C.电流表示数变小,灯变暗
D.电流表示数变大,灯变暗
