电子电路仿真软件简介
电子技术在中高职院校中属于基础课程,在具体的教学过程中,元器件功能的讲解或仪表仪器的使用,都需要通过实训才可以清楚直观地传达给学生。然而长期以来,中高职院校并不具备所需的相关设备或者已具备的设备容易产生损坏,造成学生对所需知识缺乏深入的认识,实践操作能力较差等问题。在电子教学中引入电子电路仿真软件能够有效解决这些问题。唯众电子电路仿真软件的引入有效改变了传统电子教学的枯燥、抽象,使教学内容直观形象化,使学生的学习热情和兴趣得到了很大的激发,理论知识理解和掌握得更好,实践操作能力能够有效得到提升,其发现并解决问题的能力也能够得到培养。
唯众电子电路仿真软件采用B/S架构,是一款功能强大的基于HTML5的电子电路仿真工具。如果将鼠标移到电路的任何组件上,您将在窗口的右下角看到该组件及其当前状态的简短描述。要修改某个组件,请将鼠标移到该组件上,单击鼠标右键,然后选择“编辑”。当接好电路后,将软件右上角电源打开,进行电路运行情况的演示,这是唯众电子电路仿真软件软件引入教学的独特优势。当模拟器启动时,您将看到一个简单的电路运行的动画示意图,绿色表示正电压,灰色表示地面,红色表示负电压。移动的黄点表示电流。要打开或关闭开关,只需单击它。通过这样的演示,能够让设计实现实际操作,直观而生动,学生能感受到设计结果,激发其学习的主动性。

同其他电路仿真软件相比,唯众电子电路仿真软件具有更高的仿真度与职业教学实用性。具体表现为:第一,其能够提供包括电阻、电容、三极管和集成电路在内的元件;还可以提供包括扫频仪、万用表、示波器和数字信号发生器等在内的设计及仪器仪表,绘制电路图、现实波形的功能较为强大,能够仿真显示实际电路。第二,实际所需元器件和仪表仪器的选取不必采取文本方式,可以从软件元器件仪表仪器库中直接选取。学生对于仪表仪器功能的理解和掌握,能够通过唯众电子电路仿真软件轻而易举地获得。第三,软件左侧明显位置提供中高职课本相对应的实训指导文档,图文并茂的形式让学生可按照实训文档的步骤快速实现指定的实训结果,降低教师教学压力。能够让中高职学生对相关理论知识获得更深的理解和掌握,并为电路设计实训奠定理论基础,使实践操作能力得到提升,有效激发学生的学习主动性,培养其创造性思维,让教学实训更简单。
实验一 二极管导电特性电路
一、实验目的
1.学习电子电路仿真平台的基础使用
2.验证二极管的单向导电特性
3.学习二极管的工作原理
二、实验元器件
1.直流电压源

2.单刀开关

3.二极管

4.LED灯

5.导线

三、实验步骤
1.添加直流电压源
右键操作区选择输入和电源,选择添加直流电压源

鼠标左键点击拖动生成元器件,并自动根据鼠标拖动方向自动确定元器件方向

2.添加单刀开关
右键操作区选择无源元件,选择添加开关

鼠标左键点击拖动生成元器件,并自动根据鼠标拖动方向自动确定元器件方向

3.添加二极管
右键操作区选择有源元件,选择添加二极管

鼠标左键点击拖动生成元器件,并自动根据鼠标拖动方向自动确定元器件方向

4.添加LED灯
右键操作区选择输出和标签,选择添加LED灯

鼠标左键点击拖动生成元器件,并自动根据鼠标拖动方向自动确定元器件方向

5.添加导线将所有元器件
右键操作区选择添加导线

通过导线连接所有元器件,如下图
注意:LED灯存在正负极,鼠标放在LED灯上可以根据二极管方向查看

四、实验现象
将单刀开关开启,在电子电路仿真平台主界面右上角点击运行/停止按钮开始运行电路

点击运行之后可以看见黄色的电流以及绿色的电压,LED灯亮起,鼠标指向元器件还能看见元器件的属性,说明二极管加正向电压导通

将二极管替换为反向,发现LED灯不亮,电流不能流通,说明二极管加反向电压截止

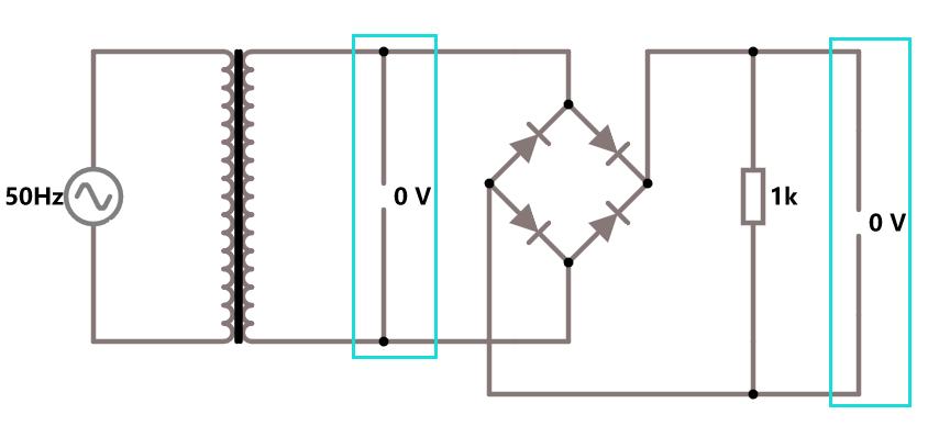
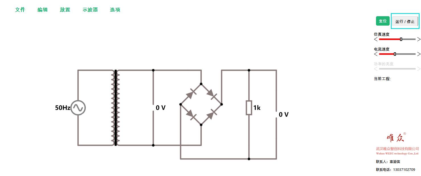
实验二 单相桥式整流电路
一、实验目的
1.学习电子电路仿真平台的基础使用
2.学习示波器的使用,观察指定点电压波形
3.学习单相桥式整流电路的工作过程
4.学习单相桥式整流电路的工作原理
二、实验元器件
1.交流电压源
2.变压器

3.电压表

4.二极管

5.电阻器

6.示波器

三、实验步骤
1.添加交流电压源
右键工作区选择输入和电源,选择添加交流电压源

2.设置交流电压源
双击添加的交流电压源,设置最大电压220V,频率50Hz

2.添加设置变压器
右键工作区选择无源元件,选择添加变压器

鼠标左键点击拖动生成元器件,并自动根据鼠标拖动方向自动确定元器件方向
生成之后先按ESC取消生成,然后按住shift+鼠标左键可以拖动元器件

双击变压器设置比率Ratio,因为是220V/12V变压器,所以比率为12/220=0.0545454545454545

3.添加二极管
右键操作区选择有源元件,选择添加二极管

鼠标左键点击拖动生成元器件,并自动根据鼠标拖动方向自动确定元器件方向
添加四个二极管,组成以下图形,鼠标左键可以框住整体选中,shift+左键移动整体

4.添加电阻器
右键操作区,选择添加电阻器


5.用导线连接生成的元器件
上述元器件添加完成后如下

用导线连接成如下电路图

6.添加电压表
右键工作区选择输出和标签,选择添加电压表

分别在变压器右侧及电阻处添加电压表,用导线连接如下图

注意:若连接点出现红点则是连接有误,元器件之间需要用导线连接,且导线与导线只能连接在接头处,下面是连在了一根导线的中间所以有红点

7.添加示波器
右键两个电压表,选择在新示波器中查看

添加完成后如下

四、实验现象
在电子电路仿真平台主界面的右上角点击运行/停止

在工作区中可以看到实时的绿色正电压方向,红色负电压方向,黄色电流方向,电压大小以及两个输出电压的波形等,鼠标指向导线还能看到电流大小

在界面上方点击文件,另存为,可以保存形成的电路文件,方便下次使用

在界面上方点击文件,导出图片,可以将画好的电路图片保存到本地

实验三 单管低频共射放大电路
一、实验目的
1.学会搭建单极共射放大电路
2.熟悉常用电子仪器设备及电子电路仿真平台的使用
3.学会放大电路静态工作点的调试方法
4.学习单管低频共射放大电路的原理
二、实验元器件
1.正弦信号源(交流电压源)

2.有极性电容器

3.电阻器

4.可变电阻

5.直流电压源

6.接地

7.单刀开关

8.电压表

三、实验步骤
1.添加正弦信号源(交流电压源)
右键工作区选择输入和电源,选择添加交流电压源

鼠标左键点击拖动生成元器件,并自动根据鼠标拖动方向自动确定元器件方向

双击设置正弦信号源最大电压为10mV,频率为1kHz

2.添加有极性电容器
右键工作区选择无源元件,选择添加有极性电容器,添加三个

双击设置三个有极性电容器的电容值分别为10uF,100uF,10uF,直线为正极

3.添加电阻器
右键工作区选择添加电阻器
鼠标左键点击拖动生成元器件,并自动根据鼠标拖动方向自动确定元器件方向
双击电阻,依次将阻值设置为20k,20k,2.4k,1k,1.2k,2.4k

右键工作区选择无源元件,选择添加可变电阻

鼠标左键点击拖动生成元器件,并自动根据鼠标拖动方向自动确定元器件方向
双击设置可变电阻最大阻值为200k,使其默认状态为100k


4.添加三极管
右键工作区选择有源元件,选择NPN双极型晶体管

鼠标左键点击拖动生成元器件,并自动根据鼠标拖动方向自动确定元器件方向

5.添加电源及接地
右键选择输入和电源,选择添加直流电压源(单端口)

右键选择输入和电源,添加接地

双击直流电压源将电压设置为12V

6.添加单刀开关
右键操作区选择无源元件,选择添加开关,添加两个开关

鼠标左键点击拖动生成元器件,并自动根据鼠标拖动方向自动确定元器件方向

7.添加电压表
右键工作区选择输出和标签,选择添加电压表

8.添加导线将所有元器件组合为电路
上述元器件添加完成后如下图

添加导线并通过shift+鼠标左键移动元器件,组合成以下电路

9.添加示波器
右键电压表选择在新示波器中查看

四、实验结果
在电子电路仿真平台主界面的右上角点击运行/停止

在示波器中可以看到电压波形,电路中能看到绿色的电压以及黄色电流,鼠标指向任意元器件也可以看到电压及电流大小,根据需要可以实时调试电路

以上为列举的三个实验文档,由武汉唯众智创科技有限公司提供分享;