科利足迹
湖北黄石作为国内矿冶文明的发源地之一,凭借丰沛的矿山资源孕育着我国近代的民族工业。其中主要以重质碳酸钙矿作为优势资源,该矿种以大储量、多品类为特点,逐渐发展了一批围绕矿山石材上下游产业链的工业企业。
近年来,当地工业以开采-加工-销售全链模式为核心,凭借自然资源的富集,不断拓展下游加工方案,迅速凝聚起一个又一个产业集群。
项目概况
湖北黄石大型矿产公司经老顾客介绍,线上沟通直购两条科利瑞克HGM100P超细磨粉机生产线。卓越科利设备落户矿产资源大省,助力非金属矿石精细化生产。
本期物料详解:重质碳酸钙

重质碳酸钙超细粉
作为高品质无机化学物质,其颗粒度非常小,平均粒径<1μm,以高白度、高纯度为特点,是一种非常优质的粉体材料;
常见用途
工业用途:1、陶瓷原料添加剂;2、橡胶原料添加剂;3、涂料添加剂,提升原料各方面性能;
消费品用途:1、化妆品添加剂,增加光泽度等;2、医药药品增稠等;

项目故事
01.助力矿山资源加工直销

黄石当地矿山制造企业总负责人获批后承包下当地一座矿山的开采权。手握当地一座矿山的资源,在周边配套企业的发展下如日中天,迅速扩张为当地龙头企业。却由于加工工艺受限,通常仅以初步破碎的大型石料出售给当地建筑石材企业,过程中物料造成了极大的浪费。
产成品用途受限的情况使得产品附加值始终再难拓展,企业负责人期望能够对其所储备的高质量矿石初级产品进行精加工,在提升产品附加值的同时拓展产成品用途,联动矿山周围高端油漆市场、管材市场企业、形成更加可观的产业规模。
有了这个想法,客户公司开始在国内积极寻找优质设备供应商,在当地同行的介绍下联系到了上海科利瑞克机器有限公司。
02.联动周边产业集群优势
在与科利瑞克选型团队通过线上接洽基本情况后了解到:
1)细度、时产要求须提升市场适配度:
矿山周边已具备相当程度的销售企业(油漆厂、管材厂等),未来该部分将作为主要面向的销售渠道。
2)保证设备的细度范围可调节:
未来还需拓展其他物料用途,将对细度与产量提出新要求。
3)保证高质量连持续生产能力:
设备的时产需求、总产量要求都较为庞大。
4)对现有生产场地进行规划:
考虑存在设备新增的扩产需求,提高场地利用率。
03.卓越设备驱动互信合作
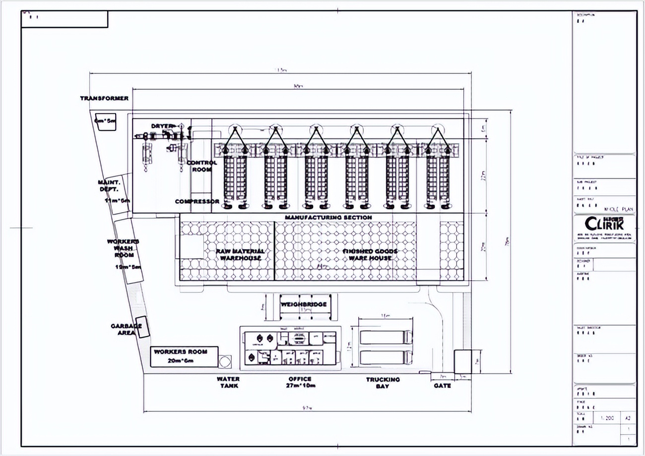
设备选型方案图纸
综合考虑客户需求与生产场地条件,科利瑞克向客户公司推荐了HGM100系列超细磨粉机生产线,并根据具体生产需求进行了个性化调整:
1)调整分析机叶轮间隙:
在保证细度的条件下,显著提高时产量。
2)调整助磨剂种类:
提高对接成品市场适应性。
3)生产线中替换减速机,改为75w双电机对拉传动配置:
有效控制成本,个性化契合客户需求。
4)科利服务全程陪伴:
科利瑞克全程负责场地再规划。
工艺亮点与流程
工艺亮点
1、客户采购两条HGM100P系列超细粉体生产线,在合理调整分析机叶轮的条件下能做到200-1500目的任意调节,200-325目细度单条时产量达9-10吨。
2、添加风旋分析机的条件下,可达到2500目的细度。大大拓展了产成品下游的适用范围。
3、设备高质量组件保证安全稳定生产,无滚动轴承与螺钉的设计避免密封件、螺丝松动后损坏机器的问题。
4、由特殊耐磨材料煅制而成的磨辊、磨环,在提升耐用程度的同时提供全天候运行能力。
5、合理改造场地现有设置,在符合防火、安全、卫生、交通运输和环境保护等相关规定下,设备更加靠近原料,与当地交通运输条件相接洽,连接场外通路、港湾,保证生产运输及时性。

场地规划图纸
工艺流程
装载机将破碎后粒径大小在500毫米以下的矿石输送至一级震动给料机,通过变频电机智能调节进料速度,保证大块矿石输送至二级震动给料机时平稳、均匀。
随后矿石将被输送入一级鄂式*碎机破**破碎至150毫米以下,同时均匀落在底部皮带输送机上。现场工作人员负责检查筛选出皮带上的低品位矿石,以有效提高矿石的白度与品位。经过挑选后再次进入二级锤式*碎机破**,进一步细碎。
矿石最后进入底部垂直提升机,将物料提升至料仓顶部再通过提升机输送至磨粉生产线的进料缓冲仓。仓内安装有电子安全限位装置,限位装置将进行智能化全时段安全生产监控,当限位报警时,需及时补充或停止原料的供应。
项目信息
生产线:2条HGM-100P超细磨粉机生产线
加工物料:重质碳酸钙
成品粒度:200-1500目
年产能:80000-100000吨
设备配置:1台HGM100P主机、1台选粉机、1台风机、1台锤式*碎机破**、1台斗式提升机、1台螺旋给料机、2台卸料阀、1台空压机、1台脉冲除尘器。(单条)
产成品用途:陶瓷、涂料、化妆品添加剂等
现场图集




