二手市场的春天来临,闲鱼作为综合类移动二手电商的头部产品,如何在后期的发展中继续高歌猛进?如何让买家筛选更靠谱的商品?如何让卖家卖得更轻松?如何进一步保障买卖双方权益?
本文将从产品架构、市场、用户、功能几个方面对闲鱼进行分析并给出自己的建议。
一、闲鱼产品架构脑图和用户使用路径图
1.1 产品架构脑图

产品架构
1.2 用户使用路径图
大部分用户使用闲鱼主要是买商品和发布闲置,以下是这两个部分的用户使用路径图:
1.2.1 买商品

1.2.2 发布闲置

二、市场分析
2.1 宏观二手市场分析
二手市场由来已久,从早期的跳蚤市场、线下古玩等各类二手买卖实体店,到2005年前后58同城、赶集网等分类信息门户网站出现,线上二手交易开始发展起来。
2011年后,基于互联网和网络购物的快速发展,二手交易的更多环节开始在线上进行,二手电商平台兴起。
随着移动互联网的高速发展,二手电商开始由PC端向移动端发展,以“闲鱼”为首的二手电商APP应运而生。对比线下市场和PC端,移动端的APP更加便捷,用户可以不出门随时随地逛二手市场淘好物。
闲鱼作为二手电商平台,主打C2C模式的交易形式,从早期的二手买卖业务逐渐发展成为“以二手买卖为核心,租赁、信用回收、租房、买卖二手车等业务共同发展”的电商产品,其市场边界在不断扩大。共享经济理念深入人心,共享类产品的出现让人们感受到它带来的便捷。
国家信息中心发布的《中国共享经济发展年度报告(2018)》中提到:2017年我国共享经济市场交易额约为49205亿元,比上年增长47.2%。
而艾媒发布的《2018上半年中国在线二手交易市场监测报告》中显示:2017年中国在线二手交易用户规模已达0.76亿人,增长率为55.1%。
在国家政策利好和共享经济快速发展的前提下,闲鱼作为二手电商APP的领头羊,未来发展可期。
2.2 移动二手电商的数据表现
随着经济和移动互联网的高速发展,人们购买力的增强,移动购物的活跃人数达71697.8万,活跃人数全网渗透率达72.6%。而强烈的购物欲望导致人们在剁手之后有更多的闲置物品,共享经济和绿色消费理念使得人们对二手物品的接纳程度变高。
据易观千帆数据显示:至2018年7月,二手电商领域活跃用户规模已达4264.8万人,同比增长57%。而闲鱼和转转分别以2197.3万和2042万远超于其他二手电商产品。
虽然转转与闲鱼的活跃人数差别不大,但是闲鱼的行业独占率达61.1%,而转转仅有21.5%。闲鱼的次月留存率达41.3%,转转是23.8%,孔夫子旧书网是18.1%。

数据来源-易观千帆

数据来源-易观千帆
从下图数据中可以看到:闲鱼2015-2017年发展迅猛,2017-2018年活跃人数下滑明显,2018年2月份之后开始上升。转转后来居上,整体呈上升趋势,和闲鱼一样,在2018年2月之后活跃人数上升显著;截止到2018年7月,转转有赶上闲鱼之势,不可小觑。
值得注意的是:2017年在整体二手电商活跃人数增速平稳的情况下,花粉儿和微拍堂的数据突出:
花粉儿在2017.1和2017.6月的活跃人数环比分别达到263.5%和503.2%,而微拍堂在2017.6和2017.8的活跃人数环比分别达到251.1%和177.8%。
花粉儿作为女性闲置品台,得益于孙俪等大牌明星入驻的流量效应,以及对女性闲置领域的细分,是2017年人数活跃大幅增长的一大原因。女性是消费的主力军,花粉儿抓住了明星带来的流量利好,主打女性市场,也是闲鱼在2017年活跃人数下滑的一大因素。但是后期花粉儿的用户规模快速下滑,用户对APP的评分负数居多、价格贵、售后无人管等问题使得用户规模严重缩水。
而微拍堂国内领先的线上竞拍平台,主打文玩市场,在用户体验上,微拍堂针对文玩物品有权威证书、国家检验机构鉴定、包顺丰寄回、全程跟踪、视频留档等优质服务。
由此可见,优质的用户体验是留住用户的重要因素。闲鱼在后期发展中,对于女性市场,可以邀请大牌明星和网络红人入驻,吸引更多女性用户;对于贵重物品,如数码手机、古玩、奢侈品等,可以添加官方鉴定、0秒响应售后维权、全程视频留档、顺丰寄回等优质服务。

数据来源-易观千帆

数据来源-易观千帆
2.3 业务规模分析
2.3.1 买卖市场
中国互联网经济研究院数据显示:我国闲置物品交易规模已达5000亿元,并以每年30%以上的速度增长,预计到2020年可以达到1万亿元。
根据相关数据显示,截止至2018年底,闲鱼的GMV(成交总额)已经突破一千亿人民币,用户数量在2017年底就已达到2亿,目前已经远远不止这个数。在线上二手这个万亿级别的市场中,闲鱼还有非常大的成长空间。
根据淘宝的用户调研显示:98%的用户都有闲置物品,闲鱼“淘宝一键转卖”功能吸引住了一大批淘宝用户将闲置转卖,让闲置物品物尽其用。
速途研究院数据显示:垂直类二手交易平台中二手车最多,数码类次之,奢侈品、旧物回收等占比相当。
闲鱼作为综合类二手电商头部产品,在继续开展现有业务的情况下,深入发展垂直类业务,学习垂直类头部产品的经验,扩大用户的边界。二手市场给消费者带来利好的同时,也有着商品质量低下、卖家是否靠谱等问题。
报告中显示,近六成消费者对于二手市场中卖家的可信度表示担忧,认为商品缺乏保障、担心实物不符引起纠纷、商品品相难以判断的用户都在50%左右。闲鱼的C2C模式在充分调动用户的积极性的同时,也带来了去中介化带来的货品鱼龙混杂的问题,以及用户信任的问题,有待进一步的解决。

数据来源-速途研究院

数据来源-2018国民“轻生活”报告
2.3.2 租赁市场
在之前既有的二手买卖交易场景下,闲鱼再度升级产品,推出闲鱼租赁业务场景。闲鱼的租赁主要包括租房、手机数码、衣物等。
《2018国民“轻生活”报告》显示:68%的消费者最近一年租用过2-5类商品,租赁这种方式已经较为普及。在租用过的6-10类人群中,90后占比30%,明显多于其他年龄段,可见年轻人更愿意尝试“以租代买”的生活方式。

数据来源-2018国民“轻生活”报告
数据显示:租赁理由中“临时需求”占比49%,是大众租赁的主要理由,“尝鲜体验”和“经济实惠”分别占比42%和38%,排名靠前。可见,用户对于租赁的需求较高,除了日常需求,年轻人更加喜欢尝鲜,闲鱼可以挖掘更多的好玩、新鲜的产品,满足年轻人的需求。

数据来源-2018国民“轻生活”报告
“没租过但想用”的产品中单反相机镜头、无人机、电脑、游戏相关设备等数码产品和汽车占比较高。闲鱼在后期发展中可以着重发展这块业务,对市场细分,增加用户量。“租过”的产品中传统租房占比最高,租车、图书次之。
针对租房市场,据易观千帆数据显示:2018年1月至7月,房产服务领域APP月活趋势稳步增长。从2018年1月的2104.44万,增至2018年7月的2963.83万,增幅达到40.9%,房产服务行业的刚劲需求显而易见。
但是租房市场中,房天下、链家、安居客已成行业三巨头,并且“黑中介”、“真假房源混合”等问题层出不鲜。闲鱼在后期发展中不需要主力占领租房市场,在保持自身优势和服务的前提下,如何进一步管理房源质量、保持房源真实性、利用大数据更精确匹配租客需求是闲鱼在下一步发展中应考虑的。

数据来源-2018国民“轻生活”报告

数据来源-易观千帆
2.3.3 拍卖市场
根据中国拍卖行业协会统计:2017年各类网络拍卖总场次增长39.40%,总成交额增长137.48%。
线上拍卖的低成本、高效、参与门槛低、时间可分配度高等优势是传统行业所没有的。但是监管难、商品的真假难辨、买卖双方的信任度也是线上拍卖的问题。闲鱼现有的拍卖业务是手机数码类,对拍卖行业涉猎不深。后期发展中,闲鱼稍加拓宽拍卖业务,挖掘不同年龄段的用户需求,涉足更多领域,依靠前期用户量和鱼塘社区优势,打造“社区讨论+线上拍卖”模式,吸引更多用户,拓宽市场边界。
总结
二手市场发展潜力巨大,但是顽疾频现。如何让用户筛选更靠谱的商家;如何增加双方的信任度,建立更健全的信任体系;如何监管买卖双方,让用户有更好的用户体验等等,这些都是闲鱼在下一步的发展中要重视的问题。
三、用户分析
3.1 目标人群
根据艾瑞和易观千帆的数据,我们可以从以下几个方面分析闲鱼的目标用户。
3.1.1 用户性别
女性用户占主体,女性用户约为男性的3.2倍,差距较大。女性天生喜欢购物,闲鱼上的二手商品品类多,可以用较少的成本购买心仪的商品,更有免费送或者租赁这些更低成本的功能,对于女生来说是很有诱惑力的。

数据来源-艾瑞数据
3.1.2 用户年龄
用户偏年轻化,其中31-35岁用户占比最大,25-30岁次之,24岁以下用户比例和36-40岁群体相当。原因如下:
- 年轻人思想不固化,对于二手商品不再有“旧货”的观念,愿意追求性价比买二手商品。80、90后这一代人对于共享经济观念接收度较高,对于有些昂贵但是又心仪的物品更愿意“以租代买”。
- 租房是闲鱼的业务之一,很多年轻人愿意在闲鱼上面找人合租或者租房。除了闲鱼不收昂贵的中介费的原因之外,还有闲鱼主打C2C模式能充分调动用户积极性和互动性,用户可以通过查看对方芝麻信用和相关信息、动态来更多地了解对方,双方能进一步考虑是否租房。

数据来源-艾瑞数据
3.1.3 用户地域分布
从数据看到,广东、山东、江苏、浙江的用户人群位居前四。这几个城市都属于沿海城市且经济发展好,购买力强。

数据来源-艾瑞数据
3.1.4 消费能力
中等消费和中高消费能力的用户占比较大,高达71.9%。
中等和中高消费包括购买数码电子产品、家居家电、租房等。现在数码电子产品更新迭代速度快,闲置的电子产品多,促进了二手市场的交易。80后的一些人已经买房,之前租房时留下的很多家居家电需要更换,闲鱼的以旧换新和大件回收服务正好满足他们的需求。

数据来源-易观千帆
3.2 用户画像与使用场景举例
小C,男,28岁,在上海当程序员,是个果粉
每次苹果的产品一出来,小C总会迅速买来使用,这也导致闲置的产品较多。而小C又是个宅男,不愿意出门,更不怎么喜欢在网上和人交流,所以他选择闲鱼的信用回收功能,能卖出他满意的价格而且还是上门回收。
文文,女,34岁,青岛某公司白领
文文想买个新出来的彩妆,但是最近家里装修,想省点钱买个二手。文文*载下**了闲鱼、转转两个APP,多家对比,最后在闲鱼上面找到了一个芝麻信用极好,卖出十几件宝贝的卖家。沟通之后,卖家还愿意降价,文文收到物品以后发现和卖家所说一致,验证之后是正品,文文觉得自己赚到了。
燕子,女,30岁,苏州某公司白领
燕子在上面买了一个二手包,拿到手发现是个假货,找卖家退款,卖家不理。最后燕子找小法庭,提供了实物和正品的差异图还有和卖家的聊天记录,卖家提供了购买记录,结果小法庭判卖家赢了。燕子觉得很气愤,卖家明显用的正品的购买记录,但是卖给她的确实是假货,找客服客服人不理。燕子后来卸载了闲鱼。
小华,女,27岁,杭州一个幼儿老师
小华听同事说闲鱼很好用,便也*载下**下来看看。小华想买个东西,同事让她在闲鱼上面看看,东西便宜。小华看了好久,又在网上搜闲鱼的评论,都说假货很多,小华犹豫了很久,还是选择了淘宝旗舰店购买了,她对闲鱼上面的商品不放心。
小A,女,24岁,本科毕业后定居广东,公司文员
小A是个购物狂。每次淘宝双十一和双十二,小A总是要剁手买很多东西,东西买了之后没用几次就闲置了,小A又急需资金回血,所以会出售闲置物品。闲鱼又有“淘宝一键转卖”功能,小A觉得闲鱼对于她来讲很方便。
3.3 用户调研
本次调查主要从用户买东西、卖东西、收藏、租房、消息通知、小法庭、鱼塘这几个方面调研,旨在发现用户的潜在需求、验证功能优化方向是否正确。
3.3.1 用户访谈大纲
个人信息:
- 用户性别、年龄、职位、目前居住城市
- 在闲鱼上面卖了多少东西?
- 在闲鱼上面买了多少东西?
- 会经常逛闲鱼上面的鱼塘吗?加入了几个鱼塘?关注过几个话题?
- 买卖过程有没有产生过纠纷?
- 有没有被邀请过参加小法庭?
- 有没有在闲鱼上面租过房?
具体使用场景:
- 有几件东西没有卖出去?觉得原因是什么?你有没有打开消息通知?没有打开是为什么呢?
- 在闲鱼上面搜索到宝贝会收藏吗?收藏的多吗?会不会关注宝贝是否降价?降价没有买到会不会觉得可惜?有没有觉得清理收藏内容很麻烦?
- 你买东西或者卖东西有没有产生过纠纷?后来是怎么解决的?
- (参加过小法庭)后来最终结果你满意不?不满意的原因是什么?
- 有没有被邀请过参加小法庭?后来参加了吗?没有参与的原因是什么?
- 邀请你参加你不了解的商品的小法庭,你会不会觉得很困惑或者不爽?
- 假如邀请你参与你了解的商品的小法庭,并且参与小法庭投票你能赚到闲鱼币你会愿意参加吗?
- 你有没有使用过闲鱼币?平时闲鱼币任务你会参与吗?假如有个参与小法庭投票且获得大量闲鱼币的任务你会愿意参加吗?
- 你是因为什么原因关注的鱼塘?你平时会关注你加入过的鱼塘或者参与过的话题吗?有没有觉得现在的鱼塘关注页面使用起来很不爽?你希望闲鱼根据你加入的鱼塘或者话题向你推荐你可能喜欢的鱼塘或者话题吗?
- 你会刷鱼塘里的宝贝吗?有没有觉得现在进入这个页面很不方便?
- 你会刷闲鱼的帖子吗?一周几次?为什么会选择在闲鱼上面刷帖?
- 你有没有在闲鱼上面租过房?没有是因为什么?你一般租房会在意租客是不是女(男)生吗?
你觉得闲鱼这个APP怎么样?10分的话会打几分?
3.3.2 用户访谈结果小结
本次调研有七位用户参与调研,其中三位男生四位女生,且都居住在江苏、上海地区,有学生、公司职员。男生的交易主要是数码电子产品,女生主要是衣物、日用品、美妆、资料。其中,三位男生一个女生是闲鱼的重度用户。在调研过程中笔者发现,7位用户上闲鱼的目的都很明确,主要是买/卖东西,对于其他功能基本没有使用过。下面是根据调研发现的用户需求。
(1)买东西
3个买家看重卖家发布内容是否重复,关注重复率。
(2)消息设置
- 2个用户希望有单独针对发布闲置接收消息通知的设置。
- 1个用户希望能自定义自动回复消息。
- 1个用户反映消息通知设置寻找麻烦。
(3)小法庭
- 3个用户希望小法庭多推荐他了解的内容。
- 4个用户希望小法庭参与投票有奖励,且关注奖励的方式。
- 1个用户希望用户能自己选择了解或者感兴趣的小法庭来参与投票。
- 1个用户希望申请小法庭之前,公司内部有筛选程序,对于一些一眼就能判断谁的过失的纠纷,不应该上小法庭。
- 1个用户希望小法庭投票者的ID应全部隐去,避免因为站队而遭到买/卖家的恶意报复,如在你卖东西下面恶意刷负评。
(4)鱼塘
- 3个用户表示去鱼塘的目的是淘宝贝,而不是刷帖。
- 1个用户比价关注附近的鱼塘,关心邻居的闲置物品,可以互相交换闲置。
(5)收藏
1个户有批量清理收藏的需求。
(6)其他
- 照片审核,以防盗图。
- 对于贵重物品内部设置价格区间,过低提醒用户谨防诈骗。
- 删除的宝贝重新上架(现在有下架的宝贝重新上架功能,但是没有删除的重新上架)。
- 增加卖家权力,发布闲置有筛选功能,屏蔽信用度低的买家。
四、功能分析
4.1 功能分析
4.1.1 消息设置
(1)场景分析
笔者本次针对发布闲置后的消息功能进行分析。闲鱼是一款二手电商APP,用户主要是买卖双方。在本次调研中发现,无论是在闲鱼交易数十万的重度用户还是闲鱼使用小白,上闲鱼的主要目的还是买卖东西,或者说是淘二手宝贝。
针对买卖双方,消息功能的需求点各有不同:
- 对于卖家,急需出货的用户希望能及时回复买家的信息,防止错过交易;卖的较多、时间不赶的用户往往不愿意开通消息,因为他们觉得消息收到过多会影响正常生活。
- 对于买家,闲鱼的用户看重商品的使用体验和商品目前的使用情况,在商品描述中没有获取想要的信息时,买家往往会私信卖家,希望卖家能及时回复消息。
(2)产品体验
闲鱼的消息主要有通知消息、互动消息、活动消息、鱼塘消息。在“我的”页的设置中,没有统一的消息设置功能,只有“所有宝贝自动回复”功能,而“互动消息、活动消息”的消息设置需要在消息页的相关消息中设置,过于分散,用户体验不好。
从用户访谈中可以看出,大多数用户上闲鱼的目的是为了买卖商品,他们打开消息的目的是为了能及时回复/收到相关消息。但是打开消息通知后,闲鱼会推送很多广告、活动的消息,过于矛盾。
闲鱼虽然对于互动消息和活动消息有“免打扰”设置功能,但是入口较深且设置分散,不便发现和设置。而对于卖家来说,所有宝贝自动回复这一功能不痛不痒,并不能涵盖所有宝贝的回复问题,卖家还是要花时间去回答买家问的重复性问题。
(3)修改建议
对消息设置进行优化,在消息页中增加设置功能,可对宝贝、互动、活动、鱼塘消息提示进行设置。优化“所有宝贝自动回复”功能,卖家用户可以自定义宝贝的问题和答案回复。用户可以对“我发布的”和动态页中上架的宝贝重新编辑自动回复的问题和答案。
1)优化脑图

2)具体建议
i. 消息页添加设置功能,点击设置后,对宝贝、互动、活动消息分类设置消息通知,用户可以根据自身的情况开启消息通知。将所有宝贝自动回复改为宝贝自动回复,点击右方按钮可以进入自动回复管理页面。

ii. 点击进入宝贝自动回复管理页后,页面分为系统自带的自动回复列表和添加设置。自动回复列表显示全部自动回复内容,包括用户自定义的自动回复,显示分为两栏——“通用”和“更多”;通用是系统原有的自定义回复,更多是用户自己添加的。
用户每次打开宝贝自动回复时,通用那栏中的所有自定义回复显示全选,用户可以再自行点击取消;更多那栏中不显示全选,用户可以自行点击选择需要的自定义回复。用户可以上下滑动屏幕浏览并选择内容。用户可以根据自身情况修改回复的答案。
用户点击“+”跳转进入选择宝贝页,页面显示用户之前发布且没有卖出的宝贝,并根据上架时间排列,最新上架排在最前。用户可以选择需要本条自动回复的宝贝,选择完毕后点击“保存”即可。

iii. 添加功能的设置。点击“添加”按钮之后,进入自定义页面,页面显示用户自定义的自动回复列表。用户根据所卖商品和以往买家询问较多的问题设置问题和回复。
点击编辑按钮,用户可以选择删除某条自定义,并且点击其中某条自定义,即可进入编辑页面对该条自定义进行修改编辑。用户点击“+”后会跳转进入编辑页面,添加新的自定义。进入编辑页面后,用户自行编辑内容,按“删除自定义”可删掉本条自定义,按“存储”即可保存修改内容并且自动跳转到上一页面。用户添加或者修改好后的自定义会显示在“自定义”和“宝贝自动回复”页面。


iv. 用户发布闲置完成后,可以在“我发布的”宝贝或者用户动态页中对宝贝进行管理,设置自动回复。
以“我发布的”宝贝为例,点击“更多”,选择自动回复设置,进入到自动回复页面,用户可以选择已有的自动回复。页面上下列表分为“通用”和“更多”,具体阐述同ii。用户首次设置“我发布的”宝贝的自动回复时,页面的通用栏标为全选,用户可以自由选择或取消。点击“添加”按钮,跳转到自定义编辑页面,用户可以自行添加内容。

4.1.2 小法庭
(1)场景分析
买卖双方在交易过程中产生纠纷,除了客服介入,还可以申请小法庭,用户希望通过小法庭申诉,经过法官们的投票来获取胜利。
(2)产品体验
目前小法庭是17人投票9胜制,闲鱼根据用户的信用、交易行为、活跃度,随机抽取芝麻信用在650分以上的用户来参与小法庭的投票。小法庭提高了解决纠纷的效率,为平台方节约了时间成本。但是随机抽取的小法官也带来了一些弊端,例如:让数码玩家去评判美妆护肤品,让对二次元毫无兴趣的用户去参与二次元纠纷的投票。术业有专攻,不懂行的小法官即使有心想公平投票也会因为不擅长、不喜爱这一商品,从而投票不准。
在调研中我们发现,多数用户虽然参与过小法庭的投票,但是因为小法庭推送的不是他们懂行或喜爱的商品纠纷,他们往往会投不准或者瞎投票。而因为小法庭没有奖励机制,用户在参与投票几次后,也会丧失动力,对推送通知不闻不问。笔者还了解到,投票者的ID没有全部隐去,参与投票的用户还会担心参与投票后遭到卖/买家的恶意报复。
(3)修改建议
利用大数据技术,通过获取用户的交易类型、个人信息、爱好来分析用户喜爱、关注的商品,小法庭推送多个相同或类似的商品纠纷,用户在邀请任务中可以选择想参与的小法庭。并且在首页中增加小法庭专栏,用户可以自行领取任务。用户参与投票后有闲鱼币奖励,并且在参与投票过程中隐去ID,用代号来显示。
1)优化脑图
考虑到第三模块对闲鱼币的功能优化,下面是首页整体修改后的脑图:

2)具体建议
i. 小法庭入口优化为两个,一个是消息页中的小法庭邀请通知,另一个是首页中的小法庭专题。
消息页是利用技术手段判断用户喜爱、关注的商品,从而推送相关商品引起的纠纷。在消息页中,小法庭的邀请通知下会标明“一个商品(例如一件衣服)引起的纠纷!你会支持谁?”,左方是法官的图片,右边是商品类别的图片,方便用户知道是什么商品的纠纷,帮助快速选择是否参与投票。点击通知即可进入相关商品的纠纷投票页。

ii. 首页小法庭专题如图所示,将之前的“免费送”、“闲鱼币”专题替换为“小法庭”(免费送和闲鱼币的优化会在第三模块中分析)。
小法庭的下方显示“千起纠纷等你审!”,强调用户的重要性,刺激用户去了解小法庭、参与小法庭。下方显示常引起纠纷的商品图标(例如手机、衣服、奢侈品),给用户一定的初级选择。点击该专题的任一处,进入小法庭的标签选择页。

iii. 点击首页小法庭专题进入标签页,标签页的顶栏有两页,用户可以左右滑动显示。一页显示参与小法庭可获得100闲鱼币的奖励,并且标明10次参与后即可兑换运费券,帮助用户了解闲鱼币的作用,刺激用户积极参与投票;另一页显示用户若对显示的纠纷项不感兴趣,可以使用50闲鱼币刷新页面。
顶栏下方为标签导航和具体内容,导航在页面的左方,用户可以浏览、上下滑动来选择标签。导航栏的右方是全部商品的具体纠纷项,用户可以滑动选择参与某一商品纠纷或是点击标签后再选择商品纠纷项。点击“参与”后弹窗显示“是否确定参与投票?进入后不可退出哦~”的提示,表示用户确定进入后不可退出重新选择。这里说明下,用户每日仅可参与一次同类小法庭投票,防止作弊行为。点击“再看看”,用户重新选择投票项,点击“去投票”用户进入相关商品的纠纷投票页。


4.1.3 闲鱼币
(1)场景分析
用户在使用闲鱼的过程中,希望闲鱼能给与一些优惠;而闲鱼又希望通过一些机制能刺激用户去消费、发布闲置、参与小法庭等,闲鱼币就是连接用户和小法庭之间的纽带。
(2)用户体验
现有的闲鱼币的功能有:闲鱼币兑换部分宝贝(即免费送)、拼团参与夺宝。在用户调研中,我们发现大部分用户对于闲鱼币是什么、用来干嘛并不了解,了解闲鱼币的用户也不热衷于赚取闲鱼币,他们认为闲鱼币的功能太少,不能刺激他们去获得更多的闲鱼币。
(3)修改建议
优化闲鱼币功能,在首页中开辟专栏,引导用户去使用、赚取闲鱼币。

i. 首页将之前的免费送和闲鱼币专题删除,改为五个福利模块形式,五个闲鱼福利分别为:免费送、百币夺宝、6元运费券、0元租、明星好物,以上五个福利都是通过闲鱼币来兑换获得的。用户可以左右滑动查看不同模块。在福利栏的上方显示“赚闲鱼币领福利”,点击即可进入闲鱼币任务页面。

ii. 点击免费送模块的任一处进入免费送页面,点击百币夺宝模块的任一处进入百币夺宝页面,这两个模块的页面没有改动,不再赘述。点击6元运费券模块的任一处进入小法庭的标签页。点击0元租模块的任一处,进入超值租页面,在租赁价的下方显示租赁一天需要的淘金币,图片是淘金币的图标,方便用户理解。

iii. 点击明星好物模块的任一处进入闲鱼币兑换的明星好物页。明星好物页面的宝贝主要有闲鱼明星的周边、专辑、签名、二手物品。获取明星好物主要有两种方式:
- 用闲鱼币兑换,1元=166.67淘金币,以此来换算闲鱼币,兑换物品;
- 邀请好友帮忙*刀砍**,分享给好友砍闲鱼币,多砍即可少花闲鱼币。在分享的过程中,好友可能也会对宝贝感兴趣,从而吸引更多用户去赚取、使用闲鱼币,形成良性循环。
明星好物页的顶栏显示用户目前有多少闲鱼币,可以换多少明星好物,下方滚动显示已拿好物的用户,顶栏下方是宝贝列表,主要显示“图片+名称+闲鱼币价格+限量几件”,点击“我想要”进入兑换页面。

明星好物的兑换页面如下图,用户根据自身请款选择兑换方式,点击“砍一砍”,出现弹窗,提示用户自己砍掉的闲鱼币数目,并且引导用户去邀请好友帮忙砍,且商品详情页为灰色。点击“我要了”进入付款页,显示付款金额和花费的闲鱼币数额,若用户有运费券,系统会自动减掉运费。在明星好物的兑换页中,商品详情下方显示已砍的闲鱼币数额、进度条和帮砍的好友,用户可以滑动查看好友。


iv. 闲鱼币页面优化,显示三个模块:闲鱼币签到、闲鱼币任务、我的兑换。
在闲鱼币任务中增加发布闲置和参与小法庭任务,用户通过发布闲置和参与小法庭也可获得相应数目的闲鱼币,鼓励用户去卖闲置、参与小法庭投票。
在“我的兑换”模块中显示用户已经通过闲鱼币获得的福利,点击右方按钮即可进入相关页面,这里除了6元运费券需要进入兑换页面之外,其它四个福利项目点击后进入的页面和首页点击进入的相同,不再复述。

v. 6元运费券的兑换页面如下,用户可以看到一张券需要花费的闲鱼币数目,并且标明用户现有的闲鱼币还能兑换的券数。点击“兑换按钮”,弹窗显示需要兑换的数目,点击确认后,若用户闲鱼币充足则会弹窗显示“确认兑换x张吗”;若闲鱼币不足,则会提示用户闲鱼币不足,去赚取闲鱼币,点击“确认”即可进入闲鱼币任务页面。


4.1.4 卖商品
(1)场景分析
这里分析的功能是卖家选择买家的功能。闲鱼的大部分用户是个人卖家,他们不是商人,不属于服务者,很多卖家出售闲置不是为了赚钱,所以他们除了满足买方的正当交易需求,不应该为那些无理买家而浪费时间。商品交易是个双向选择过程,买家在搜索商品时能筛选卖家,同理卖家在发布闲置的时候也应该能筛选买家。
(2)用户体验
闲鱼目前的功能中没有筛选买家这一项,在调研过程中,一些用户对我们吐槽说遇到很多无理、难缠、砍价太疯狂、问了半天不买的用户。因为不是专职卖东西,遇到这些买家往往会浪费大量的时间,卖家希望在发布闲置的时候有筛选用户的功能。
(3)修改建议
对发布闲置进行优化,发布闲置的最后一步增加筛选功能,筛选的选择项是:用户的信用度、交易评分、是否实人认证。
1)优化脑图

2)具体建议
i. 交易结束后的评价优化。对于买家来说,买家可以给卖家的商品和卖家分别打分,买家可以对商品给出好评、中评、差评,对卖家打分(满分五分)。对于卖家来说,卖家可以对买家打分(满分五分)。

ii. 在用户的主页中显示以往用户对该用户的综合评分值,以五星形式显示。在商品的详情页的下方用户信息栏显示用户的分值,以数字的形式显示。

iii. 对发布闲置进行优化,发布闲置的最后一步卖家可以设置商品可见权限。系统默认卖家发布的商品是公开(所有用户可见),卖家可以根据自身情况设置部分用户可见,提供信用分、是否实人认证、交易评分(即上面i中优化的评分)给卖家选择,卖家选择完标签后点击完成即可。


iv. 闲鱼最新版本中在“我的”页有提示用户去开通闲鱼号和实人认证,并且没有实人认证的用户无法上架商品;在“我发布的”宝贝中,用户若没有芝麻授权,闲鱼会提示用户芝麻授权可以增加曝光度。闲鱼现有的督促用户完成实人认证和芝麻授权是针对卖家的,我认为可以优化督促买家去完善个人信息(实人认证和芝麻授权)的功能。具体建议如下:
1. 买家若没有完成实人认证和芝麻授权,在搜索商品后,内容页的底栏出现悬浮窗口,提示用户去完成实人认证。买家若完成实人认证,没有授权芝麻信用,则提示用户去授权芝麻信用。买家若完成芝麻授权,没有完成实人认证,则提示用户去实人认证。实人认证的提示优先级在芝麻信用之上。用户点击“认证”或者“授权”进入到相关页面完善个人信息。

2. 若卖家设置买家权限为“实人认证和芝麻信用极好”,买家(没有实人认证或者授权芝麻信用)点击该卖家发布的商品详情页,“超赞”、“收藏”、“留言”和“我想要”为灰色,用户点击相关按钮,系统弹窗提示买家去完善个人信息。点击“查看更多”进入卖家的权限查看页面。页面显示卖家设置的权限要求,根据用户的相关信息自动匹配卖家的需求,满足的要求右方会标绿色,不满足会标黄。每项要求的下方会显示买家现在的信息,标为灰色。
买家未完成实人认证或者芝麻授权,右方按钮提示用户去完成认证和授权;买家交易评分不满足要求,但买家还有交易未完成评价,右方按钮提示买家去评价;买家已经完成认证和芝麻授权,但是芝麻信用或者交易评分不满足卖家的要求,可以点击页面下方的“再逛逛”重新进入商品搜索页面浏览宝贝。


4.1.5 买商品
(1)用户体验
本文对于买商品中的自提模块进行优化。闲鱼目前的搜索筛选中没有自提筛选功能,卖家发布的商品自提城市不一定是卖家所在的城市,买家想了解自提城市还得进一步去询问卖家,比较麻烦。买卖双方在同意见一见之后,卖家的商品还处于上架状态,可能会被别人拍走,对于买家来说影响用户体验。
修改建议
1)概述
笔者对于以上所说部分进行优化,建议如下:
i. 搜索筛选增加“自提”筛选功能,买家可以选择“自提”和“离我最近”筛选出合适的商品。
ii. 布闲置进行优化,卖家在点击“自提”时需选择城市,价格栏增加“定金”。买卖双方在同意见一见,并且买家支付完定金之后,卖家发布的商品处于“下架”状态。增加定金功能,卖家不用担心买家会无缘无故取消订单,买家不用担心商品在见一见过程中被其他人拍走,保障了买卖双方的权益,加强用户体验。
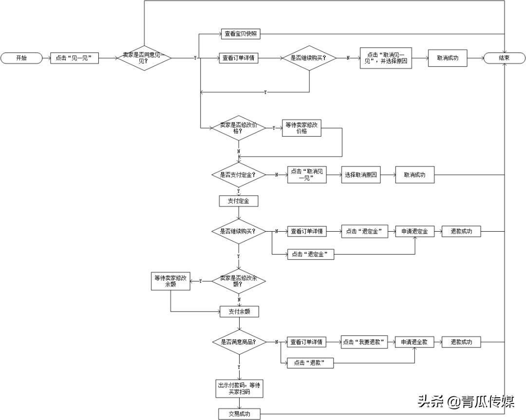
iii. 见一见页面和流程进行优化。下图是买家发起的见一见,卖家回应的流程图。

买家发起见一见

卖家回应见一见
2)具体建议
i. 搜索筛选中增加“自提”功能,点击“自提”后“确定”,并选择“离我最近”,内容页即出现可以自提并且离买家最近的城市的商品。内容页用户头像旁显示的城市是自提城市。

ii. 发布闲置中增加自提城市选择功能。用户没有点击自提时,“自提城市”栏呈灰色,点击无效;用户点击“自提”之后,自提城市自动显示用户所在地,用户可以点击右方按钮进入“自提城市”页面更改城市。


发布闲置的价格选择中增加“定金”选择,用户选择“定金的20%”后定金栏会显示定金的价格,用户不能自主更改定金,避免用户后期需要更改余额时计算余额错误损失钱财。

iii. 买家发起见一见后
1. 定金交付之前,买家能进行的操作是:付定金、取消见一见、查看订单详情、查看宝贝快照。用户点击付定金会进入支付页面,点击取消见一见后弹窗提示取消原因,点击“宝贝快照”可以查看宝贝。因这三个功能和之前版本相同,不再赘述。点击“订单详情”进入订单页,用户可以看到订单的流程,页面会提示用户支付定金和余额的数目,点击“取消见一见”即可选择原因取消见面,点击“付定金”进入支付页面。


2. 定金交付之后,买家能进行的操作是:付余额、退定金、查看订单详情、查看宝贝快照;同时页面提示用户“您已支付定金xx.xx元,收获后付余额”。用户点击付余额进入余额支付页面,点击退定金或者在订单页点击“退定金”进入申请退款页来申请退定金。用户点击“订单详情”查看订单流程,系统会提示用户已支付的定金和还需支付的余额数目,用户可以选择退定金或是付余额。


3. 买家支付余额且卖家没有收款之后,买家能进行的操作是:出示付款码、退款、查看订单、查看宝贝快照。用户可以点击退款或者进入订单页点击“我要退款”,进入申请退款页退全款(定金和余额)。


4. 卖家收款后,买家能进行的操作是:评价、查看钱款、查看订单、查看宝贝快照。

iv. 卖家同意见一见
1. 定金交付之前,卖家能操作:修改价格、取消见一见、查看订单详情、宝贝快照。这里的“取消见一见”原因和闲鱼现在的版本一样,不再复述。卖家点击修改价格后进入“价格修改”页面,页面显示修改价格、定金、运费,用户修改价格后定金栏会自动计算修改后的定金。点击订单详情进入订单信息页,显示订单的流程,卖家可以点击下方的“取消见一见”或者“修改价格”进行相关操作。


2. 定金交付之后,卖家能进行的操作是:扫码收款、修改余额、查看订单、查看宝贝快照。用户点击“修改余额”或是进入订单页点击“修改余额”,进入修改页面,系统会提示用户买家还需支付的余额数目,用户可以修改余额。点击订单页的“取消订单”即可选择原因取消订单,钱款会在一天后返还给买家。


3. 买家已付余额且卖家还未收款时,卖家能操作的功能是:扫码收款、关闭交易、查看订单、查看宝贝。用户点击“扫码收款”后可扫描买家手机付款码,全款即会到达账户。用户点击“关闭交易”后选择取消交易的原因,订单会自动取消,买家的钱(定金和余额)会一天内返回到买家账户。


4. 卖家收款后,卖家能进行的操作是:评价、查看钱款、查看订单、查看宝贝。

五、总结
经济和移动电商的高速发展使得闲置物品越来越多,闲鱼的出世给了人们更多消费选择。在二手电商行业的上半场,闲鱼主打c2c模式的交易形式,加上社区+电商的运营模式,吸引了一大批粉丝。没有复杂的开店的流程、买卖双方直接对交、垂直领域共同发展是闲鱼能领跑二手电商行业的重大因素。如今,共享经济、绿色消费的理念影响着越来越多的年轻人,追求性价比、闲置买卖成为年轻人新的消费观,闲鱼作为二手电商的领头羊,未来可期。