其实所谓的倒角就是在两轮廓之间加入一段直线或圆弧,使两轮廓间实现光滑的过渡,一般在各个CAD软件中都具有倒角功能,可提高绘图效率.同样,在各个数控系统中也有倒角(直线、圆弧)功能,通常是在G01或G02/G03指令后面加上倒角指令即可!

图0数控加工技术
一、直线倒角
在图1中,如果以FANUC系统为例,倒角格式为G01X_Z_C_F_,XZ为为倒角之前的坐标即*点G**坐标,C为倒角量即FG或GH的长度,华中系统跟FANUC一样。

图1两直线之间的倒角
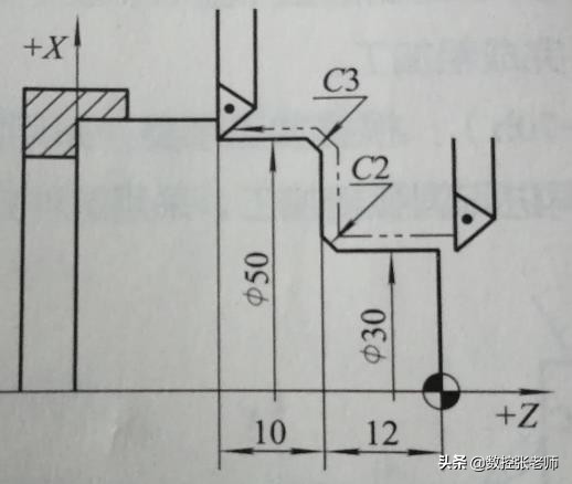
如果想编制图2中的两处倒角的程序,则采用倒角指令比较方便,参考程序如下!
G01X30F0.1
Z0
W-12C2
X50C3
W-10

图2倒角案例
客观的说,现在数控系统比较多,虽然大部分的G代码都是通用的,但是也存在一些不同之处。如果上图采用广数980TBD系统,则倒角指令就需要修改为G01X_Z_L_F_。
G01X30F0.1
Z0
W-12L2
X50L3
W-10
如果是西门子802D系统,则需要将C改为CHR=?如果是802C/S则为CHF=?
G01X30F0.1
Z0
W-12CHR=2
X50CHR=3
W-10
二、圆弧倒角
如果以FANUC系统为例,圆弧倒角格式为G01X_Z_R_F_,xz的坐标就是*点G**坐标,R为倒角半径,以图4为例,参考程序如下!(华中系统相同)

图3圆弧倒角
G01X40F0.1
Z0
Z-15R3
X55R4
W-15

图4倒圆角案例
如果上图采用广数980TBD系统,则倒圆角指令就需要修改为G01X_Z_D_F_。
Z-15D3
X55D4
W-15
如果是西门子802D系统,则需要将R改为RND=?即可!
Z-15 RND=3
X55 RND=4
W-15
三、圆弧与直线、圆弧与圆弧之间倒角
以上只是直线与直线之间的倒角,此外还有直线与圆弧,圆弧与圆弧之间的倒角,其编程的方法都是一样的。比如广数系统中直线接圆弧,G01X_Z_后面的坐标值就是这个在图在没有倒角时的轨迹坐标。
G01X_Z_L_
G02/G03X_Z_R_

图5 直线和圆弧倒角
同理,如果是圆弧与圆弧之间的过渡,编程格式如下!
G02/G03X_Z_R_D_
G02/G03X_Z_R_

图6 圆弧与圆弧之间倒圆角
四、其它
以上阐述的几个常用系统,大家可以去试试,看看是否能提高编程效率!但是,要说明一下,有的系统不一定支持这个倒角功能,有的系统你输入后系统不会报警的,但是在加工时不一定会加工出倒角来。有的系统,不同的版本可能指令符号也不一样的。总之,这个大家可以查阅一下个人操作机床的说明手册,看看你的系统是否支持!另外,数控系统比较多,本人水平有限,欢迎大家来补充完善常见数控系统的倒角命令!