在上一期的文章中,小编有为大家分享到《建筑装饰装修工程量计算规则及技巧——楼地面工程(二)》,有兴趣的朋友可前往回顾。本期更新建筑装饰装修工程量计算规则及技巧——墙柱面工程(三)。内含墙柱面工程基础知识概述、墙柱面工程分部说明、墙柱面抹灰分部工程量计算及实例等内容。具体如下:
一、墙柱面工程基础知识概述
墙面装修按材料和施工方法不同分为抹灰、贴面、涂刷和裱糊四类。抹灰分为一般抹灰和装饰抹灰。
块料饰面板包括石材饰面板、陶瓷面砖、玻璃面砖、金属饰面板、塑料饰面板、木质饰面板等。
抹面层是指一般抹灰的普通抹灰、中级抹灰、高级抹灰的面层。装饰抹面是指装饰抹灰的面层。
墙、柱面块料饰面施工一般分为粘贴法和安装法。常见的安装法有挂贴方式和干挂方式。
二、墙柱面工程分部说明
墙柱面工程分部主要包括(墙面、柱面、零星)抹灰、(墙面、柱面、零星)镶贴块料、墙饰面、柱(梁)饰面、隔断、隔墙、幕墙等工程,适用于一般抹灰、装饰抹灰工程。
(1)墙、柱面和零星抹灰的项目特征包括墙柱面类型、砂浆配合比、厚度、饰面材料种类、分格缝的宽度、材料种类等内容。
(2)墙柱面勾缝的项目特征包括墙体类型、勾缝类型、勾缝材料种类等内容。
(3)墙、柱面和零星镶贴块料的项目特征包括墙、柱类型,砂浆配合比、厚度,安装方式,面层材料的品种、规格、品牌、颜色,防护材料、磨光、酸洗、打蜡要求等内容。
(4)墙、柱饰面的项目特征包括墙柱类型、底层厚度、砂浆配合比、龙骨、隔离层、基层、面层材料种类和规格、防护材料及油漆种类等内容。
(5)隔断的项目特征包括骨架、边框材料种类、规格,隔板材料品种、规格、颜色,嵌缝、塞口材料的品种,压条、防护材料、油漆的种类等内容。
(6)幕墙的项目特征包括骨架材料的种类、规格、中距,面层材料品种、规格、颜色、固定方式,嵌缝、塞口材料的种类等内容。
(7)嵌缝材料指嵌缝砂浆、油膏和密封胶等材料;防护材料指石材等防碱背涂处理剂和面层防酸涂剂等;基层材料指在面层内的底层材料,如木墙裙、木护墙、木板隔墙等,在龙骨上粘贴或铺钉一层加强面层的底板。
(8)墙体类型指墙砖、石墙、混凝土墙、砌块墙及内墙、外墙等;勾缝类型指清水砖墙、砖柱的加浆勾缝,如平缝和凹缝,石墙、石柱的勾缝,如平缝、平凹缝、平凸缝、半圆凹缝、半圆凸缝和三角凸缝等。
(9)带肋全玻璃幕墙是指玻璃幕墙带玻璃肋,玻璃肋的工程量应合并在玻璃幕墙内计算。
(10)零星抹灰和零星镶贴块料面层项目适用于小面积(0.5m2以内)少量分散的抹灰和镶贴块料面层。
(11)设置在隔断、幕墙上的门窗,可包括在隔墙、幕墙项目报价内,也可单独编码列项,并在清单项目中进行描述。
三、墙面抹灰
墙面抹灰包括一般抹灰和装饰抹灰两大类。
(1)一般抹灰常用的有石灰砂浆抹灰、水泥砂浆抹灰、混合砂浆抹灰、纸筋石灰浆抹灰、麻刀石灰浆抹灰、石膏砂浆抹灰、石英砂浆抹灰、珍珠岩砂浆抹灰等。
(2)装饰抹灰常用的有水刷石面、水磨石面、斩假石面、干粘石面、拉毛灰面、喷涂面等。
水刷石:一种人造石料,制作过程是用水泥﹑石屑、小石子或颜料等加水拌和,抹在建筑物的表面,半凝固后,用硬毛刷蘸水刷去表面的水泥浆而使石屑或小石子半露。

干粘石:在墙面刮草的基层上抹上纯水泥浆,撒小石子并用工具将石子压入水泥浆里,做出的装饰面就是干粘石。


斩假石:又称剁斧石,一种人造石料。将掺入石屑及石粉的水泥砂浆﹐涂抹在建筑物表面﹐在硬化后﹐用斩凿方法使成为有纹路的石面样式。

四、镶贴块料面层
镶贴块料面层包括大理石、花岗岩、预制水磨石、瓷砖瓷板、金属面砖的贴面。施工工艺分别为:
(1)挂贴块料:是在墙的基层设置预埋件,再焊上钢筋网。然后将块料板上下钻孔,用铜丝或不锈钢挂件将块料板固定在钢筋网架上,再将留缝灌注水泥砂浆。
(2)粘贴块料:是用水泥砂浆或高强粘结浆把块料板粘贴于墙的基层上。该方法适用于危险性小的内墙面和墙裙。
(3)干挂块料:适用于大型的板材,主要方法是用预埋件或膨胀螺栓将不锈钢角钢与墙体连接牢固,然后用不锈钢安插件,把设计要求打好孔的板材支撑在不锈钢角钢上,挂满墙面。
粘贴瓷砖、大理石

干挂大理石

四、木墙面及木墙裙的施工工艺
先在墙内预埋木砖或嵌入木楔,再在其上布置木龙骨。将基层板固定在木龙骨上,最后罩上饰面板。基层板可以是胶合板、纤维板、木工板等。板与板及板与木龙骨之间的连接,有粘贴、钉、上螺栓等方法。
木龙骨吊顶

木墙裙

五、墙柱面分部工程量计算规则
(1)内墙抹灰
(1.1)计算规则——按内墙面面积计算
应扣除:门窗洞口和空圈所占的面积;
不扣除:踢脚板、挂镜线、0.3m2以内的孔洞、墙与构件交接处的面积;
不增加:洞口侧壁和顶面面积不增加;
应合并:墙垛和附墙烟囱侧壁面积应并入内墙抹灰工程量
(1.2)内墙抹灰尺寸的计取
内墙面抹灰的长度,以主墙(厚度≥120mm的墙)间的图示净长尺寸计算。
其高度取法如下:
无墙裙的,其高度为室内地面(楼面)至天棚底面之间的距离
有墙裙的,其高度按墙裙顶至天棚底面之间距离计算。
钉板天棚的内墙面抹灰,其高度按室内地面或楼面至天棚底面另加100mm计算。
(2)内墙裙抹灰
计算规则——内墙裙抹灰面积按内墙净长乘以高度计算。
应扣除:门窗洞口和空圈所占的面积。
不增加:门窗洞口和空圈的侧壁面积。
应并入:墙垛、附墙烟囱侧壁面积应并入墙裙抹灰面积内
(3)外墙抹灰
计算规则——按外墙面的垂直投影面积以平方米计算。
应扣除:门窗洞口、外墙裙和大于0.3m2孔洞所占面积。
不增加:洞口侧壁和顶面面积。
应并入:附墙垛、梁、柱侧面抹灰面积应并入外墙面抹灰工程量内计算。
注意:栏板|栏杆|窗台线|门窗套|扶手|压顶|挑檐|遮阳板|
突出墙外的腰线等,另按相应规定计算。
(4)外墙裙抹灰
计算规则——外墙裙抹灰面积按其长度乘以高度计算。
应扣除:门窗洞口和大于0.3m2孔洞所占的面积。
不增加:门窗洞口及孔洞的侧壁面积。
(5)窗台线、门窗套、挑檐、腰线、遮阳板等抹灰
展开宽度在300mm以内者,按装饰线以延长米计算。
展开宽度超过300mm以上时,按图示尺寸以展开面积计算,套零星抹灰定额项目。
(6)雨蓬外边线
计算规则——按相应装饰线(300mm以内)或零星项目(300mm以外)执行
装饰抹灰工程量计算
(1)外墙装饰抹灰
计算规则——外墙各种装饰抹灰均按图示尺寸以垂直投影面积计算。
应扣除:门窗洞口空圈的面积。
不增加:门窗洞口侧壁面积。
(2)挑檐|天沟|腰线|栏杆|栏板|门窗套|窗台线|压顶装饰抹灰
计算规则——均按图示尺寸展开面积以平方米计算。
(3)女儿墙、阳台栏板内侧抹灰按垂直投影面积乘以系数1.10,带压顶者乘系数1.30按墙面定额执行。
块料面层工程量计算
(1)计算规则——墙面贴块料面层均按图示尺寸以实贴面积计算。
(2)墙裙与踢脚板的区别
墙裙以高度在1500mm以内为准,超过1500mm时按墙面计算,高度低于300mm以内时,按踢脚板计算。
(3)注意
因块料面层工程量为实贴面积,则门洞下,门窗洞口侧壁面积也应计算。洞口侧壁宽度取法为

隔断工程量计算
(1)木隔墙、墙裙、护壁板及内、外墙面层饰面
按图示尺寸长度乘以高度按实铺面积以平方米计算。
(2)玻璃隔墙
按上横档顶面至下横档底面之间高度乘以宽度(两边立挺外边线之间)以平方米计算。
(3)浴厕木隔断
按下横档底面至上横档顶面高度乘以图示长度以平方米计算,门扇面积并入隔断面积内计算。
(4)铝合金、轻钢隔墙、幕墙
按四周框外围面积计算。
玻璃幕墙、隔墙如设计有门窗者,可扣除门窗面积。门窗另按门窗工程相应定额执行
玻璃隔断

独立柱、梁装饰工程
(1)独立柱、梁一般抹灰、装饰抹灰
计算规则——按结构断面周长(不包括装饰材料的厚度)乘以高度(长度)以平方米计算。
(2)独立柱、梁其他装饰
按外围饰面(包括装饰材料的厚度)尺寸乘以高度(长度)以平方米计算。
独立柱饰面面层定额未列项目者,可按相应墙面项目套用,工程量按实抹(贴)面积计算。
单梁单独抹灰、镶贴、饰面,可按独立柱相应项目执行。
大理石、花岗岩包圆柱饰面,钢骨架干挂大理石、花岗岩柱饰面,均按柱外饰面尺寸乘以高度计算;大理石、花岗岩柱墩、柱帽、腰线、阴角线等造型线条,按最大外径周长计算;石材现场倒角磨边加工按延长米计算。
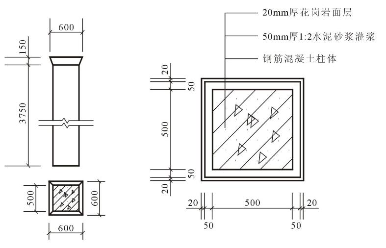
【实例解析】
某建筑物钢筋混凝土柱的构造如图2.3所示,柱面挂贴花岗岩面层,试计算工程量。

【解】
所求工程量=柱身工程量+柱帽工程量
柱身工程量=0.64×4×3.75=9.6(m2)
柱帽工程量=1.38×0.158×2=0.44(m2)
柱面挂贴花岗岩的工程量=7.5+0.44=7.94(m2)
下期更新丨天棚工程