当下,我们正处在一个知识经济时代,无论你在哪一个行业,都或多或少要考一些必要的证件,特别是在电力行业,电工证基本上是人手一本,那么对于电工证的一些基本的分类、以及是哪个部门颁发的,又是怎样划分电工资格证等级的,具有什么作用?就这几个问题来说,就算是专业的电力从业人员也不一定都能很标准的回答,甚至还会弄错。
接下来,我们来认识一下电工资格证,不同颜色的电工证就代表着不同的等级层次。

电工证一般情况下分为5个等级,分别是一级为高级技师、二级为技师、三级为高级技师、四级为中级技能、五级为初级技能。当然,由于电工证的等级不同,那么电工资格证上的颜色也就不一样。初级是绿色本、中级为蓝色本、三级为红色本、二级为褐色本、一级为深褐色本。
常用的电工等级证共分为五个等级,分别是:五级—-初级技能,四级---中级技能,三级---高级技能,二级---技师,一级---高级技师。
这些证件都是由省人力资源和社会保障厅认证颁发,可以全国联网查询。终身使用,不用复审。电工等级证全国范围内均可以使用,还可用于境外就业,有的大型企业对等级证有很大的补助措施。
说完证件等级,我们接下来简单说一下电工证的分类,现在电工证基本分为3种,分别为:
电工职业资格等级证、电工特种作业操作证、国家电工进网作业许可证。之前还听说过一种是建筑施工类搞的特种作业证,其他电工证在建筑工地无效,然而,此建筑电工证出了工地也基本上是没有什么用的。
今天,我们主要向大家详细介绍特种作业操作证(低压电工证),这种证也是电工证的一种,在业内通常被称作“操作证”或者“上岗证”。然而,特种作业操作证又分为:高压运行维护作业、高压安装修造作业、低压电工作业、安装、维修、发电、配电,自从2010年以来,以前的特种作业操作证的样本都换成居民二代身份证拟的IC卡类新版中华人民共和国特种作业操作证样本,每隔3年进行一次复审,每隔6年就要换1次。
老电工操作证有安监局颁发!
2019年10月电工操作证由应急管理部颁发!
新版电工证新面貌
1)新版证书分为PVC卡片式和电子式两种形式
电子证书
电子证书是由相关平台统一签发、统一管理、统一验证,与实体证书相对应的、状态相同、功能也是相同的。电子证书也可以打印出来,全国通用,同样具备法律效力。
持证人证书丢失或损坏,不管在哪里,都都不用再到发证机关补发实体证书,可以直接使用存储在电脑,手机上的电子证书,也可以*载下**打印纸制证书作为凭证。
2)新证件的起效时间
新版证书自本通知印发之日2019年8月10日起启用。旧版安全合格证和特种作业操作证自即日起停止核发,已核发的证书有效期内继续使用,经复审合格后统一核发新版证书。
3)证件有真有假,如何辨别
电子证书都是由相关系统,统一生成。安全合格证及特种操作证实行全国统一查询,大家可以通过登录应急管理网站或用专用微信公众号进行查验,禁止组织和建立个人证书查询平台。
低压电工证的考试内容有哪些呢?
考试内容具体包括理论和实操。
理论考试:理论考试就是考验大家的基础功底,分为消防急救和电工基础理论知识、消防急救知识包括救火常识、急救知识、触电急救常识等。如果你在学校学的就是电气专业的,考这些证件就会非常容易,反之,如果你是门外汉,那就要找到一些题库来进行刷题学习,当然现在有很多的手机app可以找到题目的,加强刷题训练会提高通过率。
实操考试内容分为接线、排故、答辩。
接线内容包括:
1.一灯双控电路接线:一灯双控接线要点是两个开关的公共端,火线进入一个开关的公共端L,另外一个开关的L接入灯泡,灯泡接进零线,两个开关的L1、L2互接;
2.五孔插座电路接线:五孔插座的接线要采用左零右火上接地的原则进行接线,方法比较简单;
3.日光灯接线:日光灯是需要连接镇流器才能启动的,所以接线方法是火线经过开关,进入镇流器,镇流器输出端接入日光灯,接线方法需要按照镇流器电路图进行;
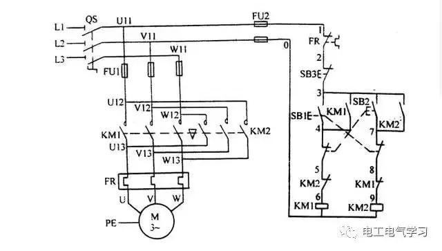
4.三相电机正反转接线;最难点就是三相电机的正反转电路,但是吃透交流接触器的自锁、互锁、按钮互锁以及三相电机正反转换相反转原理就能够轻松通过考验;

排故
排故之前是要进行抓阄,上面一共有四个接线项目,抽到哪一个就要对其中一项进行排故,排故是需要使用万用表,主要考点就是点与点之前是否连通,元器件功能是否正常;
答辩
答辩的内容比较多,各地内容也是不同,一般就是各种仪表的识别和使用方法,包括:万用表、电流表、电压表、兆欧表等,考官会调其中一二进行询问,注意回答使用要点,多说考官不会难为。